Vítejte na Elektro Bastlírn?
Nuke - Elektro Bastlirna
  Vytvořit účet Hlavní · Fórum · DDump · Profil · Zprávy · Hledat na fóru · Příspěvky na provoz EB

Vlákno na téma KORONAVIRUS - nutná registrace


Nuke - Elektro Bastlirna: Diskuzní fórum

 FAQFAQ   HledatHledat   Uživatelské skupinyUživatelské skupiny   ProfilProfil   Soukromé zprávySoukromé zprávy   PřihlášeníPřihlášení 

Zapojení s koncovými vypínači

 
Přidat nové téma   Zaslat odpověď       Obsah fóra Diskuzní fórum Elektro Bastlírny -> Řešení problémů s různými konstrukcemi
Zobrazit předchozí téma :: Zobrazit následující téma  
Autor Zpráva
vlky



Založen: Jan 12, 2016
Příspěvky: 2

PříspěvekZaslal: út leden 12 2016, 23:43    Předmět: Zapojení s koncovými vypínači Citovat

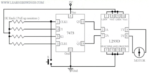
Zdravím všechny, rád bych se zeptal na jestli někdo z vás neví, jak do přiloženého obvodu zapojit koncové spínače, které zastaví otáčení motoru, čiže jedním stiskem tlačítka se motor točí jedním směrem, koncový spínač jej vypne. Po druhém stisku tlačítka se motor točí opačným směrem a druhý koncový spínač jej opět vypne. Případně jak toto nějakým "kulantním" způsobem vyřešit. Děkuji všem:-)


obvod maly.gif
 Komentář:

Stáhnout
 Soubor:  obvod maly.gif
 Velikost:  275.96 kB
 Staženo:  218 krát

Návrat nahoru
Zobrazit informace o autorovi Odeslat soukromou zprávu
Zaky



Založen: Oct 30, 2010
Příspěvky: 6980
Bydliště: Praha

PříspěvekZaslal: st leden 13 2016, 0:15    Předmět: Citovat

Do série s motorem dáš koncové spínače, které při najetí na koncovou polohu musí rozpínat. Přes jejich kontakty dáš diody, které umožní tok proudu v opačném směru, než najel motor na spínač, tedy dioda se po dojezdu a rozepnutí koncáku neuplatní, ale při otočení polarity buzení umožní rozběh motoru. Pozor na setrvačnost pohonu, koncáky to musí mechanicky zvládnout.
Návrat nahoru
Zobrazit informace o autorovi Odeslat soukromou zprávu
Zaky



Založen: Oct 30, 2010
Příspěvky: 6980
Bydliště: Praha

PříspěvekZaslal: st leden 13 2016, 0:19    Předmět: Citovat

viz třeba zde: http://www.electro-tech-online.com/threads/input-for-linear-slide-actuator.143705/
Návrat nahoru
Zobrazit informace o autorovi Odeslat soukromou zprávu
vlky



Založen: Jan 12, 2016
Příspěvky: 2

PříspěvekZaslal: st leden 13 2016, 22:43    Předmět: Citovat

Děkuji za velmi rychlou odpověď. Jestli to dobře chápu, tak reverzaci dělají ty koncáky s těmi diodami, podle toho obrázku v příloze. Konektory A a B se tedy připojí na konektory 3 a 6 obvodu z prvního dotazu?
Přiznám se jsem v tomto oboru úplně začátečník a snažím se jen vymyslet jak elektricky otevírat dvířka příhrádky v autě tlačítkem na palubní desce. Díky za odpověď.



Blastgate controllers.jpg
 Komentář:

Stáhnout
 Soubor:  Blastgate controllers.jpg
 Velikost:  18.43 kB
 Staženo:  145 krát

Návrat nahoru
Zobrazit informace o autorovi Odeslat soukromou zprávu
Zobrazit příspěvky z předchozích:   
Přidat nové téma   Zaslat odpověď       Obsah fóra Diskuzní fórum Elektro Bastlírny -> Řešení problémů s různými konstrukcemi Časy uváděny v GMT + 1 hodina
Strana 1 z 1

 
Přejdi na:  
Nemůžete odesílat nové téma do tohoto fóra.
Nemůžete odpovídat na témata v tomto fóru.
Nemůžete upravovat své příspěvky v tomto fóru.
Nemůžete mazat své příspěvky v tomto fóru.
Nemůžete hlasovat v tomto fóru.
Nemůžete připojovat soubory k příspěvkům
Můžete stahovat a prohlížet přiložené soubory

Powered by phpBB © 2001, 2005 phpBB Group
Forums ©
Nuke - Elektro Bastlirna

Informace na portálu Elektro bastlírny jsou prezentovány za účelem vzdělání čtenářů a rozšíření zájmu o elektroniku. Autoři článků na serveru neberou žádnou zodpovědnost za škody vzniklé těmito zapojeními. Rovněž neberou žádnou odpovědnost za případnou újmu na zdraví vzniklou úrazem elektrickým proudem. Autoři a správci těchto stránek nepřejímají záruku za správnost zveřejněných materiálů. Předkládané informace a zapojení jsou zveřejněny bez ohledu na případné patenty třetích osob. Nároky na odškodnění na základě změn, chyb nebo vynechání jsou zásadně vyloučeny. Všechny registrované nebo jiné obchodní známky zde použité jsou majetkem jejich vlastníků. Uvedením nejsou zpochybněna z toho vyplývající vlastnická práva. Použití konstrukcí v rozporu se zákonem je přísně zakázáno. Vzhledem k tomu, že původ předkládaných materiálů nelze žádným způsobem dohledat, nelze je použít pro komerční účely! Tento nekomerční server nemá z uvedených zapojení či konstrukcí žádný zisk. Nezodpovídáme za pravost předkládaných materiálů třetími osobami a jejich původ. V případě, že zjistíte porušení autorského práva či jiné nesrovnalosti, kontaktujte administrátory na diskuzním fóru EB.


PHP-Nuke Copyright © 2005 by Francisco Burzi. This is free software, and you may redistribute it under the GPL. PHP-Nuke comes with absolutely no warranty, for details, see the license.
Čas potřebný ke zpracování stránky 0.16 sekund