Vítejte na Elektro Bastlírn?
Nuke - Elektro Bastlirna
  Vytvořit účet
Hlavní · Fórum · DDump · Profil · Zprávy · Hledat na fóru


Nuke - Elektro Bastlirna: Diskuzní fórum

 FAQFAQ   HledatHledat   Uživatelské skupinyUživatelské skupiny   ProfilProfil   Soukromé zprávySoukromé zprávy   PřihlášeníPřihlášení 

Yamaha RX-V757 nejde zapnout
Jdi na stránku 1, 2, 3, 4, 5, 6, 7, 8  Další
 
Přidat nové téma   Zaslat odpověď       Obsah fóra Diskuzní fórum Elektro Bastlírny -> Audiotechnika
Zobrazit předchozí téma :: Zobrazit následující téma  
Autor Zpráva
Pavel85



Založen: Sep 01, 2005
Příspěvky: 183

PříspěvekZaslal: ne prosinec 06 2015, 10:14    Předmět: Yamaha RX-V757 nejde zapnout Citovat

Zdarvím všechny,
dostal se mi na stůl tento stroj s tím, že nejdříve nešel zapnout občas a teď už nejde zapnout vůbec.
Nejdříve jsem zapátral na netu a nejčastější závada je kondík 22nF ve zdroji.
Ovšem tady to asi nebude tak jednoduché.
Zdroj běží. Měřil jsem napětí,dle schématu,ale nějak mi to všechno nesedí.
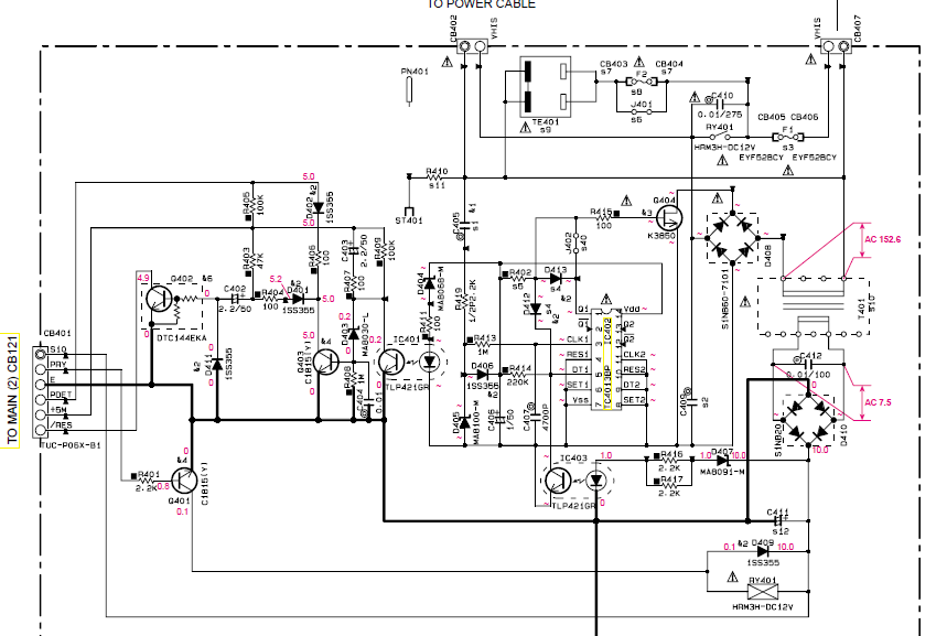
Dle schématu má jít na primár trafa 152,6V a na sekundáru 7,5. Tady mi to právě nesedí. Mám tam na primáru plné síťové napětí, tím pádem mám na sekundáru kolem 12V. Po usměrnění a vyfiltrování tam mám 17V.
Toto napětí pak jde na desku s procesorem, kde je upraveno stabilizátorem na 5V a z toho je pak upraveno na +5M, +5S a +5BU. Tyto napětí jsou OK.
Když jsem šel po napájení procesoru,zjistil jsem,že z větve +5S jde napětí přes 100K odpory na piny 50 a 56. Na pinu 50 je to OK, ale na 56 už nspětí nedojde. Ztratí se na tom rezistoru. Samozřejmě je tento pin vyveden ještě na dalsí desku, ale z časových důvodů už jsem se k ní nedostal.

Nesetkali jse śe někdo s tímto? Nejdou mi do hlavy ta napětí na tom trafu. Příjdou mi docela vysoké na to, že se z nich pak dělá 5V.

schéma jsem stáhnul z http://elektrotanya.com/yamaha_rx-v757.pdf/download.html

Díky za rady.



PS.png
 Komentář:
zdroj

Stáhnout
 Soubor:  PS.png
 Velikost:  76.29 kB
 Staženo:  440 krát


Proc.png
 Komentář:
piny procesoru

Stáhnout
 Soubor:  Proc.png
 Velikost:  75.69 kB
 Staženo:  326 krát

Návrat nahoru
Zobrazit informace o autorovi Odeslat soukromou zprávu Odeslat e-mail
Philip_Fry



Založen: Sep 01, 2010
Příspěvky: 1538
Bydliště: Trutnov

PříspěvekZaslal: ne prosinec 06 2015, 10:55    Předmět: Citovat

5V, které jde na piny 50 a 56 je pull-up napětí a na té padesát šestce ti ho tahá na zem logická nula odněkud, to nemusí být závada. Zvýšené napětí na primáru trafa by mohlo být způsobené proraženým graetzem D408, případně v kombinaci s vadným Q404.
Návrat nahoru
Zobrazit informace o autorovi Odeslat soukromou zprávu
Jenyk



Založen: Jan 25, 2015
Příspěvky: 130

PříspěvekZaslal: út duben 14 2020, 17:39    Předmět: Citovat

Přidám se do staršího vlákna. Vytáhl jsem ze skříně delší dobu nezapnutou Yamahu RX-V757. Zapne se, cca. po 1. vteřině ji vntřní ochrana vypne. Chybové hlášení je "PS PRT 0035 K". Diagnostika po zablokování vestavěné ochrany funguje, všechna tlačítka i dálkové ovládání také. Ukazuje to někam do zdroje. Servisní manuál mám, ale zatím do toho čumím jako husa do flašky. Není to úplně nejjednodušší zařízení. Někdo má zkušenosti, po čem přednostně jít? Že by to mohlo být konektory, elektrolyty atd. tuším, ale pomohla by mi konrétní rada někoho, kdo se v tom v nedávno hrabal a poradil by, jak postupovat. Díky.
Návrat nahoru
Zobrazit informace o autorovi Odeslat soukromou zprávu
masar



Založen: Dec 03, 2005
Příspěvky: 14331

PříspěvekZaslal: út duben 14 2020, 18:24    Předmět: Citovat

Podobný problém s tímto zapojením se už probíral tady.
Wink
Návrat nahoru
Zobrazit informace o autorovi Odeslat soukromou zprávu Odeslat e-mail
Jenyk



Založen: Jan 25, 2015
Příspěvky: 130

PříspěvekZaslal: po duben 20 2020, 17:57    Předmět: Citovat

Tam šlo o to, že nešel zapnout. V mém případě se zapnul a potom vypadávala vestavěná ochrana. Přišel jsem na to, odešel stabilizátor ve větvi +5V. Už zase hraje jako víno.
Návrat nahoru
Zobrazit informace o autorovi Odeslat soukromou zprávu
rolnas



Založen: Apr 27, 2005
Příspěvky: 210

PříspěvekZaslal: pá červen 06 2025, 21:44    Předmět: Citovat

Jenyk napsal(a):
Přidám se do staršího vlákna. Vytáhl jsem ze skříně delší dobu nezapnutou Yamahu RX-V757. Zapne se, cca. po 1. vteřině ji vntřní ochrana vypne. Chybové hlášení je "PS PRT 0035 K". Diagnostika po zablokování vestavěné ochrany funguje, všechna tlačítka i dálkové ovládání také. Ukazuje to někam do zdroje. Servisní manuál mám, ale zatím do toho čumím jako husa do flašky. Není to úplně nejjednodušší zařízení. Někdo má zkušenosti, po čem přednostně jít? Že by to mohlo být konektory, elektrolyty atd. tuším, ale pomohla by mi konrétní rada někoho, kdo se v tom v nedávno hrabal a poradil by, jak postupovat. Díky.


zdravím, mám dotaz-to chybové hlášení se ti objevilo na displeji hned po vypnutí nebo jsi musel nejdříve zablokovat ochranu? Mě to začalo dělat to samé, po zapnutí se hned vypne a displej je vypnutý. zajímavé je že když před zapnutím zvednu ze stojánku horkovzdušnou pistoli a zmáčknu ON tak receiver se normálně zapne Smile Díval jsem se osciloskopem a nějaké špičky ten horkovzuduch po síti hodí. Vyměnil jsem snad vše ve zdroji a výsledek se nedostavil. Po výměně CD4013 chodil spolehlivě 2dny,pak byl odpojen od sítě a poté zase takhle blbne. Ten stabilizátor cos měnil je IC452 (5,5V) ?
Návrat nahoru
Zobrazit informace o autorovi Odeslat soukromou zprávu
Jenyk



Založen: Jan 25, 2015
Příspěvky: 130

PříspěvekZaslal: pá červen 06 2025, 22:01    Předmět: Citovat

Je to dávno. Bohužel si to už vůbec nepamatuju. On se po chvíli porouchal znovu a proto mi už ty tehdejší závady a opravy splývají. Nakonec to bohužel nedopadlo a provozuschopný jsem ho neudržel.
Návrat nahoru
Zobrazit informace o autorovi Odeslat soukromou zprávu
dred



Založen: Apr 08, 2007
Příspěvky: 2631
Bydliště: Handlová

PříspěvekZaslal: so červen 07 2025, 7:31    Předmět: Citovat

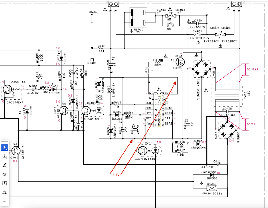
Skontroluj ešte raz ten SB-zdroj... napájanie IC402 VDD=10V

Na výstupe tiež musí byť napätie 10V - ináč sa zrejme aktivuje ochrana na prepätie..

K tomu kondíku C405 - v registri SM je uvedená hodnota 47nF, ale spomínam si, že fyzicky bol na doske 22nF...



obrázok_2025-06-07_085301141.png
 Komentář:
 Velikost:  159.09 kB
 Zobrazeno:  77 krát

obrázok_2025-06-07_085301141.png


Návrat nahoru
Zobrazit informace o autorovi Odeslat soukromou zprávu
rolnas



Založen: Apr 27, 2005
Příspěvky: 210

PříspěvekZaslal: so červen 07 2025, 8:14    Předmět: Citovat

na IC 402 VDD mám 6,5V.


Snímek obrazovky 2025-06-07 v 8.55.49.png
 Komentář:
 Velikost:  290.51 kB
 Zobrazeno:  63 krát

Snímek obrazovky 2025-06-07 v 8.55.49.png


Návrat nahoru
Zobrazit informace o autorovi Odeslat soukromou zprávu
rolnas



Založen: Apr 27, 2005
Příspěvky: 210

PříspěvekZaslal: so červen 07 2025, 8:18    Předmět: Citovat

já mám v SM C405 22k
Návrat nahoru
Zobrazit informace o autorovi Odeslat soukromou zprávu
dred



Založen: Apr 08, 2007
Příspěvky: 2631
Bydliště: Handlová

PříspěvekZaslal: so červen 07 2025, 8:32    Předmět: Citovat

Zaujímavé Laughing Ja tam vidím dokonca C405 - 2krát Laughing

Ale k podstate. Ten kondík si aj meral ? Lebo pokles kapacity má na výsledok dosť veľký vplyv.
Premeraj aj R419, C406, D405, D406 (D405 najlepšie aj na zenerove napätie)



obrázok_2025-06-07_092546562.png
 Komentář:
 Velikost:  36.46 kB
 Zobrazeno:  48 krát

obrázok_2025-06-07_092546562.png


Návrat nahoru
Zobrazit informace o autorovi Odeslat soukromou zprávu
rolnas



Založen: Apr 27, 2005
Příspěvky: 210

PříspěvekZaslal: so červen 07 2025, 8:47    Předmět: Citovat

nechápu že když zapnu a zvednu horkovzdušnou ručku tak se mašina nahodí, už z toho mám zamotanou hlavu a vůbec nechápu jak tento zdroj funguje
ve zdroji jsem již proměřil vše a nic nenašel. C405 je nový, ostatní C vyndány změřeny, D měřeny diodetestem v zapojení (ok)

https://youtu.be/WoePTFhoKI4
Návrat nahoru
Zobrazit informace o autorovi Odeslat soukromou zprávu
dred



Založen: Apr 08, 2007
Příspěvky: 2631
Bydliště: Handlová

PříspěvekZaslal: so červen 07 2025, 9:08    Předmět: Citovat

Niečo ti tam ten prúd "žerie" keď napätie spadlo na 6,5V ! Potom zareaguje PDET - optočlen IC401 ...možno je vadný, alebo R411, D404... Zenerky treba zmerať aj na zenerove napätie - diodatest nestačí!
Návrat nahoru
Zobrazit informace o autorovi Odeslat soukromou zprávu
rolnas



Založen: Apr 27, 2005
Příspěvky: 210

PříspěvekZaslal: so červen 07 2025, 9:16    Předmět: Citovat

no ještě vše proměřím
máš nějaké vysvětlení proč jsem schopen to zapnout když zapnu a zvednu horkovzuduch ? viz odkaz na video
Návrat nahoru
Zobrazit informace o autorovi Odeslat soukromou zprávu
masar



Založen: Dec 03, 2005
Příspěvky: 14331

PříspěvekZaslal: so červen 07 2025, 9:32    Předmět: Citovat

Uvědom si, že napájení zdroje zajišťuje nejen C405, ale i C409 a R419, které jsou s ním v sérii. Velikost napětí určuje zatížení Zenerovou diodou D405 (10V).
To jsou ty "tři hlavní zdroje, Kefalín"Smile
To video je možná zajímavé, ale není přístupné.


Naposledy upravil masar dne so červen 07 2025, 9:37, celkově upraveno 1 krát.
Návrat nahoru
Zobrazit informace o autorovi Odeslat soukromou zprávu Odeslat e-mail
Zobrazit příspěvky z předchozích:   
Přidat nové téma   Zaslat odpověď       Obsah fóra Diskuzní fórum Elektro Bastlírny -> Audiotechnika Časy uváděny v GMT + 1 hodina
Jdi na stránku 1, 2, 3, 4, 5, 6, 7, 8  Další
Strana 1 z 8

 
Přejdi na:  
Nemůžete odesílat nové téma do tohoto fóra.
Nemůžete odpovídat na témata v tomto fóru.
Nemůžete upravovat své příspěvky v tomto fóru.
Nemůžete mazat své příspěvky v tomto fóru.
Nemůžete hlasovat v tomto fóru.
Nemůžete připojovat soubory k příspěvkům
Můžete stahovat a prohlížet přiložené soubory

Powered by phpBB © 2001, 2005 phpBB Group
Forums ©
Nuke - Elektro Bastlirna

Informace na portálu Elektro bastlírny jsou prezentovány za účelem vzdělání čtenářů a rozšíření zájmu o elektroniku. Autoři článků na serveru neberou žádnou zodpovědnost za škody vzniklé těmito zapojeními. Rovněž neberou žádnou odpovědnost za případnou újmu na zdraví vzniklou úrazem elektrickým proudem. Autoři a správci těchto stránek nepřejímají záruku za správnost zveřejněných materiálů. Předkládané informace a zapojení jsou zveřejněny bez ohledu na případné patenty třetích osob. Nároky na odškodnění na základě změn, chyb nebo vynechání jsou zásadně vyloučeny. Všechny registrované nebo jiné obchodní známky zde použité jsou majetkem jejich vlastníků. Uvedením nejsou zpochybněna z toho vyplývající vlastnická práva. Použití konstrukcí v rozporu se zákonem je přísně zakázáno. Vzhledem k tomu, že původ předkládaných materiálů nelze žádným způsobem dohledat, nelze je použít pro komerční účely! Tento nekomerční server nemá z uvedených zapojení či konstrukcí žádný zisk. Nezodpovídáme za pravost předkládaných materiálů třetími osobami a jejich původ. V případě, že zjistíte porušení autorského práva či jiné nesrovnalosti, kontaktujte administrátory na diskuzním fóru EB.


PHP-Nuke Copyright © 2005 by Francisco Burzi. This is free software, and you may redistribute it under the GPL. PHP-Nuke comes with absolutely no warranty, for details, see the license.
Čas potřebný ke zpracování stránky 0.16 sekund