Vítejte na Elektro Bastlírn?
Nuke - Elektro Bastlirna
  Vytvořit účet Hlavní · Fórum · DDump · Profil · Zprávy · Hledat na fóru · Příspěvky na provoz EB

Vlákno na téma KORONAVIRUS - nutná registrace


Nuke - Elektro Bastlirna: Diskuzní fórum

 FAQFAQ   HledatHledat   Uživatelské skupinyUživatelské skupiny   ProfilProfil   Soukromé zprávySoukromé zprávy   PřihlášeníPřihlášení 

jaky simulátor?
Jdi na stránku 1, 2  Další
 
Přidat nové téma   Zaslat odpověď       Obsah fóra Diskuzní fórum Elektro Bastlírny -> Simulátory a simulace obvodů
Zobrazit předchozí téma :: Zobrazit následující téma  
Autor Zpráva
Jirka525



Založen: May 22, 2013
Příspěvky: 325
Bydliště: Psáry JN79GW

PříspěvekZaslal: st leden 14 2015, 17:06    Předmět: jaky simulátor? Citovat

Ahoj potřeboval bych doporučit nejlépe free simulátor elektronických obvodů. Jedná se mě především o návrh a simulaci analogových obvodů pro VF aplikace. Budu ale pochopitelně rád, když bude použitelný i obecně.
díky

_________________
Jirka
Návrat nahoru
Zobrazit informace o autorovi Odeslat soukromou zprávu Odeslat e-mail
Eleman



Založen: Feb 21, 2011
Příspěvky: 3560
Bydliště: Český Středozápad (JO70AD)

PříspěvekZaslal: st leden 14 2015, 18:39    Předmět: Citovat

Používám LT Spice IV. Je free a má docela slušné možnosti (alespoň pro moje účely). Ale třeba je na vf něco lepšího, i když s tím free to bude asi problém.
Ono u toho vf bude asi trochu rozdíl jak se bude obvod chovat v simulátoru a jak v reálu. A ten rozdíl samozřejmě s rostoucím kmitočtem také poroste.

_________________
Člověk se celý život učí jenom proto, aby ve stáří všechno zapomněl.
„Když už člověk jednou je, tak má koukat aby byl. A když kouká, aby byl, a je, tak má být to, co je, a nemá být to, co není, jak tomu v mnoha případech je.“ J. Werich
Návrat nahoru
Zobrazit informace o autorovi Odeslat soukromou zprávu Odeslat e-mail
Bernard



Založen: May 27, 2005
Příspěvky: 3657

PříspěvekZaslal: st leden 14 2015, 19:06    Předmět: Citovat

Za pokus stojí i RFsim99. Sice je léta bez inovací, ale má stále (aspoň pro mne) svůj půvab. Pracuje pomocí s-parametrů, výstupní grafy jsou k dispozici i jako Smithovy diagramy. A je free.
Návrat nahoru
Zobrazit informace o autorovi Odeslat soukromou zprávu
hakamusai



Založen: Apr 17, 2007
Příspěvky: 943

PříspěvekZaslal: st leden 14 2015, 20:45    Předmět: Citovat

Jsou součástí knihoven procesory PIC,ATMEL ... ?
Návrat nahoru
Zobrazit informace o autorovi Odeslat soukromou zprávu
Bernard



Založen: May 27, 2005
Příspěvky: 3657

PříspěvekZaslal: st leden 14 2015, 22:04    Předmět: Citovat

Nejsou tam žádné procesory.

Naposledy upravil Bernard dne čt únor 19 2015, 20:30, celkově upraveno 1 krát.
Návrat nahoru
Zobrazit informace o autorovi Odeslat soukromou zprávu
petus



Založen: Jan 12, 2009
Příspěvky: 594
Bydliště: Pelhřimov

PříspěvekZaslal: čt leden 15 2015, 19:24    Předmět: Citovat

LTSpice, PSpice, Tina, MultiSim - Blue edice - licence zdarma na 3 roky od mouser electronic
_________________
Pokud něco chcete a neodpovídám,pošlete SZ Smile
https://chiptron.cz - novinky ze světa elektro (Arduino, Raspberry Pi, ESP8266, STM32, ESP32...)
Peťus
Návrat nahoru
Zobrazit informace o autorovi Odeslat soukromou zprávu Zobrazit autorovy WWW stránky
jova1



Založen: Dec 20, 2007
Příspěvky: 1348
Bydliště: Chýnov - to je kousek od Tábora

PříspěvekZaslal: čt únor 19 2015, 15:12    Předmět: Citovat

Zdravím, potřeboval bych v nějakém simulátoru ověřit v reálném čase reléovou logiku. Myšleno, stisknu tlačítko, rozsvítí se žárovka, sepne se další relé... Můžete mi nějaký jednoduchý doporučit?
Stačí aby tam bylo relé s nastavitelným počtem kontaktů, zpožďovací relé cca 1s, spínací tlačítko, a nějaká signalizace jako informace jak se to chová.
Návrat nahoru
Zobrazit informace o autorovi Odeslat soukromou zprávu Zobrazit autorovy WWW stránky
Bernard



Založen: May 27, 2005
Příspěvky: 3657

PříspěvekZaslal: čt únor 19 2015, 20:29    Předmět: Citovat

V LTspiceIV existuje obvodový element sw, celým jménem "voltage controlled switch", se kterým se dá základní funkce relé celkem snadno simulovat. Trochu komplikovanější by bylo simulovat také dobu přítahu a odpadu. A taky stlačení tlačítka se tam nedá udělat nějak interaktívně, třeba na kliknutí. Spíš jako zdroj napětí nebo proudu s definovaným momentem náběhu.
Návrat nahoru
Zobrazit informace o autorovi Odeslat soukromou zprávu
hash



Založen: Mar 05, 2010
Příspěvky: 57

PříspěvekZaslal: po srpen 17 2015, 6:42    Předmět: Citovat

Mám dotaz:
Rozhlížím se po nějakém simulátoru, ve kterém by se daly nasimulovat nástrojové zesilovače s elektronkami ECC83 a EL34.
Poradíte?
Návrat nahoru
Zobrazit informace o autorovi Odeslat soukromou zprávu
venca666



Založen: Mar 02, 2014
Příspěvky: 111
Bydliště: U mě doma

PříspěvekZaslal: út srpen 18 2015, 16:25    Předmět: Citovat

Umí tu někdo dobře pracovat v programu prometeus isis 8? stavím hodiny s attiny 2313, mám zdoják.c a nějak to nejde.... vložit jde zdroják.asm.... tento program se mi zdá jako nejlepší....

Naposledy upravil venca666 dne út srpen 18 2015, 17:07, celkově upraveno 1 krát.
Návrat nahoru
Zobrazit informace o autorovi Odeslat soukromou zprávu Odeslat e-mail Zobrazit autorovy WWW stránky AOL Instant Messenger Yahoo Messenger MSN Messenger
Bernard



Založen: May 27, 2005
Příspěvky: 3657

PříspěvekZaslal: út srpen 18 2015, 16:47    Předmět: Citovat

Já znám jen LTspice IV, protože je zadarmo a dost starý na to, aby člověk pronikl do základů. S lampami už 50 let nepracuji, ale tito pánové ano:
http://www.diva-portal.org/smash/get/diva2:628880/fulltext01.pdf
http://www.duncanamps.com/technical/ltspice.html
http://www.normankoren.com/Audio/
Návrat nahoru
Zobrazit informace o autorovi Odeslat soukromou zprávu
hakamusai



Založen: Apr 17, 2007
Příspěvky: 943

PříspěvekZaslal: út srpen 18 2015, 18:25    Předmět: Citovat

venca666 napsal(a):
Umí tu někdo dobře pracovat v programu prometeus isis 8? stavím hodiny s attiny 2313, mám zdoják.c a nějak to nejde.... vložit jde zdroják.asm.... tento program se mi zdá jako nejlepší....

To bude asi Protheus,ne ? Vhodnější je připojit *.hex soubor a samotný překlad *.C-> *.hex řešit v jiném vývojovém prostředí.
Návrat nahoru
Zobrazit informace o autorovi Odeslat soukromou zprávu
hash



Založen: Mar 05, 2010
Příspěvky: 57

PříspěvekZaslal: st srpen 19 2015, 9:02    Předmět: Citovat

Děkuji Bernardovi za nasměrování.
Návrat nahoru
Zobrazit informace o autorovi Odeslat soukromou zprávu
Hydrawerk



Založen: Dec 13, 2011
Příspěvky: 8381
Bydliště: Earth

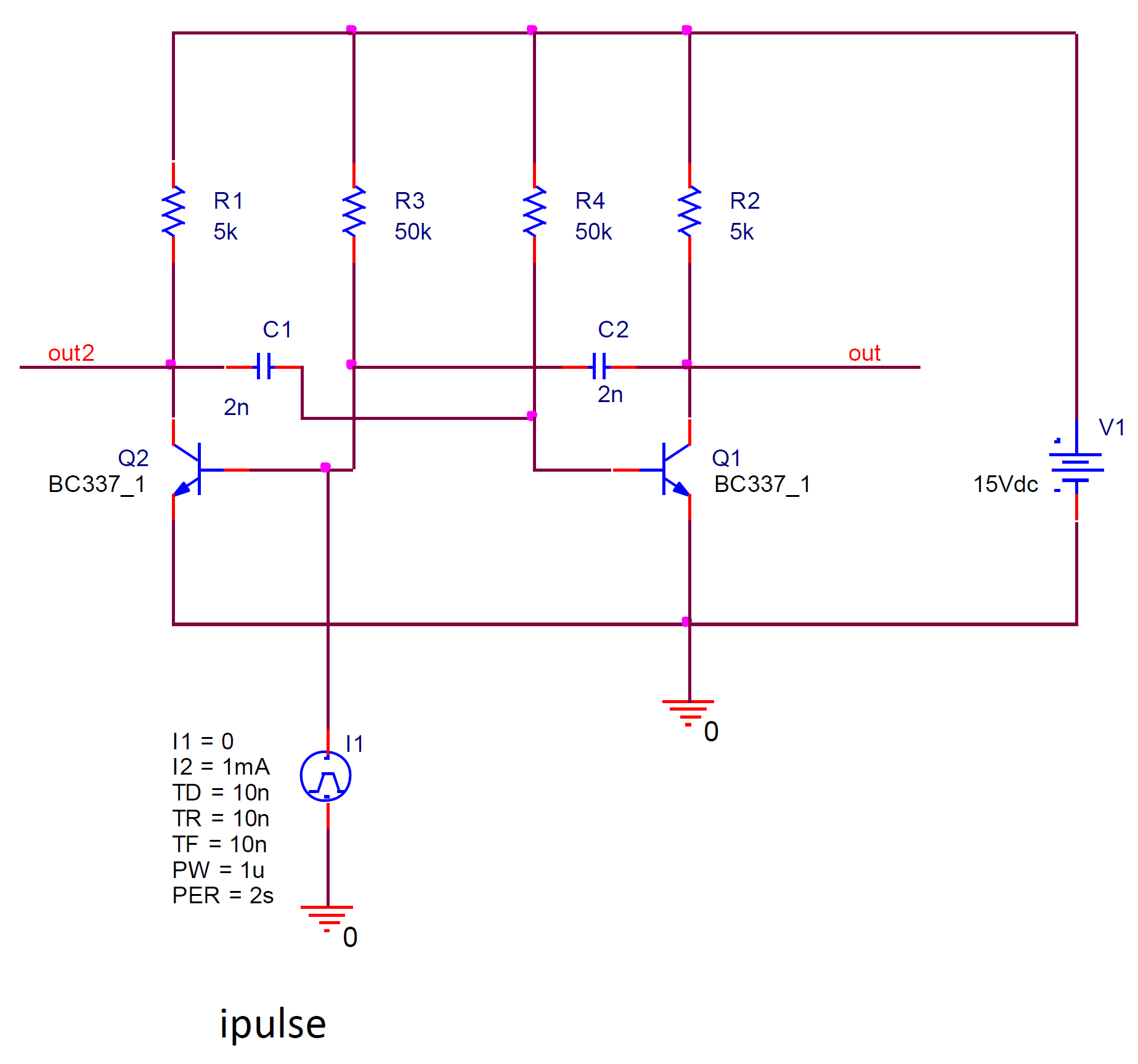
PříspěvekZaslal: po říjen 12 2015, 18:01    Předmět: Citovat

Kdyby někomu nechtěl kmitat multivibrátor v PSpice, tak vězte, že musíte zahájit oscilace nakopnutím pomocí prvku ipulse.
EDIT: Inspiroval jsem se tadyhle. https://www.youtube.com/watch?v=eaT5_u3TG98



pspice-oscilator 02.png
 Komentář:

Stáhnout
 Soubor:  pspice-oscilator 02.png
 Velikost:  28.24 kB
 Staženo:  484 krát


pspice oscilator ipulse.png
 Komentář:

Stáhnout
 Soubor:  pspice oscilator ipulse.png
 Velikost:  60.23 kB
 Staženo:  485 krát


_________________
01 02 03


Naposledy upravil Hydrawerk dne po říjen 12 2015, 20:31, celkově upraveno 1 krát.
Návrat nahoru
Zobrazit informace o autorovi Odeslat soukromou zprávu
lesana87



Založen: Sep 20, 2014
Příspěvky: 4169

PříspěvekZaslal: po říjen 12 2015, 18:06    Předmět: Citovat

Stačí zadat vhodnou počáteční podmínku na jednom kondenzátoru.
Návrat nahoru
Zobrazit informace o autorovi Odeslat soukromou zprávu
Zobrazit příspěvky z předchozích:   
Přidat nové téma   Zaslat odpověď       Obsah fóra Diskuzní fórum Elektro Bastlírny -> Simulátory a simulace obvodů Časy uváděny v GMT + 1 hodina
Jdi na stránku 1, 2  Další
Strana 1 z 2

 
Přejdi na:  
Nemůžete odesílat nové téma do tohoto fóra.
Nemůžete odpovídat na témata v tomto fóru.
Nemůžete upravovat své příspěvky v tomto fóru.
Nemůžete mazat své příspěvky v tomto fóru.
Nemůžete hlasovat v tomto fóru.
Nemůžete připojovat soubory k příspěvkům
Můžete stahovat a prohlížet přiložené soubory

Powered by phpBB © 2001, 2005 phpBB Group
Forums ©
Nuke - Elektro Bastlirna

Informace na portálu Elektro bastlírny jsou prezentovány za účelem vzdělání čtenářů a rozšíření zájmu o elektroniku. Autoři článků na serveru neberou žádnou zodpovědnost za škody vzniklé těmito zapojeními. Rovněž neberou žádnou odpovědnost za případnou újmu na zdraví vzniklou úrazem elektrickým proudem. Autoři a správci těchto stránek nepřejímají záruku za správnost zveřejněných materiálů. Předkládané informace a zapojení jsou zveřejněny bez ohledu na případné patenty třetích osob. Nároky na odškodnění na základě změn, chyb nebo vynechání jsou zásadně vyloučeny. Všechny registrované nebo jiné obchodní známky zde použité jsou majetkem jejich vlastníků. Uvedením nejsou zpochybněna z toho vyplývající vlastnická práva. Použití konstrukcí v rozporu se zákonem je přísně zakázáno. Vzhledem k tomu, že původ předkládaných materiálů nelze žádným způsobem dohledat, nelze je použít pro komerční účely! Tento nekomerční server nemá z uvedených zapojení či konstrukcí žádný zisk. Nezodpovídáme za pravost předkládaných materiálů třetími osobami a jejich původ. V případě, že zjistíte porušení autorského práva či jiné nesrovnalosti, kontaktujte administrátory na diskuzním fóru EB.


PHP-Nuke Copyright © 2005 by Francisco Burzi. This is free software, and you may redistribute it under the GPL. PHP-Nuke comes with absolutely no warranty, for details, see the license.
Čas potřebný ke zpracování stránky 0.21 sekund