Vítejte na Elektro Bastlírn?
Nuke - Elektro Bastlirna
  Vytvořit účet
Hlavní · Fórum · DDump · Profil · Zprávy · Hledat na fóru


Nuke - Elektro Bastlirna: Diskuzní fórum

 FAQFAQ   HledatHledat   Uživatelské skupinyUživatelské skupiny   ProfilProfil   Soukromé zprávySoukromé zprávy   PřihlášeníPřihlášení 

Zapojení dvou a více spínaných zdrojů
Jdi na stránku 1, 2, 3  Další
 
Přidat nové téma   Zaslat odpověď       Obsah fóra Diskuzní fórum Elektro Bastlírny -> Teorie
Zobrazit předchozí téma :: Zobrazit následující téma  
Autor Zpráva
EYYE



Založen: May 29, 2013
Příspěvky: 24

PříspěvekZaslal: čt leden 01 2015, 17:16    Předmět: Zapojení dvou a více spínaných zdrojů Citovat

Zdravím,
rád bych požádal někoho ochotného, jestli mi nebude schopen vysvětlit, zda-li (a případně s jakými problémy) je možno zapojit spínané zdroje do série a paralelně. To za předpokladu, že zdroje jsou totožné, parametricky shodné. Na netu jsem našel, že je možné zapojit spínané zdroje do série, není mi ale jasné, jak se s tím spínaný zdroj popere... Pro praktický provoz je to jistě nesmyslné, zajímá mě to spíše tedy jako "kuriozitka".
Návrat nahoru
Zobrazit informace o autorovi Odeslat soukromou zprávu
ok1hga



Založen: Nov 28, 2006
Příspěvky: 12708
Bydliště: Česká Třebová

PříspěvekZaslal: čt leden 01 2015, 17:19    Předmět: Citovat

EYYE napsal(a):
To za předpokladu, že zdroje jsou totožné, parametricky shodné. Na netu jsem našel, že je možné zapojit spínané zdroje do série, není mi ale jasné, jak se s tím spínaný zdroj popere...

a pokud budou mít i výstup oddělený od kostry, bude to jako bys spojoval baterie . . .
Návrat nahoru
Zobrazit informace o autorovi Odeslat soukromou zprávu
Milan



Založen: Apr 02, 2012
Příspěvky: 1452
Bydliště: Vysočina

PříspěvekZaslal: čt leden 01 2015, 17:53    Předmět: Citovat

Byl bych rozhodně opatrnější. Zdroje se s tím "poperou",pokud s tím konstruktér
při jeho návrhu počítal. Tak jen třeba start spínaných zdrojů je obvykle měkký,
s nějakým náběhem a velkou tolerancí,která většinou uváděna není. Jak to vyhodnotí řídící obvody dalších zdrojů,záleží na konstrukci. Extrémně může dojít i k zničení součástek přepólováním. Rozhodně bych doporučoval takto spojovat pouze zdroje,u kterých výrobce tuto možnost deklaruje. Ty čínské to asi nebudou.... Very Happy .
Návrat nahoru
Zobrazit informace o autorovi Odeslat soukromou zprávu
EKKAR



Založen: Mar 16, 2005
Příspěvky: 35457
Bydliště: Česká Třebová, JN89FW21

PříspěvekZaslal: čt leden 01 2015, 18:22    Předmět: Citovat

V případě, že je výstup oddělenej od kostry, je sériový spojení skoro bezproblémový, protože výstupní napětí si hlídá keždej zdroj svým vlastním řídícím obvodem podle vlastní reference, "opřený" o libovolnej výstupní pól. Při sériovým spojení zdrojů je potřeba si pohlídat celkovejproud, aby v případě ne shodnejch zdrojů nebyl ten s menším výkonem "přetlačovanej" a nepřekročil se jeho maximální proud.
V případě paralelního spojení zdrojů už je to složitější, protože i rozdíl výstupních napětí v řádu desetin voltu vytváří při spojení výraznej vyrovnávací proud - neboli přesně jak píše OK1HGA, je to jako s bateriema...

_________________
Nasliněný prst na svorkovnici domovního rozvaděče: Jó, paninko, máte tam ty Voltíky všecky...
A kutilmile - nelituju tě Mr. Green Mr. Green !!!
Návrat nahoru
Zobrazit informace o autorovi Odeslat soukromou zprávu Odeslat e-mail
Milan



Založen: Apr 02, 2012
Příspěvky: 1452
Bydliště: Vysočina

PříspěvekZaslal: čt leden 01 2015, 18:48    Předmět: Citovat

Nic proti tomu,když takto spojím zdroje,které již "jedou". Při rozběhu bych si na to tedy nevsadil. Nepíše,jaké zdroje má namysli. Co třeba sériové spojení blokujících měničů,přičemž při startu nastartuje jeden o x desítek ms později.
Pak tím,co je zatím mimo funkci,protéká proud a vytváří opačné napětí na primáru -a jak na to bude reagovat řízení ,třeba nadproud - nevypne jej ? Asi by se takových podobných pochybností našlo více . U profi zdrojů solidních výrobců je možnost spojování zdrojů popsána, je-li, u těch ostatních to bude záviset na náhodě.
Návrat nahoru
Zobrazit informace o autorovi Odeslat soukromou zprávu
EYYE



Založen: May 29, 2013
Příspěvky: 24

PříspěvekZaslal: čt leden 01 2015, 18:49    Předmět: Citovat

Děkuji moc za reakce Smile
Návrat nahoru
Zobrazit informace o autorovi Odeslat soukromou zprávu
vava



Založen: Jan 20, 2012
Příspěvky: 56

PříspěvekZaslal: so leden 03 2015, 23:26    Předmět: Citovat

U nás v práci pracujou dva spínaný zdroje do jednoho spotřebiče (karty). Na kartě jsou ty zdroje přivedený do společnýho bodu přes diody. Ty zdroje je třeba každej zvlášť nastavit přesně na stejný napětí. Stejně se to každou chvíli ale rozjíždí. Tohle paralelní zapojení bych použil fakt jen v případě dvou různejch sítí, kdy jedna může vypadnout a drží to pak ta druhá. Tedy každej zdroj musí umět utáhnout spotřebič i samostatně.
Návrat nahoru
Zobrazit informace o autorovi Odeslat soukromou zprávu
badoch



Založen: Feb 23, 2005
Příspěvky: 600
Bydliště: SM

PříspěvekZaslal: ne leden 04 2015, 0:10    Předmět: Citovat

To u nás v práci máme 2x SIEMENS SITOP 24V/40A paralelně. Akorát když jsem v minulosti jeden poprvé měnil si pamatuji, že mají v sobě nějaké přepínače, kterýma se nastavuje způsob provozu (paralelně-singl). Co to ve finále dělá nevím. Jen bez zátěže a odpojené se nastaví na stejnou hodnotu napětí, potom se propojí a funguje to celé roky.
Návrat nahoru
Zobrazit informace o autorovi Odeslat soukromou zprávu
termit256



Založen: Dec 06, 2007
Příspěvky: 10335

PříspěvekZaslal: ne leden 04 2015, 2:33    Předmět: Citovat

Pokud to ma spolehlive fungovat, musi byt zdroje na takovy provoz stavene. Pouzivame roky nekolik takovych http://www.vicorpower.com/documents/applications_manual/DesignGuideAppsManual_200J00.pdf zdroju paralelne bez sebemensiho problemu.
Návrat nahoru
Zobrazit informace o autorovi Odeslat soukromou zprávu
vava



Založen: Jan 20, 2012
Příspěvky: 56

PříspěvekZaslal: ne leden 04 2015, 13:34    Předmět: Citovat

termit256 napsal(a):
Pokud to ma spolehlive fungovat, musi byt zdroje na takovy provoz stavene. Pouzivame roky nekolik takovych http://www.vicorpower.com/documents/applications_manual/DesignGuideAppsManual_200J00.pdf zdroju paralelne bez sebemensiho problemu.


A to platí jen pro paralelní řazení těch Vicorpower švábů, nebo lze paralelně zapojit i +/- výstupní svorky zdrojů, které tyhle šváby obsahují ? Wink
Návrat nahoru
Zobrazit informace o autorovi Odeslat soukromou zprávu
Skay



Založen: Feb 22, 2007
Příspěvky: 704
Bydliště: Tábor (jih)

PříspěvekZaslal: st leden 07 2015, 20:36    Předmět: Citovat

Dobrý večer pánové Smile
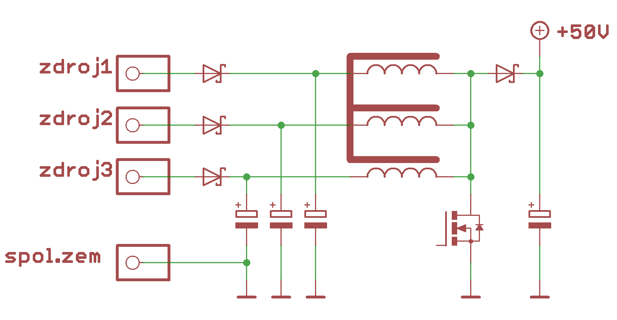
shodou okolností se momentálně zajímám o stejnou problematiku. Tedy spojení zdrojů s cílem dosažení vyššího výkonu při jednom napětí. Rád bych na to použil zdroje pro nootebooky s parametry typicky 18V/4A. jediné paralelní spojení co mě napadlo je s pomocí zvyšujícího měniče znázorněno na schematu níže.
mohlo by to takhle fungovat?



schema1.png
 Komentář:

Stáhnout
 Soubor:  schema1.png
 Velikost:  20.21 kB
 Staženo:  436 krát

Návrat nahoru
Zobrazit informace o autorovi Odeslat soukromou zprávu Odeslat e-mail
PavelFF



Založen: Feb 18, 2008
Příspěvky: 5342
Bydliště: Brno

PříspěvekZaslal: st leden 07 2015, 23:08    Předmět: Citovat

Zajímavá , originální myšlenka. Já bych prostě tupě spojil 3 zdroje z NB přes 3diody a až za spojené katody bych dal jeden elyt a jednoduchou tlumivku. Ale tak jak to máš ty by to mělo taky chodit. Pokud budou vinutí trifilární...
Návrat nahoru
Zobrazit informace o autorovi Odeslat soukromou zprávu
Atlan



Založen: May 10, 2004
Příspěvky: 4514
Bydliště: Košice

PříspěvekZaslal: čt leden 08 2015, 19:18    Předmět: Citovat

To nikomu nevadi ze tie zdroje mozu kmitat na inych frekvenciach s fazovym posuvom a vysledkom moze byt zvysene zvlnenie vystupneho napetia? Len tak zvazujem, lebo pri viacerych zdrojoch sa obcas pouziva zosynchronizovanie oscilatorov zdrojov.
Návrat nahoru
Zobrazit informace o autorovi Odeslat soukromou zprávu
termit256



Založen: Dec 06, 2007
Příspěvky: 10335

PříspěvekZaslal: čt leden 08 2015, 19:50    Předmět: Citovat

vava napsal(a):
termit256 napsal(a):
Pokud to ma spolehlive fungovat, musi byt zdroje na takovy provoz stavene. Pouzivame roky nekolik takovych http://www.vicorpower.com/documents/applications_manual/DesignGuideAppsManual_200J00.pdf zdroju paralelne bez sebemensiho problemu.


A to platí jen pro paralelní řazení těch Vicorpower švábů, nebo lze paralelně zapojit i +/- výstupní svorky zdrojů, které tyhle šváby obsahují ? Wink



Jo, muzes jich spojit paralelne vic i na vystupu. Je to popsano v tom pdfku co jsem nalinkoval. mam tak udelany 750W zdroj 24V
Návrat nahoru
Zobrazit informace o autorovi Odeslat soukromou zprávu
Cust



Založen: Jan 17, 2007
Příspěvky: 7344
Bydliště: Milotice u Kyjova

PříspěvekZaslal: pá leden 09 2015, 1:53    Předmět: Citovat

Atlan napsal(a):
To nikomu nevadi ze tie zdroje mozu kmitat na inych frekvenciach s fazovym posuvom a vysledkom moze byt zvysene zvlnenie vystupneho napetia? Len tak zvazujem, lebo pri viacerych zdrojoch sa obcas pouziva zosynchronizovanie oscilatorov zdrojov.
nad schématem jsem nepřemýšlel mnoho, ale pokud takto spojí tři zdroje, bude zvlnění menší sqrt(3)kráte než průměrný zdroj z těch tří...
Návrat nahoru
Zobrazit informace o autorovi Odeslat soukromou zprávu Odeslat e-mail
Zobrazit příspěvky z předchozích:   
Přidat nové téma   Zaslat odpověď       Obsah fóra Diskuzní fórum Elektro Bastlírny -> Teorie Časy uváděny v GMT + 1 hodina
Jdi na stránku 1, 2, 3  Další
Strana 1 z 3

 
Přejdi na:  
Nemůžete odesílat nové téma do tohoto fóra.
Nemůžete odpovídat na témata v tomto fóru.
Nemůžete upravovat své příspěvky v tomto fóru.
Nemůžete mazat své příspěvky v tomto fóru.
Nemůžete hlasovat v tomto fóru.
Nemůžete připojovat soubory k příspěvkům
Můžete stahovat a prohlížet přiložené soubory

Powered by phpBB © 2001, 2005 phpBB Group
Forums ©
Nuke - Elektro Bastlirna

Informace na portálu Elektro bastlírny jsou prezentovány za účelem vzdělání čtenářů a rozšíření zájmu o elektroniku. Autoři článků na serveru neberou žádnou zodpovědnost za škody vzniklé těmito zapojeními. Rovněž neberou žádnou odpovědnost za případnou újmu na zdraví vzniklou úrazem elektrickým proudem. Autoři a správci těchto stránek nepřejímají záruku za správnost zveřejněných materiálů. Předkládané informace a zapojení jsou zveřejněny bez ohledu na případné patenty třetích osob. Nároky na odškodnění na základě změn, chyb nebo vynechání jsou zásadně vyloučeny. Všechny registrované nebo jiné obchodní známky zde použité jsou majetkem jejich vlastníků. Uvedením nejsou zpochybněna z toho vyplývající vlastnická práva. Použití konstrukcí v rozporu se zákonem je přísně zakázáno. Vzhledem k tomu, že původ předkládaných materiálů nelze žádným způsobem dohledat, nelze je použít pro komerční účely! Tento nekomerční server nemá z uvedených zapojení či konstrukcí žádný zisk. Nezodpovídáme za pravost předkládaných materiálů třetími osobami a jejich původ. V případě, že zjistíte porušení autorského práva či jiné nesrovnalosti, kontaktujte administrátory na diskuzním fóru EB.


PHP-Nuke Copyright © 2005 by Francisco Burzi. This is free software, and you may redistribute it under the GPL. PHP-Nuke comes with absolutely no warranty, for details, see the license.
Čas potřebný ke zpracování stránky 0.16 sekund