Vítejte na Elektro Bastlírn?
Nuke - Elektro Bastlirna
  Vytvořit účet Hlavní · Fórum · DDump · Profil · Zprávy · Hledat na fóru · Příspěvky na provoz EB

Vlákno na téma KORONAVIRUS - nutná registrace


Nuke - Elektro Bastlirna: Diskuzní fórum

 FAQFAQ   HledatHledat   Uživatelské skupinyUživatelské skupiny   ProfilProfil   Soukromé zprávySoukromé zprávy   PřihlášeníPřihlášení 

Transiwatt 140 studio
Jdi na stránku 1, 2, 3, 4, 5  Další
 
Přidat nové téma   Zaslat odpověď       Obsah fóra Diskuzní fórum Elektro Bastlírny -> Audiotechnika
Zobrazit předchozí téma :: Zobrazit následující téma  
Autor Zpráva
Dolejsi14



Založen: Sep 11, 2011
Příspěvky: 213
Bydliště: Město husitů

PříspěvekZaslal: pá srpen 01 2014, 10:44    Předmět: Transiwatt 140 studio Citovat

Pěkný den,

při hlasitějším poslechu tohoto přístroje, jsem zjistil, že při vytočení hlasitosti na více než 6, začne zesilovač pískat. Dlouho jsem to neřešil, protože na tuto hlasitost nehraju, ale nyní mám trochu času se na to podívat. Takže, co jsem naměřil.

Napětí na kontrolních bodech jsou v pořádku, vyhlazené.
Vstupní signál sinus 1kHz přiveden do vstupu MGF3, napětí 1,5V. Měření na emitoru T7 předzesilovače. Měření bylo rychlé. Reproduktory nepřipojeny. Oba kanály se chovají stejně. Se zapnutým útlumem se rušení neobjeví.

Všechny snímky 0,5V/cm a 0,1ms/cm (kromě 4.)



DSC09526.jpg
 Komentář:
1. Útlum 20db vypnuto - hlasitost 6, začíná se objevovat rušení

Stáhnout
 Soubor:  DSC09526.jpg
 Velikost:  277.32 kB
 Staženo:  168 krát


DSC09527.jpg
 Komentář:
2. Útlum 20db vypnuto - hlasitost 7, začíná rušení + začína limitovat

Stáhnout
 Soubor:  DSC09527.jpg
 Velikost:  285.27 kB
 Staženo:  138 krát


DSC09528.jpg
 Komentář:
3. Útlum 20db vypnuto - hlasitost na max

Stáhnout
 Soubor:  DSC09528.jpg
 Velikost:  281.11 kB
 Staženo:  141 krát


DSC09530.jpg
 Komentář:
4. Detail rušení 5mikro s/cm

Stáhnout
 Soubor:  DSC09530.jpg
 Velikost:  294.1 kB
 Staženo:  153 krát


DSC09531.jpg
 Komentář:
5. Útlum 20db zapnuto - hlasitost na 7, začíná limitovat

Stáhnout
 Soubor:  DSC09531.jpg
 Velikost:  282.8 kB
 Staženo:  143 krát

Návrat nahoru
Zobrazit informace o autorovi Odeslat soukromou zprávu
BOBOBO
Doporučuje se dohled moderátorů


Založen: Feb 25, 2008
Příspěvky: 20496
Bydliště: Rychnovsko

PříspěvekZaslal: pá srpen 01 2014, 10:51    Předmět: Citovat

Ještě to zkus u samostatně napájených koncích .
Návrat nahoru
Zobrazit informace o autorovi Odeslat soukromou zprávu
Dolejsi14



Založen: Sep 11, 2011
Příspěvky: 213
Bydliště: Město husitů

PříspěvekZaslal: pá srpen 01 2014, 12:17    Předmět: Citovat

Trefná úvaha. Odpojoval jsem tedy pokaždé jednu pojistku (2,5A) z každého kanálu výkon. zes a měřil.

V komentářích myslím tím "Odpojen kanál" = vyjmuta pojistka daného kanálu

V roce 2010 byl zesilovač u Sinclaira na generálce.



DSC09533.jpg
 Komentář:
1. Odpojen kanál L výkon. zes, měřeneno na emitoru T7 předzesilovače-zde se chovají oba kanály stejně

Stáhnout
 Soubor:  DSC09533.jpg
 Velikost:  286.46 kB
 Staženo:  146 krát


DSC09534.jpg
 Komentář:
2. Odpojen kanál R výkon. zes, měřeneno na emitoru T7 předzesilovače-zde se chovají oba kanály stejně

Stáhnout
 Soubor:  DSC09534.jpg
 Velikost:  289.89 kB
 Staženo:  145 krát


DSC09535.jpg
 Komentář:
3. Odpojen kanál R výkon. zes, měřeneno na výstupu L výkon. zes, hlasitost poloha 6

Stáhnout
 Soubor:  DSC09535.jpg
 Velikost:  283.92 kB
 Staženo:  145 krát


DSC09537.jpg
 Komentář:
3. Odpojen kanál L výkon. zes, měřeneno na výstupu R výkon. zes, hlasitost poloha 8

Stáhnout
 Soubor:  DSC09537.jpg
 Velikost:  283.62 kB
 Staženo:  147 krát


DSC09536.jpg
 Komentář:

Stáhnout
 Soubor:  DSC09536.jpg
 Velikost:  294.65 kB
 Staženo:  233 krát

Návrat nahoru
Zobrazit informace o autorovi Odeslat soukromou zprávu
BOBOBO
Doporučuje se dohled moderátorů


Založen: Feb 25, 2008
Příspěvky: 20496
Bydliště: Rychnovsko

PříspěvekZaslal: pá srpen 01 2014, 12:23    Předmět: Citovat

U těchto lahůdek jednoho kusu jsem si ověřil , že dobře nakmitává konec , pokud má v ZV ten zpropadenej kond , jak kde 5-20pF . Buďto alespoň nerušil anebo naopak s ním to chtělo kmitat . Snad nikdy jsem posun k dobru neregistroval . Nadalší blokace napnap nejblíže koncovým trandům do středu přes tantaly .
Návrat nahoru
Zobrazit informace o autorovi Odeslat soukromou zprávu
ok1hga



Založen: Nov 28, 2006
Příspěvky: 12581
Bydliště: Česká Třebová

PříspěvekZaslal: pá srpen 01 2014, 12:30    Předmět: Citovat

BOBOBO napsal(a):
Nadalší blokace napnap nejblíže koncovým trandům do středu přes tantaly .

do jakého středu ?
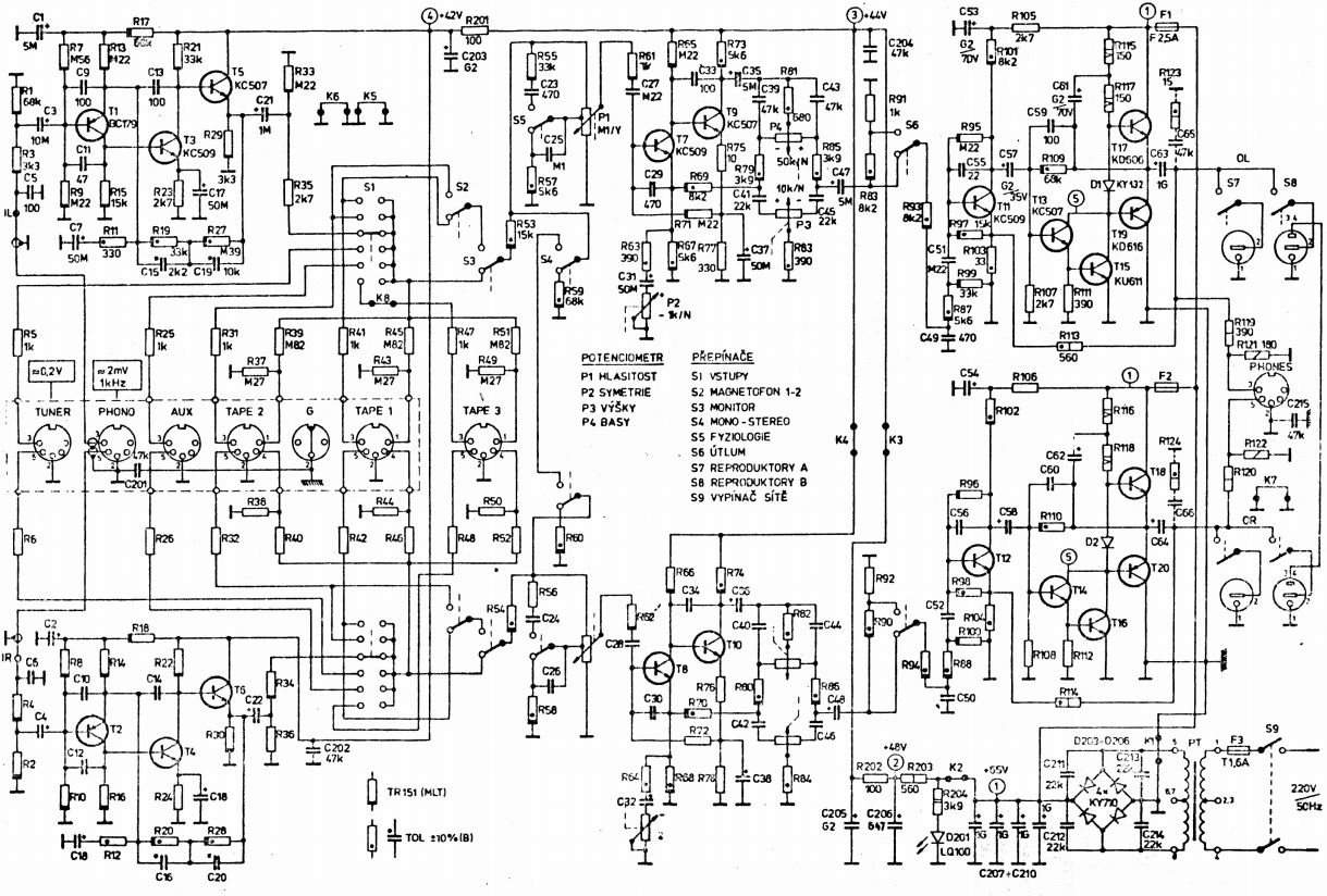
TW140 má nesymetrické napájení.
Návrat nahoru
Zobrazit informace o autorovi Odeslat soukromou zprávu
BOBOBO
Doporučuje se dohled moderátorů


Založen: Feb 25, 2008
Příspěvky: 20496
Bydliště: Rychnovsko

PříspěvekZaslal: pá srpen 01 2014, 12:33    Předmět: Citovat

V tom případě ke kostře . Měl jsem zato , že je dál než TW-120-ka . A v tomto případě bych ještě kontroloval zvláště vyrobené i náhodné zemní smyčky .
Návrat nahoru
Zobrazit informace o autorovi Odeslat soukromou zprávu
ok1hga



Založen: Nov 28, 2006
Příspěvky: 12581
Bydliště: Česká Třebová

PříspěvekZaslal: pá srpen 01 2014, 12:36    Předmět: Citovat

TW120 a TW140 jsou téměř stejné . . .


TW120.jpg
 Komentář:

Stáhnout
 Soubor:  TW120.jpg
 Velikost:  76.2 kB
 Staženo:  253 krát


TW140.jpg
 Komentář:

Stáhnout
 Soubor:  TW140.jpg
 Velikost:  226.81 kB
 Staženo:  317 krát

Návrat nahoru
Zobrazit informace o autorovi Odeslat soukromou zprávu
BOBOBO
Doporučuje se dohled moderátorů


Založen: Feb 25, 2008
Příspěvky: 20496
Bydliště: Rychnovsko

PříspěvekZaslal: pá srpen 01 2014, 12:41    Předmět: Citovat

Koukám , že ten Boucherot je čárkovaně , máš ho tam ?
Návrat nahoru
Zobrazit informace o autorovi Odeslat soukromou zprávu
Dolejsi14



Založen: Sep 11, 2011
Příspěvky: 213
Bydliště: Město husitů

PříspěvekZaslal: pá srpen 01 2014, 13:00    Předmět: Citovat

Boucherota tam nikde nevidím. Je možné, že jsem se přehlídl. Vyzkouším.


DSC09538.jpg
 Komentář:

Stáhnout
 Soubor:  DSC09538.jpg
 Velikost:  291.27 kB
 Staženo:  198 krát


DSC09540.jpg
 Komentář:

Stáhnout
 Soubor:  DSC09540.jpg
 Velikost:  288.14 kB
 Staženo:  223 krát


DSC09543.jpg
 Komentář:

Stáhnout
 Soubor:  DSC09543.jpg
 Velikost:  291.73 kB
 Staženo:  181 krát

Návrat nahoru
Zobrazit informace o autorovi Odeslat soukromou zprávu
Dolejsi14



Založen: Sep 11, 2011
Příspěvky: 213
Bydliště: Město husitů

PříspěvekZaslal: pá srpen 01 2014, 16:49    Předmět: Citovat

I poté co jsem přidal na konec 15Ω+47nF je situace naprosto stejná.
Návrat nahoru
Zobrazit informace o autorovi Odeslat soukromou zprávu
ok1hga



Založen: Nov 28, 2006
Příspěvky: 12581
Bydliště: Česká Třebová

PříspěvekZaslal: pá srpen 01 2014, 17:10    Předmět: Citovat

zkus zvětšit C59 asi na 180pF a dej mu do serie odpor 1K
zkontrolovat C61 a C57
Návrat nahoru
Zobrazit informace o autorovi Odeslat soukromou zprávu
monterjirka



Založen: Jun 14, 2003
Příspěvky: 2865
Bydliště: Blížejov

PříspěvekZaslal: pá srpen 01 2014, 19:31    Předmět: Citovat

Jestli jsem to dobře pochopil dělá to při vyšší hlasitosti. To by ale naznačovalo, že nekmitá samotný konec, ale něco z výstupu se dostává "před regulaci hlasitosti" a rozkmitá se to celé.
Šel bych po napájení, přechoďáky nebo něco přerušeného na zemních spojích,...
Návrat nahoru
Zobrazit informace o autorovi Odeslat soukromou zprávu Odeslat e-mail
Dolejsi14



Založen: Sep 11, 2011
Příspěvky: 213
Bydliště: Město husitů

PříspěvekZaslal: pá srpen 01 2014, 21:34    Předmět: Citovat

Ano, je to tak. Z levého konce se to dostává na začátek na oba kanály. Do hledání se pustím zase zítra. Zatím děkuji za pomoc.
Návrat nahoru
Zobrazit informace o autorovi Odeslat soukromou zprávu
Dolejsi14



Založen: Sep 11, 2011
Příspěvky: 213
Bydliště: Město husitů

PříspěvekZaslal: so srpen 02 2014, 19:59    Předmět: Citovat

Vyzkoušel jsem 200pF+1kΩ - bez zlepšení. Elyty jsem zatím neproměřil.

Pojistka kanálu R vyjmuta. U levého kanálu jsem v místě R93 rezistor vyjmul a oddělil tak linku předzesilovače a výkon.zesilovače. Na toto místo jsem přivedl signál. Situace na výstupu byla stejná. Zde měření na F1, pojistce výkon.zes. 0,5V/cm. V prvních pár vteřinách zapínám signál (100Hz), a postupně zvyšuji amplitudu až na 1,8V, pak snižuji a vypínám.


Kolik V bych měl přibližně naměřit na výstupu (buzeno 1,5V sinus 1kHz), pokud by vše fungovalo správně?
Návrat nahoru
Zobrazit informace o autorovi Odeslat soukromou zprávu
BOBOBO
Doporučuje se dohled moderátorů


Založen: Feb 25, 2008
Příspěvky: 20496
Bydliště: Rychnovsko

PříspěvekZaslal: po srpen 04 2014, 10:10    Předmět: Citovat

Zkus vynechat tu cestu k přepínači repra a jít hned na konektor . Jak je - kostřen , z desky a ještě z chladiče , či jen z desky ? To je ten konec blíže k trafu či dále ?
Návrat nahoru
Zobrazit informace o autorovi Odeslat soukromou zprávu
Zobrazit příspěvky z předchozích:   
Přidat nové téma   Zaslat odpověď       Obsah fóra Diskuzní fórum Elektro Bastlírny -> Audiotechnika Časy uváděny v GMT + 1 hodina
Jdi na stránku 1, 2, 3, 4, 5  Další
Strana 1 z 5

 
Přejdi na:  
Nemůžete odesílat nové téma do tohoto fóra.
Nemůžete odpovídat na témata v tomto fóru.
Nemůžete upravovat své příspěvky v tomto fóru.
Nemůžete mazat své příspěvky v tomto fóru.
Nemůžete hlasovat v tomto fóru.
Nemůžete připojovat soubory k příspěvkům
Můžete stahovat a prohlížet přiložené soubory

Powered by phpBB © 2001, 2005 phpBB Group
Forums ©
Nuke - Elektro Bastlirna

Informace na portálu Elektro bastlírny jsou prezentovány za účelem vzdělání čtenářů a rozšíření zájmu o elektroniku. Autoři článků na serveru neberou žádnou zodpovědnost za škody vzniklé těmito zapojeními. Rovněž neberou žádnou odpovědnost za případnou újmu na zdraví vzniklou úrazem elektrickým proudem. Autoři a správci těchto stránek nepřejímají záruku za správnost zveřejněných materiálů. Předkládané informace a zapojení jsou zveřejněny bez ohledu na případné patenty třetích osob. Nároky na odškodnění na základě změn, chyb nebo vynechání jsou zásadně vyloučeny. Všechny registrované nebo jiné obchodní známky zde použité jsou majetkem jejich vlastníků. Uvedením nejsou zpochybněna z toho vyplývající vlastnická práva. Použití konstrukcí v rozporu se zákonem je přísně zakázáno. Vzhledem k tomu, že původ předkládaných materiálů nelze žádným způsobem dohledat, nelze je použít pro komerční účely! Tento nekomerční server nemá z uvedených zapojení či konstrukcí žádný zisk. Nezodpovídáme za pravost předkládaných materiálů třetími osobami a jejich původ. V případě, že zjistíte porušení autorského práva či jiné nesrovnalosti, kontaktujte administrátory na diskuzním fóru EB.


PHP-Nuke Copyright © 2005 by Francisco Burzi. This is free software, and you may redistribute it under the GPL. PHP-Nuke comes with absolutely no warranty, for details, see the license.
Čas potřebný ke zpracování stránky 0.33 sekund