Vítejte na Elektro Bastlírn?
Nuke - Elektro Bastlirna
  Vytvořit účet Hlavní · Fórum · DDump · Profil · Zprávy · Hledat na fóru · Příspěvky na provoz EB

Vlákno na téma KORONAVIRUS - nutná registrace


Nuke - Elektro Bastlirna: Diskuzní fórum

 FAQFAQ   HledatHledat   Uživatelské skupinyUživatelské skupiny   ProfilProfil   Soukromé zprávySoukromé zprávy   PřihlášeníPřihlášení 

MQD4C datasheet
Jdi na stránku 1, 2  Další
 
Přidat nové téma   Zaslat odpověď       Obsah fóra Diskuzní fórum Elektro Bastlírny -> Součástky
Zobrazit předchozí téma :: Zobrazit následující téma  
Autor Zpráva
cabernet



Založen: Nov 26, 2005
Příspěvky: 2802

PříspěvekZaslal: po červenec 07 2014, 5:12    Předmět: MQD4C datasheet Citovat

Nazdar majstri,

potrebujem prosim datasheet ku spominanemu obvodu. Je to tyristorovy regulator.

Vdaka. cabernet
Návrat nahoru
Zobrazit informace o autorovi Odeslat soukromou zprávu
ohryzek36



Založen: Dec 24, 2008
Příspěvky: 2386
Bydliště: Zlínsko

PříspěvekZaslal: po červenec 07 2014, 5:38    Předmět: Citovat

Není to ten 8-nohý SMD šváb, co bývá v regulacích u vysavačů od electroluxu?

Hledej MC9S08QD4C - mělo by to být ono (MCU od motoroly)
Návrat nahoru
Zobrazit informace o autorovi Odeslat soukromou zprávu
cabernet



Založen: Nov 26, 2005
Příspěvky: 2802

PříspěvekZaslal: po červenec 07 2014, 12:12    Předmět: Citovat

Ano, este raz vdaka.
Mas aj konkretne skusenosti s opravami tych regulatorov?
Mne to vychádza prave ne zavadu toho obvodu.
Návrat nahoru
Zobrazit informace o autorovi Odeslat soukromou zprávu
ohryzek36



Založen: Dec 24, 2008
Příspěvky: 2386
Bydliště: Zlínsko

PříspěvekZaslal: po červenec 07 2014, 16:57    Předmět: Citovat

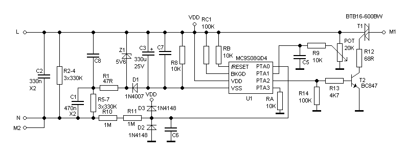
No, s opravou - moc nevím. Jestli se jedná o tento regulátor (univerzální, požívá se v řadě vysavačů), tak schéma překreslené mám (nic zákeřného v něm není) a jestli naměříš všechny hodnoty takové, jaké by logicky měly být (vůči VSS - na VDD a /RESET +5V, na PTA0 signál 50Hz a na PTA1 signál z trimru), popřípadě jestli překlenováním tranzistoru T2 otevřeš triak, tak bude ten obvod opravdu špatný - a ten se nijak rozumně nahradit nedá, tak koupit jedině celou novou desku. Ta může v ČR stát asi 550Kč, na Slovensku nevím.

Ještě je jedna možnost a to v případě že všechno je v pořádku ale deska nefunguje - dá se znovu zkalibrovat (umí se naučit rozsah trimru, ve kterém reguluje), ale to je trochu složitější. Zatím sem hodím jenom schéma.



2193995r03.GIF
 Komentář:

Stáhnout
 Soubor:  2193995r03.GIF
 Velikost:  7.5 kB
 Staženo:  5155 krát

Návrat nahoru
Zobrazit informace o autorovi Odeslat soukromou zprávu
duch



Založen: Jul 11, 2014
Příspěvky: 3

PříspěvekZaslal: pá červenec 11 2014, 15:48    Předmět: Citovat

Dakujem za referencie na MQD4C.
Aj ja mam problem s riadenim otacok vysavaca po pripojeni na 230V sa pomaly rozbehne az do plnych otacok, tocenie trimrom nepomaha. Kupil som novu dosku a sprava sa tak isto - mam pocit, akoby som ju mal nejako inicializovat alebo mi poslali nejaky zly kus. Skusal som aj manual reset - neprebera sa.
Návrat nahoru
Zobrazit informace o autorovi Odeslat soukromou zprávu
ohryzek36



Založen: Dec 24, 2008
Příspěvky: 2386
Bydliště: Zlínsko

PříspěvekZaslal: ne červenec 13 2014, 13:45    Předmět: Citovat

Ta deska (když je nová, u staré je to zbytečná činnost) se musí zkalibrovat - při kalibraci se nastaví umístění dolního dorazu regulace na potenciometru (potencimetr vytočený na maximum je vždy maximum výkonu motoru), poté se při regulaci a po nastavení hodnoty pod dolní doraz už deska vypíná motor (někdy se to používá u vysavačů bez vypínače).


Jestliže je tedy nastavení desky nějak rozhozené (což asi je), tak se musí nejdřív nastavit úplné minimum hodnoty potenciometru, zapojit vysavač do zásuvky, ten potenciometr vytočit na úplné maximum (šroubovákem, knoflíkem to nejde - nemá takový rozsah) a pak vrátit na minimum a vypnout vysavač - celá akce je tak na 3-5 vteřin. Takto je deska vyresetovaná.

Po resetu se musí nastavit - to se dělá tak, že se potenciometr vytočí na maximum (maximální výchylka potenciometru bývá i maximální výkon vysavače), vloží se do něho knoflík a stáhne se na minimum, které odpovídá stupnici, co je nakreslená na plastu na stupnici vysavače (ani víc, ani míň - prostě minimum). Po spuštění vysavače a inicializaci elektroniky (proběhne softstart a tak) už všechno funguje tak jak má. Jestli ne, tak se musí elektronika znovu vyresetovat.

Byl bych to napsal dřív, ale zrovna jsem se vrátil z dovolené + musel jsem si to nějak urovnat v hlavě (já tyto věci už dělám automaticky).
Návrat nahoru
Zobrazit informace o autorovi Odeslat soukromou zprávu
duch



Založen: Jul 11, 2014
Příspěvky: 3

PříspěvekZaslal: ne červenec 13 2014, 16:03    Předmět: Citovat

Vyborneeeee. Diiik. Funguje to aj so starou doskou. Ani neviem ako sa to mohlo rozhadzat.
Este raz vrela vdaka.
Návrat nahoru
Zobrazit informace o autorovi Odeslat soukromou zprávu
ohryzek36



Založen: Dec 24, 2008
Příspěvky: 2386
Bydliště: Zlínsko

PříspěvekZaslal: ne červenec 13 2014, 16:19    Předmět: Citovat

Jestli to bylo na staré rozhozené, tak zkontroluj (nebo přímo vyměn) potenciometr - ten "resetovací průběh" se dá docela jednoduše omylem dostihnout v případě, když má prodřítou dráhu.
Návrat nahoru
Zobrazit informace o autorovi Odeslat soukromou zprávu
duch



Založen: Jul 11, 2014
Příspěvky: 3

PříspěvekZaslal: pá červenec 25 2014, 11:21    Předmět: Citovat

Ten potenciometer je vyborny napad, usetrim tym naslednu rozborku/zborku.
Návrat nahoru
Zobrazit informace o autorovi Odeslat soukromou zprávu
breta1



Založen: Sep 09, 2005
Příspěvky: 3500

PříspěvekZaslal: pá červenec 25 2014, 12:08    Předmět: Citovat

ohryzek36
Chci ti též poděkovat za nezištné poskytnutí tvého vlastního "know how" a zveřejnění tvých poznatků!!
Návrat nahoru
Zobrazit informace o autorovi Odeslat soukromou zprávu
tygrik



Založen: Mar 21, 2012
Příspěvky: 285

PříspěvekZaslal: ne prosinec 17 2017, 21:46    Předmět: Citovat

Vim ze je to stare tema ale nyni se to hodi. Nezkazim tim nic kdyz to pouziju jako regulator odporove pajecky ? moc diky za informaci
Návrat nahoru
Zobrazit informace o autorovi Odeslat soukromou zprávu
rnbw



Založen: Mar 21, 2006
Příspěvky: 36899
Bydliště: Bratislava

PříspěvekZaslal: so říjen 19 2019, 21:06    Předmět: Citovat

ohryzek36: Dakujem za postup kalibracie. Rozoberal som vysavac Electrolux ZE355, tam je ovladanie potenciometra od regulacneho kolieska cez ozubeny remen. Samozrejme, ze sa to posunulo a regulacia nefungovala.

Kvoli mechanickej konstrukcii sa tam ten postup kalibracie robi dost nesikovne - potenciometrom sa da tocit len cez remen a osadit koliesko tak, aby bolo na maxime sucasne s potenciometrom je problematicke. Ale podarilo sa a uz to funguje.
Návrat nahoru
Zobrazit informace o autorovi Odeslat soukromou zprávu
jajin111



Založen: May 24, 2014
Příspěvky: 35

PříspěvekZaslal: ne prosinec 06 2020, 20:45    Předmět: Citovat

Zdravím všechny, pokusím se téma obnovit.

Řeším momentálně taktéž nefunkční regulaci u vysavače elektrolux. Našel jsem vadný T1 a budu ho měnit. Čemu ale nerozumím je, že na gate T1 mám po jeho sundání napětí 180V a nejsem si vůbec jistý, zda-li je to v pořádku nebo je tam něco dalšího špatně, protože nerozumím fungování toho IO. Mohl by mi to někdo prosím objasnit? Děkuji.



2193995r03_245.gif
 Komentář:
 Velikost:  7.5 kB
 Zobrazeno:  962 krát

2193995r03_245.gif


Návrat nahoru
Zobrazit informace o autorovi Odeslat soukromou zprávu
rnbw



Založen: Mar 21, 2006
Příspěvky: 36899
Bydliště: Bratislava

PříspěvekZaslal: st srpen 18 2021, 22:10    Předmět: Citovat

Menili ste niekto potak v tomto regulatore? Je tam CA14V-20K, ale ten je nedostupny. Najblizsie su 10K a 47K. Dokaze sa to skalibrovat aj s takymi hodnotami?
Potenciometer blbne, na drahe su stopy a na plechu od zbernych kontaktov tiez. Najradsej by som ho vymenil, pretoze vysavac sa nim aj vypina.
Návrat nahoru
Zobrazit informace o autorovi Odeslat soukromou zprávu
VASEK_W



Založen: Dec 11, 2017
Příspěvky: 960
Bydliště: Pelhřimov

PříspěvekZaslal: st srpen 18 2021, 22:47    Předmět: Citovat

V českém ECOMu mají 25 kiloohmů za 7,60Kč, ale asi by to prodražila doprava Sad

https://www.ecom.cz/Eshop/Detail/45642

Vašek
Návrat nahoru
Zobrazit informace o autorovi Odeslat soukromou zprávu
Zobrazit příspěvky z předchozích:   
Přidat nové téma   Zaslat odpověď       Obsah fóra Diskuzní fórum Elektro Bastlírny -> Součástky Časy uváděny v GMT + 1 hodina
Jdi na stránku 1, 2  Další
Strana 1 z 2

 
Přejdi na:  
Nemůžete odesílat nové téma do tohoto fóra.
Nemůžete odpovídat na témata v tomto fóru.
Nemůžete upravovat své příspěvky v tomto fóru.
Nemůžete mazat své příspěvky v tomto fóru.
Nemůžete hlasovat v tomto fóru.
Nemůžete připojovat soubory k příspěvkům
Můžete stahovat a prohlížet přiložené soubory

Powered by phpBB © 2001, 2005 phpBB Group
Forums ©
Nuke - Elektro Bastlirna

Informace na portálu Elektro bastlírny jsou prezentovány za účelem vzdělání čtenářů a rozšíření zájmu o elektroniku. Autoři článků na serveru neberou žádnou zodpovědnost za škody vzniklé těmito zapojeními. Rovněž neberou žádnou odpovědnost za případnou újmu na zdraví vzniklou úrazem elektrickým proudem. Autoři a správci těchto stránek nepřejímají záruku za správnost zveřejněných materiálů. Předkládané informace a zapojení jsou zveřejněny bez ohledu na případné patenty třetích osob. Nároky na odškodnění na základě změn, chyb nebo vynechání jsou zásadně vyloučeny. Všechny registrované nebo jiné obchodní známky zde použité jsou majetkem jejich vlastníků. Uvedením nejsou zpochybněna z toho vyplývající vlastnická práva. Použití konstrukcí v rozporu se zákonem je přísně zakázáno. Vzhledem k tomu, že původ předkládaných materiálů nelze žádným způsobem dohledat, nelze je použít pro komerční účely! Tento nekomerční server nemá z uvedených zapojení či konstrukcí žádný zisk. Nezodpovídáme za pravost předkládaných materiálů třetími osobami a jejich původ. V případě, že zjistíte porušení autorského práva či jiné nesrovnalosti, kontaktujte administrátory na diskuzním fóru EB.


PHP-Nuke Copyright © 2005 by Francisco Burzi. This is free software, and you may redistribute it under the GPL. PHP-Nuke comes with absolutely no warranty, for details, see the license.
Čas potřebný ke zpracování stránky 0.14 sekund