Vítejte na Elektro Bastlírn?
Nuke - Elektro Bastlirna
  Vytvořit účet Hlavní · Fórum · DDump · Profil · Zprávy · Hledat na fóru · Příspěvky na provoz EB

Vlákno na téma KORONAVIRUS - nutná registrace


Nuke - Elektro Bastlirna: Diskuzní fórum

 FAQFAQ   HledatHledat   Uživatelské skupinyUživatelské skupiny   ProfilProfil   Soukromé zprávySoukromé zprávy   PřihlášeníPřihlášení 

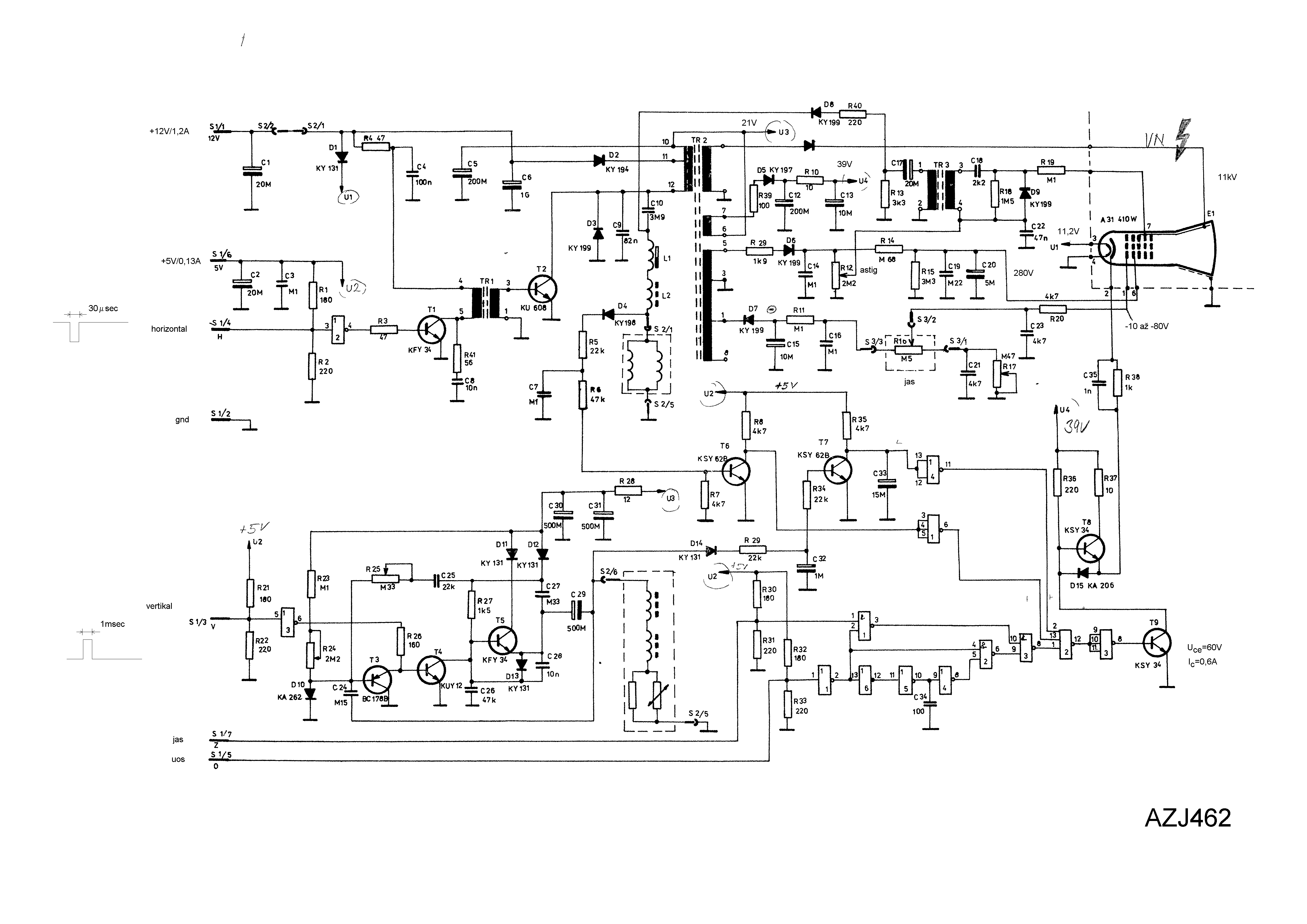
schema k obrazovce TESLA AZJ-462 ?

 
Přidat nové téma   Zaslat odpověď       Obsah fóra Diskuzní fórum Elektro Bastlírny -> Servis televizorů, monitorů a projektorů - PROFI sekce
Zobrazit předchozí téma :: Zobrazit následující téma  
Autor Zpráva
Thor
Neregistrovaný





PříspěvekZaslal: ne červenec 09 2006, 11:46    Předmět: schema k obrazovce TESLA AZJ-462 ? Citovat

sehnal jsem obrazovku TESLA AZJ-462, ale nikde neni popsano kam se pripojuje napajeni ani signaly. Nemate nekdo schema? Nebo alespon poradte... Dik
Návrat nahoru
HiGhLaNdEr



Založen: Mar 08, 2005
Příspěvky: 912
Bydliště: Českobudějovicko

PříspěvekZaslal: pá červenec 14 2006, 20:08    Předmět: Citovat

netušim co to je za obrazovku,.. jestli do televize tak uchop ty dvě věci co máš na hlavě a prozkoumej hrdlo co kam vede,...
Návrat nahoru
Zobrazit informace o autorovi Odeslat soukromou zprávu
Hill
Administrátor


Založen: Sep 10, 2004
Příspěvky: 20953
Bydliště: Jičín, Český ráj

PříspěvekZaslal: so červenec 15 2006, 8:10    Předmět: Citovat

Obrazovka - tím myslíš samotnou baňku, nebo je i s elektronikou? Pořád mi to totiž označením připomíná kompletní zobrazovací jednotku.
Návrat nahoru
Zobrazit informace o autorovi Odeslat soukromou zprávu
Thor
Neregistrovaný





PříspěvekZaslal: so červenec 15 2006, 14:37    Předmět: Citovat

Upřesnění: Obrazovka není ten správný výraz Smile Je to kompletní zobrazovací jednotka, tzn. baňka s elektronkou a plošný spoj. Z plošňáku trčí 9 drátů, přičemž jsem vysledoval, že tři jsou napájení 5;12V;GND a zbylých šest nějak "obsluhuje" vychylování a možná i jas. Jo a co jsem ještě vysledoval, tak ty dráty jsou na TTL logiku. Je to nejspíš z nějakého počítačového terminálu.
Návrat nahoru
HiGhLaNdEr



Založen: Mar 08, 2005
Příspěvky: 912
Bydliště: Českobudějovicko

PříspěvekZaslal: ne červenec 16 2006, 11:12    Předmět: Citovat

něco podobnýho se válí u nás v práci.
má to ale jen 12V napájení a tři vstupy.
vertikální synchro, horizontální synchro a video ale to video je taky TTL.
takže celkem k ničemu.
Návrat nahoru
Zobrazit informace o autorovi Odeslat soukromou zprávu
Thor
Neregistrovaný





PříspěvekZaslal: pá červenec 21 2006, 20:17    Předmět: Citovat

HiGhLaNdEr napsal(a):
něco podobnýho se válí u nás v práci.
má to ale jen 12V napájení a tři vstupy.
vertikální synchro, horizontální synchro a video ale to video je taky TTL.
takže celkem k ničemu.

ono mě to je k něčemu Smile protože mám v plánu postavit osciloskop s procesorem a TTL se k tomu hodi bajecne Smile
Návrat nahoru
grrrrrrrr



Založen: Jun 15, 2010
Příspěvky: 509
Bydliště: Olomouc

PříspěvekZaslal: út září 26 2023, 9:06    Předmět: Citovat

schani jeste nekdo to schema ?
Návrat nahoru
Zobrazit informace o autorovi Odeslat soukromou zprávu
fprik



Založen: Sep 19, 2010
Příspěvky: 23

PříspěvekZaslal: út září 26 2023, 21:48    Předmět: Citovat

Návrat nahoru
Zobrazit informace o autorovi Odeslat soukromou zprávu
Zobrazit příspěvky z předchozích:   
Přidat nové téma   Zaslat odpověď       Obsah fóra Diskuzní fórum Elektro Bastlírny -> Servis televizorů, monitorů a projektorů - PROFI sekce Časy uváděny v GMT + 1 hodina
Strana 1 z 1

 
Přejdi na:  
Nemůžete odesílat nové téma do tohoto fóra.
Nemůžete odpovídat na témata v tomto fóru.
Nemůžete upravovat své příspěvky v tomto fóru.
Nemůžete mazat své příspěvky v tomto fóru.
Nemůžete hlasovat v tomto fóru.
Nemůžete připojovat soubory k příspěvkům
Můžete stahovat a prohlížet přiložené soubory

Powered by phpBB © 2001, 2005 phpBB Group
Forums ©
Nuke - Elektro Bastlirna

Informace na portálu Elektro bastlírny jsou prezentovány za účelem vzdělání čtenářů a rozšíření zájmu o elektroniku. Autoři článků na serveru neberou žádnou zodpovědnost za škody vzniklé těmito zapojeními. Rovněž neberou žádnou odpovědnost za případnou újmu na zdraví vzniklou úrazem elektrickým proudem. Autoři a správci těchto stránek nepřejímají záruku za správnost zveřejněných materiálů. Předkládané informace a zapojení jsou zveřejněny bez ohledu na případné patenty třetích osob. Nároky na odškodnění na základě změn, chyb nebo vynechání jsou zásadně vyloučeny. Všechny registrované nebo jiné obchodní známky zde použité jsou majetkem jejich vlastníků. Uvedením nejsou zpochybněna z toho vyplývající vlastnická práva. Použití konstrukcí v rozporu se zákonem je přísně zakázáno. Vzhledem k tomu, že původ předkládaných materiálů nelze žádným způsobem dohledat, nelze je použít pro komerční účely! Tento nekomerční server nemá z uvedených zapojení či konstrukcí žádný zisk. Nezodpovídáme za pravost předkládaných materiálů třetími osobami a jejich původ. V případě, že zjistíte porušení autorského práva či jiné nesrovnalosti, kontaktujte administrátory na diskuzním fóru EB.


PHP-Nuke Copyright © 2005 by Francisco Burzi. This is free software, and you may redistribute it under the GPL. PHP-Nuke comes with absolutely no warranty, for details, see the license.
Čas potřebný ke zpracování stránky 0.12 sekund