Vítejte na Elektro Bastlírn?
Nuke - Elektro Bastlirna
  Vytvořit účet
Hlavní · Fórum · DDump · Profil · Zprávy · Hledat na fóru


Nuke - Elektro Bastlirna: Diskuzní fórum

 FAQFAQ   HledatHledat   Uživatelské skupinyUživatelské skupiny   ProfilProfil   Soukromé zprávySoukromé zprávy   PřihlášeníPřihlášení 

Konvertor VKV FM CCIR-OIRT
Jdi na stránku 1, 2  Další
 
Přidat nové téma   Zaslat odpověď       Obsah fóra Diskuzní fórum Elektro Bastlírny -> Audiotechnika
Zobrazit předchozí téma :: Zobrazit následující téma  
Autor Zpráva
bednyol



Založen: Apr 12, 2012
Příspěvky: 1

PříspěvekZaslal: čt duben 12 2012, 7:58    Předmět: Konvertor VKV FM CCIR-OIRT Citovat

Kdo poradí jakým dostupným provedením lze poslouchat na starších síťových radiopřijímačích ( východní norma VKV ) program dnes používané západní od
88-108 . Lze to provést ? Kutil ! Dík! Jedná se o Tesla výrobek !

Název vlákna byl upraven. Killroy
Návrat nahoru
Zobrazit informace o autorovi Odeslat soukromou zprávu
rnbw



Založen: Mar 21, 2006
Příspěvky: 37412
Bydliště: Bratislava

PříspěvekZaslal: čt duben 12 2012, 8:04    Předmět: Citovat

Pouzit konvertor CCIR-OIRT - napr.:
http://www.ambm.pl/index.php/konwertery-ukf-tunery-synteza-fm/k8eb.html
Návrat nahoru
Zobrazit informace o autorovi Odeslat soukromou zprávu
Habesan



Založen: Jan 12, 2009
Příspěvky: 7397
Bydliště: Plzeňsko

PříspěvekZaslal: čt duben 12 2012, 8:11    Předmět: Citovat

Hezké, elegantní, nezasahuje se do přístroje a nenarušuje se autentický stav.

Vlákno by se mělo přejmenovat na "Konvertor VKV FM CCIR-OIRT".

_________________
Sháním hasičák s CO2 "sněhový", raději funkční.
(Nemusí mít platnou revizi.)
(Celkově budu raději, když se to obejde bez papírů.)
Návrat nahoru
Zobrazit informace o autorovi Odeslat soukromou zprávu Zobrazit autorovy WWW stránky
souba



Založen: Jan 21, 2005
Příspěvky: 706

PříspěvekZaslal: čt duben 12 2012, 18:43    Předmět: Citovat

Fajzlar ma podobny za 150kc.
Návrat nahoru
Zobrazit informace o autorovi Odeslat soukromou zprávu
BIPOLAR



Založen: Dec 07, 2007
Příspěvky: 1540
Bydliště: Litvínov

PříspěvekZaslal: čt duben 12 2012, 18:51    Předmět: Citovat

A kdo to je ? Shocked
_________________
Lepší je se zeptat a být hlupákem 5 minut, než se neptat a být hlupákem celý život.
Návrat nahoru
Zobrazit informace o autorovi Odeslat soukromou zprávu
TAKJAN



Založen: Nov 17, 2011
Příspěvky: 7179
Bydliště: U Litomyšle.

PříspěvekZaslal: čt duben 12 2012, 19:57    Předmět: Citovat

Pokud se jedná o místní příjem a stanice kmitočtově blízké, lze poměrně lehce přeladit..
Návrat nahoru
Zobrazit informace o autorovi Odeslat soukromou zprávu
ok1hga



Založen: Nov 28, 2006
Příspěvky: 12708
Bydliště: Česká Třebová

PříspěvekZaslal: čt duben 12 2012, 22:49    Předmět: Citovat

TAKJAN napsal(a):
Pokud se jedná o místní příjem a stanice kmitočtově blízké, lze poměrně lehce přeladit..

podle původní otazky bych si nebyl tak jistý !
bednyol napsal(a):
Kutil! Dík! Jedná se o Tesla výrobek!

chybí specifikace přístroje . . .
. . . né všechny se daly jednoduše přeladit.
Tady hrozí, že to rozvrtá a nepůjde nic . . .
Návrat nahoru
Zobrazit informace o autorovi Odeslat soukromou zprávu
jardx



Založen: Sep 02, 2008
Příspěvky: 195
Bydliště: Kolínsko

PříspěvekZaslal: pá duben 13 2012, 13:49    Předmět: Citovat

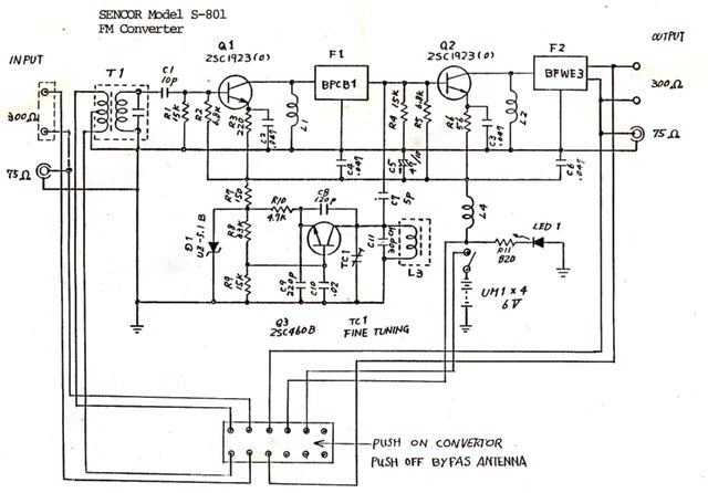
Mám konvertor OIRT-CCIR,šel by přeladit opačně?


IMG.jpg
 Komentář:

Stáhnout
 Soubor:  IMG.jpg
 Velikost:  64.12 kB
 Staženo:  674 krát

Návrat nahoru
Zobrazit informace o autorovi Odeslat soukromou zprávu Zobrazit autorovy WWW stránky
TAKJAN



Založen: Nov 17, 2011
Příspěvky: 7179
Bydliště: U Litomyšle.

PříspěvekZaslal: pá duben 13 2012, 17:30    Předmět: Citovat

Přeladil jsem i Rigu 103 a 104 a to je horší "zabedněnec..
Návrat nahoru
Zobrazit informace o autorovi Odeslat soukromou zprávu
ok1hga



Založen: Nov 28, 2006
Příspěvky: 12708
Bydliště: Česká Třebová

PříspěvekZaslal: pá duben 13 2012, 19:04    Předmět: Citovat

jardx napsal(a):
Mám konvertor OIRT-CCIR,šel by přeladit opačně?


ano, ale musíš vědět co a jak !
Návrat nahoru
Zobrazit informace o autorovi Odeslat soukromou zprávu
Pikofarad



Založen: Dec 02, 2007
Příspěvky: 1653

PříspěvekZaslal: pá duben 13 2012, 19:45    Předmět: Citovat

Nebo i jak a co.To se toho dozvěděl Confused
Návrat nahoru
Zobrazit informace o autorovi Odeslat soukromou zprávu
workhard



Založen: Jul 07, 2006
Příspěvky: 5534
Bydliště: Plzeň

PříspěvekZaslal: pá duben 13 2012, 21:19    Předmět: Citovat

ok1hga napsal(a):
jardx napsal(a):
Mám konvertor OIRT-CCIR,šel by přeladit opačně?


ano, ale musíš vědět co a jak !


Je tam nějaký problém se šířkou pásma, pokud si dobře pamatuju.

_________________
Věci,které fungují,se ZÁSADNĚ neopravují...
Návrat nahoru
Zobrazit informace o autorovi Odeslat soukromou zprávu
ok1hga



Založen: Nov 28, 2006
Příspěvky: 12708
Bydliště: Česká Třebová

PříspěvekZaslal: pá duben 13 2012, 22:04    Předmět: Citovat

Pikofarad napsal(a):
To se toho dozvěděl Confused


ale vždyť na to se ptal !
a navíc dostal dobrou radu, nebo je špatná ?
Návrat nahoru
Zobrazit informace o autorovi Odeslat soukromou zprávu
ok1hga



Založen: Nov 28, 2006
Příspěvky: 12708
Bydliště: Česká Třebová

PříspěvekZaslal: pá duben 13 2012, 22:17    Předmět: Citovat

TAKJAN napsal(a):
Přeladil jsem i Rigu 103 a 104 a to je horší "


přeladit jde cokoliv téměř kamkoliv,
ale v některých případech je potřeba upravit poměr L/C kvůli přeladitelnosti a také upravit vazby mezi stupni . . .

a u konvertorů s jedním konverzním kmitočtem zůstává rozsah přeladění stejný jako u origo rádia . . .
. . . třeba ten "polák" vlastně američan K8EB to řeší právě přepínáním konverzního kmitočtu.
Návrat nahoru
Zobrazit informace o autorovi Odeslat soukromou zprávu
jarda
Zablokován


Založen: Jan 01, 2012
Příspěvky: 925

PříspěvekZaslal: pá duben 13 2012, 23:21    Předmět: Citovat

Do Rigy 103 jsem dal konvertor z Amára, s leptanými cívkami, někdy z roku 68/69 a šlo to perfektně /z OIRT na CCIR, průchozí/
Návrat nahoru
Zobrazit informace o autorovi Odeslat soukromou zprávu
Zobrazit příspěvky z předchozích:   
Přidat nové téma   Zaslat odpověď       Obsah fóra Diskuzní fórum Elektro Bastlírny -> Audiotechnika Časy uváděny v GMT + 1 hodina
Jdi na stránku 1, 2  Další
Strana 1 z 2

 
Přejdi na:  
Nemůžete odesílat nové téma do tohoto fóra.
Nemůžete odpovídat na témata v tomto fóru.
Nemůžete upravovat své příspěvky v tomto fóru.
Nemůžete mazat své příspěvky v tomto fóru.
Nemůžete hlasovat v tomto fóru.
Nemůžete připojovat soubory k příspěvkům
Můžete stahovat a prohlížet přiložené soubory

Powered by phpBB © 2001, 2005 phpBB Group
Forums ©
Nuke - Elektro Bastlirna

Informace na portálu Elektro bastlírny jsou prezentovány za účelem vzdělání čtenářů a rozšíření zájmu o elektroniku. Autoři článků na serveru neberou žádnou zodpovědnost za škody vzniklé těmito zapojeními. Rovněž neberou žádnou odpovědnost za případnou újmu na zdraví vzniklou úrazem elektrickým proudem. Autoři a správci těchto stránek nepřejímají záruku za správnost zveřejněných materiálů. Předkládané informace a zapojení jsou zveřejněny bez ohledu na případné patenty třetích osob. Nároky na odškodnění na základě změn, chyb nebo vynechání jsou zásadně vyloučeny. Všechny registrované nebo jiné obchodní známky zde použité jsou majetkem jejich vlastníků. Uvedením nejsou zpochybněna z toho vyplývající vlastnická práva. Použití konstrukcí v rozporu se zákonem je přísně zakázáno. Vzhledem k tomu, že původ předkládaných materiálů nelze žádným způsobem dohledat, nelze je použít pro komerční účely! Tento nekomerční server nemá z uvedených zapojení či konstrukcí žádný zisk. Nezodpovídáme za pravost předkládaných materiálů třetími osobami a jejich původ. V případě, že zjistíte porušení autorského práva či jiné nesrovnalosti, kontaktujte administrátory na diskuzním fóru EB.


PHP-Nuke Copyright © 2005 by Francisco Burzi. This is free software, and you may redistribute it under the GPL. PHP-Nuke comes with absolutely no warranty, for details, see the license.
Čas potřebný ke zpracování stránky 0.16 sekund