Vítejte na Elektro Bastlírn?
Nuke - Elektro Bastlirna
  Vytvořit účet Hlavní · Fórum · DDump · Profil · Zprávy · Hledat na fóru · Příspěvky na provoz EB

Vlákno na téma KORONAVIRUS - nutná registrace


Nuke - Elektro Bastlirna: Diskuzní fórum

 FAQFAQ   HledatHledat   Uživatelské skupinyUživatelské skupiny   ProfilProfil   Soukromé zprávySoukromé zprávy   PřihlášeníPřihlášení 

Zdroj proudu pro 5W Luxeon

 
Přidat nové téma   Zaslat odpověď       Obsah fóra Diskuzní fórum Elektro Bastlírny -> Řešení problémů s různými konstrukcemi
Zobrazit předchozí téma :: Zobrazit následující téma  
Autor Zpráva
KarelHDI



Založen: Sep 07, 2011
Příspěvky: 11

PříspěvekZaslal: po listopad 14 2011, 23:17    Předmět: Zdroj proudu pro 5W Luxeon Citovat

zdravím, potřeboval bych poradit se zdrojem pro tuto výkonovou led diodu
LED 5W bílá; 160°; 3,42 V; 1500 mA;

http://www.gme.cz/vykonove-led-nad-1w/l-lxk2-pw14-v00-p511-932/

můžete mi někdo poradit s tim zdrojem?

našel jsem tohle schéma, ale je pro 1W diodu a proud 300 mA a to je málo, tak jestli mi můžete někdo poradit nějaký schéma nebo jestli by stačilo tohle upravit. těch diod mám 8. Díky za rady.

http://pandatron.cz/?557&spinany_regulator_pro_5w_led
Návrat nahoru
Zobrazit informace o autorovi Odeslat soukromou zprávu
AmarokCZ



Založen: Dec 20, 2006
Příspěvky: 2838
Bydliště: Poličské krystalinikum

PříspěvekZaslal: po listopad 14 2011, 23:35    Předmět: Citovat

Těch 8 LED bude asi v sérii, že? Jaké bude vstupní napájecí napětí?
Pokud bude napájecí napětí blízké (tzn. nepatrně vyšší) součtu propustných napětí LED, tak se dá použít například obyčejný lineární driver. Pokud bude napájecí napětí výrazně vyšší nebo nižší, tak je vhodný spínaný driver - s MC34063 musí být poněkud upravený oproti tomu na Pandě.
Pokud bys je chtěl napájet přímo ze sítě tak je celá situace ještě trochu jiná...
Návrat nahoru
Zobrazit informace o autorovi Odeslat soukromou zprávu Zobrazit autorovy WWW stránky
KarelHDI



Založen: Sep 07, 2011
Příspěvky: 11

PříspěvekZaslal: út listopad 15 2011, 0:26    Předmět: Citovat

chtěl bych si z toho udělat denní svícení do auta, takže napájecí napětí by bylo těch 12 - 14,5 V , nebo bych tam mohl dát stabilizátor na 12V nebo 5V, to je mi celkem jedno. tak kdyby bylo nějaké schéma tak by to bylo super, moc tomu nerozumím, tak budu rád za nějakou pomoc.
Návrat nahoru
Zobrazit informace o autorovi Odeslat soukromou zprávu
Sandal



Založen: May 22, 2006
Příspěvky: 2827
Bydliště: Posázaví (JN79LT)

PříspěvekZaslal: út listopad 15 2011, 6:57    Předmět: Citovat

Karle dej pak bacha na policajty.Docela jdou po nehomologovenejch světlech Wink
_________________
Lepší jednou ukázat, než desetkrát vysvětlovat Smile
Návrat nahoru
Zobrazit informace o autorovi Odeslat soukromou zprávu
Davidus
Zablokován


Založen: Jun 01, 2005
Příspěvky: 2439

PříspěvekZaslal: út listopad 15 2011, 7:53    Předmět: Citovat

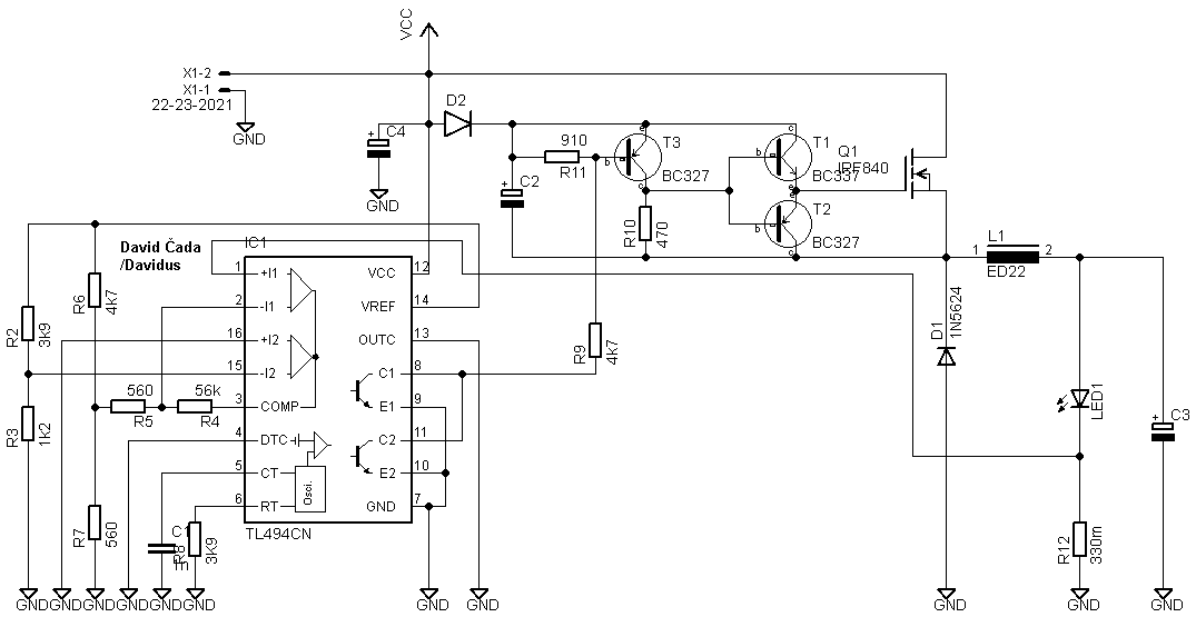
Tohle je taky možnost


LED.png
 Komentář:

Stáhnout
 Soubor:  LED.png
 Velikost:  6.45 kB
 Staženo:  332 krát


dr.jpg
 Komentář:

Stáhnout
 Soubor:  dr.jpg
 Velikost:  274.21 kB
 Staženo:  200 krát

Návrat nahoru
Zobrazit informace o autorovi Odeslat soukromou zprávu Odeslat e-mail
AmarokCZ



Založen: Dec 20, 2006
Příspěvky: 2838
Bydliště: Poličské krystalinikum

PříspěvekZaslal: út listopad 15 2011, 10:17    Předmět: Citovat

Další možnost je těch LED dát 9 kusů (3 paralelně, 3 sériově) a použít obyčejný lineární driver na který jsem odkazoval výše.
Ten driver s TL494 je sice pěkná věc, ale je to STEP-DOWN, takže je to použitelné max. do 2 LED v sérii. Lepší by bylo dát těch 8 LED do série a upravit zapojení na STEP-UP, nebo možná použít UC3842.
Návrat nahoru
Zobrazit informace o autorovi Odeslat soukromou zprávu Zobrazit autorovy WWW stránky
Zobrazit příspěvky z předchozích:   
Přidat nové téma   Zaslat odpověď       Obsah fóra Diskuzní fórum Elektro Bastlírny -> Řešení problémů s různými konstrukcemi Časy uváděny v GMT + 1 hodina
Strana 1 z 1

 
Přejdi na:  
Nemůžete odesílat nové téma do tohoto fóra.
Nemůžete odpovídat na témata v tomto fóru.
Nemůžete upravovat své příspěvky v tomto fóru.
Nemůžete mazat své příspěvky v tomto fóru.
Nemůžete hlasovat v tomto fóru.
Nemůžete připojovat soubory k příspěvkům
Můžete stahovat a prohlížet přiložené soubory

Powered by phpBB © 2001, 2005 phpBB Group
Forums ©
Nuke - Elektro Bastlirna

Informace na portálu Elektro bastlírny jsou prezentovány za účelem vzdělání čtenářů a rozšíření zájmu o elektroniku. Autoři článků na serveru neberou žádnou zodpovědnost za škody vzniklé těmito zapojeními. Rovněž neberou žádnou odpovědnost za případnou újmu na zdraví vzniklou úrazem elektrickým proudem. Autoři a správci těchto stránek nepřejímají záruku za správnost zveřejněných materiálů. Předkládané informace a zapojení jsou zveřejněny bez ohledu na případné patenty třetích osob. Nároky na odškodnění na základě změn, chyb nebo vynechání jsou zásadně vyloučeny. Všechny registrované nebo jiné obchodní známky zde použité jsou majetkem jejich vlastníků. Uvedením nejsou zpochybněna z toho vyplývající vlastnická práva. Použití konstrukcí v rozporu se zákonem je přísně zakázáno. Vzhledem k tomu, že původ předkládaných materiálů nelze žádným způsobem dohledat, nelze je použít pro komerční účely! Tento nekomerční server nemá z uvedených zapojení či konstrukcí žádný zisk. Nezodpovídáme za pravost předkládaných materiálů třetími osobami a jejich původ. V případě, že zjistíte porušení autorského práva či jiné nesrovnalosti, kontaktujte administrátory na diskuzním fóru EB.


PHP-Nuke Copyright © 2005 by Francisco Burzi. This is free software, and you may redistribute it under the GPL. PHP-Nuke comes with absolutely no warranty, for details, see the license.
Čas potřebný ke zpracování stránky 0.14 sekund