Vítejte na Elektro Bastlírn?
Nuke - Elektro Bastlirna
  Vytvořit účet Hlavní · Fórum · DDump · Profil · Zprávy · Hledat na fóru · Příspěvky na provoz EB

Vlákno na téma KORONAVIRUS - nutná registrace


Nuke - Elektro Bastlirna: Diskuzní fórum

 FAQFAQ   HledatHledat   Uživatelské skupinyUživatelské skupiny   ProfilProfil   Soukromé zprávySoukromé zprávy   PřihlášeníPřihlášení 

postupné rozsvěcení led diod

 
Přidat nové téma   Zaslat odpověď       Obsah fóra Diskuzní fórum Elektro Bastlírny -> Řešení problémů s různými konstrukcemi
Zobrazit předchozí téma :: Zobrazit následující téma  
Autor Zpráva
KarelHDI



Založen: Sep 07, 2011
Příspěvky: 11

PříspěvekZaslal: st září 07 2011, 22:58    Předmět: postupné rozsvěcení led diod Citovat

zdravím, potřeboval bych poradit, chtěl bych udělat nějaký obvod s led diodami, který by fungoval tak, že po přivedení napětí by se rozsvítila první dioda (zůstala by svítit), hned potom druhá a pak třetí, prostě jedna po druhé a aby svítily do doby, než odpojim napětí, mohl by mi někdo poradit jak to udělat? různě jsem hledal ale nenašel, jen že se sice rozsvěcely pomalu, ale všechny najednou a ne postupně a hlavně se to opakovalo, já potřebuju aby se rozsvítily jedna po druhé, zůstaly všechny svítit, dokud neodpojim napětí, tak jestli mi někdo poradíte, budu rád a jestli by to šlo, tak na kolik diod? díík za odpovědi
Návrat nahoru
Zobrazit informace o autorovi Odeslat soukromou zprávu
Yarda1



Založen: Feb 11, 2009
Příspěvky: 2781

PříspěvekZaslal: čt září 08 2011, 5:26    Předmět: Citovat

Něco takového?
http://expelektro.mypage.cz/menu/blikace/svetelna-hudba

Myslím, že tenhle brouk (asi nebude moc k sehnání, tuším, že byl z NDR) umožňuje buď rozsvítit jednu diodu nebo sloupec.
Nebo třeba tady:
http://www.jawa-50.cz/clanek/clanky-z-casopisu-amaterske-radio-led-otackomer-pro-maly-motocykl.html
Návrat nahoru
Zobrazit informace o autorovi Odeslat soukromou zprávu
breta1



Založen: Sep 09, 2005
Příspěvky: 3500

PříspěvekZaslal: čt září 08 2011, 6:44    Předmět: Citovat

Udělal bych to z LM3914 v páskovém režimu. Na vstup SIG bych dal integrační kondenzátor, který by se nabíjel z jednoduchého proudového zdroje.
Návrat nahoru
Zobrazit informace o autorovi Odeslat soukromou zprávu
masar



Založen: Dec 03, 2005
Příspěvky: 13900

PříspěvekZaslal: čt září 08 2011, 9:25    Předmět: Citovat

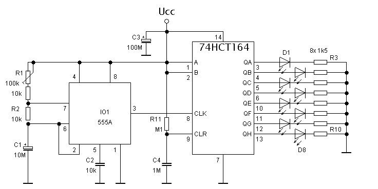
Nebo třeba takto. Wink


p.s. Pro nízkopříkonové LED je hodnota R3 až R10 cca 1k5. Wink

Zapojení jsem ještě doplnil o resetovací obvod R11/C4, který zajistí log0 na výstupech po zapnutí napájení.



postupné.png
 Komentář:

Stáhnout
 Soubor:  postupné.png
 Velikost:  17.45 kB
 Staženo:  538 krát



Naposledy upravil masar dne ne říjen 02 2011, 10:12, celkově upraveno 3 krát.
Návrat nahoru
Zobrazit informace o autorovi Odeslat soukromou zprávu Odeslat e-mail
Habesan



Založen: Jan 12, 2009
Příspěvky: 7329
Bydliště: Plzeňsko

PříspěvekZaslal: čt září 08 2011, 14:29    Předmět: Citovat

Použít posuvný registr je dobrý nápad. V tomhle zapojení snad 555 nenadělá žádnou škodu.

Někomu by se mohlo zdát pohodlnější použít přímo čtyřnásobné Déčko 74HCT173.
Návrat nahoru
Zobrazit informace o autorovi Odeslat soukromou zprávu Zobrazit autorovy WWW stránky
Zobrazit příspěvky z předchozích:   
Přidat nové téma   Zaslat odpověď       Obsah fóra Diskuzní fórum Elektro Bastlírny -> Řešení problémů s různými konstrukcemi Časy uváděny v GMT + 1 hodina
Strana 1 z 1

 
Přejdi na:  
Nemůžete odesílat nové téma do tohoto fóra.
Nemůžete odpovídat na témata v tomto fóru.
Nemůžete upravovat své příspěvky v tomto fóru.
Nemůžete mazat své příspěvky v tomto fóru.
Nemůžete hlasovat v tomto fóru.
Nemůžete připojovat soubory k příspěvkům
Můžete stahovat a prohlížet přiložené soubory

Powered by phpBB © 2001, 2005 phpBB Group
Forums ©
Nuke - Elektro Bastlirna

Informace na portálu Elektro bastlírny jsou prezentovány za účelem vzdělání čtenářů a rozšíření zájmu o elektroniku. Autoři článků na serveru neberou žádnou zodpovědnost za škody vzniklé těmito zapojeními. Rovněž neberou žádnou odpovědnost za případnou újmu na zdraví vzniklou úrazem elektrickým proudem. Autoři a správci těchto stránek nepřejímají záruku za správnost zveřejněných materiálů. Předkládané informace a zapojení jsou zveřejněny bez ohledu na případné patenty třetích osob. Nároky na odškodnění na základě změn, chyb nebo vynechání jsou zásadně vyloučeny. Všechny registrované nebo jiné obchodní známky zde použité jsou majetkem jejich vlastníků. Uvedením nejsou zpochybněna z toho vyplývající vlastnická práva. Použití konstrukcí v rozporu se zákonem je přísně zakázáno. Vzhledem k tomu, že původ předkládaných materiálů nelze žádným způsobem dohledat, nelze je použít pro komerční účely! Tento nekomerční server nemá z uvedených zapojení či konstrukcí žádný zisk. Nezodpovídáme za pravost předkládaných materiálů třetími osobami a jejich původ. V případě, že zjistíte porušení autorského práva či jiné nesrovnalosti, kontaktujte administrátory na diskuzním fóru EB.


PHP-Nuke Copyright © 2005 by Francisco Burzi. This is free software, and you may redistribute it under the GPL. PHP-Nuke comes with absolutely no warranty, for details, see the license.
Čas potřebný ke zpracování stránky 0.13 sekund