Vítejte na Elektro Bastlírn?
Nuke - Elektro Bastlirna
  Vytvořit účet Hlavní · Fórum · DDump · Profil · Zprávy · Hledat na fóru · Příspěvky na provoz EB

Vlákno na téma KORONAVIRUS - nutná registrace


Nuke - Elektro Bastlirna: Diskuzní fórum

 FAQFAQ   HledatHledat   Uživatelské skupinyUživatelské skupiny   ProfilProfil   Soukromé zprávySoukromé zprávy   PřihlášeníPřihlášení 

Spojnice mezi dvěma telefony
Jdi na stránku 1, 2, 3, 4  Další
 
Přidat nové téma   Zaslat odpověď       Obsah fóra Diskuzní fórum Elektro Bastlírny -> Linkové telefony, faxy, tel. ústředny včetně domácích
Zobrazit předchozí téma :: Zobrazit následující téma  
Autor Zpráva
petranonym



Založen: Mar 25, 2011
Příspěvky: 4

PříspěvekZaslal: pá březen 25 2011, 18:56    Předmět: Spojnice mezi dvěma telefony Citovat

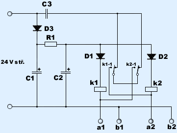
Před pár dny jsem podle schématu v článku http://www.ebastlirna.cz/modules.php?name=News&file=article&sid=20 sestavil tuto spojnici a funguje mi výborně, až na jednu věc. Oba telefony bzučí, což je velmi nepříjemné. V komentářích pod článkem se hovořilo o nějakém můstkovém zapojení, které by to mělo vyřešit. Nemohl by někdo poskytnout schéma s můstkem?
Předem všem děkuji za pomoc a ochotu Smile.



spojnice[1].gif
 Komentář:

Stáhnout
 Soubor:  spojnice[1].gif
 Velikost:  6.28 kB
 Staženo:  870 krát

Návrat nahoru
Zobrazit informace o autorovi Odeslat soukromou zprávu
DKL



Založen: Mar 11, 2004
Příspěvky: 382
Bydliště: Sever jižní Moravy

PříspěvekZaslal: pá březen 25 2011, 22:39    Předmět: Citovat

Dělal jsem jich několik a nikdy žádný problém s brumem nebyl. C1 a C2 jsem ale dával 470 uF.
Návrat nahoru
Zobrazit informace o autorovi Odeslat soukromou zprávu Odeslat e-mail
BOBOBO
Doporučuje se dohled moderátorů


Založen: Feb 25, 2008
Příspěvky: 20608
Bydliště: Rychnovsko

PříspěvekZaslal: so březen 26 2011, 11:35    Předmět: Citovat

Zkus přemostit keramikou D3 1-10n .
Návrat nahoru
Zobrazit informace o autorovi Odeslat soukromou zprávu
petranonym



Založen: Mar 25, 2011
Příspěvky: 4

PříspěvekZaslal: st březen 30 2011, 17:43    Předmět: Citovat

DKL napsal(a):
Dělal jsem jich několik a nikdy žádný problém s brumem nebyl. C1 a C2 jsem ale dával 470 uF.


Kondenzátor C1,2 mám 10 mF a bzučí méně, ale stále. Zkusím ještě to přemostění.
Návrat nahoru
Zobrazit informace o autorovi Odeslat soukromou zprávu
petranonym



Založen: Mar 25, 2011
Příspěvky: 4

PříspěvekZaslal: so duben 02 2011, 19:00    Předmět: Citovat

Tak ani toto nepomohlo.

Neměl by opravdu někdo schéma s tím můstkem?
Návrat nahoru
Zobrazit informace o autorovi Odeslat soukromou zprávu
DKL



Založen: Mar 11, 2004
Příspěvky: 382
Bydliště: Sever jižní Moravy

PříspěvekZaslal: po duben 25 2011, 16:37    Předmět: Citovat

Tak to nebude bručení způsobené špatným vyhlazením. Některé telefony jsou citlivé na nesymetrické provedení spojovací trasy. Zkus jiné přístroje, nejlépe takové co v sobě nemají žádnou elektroniku.
Návrat nahoru
Zobrazit informace o autorovi Odeslat soukromou zprávu Odeslat e-mail
jandu



Založen: Feb 06, 2007
Příspěvky: 4509
Bydliště: vých.slovensko

PříspěvekZaslal: po duben 25 2011, 19:27    Předmět: Citovat

Aká je hodnota R1? Skús miesto neho dať tlmivku-indukčnosť.
_________________
Elektronické súčiastky fungujú za pomoci dymu. Ak dym unikne, prestanú fungovať.
Návrat nahoru
Zobrazit informace o autorovi Odeslat soukromou zprávu Odeslat e-mail
555



Založen: Aug 10, 2009
Příspěvky: 2105

PříspěvekZaslal: po květen 30 2011, 15:18    Předmět: Citovat

já jsem tohle zapojení si zkoušel udělat taky.boužel telefony s ciferníkem jsem nesehnal.Tak jsem použil ty tlačítkový ty novější.

Zvednu sluchátko jednoto telefonu,začne zvonit ten druhý což by bylo super a když u toho druhýho telefonu zvednu taky sluchátko tak telefony mezi sebou nejak nekomunikují že v jednom telefonu něco říkám a ve druhým to není slyšet vubec.


a zapojil jsem to na ty dva vnitřní piny
Návrat nahoru
Zobrazit informace o autorovi Odeslat soukromou zprávu
stolek



Založen: Aug 20, 2010
Příspěvky: 23
Bydliště: BR

PříspěvekZaslal: st červen 01 2011, 18:34    Předmět: staré telefony Citovat

s číselníkem - nějaké bych měl, blíže přes soukromé zprávy.
Návrat nahoru
Zobrazit informace o autorovi Odeslat soukromou zprávu
petranonym



Založen: Mar 25, 2011
Příspěvky: 4

PříspěvekZaslal: so červen 04 2011, 13:55    Předmět: Citovat

jandu napsal(a):
Aká je hodnota R1? Skús miesto neho dať tlmivku-indukčnosť.

R1 jsem úplně vynechal.
Návrat nahoru
Zobrazit informace o autorovi Odeslat soukromou zprávu
DKL



Založen: Mar 11, 2004
Příspěvky: 382
Bydliště: Sever jižní Moravy

PříspěvekZaslal: ne červen 05 2011, 10:18    Předmět: Citovat

petranonym napsal(a):

R1 jsem úplně vynechal.


Tak se potom nediv že to bručí...
Návrat nahoru
Zobrazit informace o autorovi Odeslat soukromou zprávu Odeslat e-mail
drabek06



Založen: May 27, 2006
Příspěvky: 1659
Bydliště: Liberec

PříspěvekZaslal: ne duben 22 2012, 19:16    Předmět: Citovat

Tak jsem taky zbastlil "spojnici" podle výše uvedeného schématu a vše funguje naprosto vpohodě, bez nějakýho brumu či podobnejch pazvuků. Jediný kde jsem narazil bylo to, že telefony nevyzváněly. Zvýšení hodnoty kondenzátoru C3 na 1,2uF vše vyřešilo a už to i vyzvání. Tel. aparáty byly použity tlačítkové, s názvem "Aneta".
Návrat nahoru
Zobrazit informace o autorovi Odeslat soukromou zprávu Odeslat e-mail
555



Založen: Aug 10, 2009
Příspěvky: 2105

PříspěvekZaslal: út červen 26 2012, 20:07    Předmět: Citovat

oživím s dovolením toto vlákno.dnes jsem to postavil.když zvednu sluchátko telefonu připojeného na A2 druhý telefon zvoní i když mluvim slyším krásně bez bručení a vrčení vše na druhém telefonu.

ovšem když zvednu sluchátko telefonu připojeného A1 sice druhý telefon zvoní ale v repro vrčí a neslyším nic.může mi někdo poradit prosím.

elity C1 C2 jsem použil 470uF..mám tam relátka na 12V s odporem v sérii 270ohmu

_________________
V životě se člověk učí nejdřív chodit a mluvit. Později se pak učí sedět a držet hubu.
Návrat nahoru
Zobrazit informace o autorovi Odeslat soukromou zprávu
Bernard



Založen: May 27, 2005
Příspěvky: 3655

PříspěvekZaslal: út červen 26 2012, 21:07    Předmět: Citovat

Tak to je nějaká hádanka. Když jsou oba telefony zvednuty, je už zapomenuto, který byl zdvihnutý jako první, nastane naprosto identická situace. A tak i kvalita spojení by měla být identická. Jediné, co mě napadá, že jedno relé je míň citlivé a pokud se spíná jako druhé, pří sníženém napájení vlivem zátěže tím druhým relé už nestačí přitáhnout. Na zkoušku by se dalo zvýšit napájecí napětí, nebo snížit R1, nebo snížit ten odpor, co jsi přidal do série s relé.
Návrat nahoru
Zobrazit informace o autorovi Odeslat soukromou zprávu
555



Založen: Aug 10, 2009
Příspěvky: 2105

PříspěvekZaslal: po červenec 02 2012, 21:03    Předmět: Citovat

tak nakonec se to vyřešilo snížením hodnoty odporu R1.momentálně tam mám osazen 270ohmu. ted to funguje jak ma
_________________
V životě se člověk učí nejdřív chodit a mluvit. Později se pak učí sedět a držet hubu.
Návrat nahoru
Zobrazit informace o autorovi Odeslat soukromou zprávu
Zobrazit příspěvky z předchozích:   
Přidat nové téma   Zaslat odpověď       Obsah fóra Diskuzní fórum Elektro Bastlírny -> Linkové telefony, faxy, tel. ústředny včetně domácích Časy uváděny v GMT + 1 hodina
Jdi na stránku 1, 2, 3, 4  Další
Strana 1 z 4

 
Přejdi na:  
Nemůžete odesílat nové téma do tohoto fóra.
Nemůžete odpovídat na témata v tomto fóru.
Nemůžete upravovat své příspěvky v tomto fóru.
Nemůžete mazat své příspěvky v tomto fóru.
Nemůžete hlasovat v tomto fóru.
Nemůžete připojovat soubory k příspěvkům
Můžete stahovat a prohlížet přiložené soubory

Powered by phpBB © 2001, 2005 phpBB Group
Forums ©
Nuke - Elektro Bastlirna

Informace na portálu Elektro bastlírny jsou prezentovány za účelem vzdělání čtenářů a rozšíření zájmu o elektroniku. Autoři článků na serveru neberou žádnou zodpovědnost za škody vzniklé těmito zapojeními. Rovněž neberou žádnou odpovědnost za případnou újmu na zdraví vzniklou úrazem elektrickým proudem. Autoři a správci těchto stránek nepřejímají záruku za správnost zveřejněných materiálů. Předkládané informace a zapojení jsou zveřejněny bez ohledu na případné patenty třetích osob. Nároky na odškodnění na základě změn, chyb nebo vynechání jsou zásadně vyloučeny. Všechny registrované nebo jiné obchodní známky zde použité jsou majetkem jejich vlastníků. Uvedením nejsou zpochybněna z toho vyplývající vlastnická práva. Použití konstrukcí v rozporu se zákonem je přísně zakázáno. Vzhledem k tomu, že původ předkládaných materiálů nelze žádným způsobem dohledat, nelze je použít pro komerční účely! Tento nekomerční server nemá z uvedených zapojení či konstrukcí žádný zisk. Nezodpovídáme za pravost předkládaných materiálů třetími osobami a jejich původ. V případě, že zjistíte porušení autorského práva či jiné nesrovnalosti, kontaktujte administrátory na diskuzním fóru EB.


PHP-Nuke Copyright © 2005 by Francisco Burzi. This is free software, and you may redistribute it under the GPL. PHP-Nuke comes with absolutely no warranty, for details, see the license.
Čas potřebný ke zpracování stránky 0.15 sekund