Vítejte na Elektro Bastlírn?
Nuke - Elektro Bastlirna
  Vytvořit účet
Hlavní · Fórum · DDump · Profil · Zprávy · Hledat na fóru


Nuke - Elektro Bastlirna: Diskuzní fórum

 FAQFAQ   HledatHledat   Uživatelské skupinyUživatelské skupiny   ProfilProfil   Soukromé zprávySoukromé zprávy   PřihlášeníPřihlášení 

Automaticke vyrovnavanie citlivosti

 
Přidat nové téma   Zaslat odpověď       Obsah fóra Diskuzní fórum Elektro Bastlírny -> Teorie
Zobrazit předchozí téma :: Zobrazit následující téma  
Autor Zpráva
psm



Založen: Nov 09, 2009
Příspěvky: 5

PříspěvekZaslal: po listopad 09 2009, 17:49    Předmět: Automaticke vyrovnavanie citlivosti Citovat

Dobry den,
mohol by mi prosim vas niekto vystvetlit ako funguje automaticke vyrovnavanie citlivosti pri mikrofonnych predzosilovacoch? Docital som sa, ze by to mohlo byt realizovane emitorovym sledovacom, ale potom by to nezosilovalo dany signal, ci hej?
Návrat nahoru
Zobrazit informace o autorovi Odeslat soukromou zprávu
mtajovsky



Založen: Sep 19, 2007
Příspěvky: 3731
Bydliště: Praha

PříspěvekZaslal: po listopad 09 2009, 18:38    Předmět: Citovat

U mikrofonů se používá hlavně na řeč slabikový kompresor dynamiky, což je tak trochu jako AVC, ale s krátkou časovou konstantou. Reaguje na jednotlivé slabiky, aby ty znělé a přízvučné nezatloukly vše ostatní, v krátkosti řečeno.

Emitorový sledovač sice nezesiluje napětí, ale proud ano, tedy, co je podstatné, zesiluje výkon. Záleží na konkrétní citlivosti a impedanci vstupu připojeného zesilovače, jestli bude emitorový sledovač vhodný na přizpůsobení mikrofonu a zesilovače. Samotný emitorový sledovač žádné AVC ani kompresi neudělá.
Návrat nahoru
Zobrazit informace o autorovi Odeslat soukromou zprávu Odeslat e-mail
Hill
Administrátor


Založen: Sep 10, 2004
Příspěvky: 21166
Bydliště: Jičín, Český ráj

PříspěvekZaslal: po listopad 09 2009, 19:25    Předmět: Citovat

Funguje to prostě tak, že se hlídá (podle účelu, kterému má kompresor sloužit) RMS hodnota signálu až špičková hodnota signálu. Při překročení zvolené úrovně sníží úroveň signálu (třeba zmenšením odporu v děliči, nebo zmenšením zisku zesilovacího stupně) a po nastavené době, pokud se špičky neopakují, zase útlum zvolna zruší resp.zvýší zisk zesilovače na původní hodnotu.
http://www.volny.cz/cb16/katalog/komp.gif - jedna z ukázek dobrého kompresoru pro mikrofon (20.5.2008 19:29 sem vložil Masar)
nebo celé vlákno
http://www.ebastlirna.cz/modules.php?name=Forums&file=viewtopic&t=18190&postdays=0&postorder=asc&start=0 - a bádej, jak to je udělané prakticky. Komentářů je k tomu poměrně dost. Pro začátek.
Návrat nahoru
Zobrazit informace o autorovi Odeslat soukromou zprávu
psm



Založen: Nov 09, 2009
Příspěvky: 5

PříspěvekZaslal: po listopad 09 2009, 19:27    Předmět: Citovat

mtajovsky napsal(a):
Emitorový sledovač sice nezesiluje napětí, ale proud ano, tedy, co je podstatné, zesiluje výkon. Záleží na konkrétní citlivosti a impedanci vstupu připojeného zesilovače, jestli bude emitorový sledovač vhodný na přizpůsobení mikrofonu a zesilovače. Samotný emitorový sledovač žádné AVC ani kompresi neudělá.


Diky a ked ma prisposobovat mikrofon so zosilnovacom, tak musi mat rovnaku vystupnu impedanciu ako je vstupna impedancia zosilnovaca, nie? A co vlastne robi ten emitorovy sledovac? Ja som sa docital, ze ten udrziava na emitore rovnake napatie ako na baze. Takze keby som chcel napr. ze ma byt to automaticke vyrovnavanie citlivosti, take aby stredna hodnota vystupneho signalu bola cca 500mV, tak musi byt aj vstupny signal 500mV a to je trochu blbost, lebo by to nemalo ziadny zmysel.
Návrat nahoru
Zobrazit informace o autorovi Odeslat soukromou zprávu
psm



Založen: Nov 09, 2009
Příspěvky: 5

PříspěvekZaslal: po listopad 09 2009, 19:41    Předmět: Citovat

Hill napsal(a):
Funguje to prostě tak, že se hlídá (podle účelu, kterému má kompresor sloužit) RMS hodnota signálu až špičková hodnota signálu. Při překročení zvolené úrovně sníží úroveň signálu (třeba zmenšením odporu v děliči, nebo zmenšením zisku zesilovacího stupně) a po nastavené době, pokud se špičky neopakují, zase útlum zvolna zruší resp.zvýší zisk zesilovače na původní hodnotu.

Dakujem, toto je rozumnejsie vysvetlenie, ako som vygooglil ja.Smile A este jedna otazocka prosim vas, cim sa zabezpeci, aby sa znizila uroven signalu pri prekroceni tej danej hodnoty?
Návrat nahoru
Zobrazit informace o autorovi Odeslat soukromou zprávu
ZdenekHQ
Administrátor


Založen: Jul 21, 2006
Příspěvky: 25741
Bydliště: skoro Brno

PříspěvekZaslal: po listopad 09 2009, 20:30    Předmět: Citovat

Čti znovu a pořádně.
_________________
Pro moje oslovení klidně použijte jméno Zdeněk
Správně navržené zapojení je jako recept na dobré jídlo.
Můžete vynechat půlku ingrediencí, nebo přidat jiné,
ale jste si jistí, že vám to bude chutnat[?
]
Návrat nahoru
Zobrazit informace o autorovi Odeslat soukromou zprávu Zobrazit autorovy WWW stránky
Hill
Administrátor


Založen: Sep 10, 2004
Příspěvky: 21166
Bydliště: Jičín, Český ráj

PříspěvekZaslal: po listopad 09 2009, 20:34    Předmět: Citovat

Ale to ti tam píšu a je to jasné i z těch odkazů, měl jsem za to, že si to tam najdeš: buď změnou dynamického odporu dvou (jednotlivých nebo řetězců) diod, zapojených jako příčný odpor děliče, v závislosti na řídicím proudu (ten je závislý na úrovni signálu), stejně tak lze využít změny vnitřního odporu tranzistoru, FETu nebo fotoodporu osvětlovaného LEDkou napájenou z detektoru úrovně.
Podobně lze řídit zisk zesilovače.
Prostě usměrníš napětí na výstupu kompresoru, vyfiltruješ, aby neobsahovalo zbytky signálu, a necháš jím řídit dělicí poměr nebo zesílení tak, aby při nárůstu výstupního napětí zareagoval a tu úroveň ubral.
Různých konstrukcí různých užitných vlastností z diskrétních součástek jsou tisíce, jsou také desítky specializovaných integrovaných obvodů, které obsahují většinu obvodů kompresoru už ve struktuře (třeba A202D nebo ve stereo A1818D blahé paměti či KA2224B paměti neblahé, protože ho nebo ekvivalent obsahují všudypřítomné tržnicové jezevčíky, ale kompresi zvládá dobře)...

Další vlastnosti určující použitelnost kompresoru jsou pak reakce na skokový nárůst úrovně a doba návratu na původní zesílení po zmizení signálu.
Návrat nahoru
Zobrazit informace o autorovi Odeslat soukromou zprávu
psm



Založen: Nov 09, 2009
Příspěvky: 5

PříspěvekZaslal: čt listopad 12 2009, 18:10    Předmět: Citovat

Dakujem, uz tomu zacinam chapat trochu lespie a nie je aj nejaka jednoduchsia schema? Lebo si to chcem hodit to ltspice a daco si poskusat, len ta schema je na mna trochu zlozita. Som totiz este len zaciatocnik a bud neviem hladat alebo neviem preco, ale nemozem nic jednoduchsie a detailnejsie popisane vygooglit. Dakujem za ochotu.
Návrat nahoru
Zobrazit informace o autorovi Odeslat soukromou zprávu
Hill
Administrátor


Založen: Sep 10, 2004
Příspěvky: 21166
Bydliště: Jičín, Český ráj

PříspěvekZaslal: čt listopad 12 2009, 20:34    Předmět: Citovat

No, ono to je i není jednoduché.
Signál musíš zesílit tak, aby ho bylo možné zpracovat detektorem, prostě převést jeho střední nebo špičkovou hodnotu na stejnosměrné napětí či proud. A jím se pak snižuje úroveň signálu na pokud možno konstantní velikost.
Špičková úroveň se hlídá kvůli ochraně před přebuzením zařízení, kterým budeš ten zvuk dále zpracovávat (modulátor vysílače, A/D převodník a podobně).
Naopak pro bezobslužné odbavovací pracoviště televizního zvukaře by spíše slušel detektor střední hodnoty, aby zmenšil rozdíly ve zdánlivé hlasitosti mezi hudbou a řečí, a třeba i reklamami. A další kompresor až později, nastavený jen jako limitor špiček, bude chránit před přebuzením modulátoru.
Pro CB je například žádoucí co nejmenší dynamika signálu, aby se co nejlépe využil ten malý modulační zdvih, přitom zkreslení ani šířka pásma nejsou to nejdůležitější - dosah a srozumitelnost však ano. Tak se uplatní slabikový kompresor.
Schémata a odkazy na ně najdeš například v tomto vláknu:
http://www.ebastlirna.cz/modules.php?name=Forums&file=viewtopic&t=28920
nebo tady, i s dobrým popisem: http://www.belza.cz/audio/alc.htm .



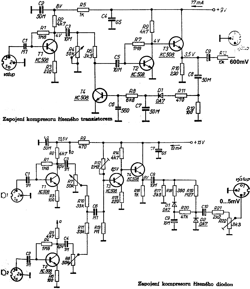
kompresory.gif
 Komentář:
Anebo dva kousky podle J.Bozděcha
(z knížky Stavba doplňků pro magnetofony)

Stáhnout
 Soubor:  kompresory.gif
 Velikost:  80.23 kB
 Staženo:  311 krát



Naposledy upravil Hill dne čt listopad 12 2009, 21:23, celkově upraveno 1 krát.
Návrat nahoru
Zobrazit informace o autorovi Odeslat soukromou zprávu
ZdenekHQ
Administrátor


Založen: Jul 21, 2006
Příspěvky: 25741
Bydliště: skoro Brno

PříspěvekZaslal: čt listopad 12 2009, 20:36    Předmět: Citovat

Jednoduchý schema je katalog GES 2004 strana 3-14, nutná drobná modifikace (prodloužit časovou konstantu, přepojit detekci na vstup).

P.S. Dík Hille, to je ono.


_________________
Pro moje oslovení klidně použijte jméno Zdeněk
Správně navržené zapojení je jako recept na dobré jídlo.
Můžete vynechat půlku ingrediencí, nebo přidat jiné,
ale jste si jistí, že vám to bude chutnat[?
]
Návrat nahoru
Zobrazit informace o autorovi Odeslat soukromou zprávu Zobrazit autorovy WWW stránky
psm



Založen: Nov 09, 2009
Příspěvky: 5

PříspěvekZaslal: pá listopad 13 2009, 17:22    Předmět: Citovat

Caute, diky za rady. Dakedy staci len trochu nakopnut, aby clovek vedel podcim hladat. Chcem sa opytat, nestacilo by nieco takehoto? Akurat tam dat este nejake RC filtre na vstup a vystup.


limiter-compressor-schematic.gif
 Komentář:
Alebo toto???

Stáhnout
 Soubor:  limiter-compressor-schematic.gif
 Velikost:  4.1 kB
 Staženo:  209 krát


examp2.jpg
 Komentář:

Stáhnout
 Soubor:  examp2.jpg
 Velikost:  7.54 kB
 Staženo:  237 krát

Návrat nahoru
Zobrazit informace o autorovi Odeslat soukromou zprávu
FERYACT



Založen: Apr 20, 2005
Příspěvky: 2285
Bydliště: Krnov

PříspěvekZaslal: ne únor 14 2010, 19:00    Předmět: Citovat

Je třeba počítat s tím že než začne regulátor regulovat, jede zesilovač
hodně hlasitě a po uplynutí slabiky se správně nastaví.Nemluví li se delší dobu do mikrofonu mohou se objevit nectnosti: šumy a brumy zesilovače.
Návrat nahoru
Zobrazit informace o autorovi Odeslat soukromou zprávu
Hill
Administrátor


Založen: Sep 10, 2004
Příspěvky: 21166
Bydliště: Jičín, Český ráj

PříspěvekZaslal: ne únor 14 2010, 21:23    Předmět: Citovat

Tedy: to zapojení examp2 je omezovač špiček. Podobné zapojení se používá v telefonní technice, kde chvílemi nějaké to, i poměrně velké, zkreslení špiček příliš nevadí. Lze samozřejmě najít kompromis mezi účinností a zkreslením, ale dnes už bych váhal takový parametrický fujtajblový omezovač dát i do toho telefonu.
Leda ho nastavit jako "bezpečnostní" proti přemodulování vysílače nebo A/D převodníku v případě, že by vyjímečně jedna špička za hodinu přelezla povolenou plnou modulační úroveň (resp. rozsah vzorkovacích úrovní).
K mikrofonu na ozvučení v žádném případě.
Tento obvod lze ještě "vylepšit" více větvemi se zenerkami postupně otevírajícími do různých odporů, které jsou s nimi v sérii (vznikne obdoba logaritmického zesilovače s aproximací charakteristiky) a teprve poslední větev (na nejvyšší napětí) bude bez sériového odporu, ta už bude omezovat natvrdo do obdélníku.

Žádné zapojení není univerzální:
ne vždy krátké přemodulování vysloveně ruší: třeba při magnetickém záznamu se ukázalo, že lze záznamovou automatiku nastavit tak, aby spolehlivě ubírala zesílení pro špičky delší, než 50ms, pokud překračují amplitudu plného promodulování o více, než 5dB, případně 20ms, pokud překračují "červenou" o více, než 8dB, to je dvaapůlkrát! Pokusně bylo zjištěno, že moderní záznamové materiály těch +8dB zvládají bez zasykávání a postřehnutelného zkreslení. Tomu se ke konci slávy magnetofonů pak přizpůsobily i záznamové cesty lepších magnetofonů, u mnohých starších už takovou úroveň nezvládal samotný záznamový zesilovač, což je slyšet víc.
Jsou ovšem aplikace, kde nezbývá, než ty špičky udržet spolehlivě pod určitou úrovní a to vždy a za všech okolností, aniž by automatika zanášela do signálu slyšitelné zkreslení.
Na to musíš brát ohled a podle nároků zvolit zapojení.
Návrat nahoru
Zobrazit informace o autorovi Odeslat soukromou zprávu
ZdenekHQ
Administrátor


Založen: Jul 21, 2006
Příspěvky: 25741
Bydliště: skoro Brno

PříspěvekZaslal: út únor 16 2010, 15:48    Předmět: Citovat

Existují kompresory se zpožďovací linkou (takže kompresor zabírá s předstihem), ale kloudný schema pro bastlíře jsem snad ani neviděl.
_________________
Pro moje oslovení klidně použijte jméno Zdeněk
Správně navržené zapojení je jako recept na dobré jídlo.
Můžete vynechat půlku ingrediencí, nebo přidat jiné,
ale jste si jistí, že vám to bude chutnat[?
]
Návrat nahoru
Zobrazit informace o autorovi Odeslat soukromou zprávu Zobrazit autorovy WWW stránky
Zobrazit příspěvky z předchozích:   
Přidat nové téma   Zaslat odpověď       Obsah fóra Diskuzní fórum Elektro Bastlírny -> Teorie Časy uváděny v GMT + 1 hodina
Strana 1 z 1

 
Přejdi na:  
Nemůžete odesílat nové téma do tohoto fóra.
Nemůžete odpovídat na témata v tomto fóru.
Nemůžete upravovat své příspěvky v tomto fóru.
Nemůžete mazat své příspěvky v tomto fóru.
Nemůžete hlasovat v tomto fóru.
Nemůžete připojovat soubory k příspěvkům
Můžete stahovat a prohlížet přiložené soubory

Powered by phpBB © 2001, 2005 phpBB Group
Forums ©
Nuke - Elektro Bastlirna

Informace na portálu Elektro bastlírny jsou prezentovány za účelem vzdělání čtenářů a rozšíření zájmu o elektroniku. Autoři článků na serveru neberou žádnou zodpovědnost za škody vzniklé těmito zapojeními. Rovněž neberou žádnou odpovědnost za případnou újmu na zdraví vzniklou úrazem elektrickým proudem. Autoři a správci těchto stránek nepřejímají záruku za správnost zveřejněných materiálů. Předkládané informace a zapojení jsou zveřejněny bez ohledu na případné patenty třetích osob. Nároky na odškodnění na základě změn, chyb nebo vynechání jsou zásadně vyloučeny. Všechny registrované nebo jiné obchodní známky zde použité jsou majetkem jejich vlastníků. Uvedením nejsou zpochybněna z toho vyplývající vlastnická práva. Použití konstrukcí v rozporu se zákonem je přísně zakázáno. Vzhledem k tomu, že původ předkládaných materiálů nelze žádným způsobem dohledat, nelze je použít pro komerční účely! Tento nekomerční server nemá z uvedených zapojení či konstrukcí žádný zisk. Nezodpovídáme za pravost předkládaných materiálů třetími osobami a jejich původ. V případě, že zjistíte porušení autorského práva či jiné nesrovnalosti, kontaktujte administrátory na diskuzním fóru EB.


PHP-Nuke Copyright © 2005 by Francisco Burzi. This is free software, and you may redistribute it under the GPL. PHP-Nuke comes with absolutely no warranty, for details, see the license.
Čas potřebný ke zpracování stránky 0.28 sekund