Vítejte na Elektro Bastlírn?
Nuke - Elektro Bastlirna
  Vytvořit účet Hlavní · Fórum · DDump · Profil · Zprávy · Hledat na fóru · Příspěvky na provoz EB

Vlákno na téma KORONAVIRUS - nutná registrace


Nuke - Elektro Bastlirna: Diskuzní fórum

 FAQFAQ   HledatHledat   Uživatelské skupinyUživatelské skupiny   ProfilProfil   Soukromé zprávySoukromé zprávy   PřihlášeníPřihlášení 

výstupní analogový signál 0-10V z mikroprocesoru PIC
Jdi na stránku 1, 2  Další
 
Přidat nové téma   Zaslat odpověď       Obsah fóra Diskuzní fórum Elektro Bastlírny -> Řešení problémů s různými konstrukcemi
Zobrazit předchozí téma :: Zobrazit následující téma  
Autor Zpráva
xslove
Neregistrovaný





PříspěvekZaslal: ne září 21 2008, 16:56    Předmět: výstupní analogový signál 0-10V z mikroprocesoru PIC Citovat

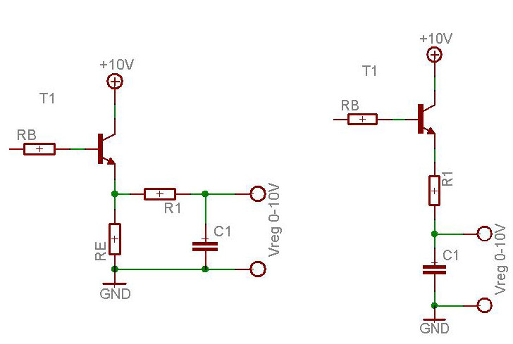
ahoj, potřeboval bych dostat výstupní analogový signál 0-10V z mikroprocesoru PIC. nápad je takový, že procesor bude generovat obdélníkový signál PWM (pro RC článek) na úrovni 5VDC. Tento signál se zesílí pomocí tranzistoru na úroveň 10V a RC článkem vyfiltruje na analogový signál 0-10V. potřeboval bych poradit jak prakticky zapojit součástky a navrhnout hodnoty odporů. Na bázi tranzistoru půjde obdélníkový signál z procesoru. Na druhém schematu vpravo je vynechán odpor RE a rovnou je zapojen RC článek pro převod na analogový signál. je to tak vhodné?


schema3.jpg
 Komentář:

Stáhnout
 Soubor:  schema3.jpg
 Velikost:  43.29 kB
 Staženo:  106 krát

Návrat nahoru
eljaro



Založen: Dec 03, 2004
Příspěvky: 441
Bydliště: Krnov

PříspěvekZaslal: ne září 21 2008, 17:08    Předmět: Citovat

vzásadě je to jedno bude jen rozdílná charakteristika rc článku

Cool

to buzení asi bude na nic ! lada bys ten trazistor dal pnp ! popřípadě k tomu npn přidal zvedací odpor na těch 10v a tranzistor PICkem jen blokoval ale i to bude asi zlobit Evil or Very Mad rozdíl potenciálů Exclamation nejlépe doplnit blokovacím tranzistorem a ten ovládat PICkem
Návrat nahoru
Zobrazit informace o autorovi Odeslat soukromou zprávu Odeslat e-mail Zobrazit autorovy WWW stránky AOL Instant Messenger MSN Messenger
jankop



Založen: Apr 04, 2007
Příspěvky: 679

PříspěvekZaslal: ne září 21 2008, 18:17    Předmět: Citovat

Nemůžeš použít emitorový sledovač. Na emitorovém rezistoru nikdy nebude větší napětí než Vcc -Ube.
Návrat nahoru
Zobrazit informace o autorovi Odeslat soukromou zprávu Odeslat e-mail Zobrazit autorovy WWW stránky
borovecek



Založen: Jul 28, 2004
Příspěvky: 213
Bydliště: Bílý Kostel nad Nisou

PříspěvekZaslal: ne září 21 2008, 19:43    Předmět: Citovat

Tady už někdo něco podobnýho dělal http://www.pandatron.cz/?140&regulovatelny_zdroj_s_pic
Návrat nahoru
Zobrazit informace o autorovi Odeslat soukromou zprávu
Crifodo



Založen: Oct 11, 2005
Příspěvky: 15004

PříspěvekZaslal: ne září 21 2008, 19:47    Předmět: Citovat

douč se úplné základy radiotechniky, až to budeš mít, tak se vrať k pic-ům a pak si k tomu přečti něco o OZ a integračních zesilovačích, až to budeš mít, tak si ujasni zadání (kmitočet, požadovaná doba odezvy, zatěžovací odpor) Wink
Návrat nahoru
Zobrazit informace o autorovi Odeslat soukromou zprávu Odeslat e-mail
xslove
Neregistrovaný





PříspěvekZaslal: ne září 21 2008, 21:28    Předmět: Citovat

jankop napsal(a):
Nemůžeš použít emitorový sledovač. Na emitorovém rezistoru nikdy nebude větší napětí než Vcc -Ube.


jo to jsem si neuvědomil, takže RC článek zapojím na kolektor, a potom bude výstupní signál invertovaný oproti vstupu na bázi ok...
Návrat nahoru
xslove
Neregistrovaný





PříspěvekZaslal: ne září 21 2008, 21:43    Předmět: Citovat

Crifodo napsal(a):
douč se úplné základy radiotechniky, až to budeš mít, tak se vrať k pic-ům a pak si k tomu přečti něco o OZ a integračních zesilovačích, až to budeš mít, tak si ujasni zadání (kmitočet, požadovaná doba odezvy, zatěžovací odpor) Wink


crifrodo, domnívám se, že fórum slouží pro ulehčení práce a rychlé pomoci někomu od toho, kdo se v konkrétním problému dobře vyzná. tvoje odpověď je opravdu velmi na místě. Potřebuju od někoho znalého poradit jak jednoduše realizovat můj požadavek a nebudu kvůli tomu týdny studovat slaboproud, jak jsi mi laskavě doporučil. Buď přispěj nějakou radou k věci a nemusíš tady pouze poučovat co kdo si má nastudovat. Jestli takhle obvykle odpovídáš, existuje velká skupina lidí co na tebe nedají dopustit. programování PICů a TTL obvody mi problémy nedělají. Chtěl jsem pouze poradit s vhodným výběrem tranzistoru a zapojení pro optimální pracovní bod. hodnoty RC článku zvládnu sám. děkuji za pochopení
Návrat nahoru
forbidden



Založen: Feb 14, 2005
Příspěvky: 9421
Bydliště: Brno (JN89GF)

PříspěvekZaslal: po září 22 2008, 8:11    Předmět: Citovat

Crifodo to nemyslel nijak zle, on je ze stare skoly. Jen reaguje na soucasny trend, kdy se kazdy decko uci programovat. Kazdou p.....nu resi s mikroprocesory, ale o zakladech elektroniky nevi zhola nic.

Jinak abych taky prispel radou, pokud mas volny vystupy na procesoru, tak mnohem lepsi je udelat D/A prevodnik, nejjednoduseji na principu odporove site: http://en.wikipedia.org/wiki/Resistor_Ladder
Nez PWM a integracni clanky.
Návrat nahoru
Zobrazit informace o autorovi Odeslat soukromou zprávu Zobrazit autorovy WWW stránky
Crifodo



Založen: Oct 11, 2005
Příspěvky: 15004

PříspěvekZaslal: po září 22 2008, 8:24    Předmět: Citovat

xlove, nezlob se nebo zlob se, ale na to cos tu předvedl jsem ti dal nejlepší radu jak 100ho ven. Připomínáš kuchaře, co plní šlehačku do trubiček a pak se přijde zeptat, jak se krájí a namaže krajíc chleba. Když je ti zatěžko začít elektroniku od základů, budeš narážet na problémy čím dál častějc, kdykoliv se vzdálíš od těch svých piců k realitě. Jednostranně vzdělaný odborník v úzkém oboru a mimo něj ignorant funguje jen tak dlouho, dokud to může suplovat spoléháním že ho mimo jeho obor bude někdo vodit za ručičku.
A teď k věci:
Nevěřím že máš praxi v TTL technice, to je totiž kromě toho, že je dvoustavová, taky dost náročná "přechodově analogová" technika. Jestli se ptáš na pracovní bod tranzistoru kterýmu visí emitor přes kond stejnosměrně v luftu a chceš mámit 10V ze sledovače, těžko ti něco konkrétně radit.
Jestli nemáš čas naučit se základy, jak funguje tranzistor, tak si to namodeluj v nějakým simulačním programu. Pak si taky můžeš namodelovat rozdíl mezi ustáleným stavem pwm a příchodem "burstu" a jak dlouho to trvá, než se takový obvod s tranzistorem na vyšší impedanci ustálí.
Ten OZ s integrátorem řeší nejen úrovně a zesílení, ale i definované vstupní a výstupní impedance s ohledem na zátěž.
Návrat nahoru
Zobrazit informace o autorovi Odeslat soukromou zprávu Odeslat e-mail
ZdenekHQ
Administrátor


Založen: Jul 21, 2006
Příspěvky: 25741
Bydliště: skoro Brno

PříspěvekZaslal: po září 22 2008, 9:17    Předmět: Citovat

Ono není zas tak těžký použít OZ jako filtr a zesilovač dvěma. Takže ti PWM 5V vyfiltruje a zesílí na 10V. Takže, jak radí Crifodo, na kácéčko se vykašli.
_________________
Pro moje oslovení klidně použijte jméno Zdeněk
Správně navržené zapojení je jako recept na dobré jídlo.
Můžete vynechat půlku ingrediencí, nebo přidat jiné,
ale jste si jistí, že vám to bude chutnat[?
]
Návrat nahoru
Zobrazit informace o autorovi Odeslat soukromou zprávu Zobrazit autorovy WWW stránky
xslove
Neregistrovaný





PříspěvekZaslal: po září 22 2008, 10:11    Předmět: Citovat

forbidden: dík za tip, je to dobrá věc, ale musím použít PWM, jelikož těchto analogových výstupů potřebuju několik

crifodo: připouštím, že je to se mnou jak říkáš. úspěšně si hraju s PICama a jednoduchých zapojení kolem toho, ale o pochodech co se děje uvnitř se nezajímám. Stavím se k tomu, že je to pro mě velká neznámá a prakticky pro mě těžko dosažitelné znalosti. Obvykle někde něco použiju z existujících schémat, ale proč to tak je nepátrám a nechávám to na autorech.

Byl by tedy někdo tak hodný a navrhnul možné jednoduché řešení jak z PWM signálu 5VDC dostat analogový 0-10V? Věřím, že pro zkušené team bosse a další to bude otázka pár minut... dík
Návrat nahoru
Sendyx



Založen: Jun 05, 2005
Příspěvky: 12487
Bydliště: Ostrava

PříspěvekZaslal: po září 22 2008, 10:30    Předmět: Citovat

A co tak použít jakýkoliv DA a multiplex k tomu ?
Návrat nahoru
Zobrazit informace o autorovi Odeslat soukromou zprávu
Marie Fůrie
Neregistrovaný





PříspěvekZaslal: po září 22 2008, 10:34    Předmět: Citovat

xslove napsal(a):
Byl by tedy někdo tak hodný a navrhnul možné jednoduché řešení jak z PWM signálu 5VDC dostat analogový 0-10V? Věřím, že pro zkušené team bosse a další to bude otázka pár minut... dík

Fajn, jakou frekvenci má ta PWM a jakou max. frekvenci obsahuje modulační signál.
Návrat nahoru
xslove
Neregistrovaný





PříspěvekZaslal: po září 22 2008, 13:06    Předmět: Citovat

frekvence PWM bude 156.2 kHz a změna modulovaného signálu se bude provádět velmi pomalu (plynule asi po 1 sekundě)
Návrat nahoru
jankop



Založen: Apr 04, 2007
Příspěvky: 679

PříspěvekZaslal: po září 22 2008, 13:34    Předmět: Citovat

V tom případě použij kmitočet PWM podstatně nižší, třeba 10bit/4,88KHz.
Návrat nahoru
Zobrazit informace o autorovi Odeslat soukromou zprávu Odeslat e-mail Zobrazit autorovy WWW stránky
Zobrazit příspěvky z předchozích:   
Přidat nové téma   Zaslat odpověď       Obsah fóra Diskuzní fórum Elektro Bastlírny -> Řešení problémů s různými konstrukcemi Časy uváděny v GMT + 1 hodina
Jdi na stránku 1, 2  Další
Strana 1 z 2

 
Přejdi na:  
Nemůžete odesílat nové téma do tohoto fóra.
Nemůžete odpovídat na témata v tomto fóru.
Nemůžete upravovat své příspěvky v tomto fóru.
Nemůžete mazat své příspěvky v tomto fóru.
Nemůžete hlasovat v tomto fóru.
Nemůžete připojovat soubory k příspěvkům
Můžete stahovat a prohlížet přiložené soubory

Powered by phpBB © 2001, 2005 phpBB Group
Forums ©
Nuke - Elektro Bastlirna

Informace na portálu Elektro bastlírny jsou prezentovány za účelem vzdělání čtenářů a rozšíření zájmu o elektroniku. Autoři článků na serveru neberou žádnou zodpovědnost za škody vzniklé těmito zapojeními. Rovněž neberou žádnou odpovědnost za případnou újmu na zdraví vzniklou úrazem elektrickým proudem. Autoři a správci těchto stránek nepřejímají záruku za správnost zveřejněných materiálů. Předkládané informace a zapojení jsou zveřejněny bez ohledu na případné patenty třetích osob. Nároky na odškodnění na základě změn, chyb nebo vynechání jsou zásadně vyloučeny. Všechny registrované nebo jiné obchodní známky zde použité jsou majetkem jejich vlastníků. Uvedením nejsou zpochybněna z toho vyplývající vlastnická práva. Použití konstrukcí v rozporu se zákonem je přísně zakázáno. Vzhledem k tomu, že původ předkládaných materiálů nelze žádným způsobem dohledat, nelze je použít pro komerční účely! Tento nekomerční server nemá z uvedených zapojení či konstrukcí žádný zisk. Nezodpovídáme za pravost předkládaných materiálů třetími osobami a jejich původ. V případě, že zjistíte porušení autorského práva či jiné nesrovnalosti, kontaktujte administrátory na diskuzním fóru EB.


PHP-Nuke Copyright © 2005 by Francisco Burzi. This is free software, and you may redistribute it under the GPL. PHP-Nuke comes with absolutely no warranty, for details, see the license.
Čas potřebný ke zpracování stránky 0.18 sekund