Vítejte na Elektro Bastlírn?
Nuke - Elektro Bastlirna
  Vytvořit účet
Hlavní · Fórum · DDump · Profil · Zprávy · Hledat na fóru


Nuke - Elektro Bastlirna: Diskuzní fórum

 FAQFAQ   HledatHledat   Uživatelské skupinyUživatelské skupiny   ProfilProfil   Soukromé zprávySoukromé zprávy   PřihlášeníPřihlášení 

Onkyo receiver TX 7730 ztrátaa zvuku

 
Přidat nové téma   Zaslat odpověď       Obsah fóra Diskuzní fórum Elektro Bastlírny -> Audiotechnika
Zobrazit předchozí téma :: Zobrazit následující téma  
Autor Zpráva
Toyota



Založen: Nov 27, 2012
Příspěvky: 49
Bydliště: Praha

PříspěvekZaslal: so duben 04 2026, 17:30    Předmět: Onkyo receiver TX 7730 ztrátaa zvuku Citovat

Zdravím fórum,
mohu prosím poprosit o radu ohledně závady na zesilovači. Prvotní projev po zapnutí byl velice tichý zvuk, úplně bez basů a na maximální hlasitost sotva slyšitelný. Potom začalo v přístroji samo cvakat z prostoru výstupu na repro a zvuk zmizel úplně. Po novém zapnutí přístroje při přepínání mezi výstupem A nebo B chvilku přepínání cvaká, ale potom přestane cvakání a zvuk stále nejde. Nejspíš oprava do servisu, ale kdyby byla nějaká možnost zkusit ještě nějaký pokus o oživení?

Děkuji předem za odpověď

Honza
Návrat nahoru
Zobrazit informace o autorovi Odeslat soukromou zprávu
jardafiala



Založen: Jun 20, 2010
Příspěvky: 2623
Bydliště: Česká Lípa

PříspěvekZaslal: so duben 04 2026, 22:19    Předmět: Citovat

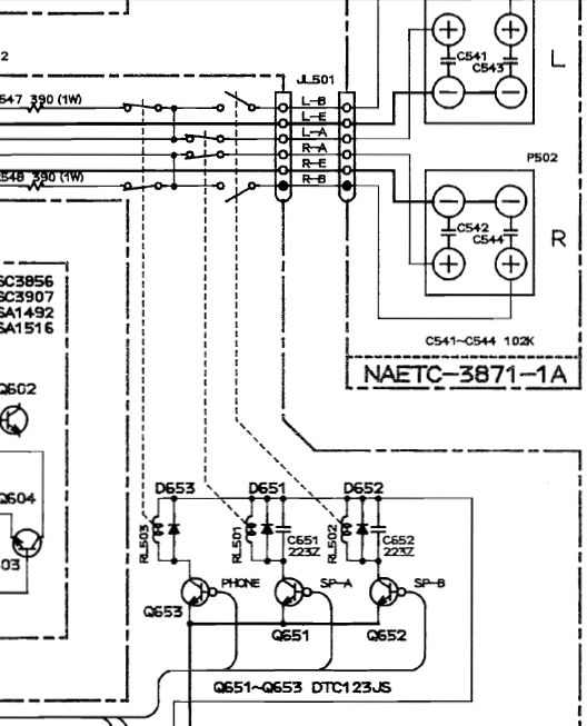
Prověřit měřákem tuto část, hraje to do sluchátek? Pokud není sepnuté A nebo B i když se zvolí je je nejspíš vadný některý z konců. Pokud je sepnuté a zvolený výstup A nebo B nehraje má mizerné kontakty atd... No zkrátka měřit.


relé.jpg
 Komentář:
 Velikost:  70.66 kB
 Zobrazeno:  3 krát

relé.jpg


Návrat nahoru
Zobrazit informace o autorovi Odeslat soukromou zprávu Odeslat e-mail
Zobrazit příspěvky z předchozích:   
Přidat nové téma   Zaslat odpověď       Obsah fóra Diskuzní fórum Elektro Bastlírny -> Audiotechnika Časy uváděny v GMT + 1 hodina
Strana 1 z 1

 
Přejdi na:  
Nemůžete odesílat nové téma do tohoto fóra.
Nemůžete odpovídat na témata v tomto fóru.
Nemůžete upravovat své příspěvky v tomto fóru.
Nemůžete mazat své příspěvky v tomto fóru.
Nemůžete hlasovat v tomto fóru.
Nemůžete připojovat soubory k příspěvkům
Můžete stahovat a prohlížet přiložené soubory

Powered by phpBB © 2001, 2005 phpBB Group
Forums ©
Nuke - Elektro Bastlirna

Informace na portálu Elektro bastlírny jsou prezentovány za účelem vzdělání čtenářů a rozšíření zájmu o elektroniku. Autoři článků na serveru neberou žádnou zodpovědnost za škody vzniklé těmito zapojeními. Rovněž neberou žádnou odpovědnost za případnou újmu na zdraví vzniklou úrazem elektrickým proudem. Autoři a správci těchto stránek nepřejímají záruku za správnost zveřejněných materiálů. Předkládané informace a zapojení jsou zveřejněny bez ohledu na případné patenty třetích osob. Nároky na odškodnění na základě změn, chyb nebo vynechání jsou zásadně vyloučeny. Všechny registrované nebo jiné obchodní známky zde použité jsou majetkem jejich vlastníků. Uvedením nejsou zpochybněna z toho vyplývající vlastnická práva. Použití konstrukcí v rozporu se zákonem je přísně zakázáno. Vzhledem k tomu, že původ předkládaných materiálů nelze žádným způsobem dohledat, nelze je použít pro komerční účely! Tento nekomerční server nemá z uvedených zapojení či konstrukcí žádný zisk. Nezodpovídáme za pravost předkládaných materiálů třetími osobami a jejich původ. V případě, že zjistíte porušení autorského práva či jiné nesrovnalosti, kontaktujte administrátory na diskuzním fóru EB.


PHP-Nuke Copyright © 2005 by Francisco Burzi. This is free software, and you may redistribute it under the GPL. PHP-Nuke comes with absolutely no warranty, for details, see the license.
Čas potřebný ke zpracování stránky 0.18 sekund