Vítejte na Elektro Bastlírn?
Nuke - Elektro Bastlirna
  Vytvořit účet
Hlavní · Fórum · DDump · Profil · Zprávy · Hledat na fóru


Nuke - Elektro Bastlirna: Diskuzní fórum

 FAQFAQ   HledatHledat   Uživatelské skupinyUživatelské skupiny   ProfilProfil   Soukromé zprávySoukromé zprávy   PřihlášeníPřihlášení 

SANSUI R30 napadeno kutilem

 
Přidat nové téma   Zaslat odpověď       Obsah fóra Diskuzní fórum Elektro Bastlírny -> Audiotechnika
Zobrazit předchozí téma :: Zobrazit následující téma  
Autor Zpráva
jardafiala



Založen: Jun 20, 2010
Příspěvky: 2608
Bydliště: Česká Lípa

PříspěvekZaslal: pá březen 27 2026, 14:39    Předmět: SANSUI R30 napadeno kutilem Citovat

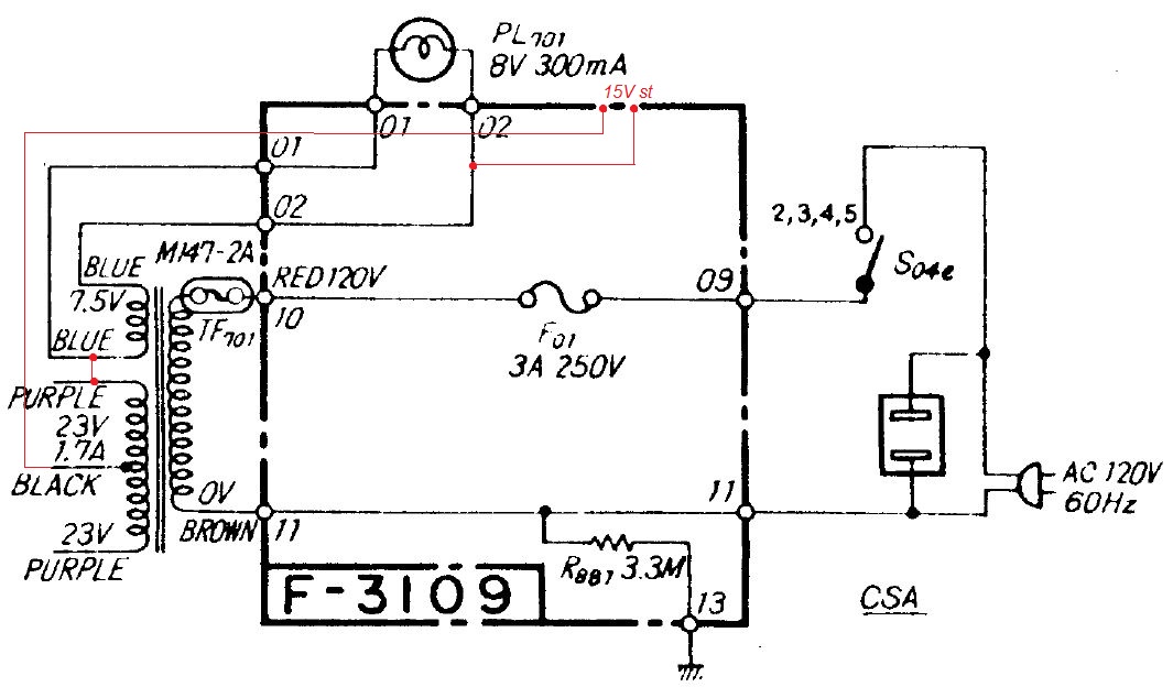
Získal jsem uvedené rádio se zesilovačem v pěkném optickém stavu ale brutálně napadené kutilem. Zrestauroval jsem ho a chci tam přidat ochranu reproduktorů. Pro ni potřebuju 12 - 16Vst, chci to udělat tak jako na přiloženém obrázku, nedělám něco blbě? Pořád pociťuju takovou drobnou nejistotu ale nevím proč, podle všeho by to mělo fungovat. Samozřejmě záleží na zapojení směru vinutí 7,5V abych nedostal 31V.¨Mohl bych tam samozřejmě napatlat další trafíčko ale pokud to půjde takhle....


ochrana.jpg
 Komentář:
 Velikost:  136.23 kB
 Zobrazeno:  18 krát

ochrana.jpg



ochrana 1.jpg
 Komentář:
 Velikost:  85.31 kB
 Zobrazeno:  11 krát

ochrana 1.jpg


Návrat nahoru
Zobrazit informace o autorovi Odeslat soukromou zprávu Odeslat e-mail
masar



Založen: Dec 03, 2005
Příspěvky: 14128

PříspěvekZaslal: pá březen 27 2026, 15:21    Předmět: Citovat

No vzhledem k tomu, že napájení AC ma jednu svorku spojenou s GND, tak to tvoje řešení nepokládám za bezpečné.
No ale teď jsem se podíval do schema - black je naštěstí také GND, jen to musíš respektovat.
Wink
Návrat nahoru
Zobrazit informace o autorovi Odeslat soukromou zprávu Odeslat e-mail
Zobrazit příspěvky z předchozích:   
Přidat nové téma   Zaslat odpověď       Obsah fóra Diskuzní fórum Elektro Bastlírny -> Audiotechnika Časy uváděny v GMT + 1 hodina
Strana 1 z 1

 
Přejdi na:  
Nemůžete odesílat nové téma do tohoto fóra.
Nemůžete odpovídat na témata v tomto fóru.
Nemůžete upravovat své příspěvky v tomto fóru.
Nemůžete mazat své příspěvky v tomto fóru.
Nemůžete hlasovat v tomto fóru.
Nemůžete připojovat soubory k příspěvkům
Můžete stahovat a prohlížet přiložené soubory

Powered by phpBB © 2001, 2005 phpBB Group
Forums ©
Nuke - Elektro Bastlirna

Informace na portálu Elektro bastlírny jsou prezentovány za účelem vzdělání čtenářů a rozšíření zájmu o elektroniku. Autoři článků na serveru neberou žádnou zodpovědnost za škody vzniklé těmito zapojeními. Rovněž neberou žádnou odpovědnost za případnou újmu na zdraví vzniklou úrazem elektrickým proudem. Autoři a správci těchto stránek nepřejímají záruku za správnost zveřejněných materiálů. Předkládané informace a zapojení jsou zveřejněny bez ohledu na případné patenty třetích osob. Nároky na odškodnění na základě změn, chyb nebo vynechání jsou zásadně vyloučeny. Všechny registrované nebo jiné obchodní známky zde použité jsou majetkem jejich vlastníků. Uvedením nejsou zpochybněna z toho vyplývající vlastnická práva. Použití konstrukcí v rozporu se zákonem je přísně zakázáno. Vzhledem k tomu, že původ předkládaných materiálů nelze žádným způsobem dohledat, nelze je použít pro komerční účely! Tento nekomerční server nemá z uvedených zapojení či konstrukcí žádný zisk. Nezodpovídáme za pravost předkládaných materiálů třetími osobami a jejich původ. V případě, že zjistíte porušení autorského práva či jiné nesrovnalosti, kontaktujte administrátory na diskuzním fóru EB.


PHP-Nuke Copyright © 2005 by Francisco Burzi. This is free software, and you may redistribute it under the GPL. PHP-Nuke comes with absolutely no warranty, for details, see the license.
Čas potřebný ke zpracování stránky 0.13 sekund