Vítejte na Elektro Bastlírn?
Nuke - Elektro Bastlirna
  Vytvořit účet
Hlavní · Fórum · DDump · Profil · Zprávy · Hledat na fóru


Nuke - Elektro Bastlirna: Diskuzní fórum

 FAQFAQ   HledatHledat   Uživatelské skupinyUživatelské skupiny   ProfilProfil   Soukromé zprávySoukromé zprávy   PřihlášeníPřihlášení 

Doska Protherm Lev v.18

 
Přidat nové téma   Zaslat odpověď       Obsah fóra Diskuzní fórum Elektro Bastlírny -> Bílá technika
Zobrazit předchozí téma :: Zobrazit následující téma  
Autor Zpráva
rnbw



Založen: Mar 21, 2006
Příspěvky: 37500
Bydliště: Bratislava

PříspěvekZaslal: so březen 21 2026, 20:12    Předmět: Doska Protherm Lev v.18 Citovat

Dostala sa mi do ruk odlozena doska s oznacenim "0020028434" na nalepke. Vlozena v obale s oznacenim "0020037669" - Doska ovladacia Lev v.18. Pravdepodobne vybrata z kotla a vlozena v obale od novej - takze budu asi zamenne (na fotkach vyzeraju identicky).

Nevidim ziadny problem - elyty a poistky OK, nic spalene. Pripojit 230V som zatial neskusal. Nic viac sa asi vyskusat bez kotla neda, ze?

Vyskytoval sa tam nejaky typicky problem?



protherm_0020037669_1.jpg
 Komentář:
 Velikost:  276.53 kB
 Zobrazeno:  50 krát

protherm_0020037669_1.jpg



protherm_0020037669_2.jpg
 Komentář:
 Velikost:  41.98 kB
 Zobrazeno:  15 krát

protherm_0020037669_2.jpg


Návrat nahoru
Zobrazit informace o autorovi Odeslat soukromou zprávu
workhard



Založen: Jul 07, 2006
Příspěvky: 5540
Bydliště: Plzeň

PříspěvekZaslal: so březen 21 2026, 21:51    Předmět: Citovat

No ty se musíš hodně nudit Smile


kottel.jpeg
 Komentář:
kotlik
 Velikost:  97.33 kB
 Zobrazeno:  56 krát

kottel.jpeg



_________________
Věci,které fungují,se ZÁSADNĚ neopravují...
Návrat nahoru
Zobrazit informace o autorovi Odeslat soukromou zprávu
mi-ro



Založen: Feb 08, 2005
Příspěvky: 8782
Bydliště: rovina u Kolína

PříspěvekZaslal: ne březen 22 2026, 8:18    Předmět: Citovat

U podobných modulů můžeš "na stole" jen připojit napájení a prověřit funci zrdoje. Právě tam bývá často problém. Pokud jsou výstupní napětí OK (5V pro systém, 12V pro relátka-může se lišit) tak s tím už dál stejně nic moc neuděláš.
_________________
..to bude jen ňákej odpůrek
Návrat nahoru
Zobrazit informace o autorovi Odeslat soukromou zprávu Odeslat e-mail
kaja4



Založen: Sep 28, 2008
Příspěvky: 482
Bydliště: kraj olomoucký

PříspěvekZaslal: ne březen 22 2026, 8:22    Předmět: Citovat

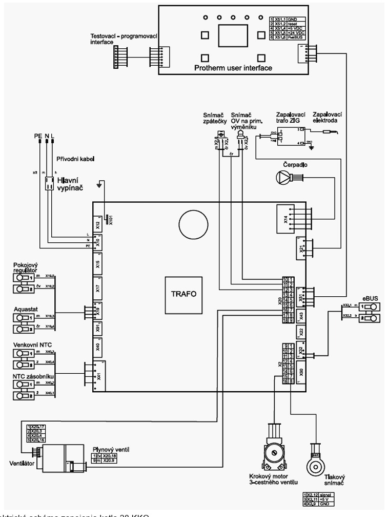
pokud chceš zjistit,co vykazuje za chybu,musíš DPS na stole kompletně zapojit dle schema kotle
Návrat nahoru
Zobrazit informace o autorovi Odeslat soukromou zprávu
Zobrazit příspěvky z předchozích:   
Přidat nové téma   Zaslat odpověď       Obsah fóra Diskuzní fórum Elektro Bastlírny -> Bílá technika Časy uváděny v GMT + 1 hodina
Strana 1 z 1

 
Přejdi na:  
Nemůžete odesílat nové téma do tohoto fóra.
Nemůžete odpovídat na témata v tomto fóru.
Nemůžete upravovat své příspěvky v tomto fóru.
Nemůžete mazat své příspěvky v tomto fóru.
Nemůžete hlasovat v tomto fóru.
Nemůžete připojovat soubory k příspěvkům
Můžete stahovat a prohlížet přiložené soubory

Powered by phpBB © 2001, 2005 phpBB Group
Forums ©
Nuke - Elektro Bastlirna

Informace na portálu Elektro bastlírny jsou prezentovány za účelem vzdělání čtenářů a rozšíření zájmu o elektroniku. Autoři článků na serveru neberou žádnou zodpovědnost za škody vzniklé těmito zapojeními. Rovněž neberou žádnou odpovědnost za případnou újmu na zdraví vzniklou úrazem elektrickým proudem. Autoři a správci těchto stránek nepřejímají záruku za správnost zveřejněných materiálů. Předkládané informace a zapojení jsou zveřejněny bez ohledu na případné patenty třetích osob. Nároky na odškodnění na základě změn, chyb nebo vynechání jsou zásadně vyloučeny. Všechny registrované nebo jiné obchodní známky zde použité jsou majetkem jejich vlastníků. Uvedením nejsou zpochybněna z toho vyplývající vlastnická práva. Použití konstrukcí v rozporu se zákonem je přísně zakázáno. Vzhledem k tomu, že původ předkládaných materiálů nelze žádným způsobem dohledat, nelze je použít pro komerční účely! Tento nekomerční server nemá z uvedených zapojení či konstrukcí žádný zisk. Nezodpovídáme za pravost předkládaných materiálů třetími osobami a jejich původ. V případě, že zjistíte porušení autorského práva či jiné nesrovnalosti, kontaktujte administrátory na diskuzním fóru EB.


PHP-Nuke Copyright © 2005 by Francisco Burzi. This is free software, and you may redistribute it under the GPL. PHP-Nuke comes with absolutely no warranty, for details, see the license.
Čas potřebný ke zpracování stránky 0.43 sekund