Vítejte na Elektro Bastlírn?
Nuke - Elektro Bastlirna
  Vytvořit účet
Hlavní · Fórum · DDump · Profil · Zprávy · Hledat na fóru


Nuke - Elektro Bastlirna: Diskuzní fórum

 FAQFAQ   HledatHledat   Uživatelské skupinyUživatelské skupiny   ProfilProfil   Soukromé zprávySoukromé zprávy   PřihlášeníPřihlášení 

Osciloskop C1-94 VN zdroj (vyřešeno)

 
Přidat nové téma   Zaslat odpověď       Obsah fóra Diskuzní fórum Elektro Bastlírny -> Měřící přístroje, detektory fyzikálních veličin
Zobrazit předchozí téma :: Zobrazit následující téma  
Autor Zpráva
kulikus



Založen: Dec 10, 2009
Příspěvky: 3301

PříspěvekZaslal: st březen 11 2026, 1:26    Předmět: Osciloskop C1-94 VN zdroj (vyřešeno) Citovat

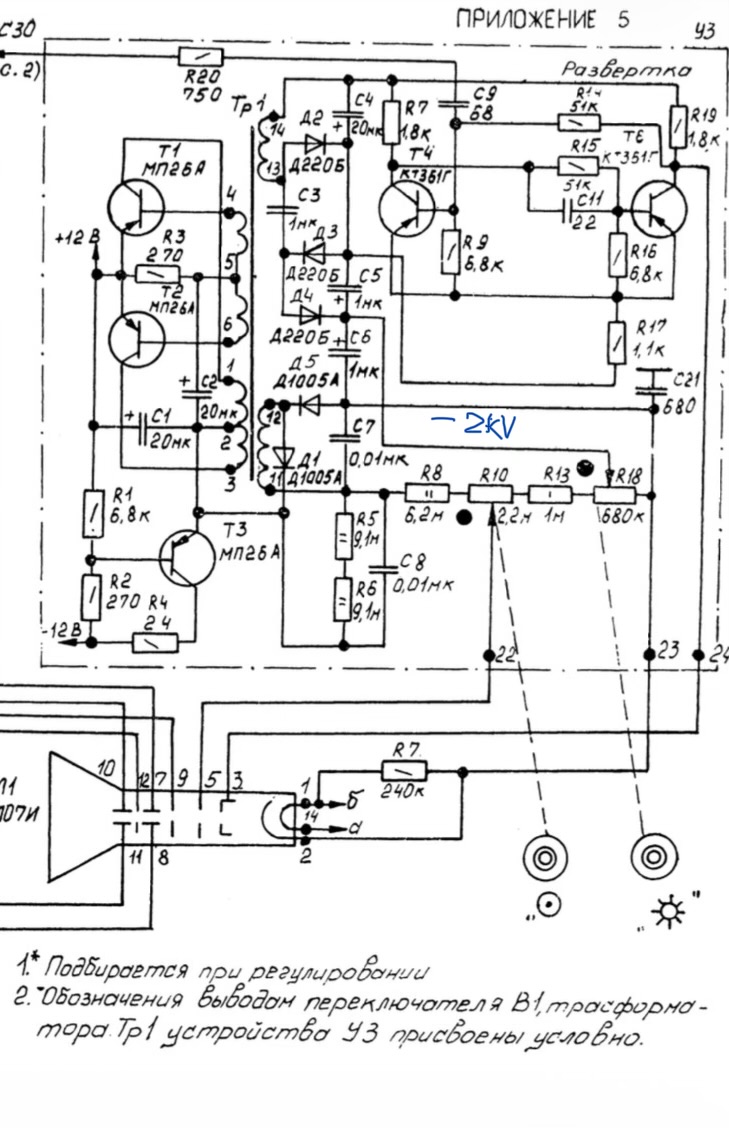
T1,T2 tvoří push-pull oscilátor, vinutí 11-12 je vysoké napětí pro katodu obrazovky, vinutí 13-14 je pro jas, T4 a T6 řídí rozsvěcení paprsku po záporném synchronizačním pulsu přes C9.
K čemu je ve VN zdroji osciloskopu tranzistor T3?



IMG_5293.jpeg
 Komentář:
Zdroj VN napětí osciloskopu C1-94
 Velikost:  190.71 kB
 Zobrazeno:  184 krát

IMG_5293.jpeg



_________________
pro mládež a lektory - Hamíkův koutek


Naposledy upravil kulikus dne so březen 14 2026, 21:24, celkově upraveno 1 krát.
Návrat nahoru
Zobrazit informace o autorovi Odeslat soukromou zprávu Zobrazit autorovy WWW stránky
Michal22



Založen: Mar 28, 2012
Příspěvky: 8270
Bydliště: Brno

PříspěvekZaslal: st březen 11 2026, 8:56    Předmět: Citovat

Jako na první pohled by vypadal na zdroj proudu.
_________________
Civilizace založená na oboustranné lepící pásce nemůže dobře skončit...
I kdyby se z tebe jednou stal král, neodsuzuj lidi, kteří ti nebudou provolávat slávu- raději se zeptej sám sebe, proč tomu tak není...
Návrat nahoru
Zobrazit informace o autorovi Odeslat soukromou zprávu Odeslat e-mail
ondraN



Založen: Aug 16, 2022
Příspěvky: 932
Bydliště: Roztoky

PříspěvekZaslal: st březen 11 2026, 9:30    Předmět: Citovat

oscilátor s T1,2 je napájený zdrojem konstantního proudu který tvoří právě T3.
Návrat nahoru
Zobrazit informace o autorovi Odeslat soukromou zprávu Odeslat e-mail
Ivan_Ryger



Založen: Mar 02, 2005
Příspěvky: 1350
Bydliště: Jára Cimrman- "Uppsala, Uppsala,... tam jsem taky nebyl"

PříspěvekZaslal: st březen 11 2026, 10:49    Předmět: Citovat

Zdroj prudu by mal emitor na opacnu stranu. Toto vyzera ako napatovy zdroj, ktory znizuje napatie menica a robi dodatocne predpatie pre obrazovku (katodu?). ak sa dobre pamatam, tak tento osciloskop ma umelo robeny stred napajania malym nizkovykonovym tranzistorom, ktory nemoze byt zatazeny plnym odberom od menica.
Návrat nahoru
Zobrazit informace o autorovi Odeslat soukromou zprávu Odeslat e-mail
kulikus



Založen: Dec 10, 2009
Příspěvky: 3301

PříspěvekZaslal: st březen 11 2026, 13:14    Předmět: Citovat

Báze T3 je napájená z děliče 24V-> 0,916V.
Kdyby tam nebyl R4, tak je to emitorový sledovač, který by na emitoru držel -10,4V. Ale s R4 ?

_________________
pro mládež a lektory - Hamíkův koutek
Návrat nahoru
Zobrazit informace o autorovi Odeslat soukromou zprávu Zobrazit autorovy WWW stránky
JirkaZ



Založen: Feb 26, 2021
Příspěvky: 3771

PříspěvekZaslal: st březen 11 2026, 16:20    Předmět: Citovat

R4 pravděpodobně funguje jako proudové omezení. Každopádně zapojení T3 jako takové je emitorový sledovač, což je zdroj napětí.
_________________
Kdo chce, hledá způsob;
kdo ne - hledá důvod.

Ze dvou možností často volím tu třetí.
Návrat nahoru
Zobrazit informace o autorovi Odeslat soukromou zprávu
masar



Založen: Dec 03, 2005
Příspěvky: 14287

PříspěvekZaslal: čt březen 12 2026, 10:21    Předmět: Citovat

Myslím, že T3 pracuje jako stabilizátor výstupních napětí měniče, když porovnává napětí na emitoru s napětím děliče v bázi a tím reguluje napájecí proud měniče. R4 je omezovač maximálního proudu pro měnič.
Wink
Návrat nahoru
Zobrazit informace o autorovi Odeslat soukromou zprávu Odeslat e-mail
JirkaZ



Založen: Feb 26, 2021
Příspěvky: 3771

PříspěvekZaslal: čt březen 12 2026, 15:10    Předmět: Citovat

T3 vůbec nemá vazbu na výstupní napětí měniče (v tom smyslu, že by je nějak snímal).

Na svém emitoru (ve funkci emitorového sledovače) zajišťuje cosi jako napěťově definovaný bod, jehož potenciálem je podložený celý sekundární obvod VN.

Vzhledem k nízké impedanci emitoru se nějaký vliv proudů z VN části podle mě vůbec neuplatňuje.

Prostě T3 funguje jako zdroj pevného napětí.

Nicméně opravdu nejsem neomylný, třeba mě někdo přesvědčí o opaku.

_________________
Kdo chce, hledá způsob;
kdo ne - hledá důvod.

Ze dvou možností často volím tu třetí.
Návrat nahoru
Zobrazit informace o autorovi Odeslat soukromou zprávu
masar



Založen: Dec 03, 2005
Příspěvky: 14287

PříspěvekZaslal: čt březen 12 2026, 15:51    Předmět: Citovat

Dávám ti za pravdu. Nechal jsem se svést tím prvním pohledem na schema.
V manuálu je tranzistor T3 popsán jako emitorový sledovač s funkcí zmenšení vlivu měniče na ostatní napájecí obvody.
Wink
Návrat nahoru
Zobrazit informace o autorovi Odeslat soukromou zprávu Odeslat e-mail
Ivan_Ryger



Založen: Mar 02, 2005
Příspěvky: 1350
Bydliště: Jára Cimrman- "Uppsala, Uppsala,... tam jsem taky nebyl"

PříspěvekZaslal: pá březen 13 2026, 12:00    Předmět: Citovat

V tom pripade to dava perfektny zmysel. Zo strany zdroja sa chova tento emitorovy sledovac ako bod s vysokou impedanciou, zatialco pre napajanie menica poskytuje napatie definovane tym odporovym delicom, takze vykyvy napatia na menici v dosledku kolisania prudoveho odberu sa neprejavia, co by bolo opakom, ak by bol pouzity iba seriovy odpor miesto tranzistora.
Návrat nahoru
Zobrazit informace o autorovi Odeslat soukromou zprávu Odeslat e-mail
kulikus



Založen: Dec 10, 2009
Příspěvky: 3301

PříspěvekZaslal: so březen 14 2026, 21:09    Předmět: Citovat

JirkaZ napsal(a):
Na svém emitoru (ve funkci emitorového sledovače) zajišťuje cosi jako napěťově definovaný bod, jehož potenciálem je podložený celý sekundární obvod VN.
Prostě T3 funguje jako zdroj pevného napětí.

Tak jsem si to uhasnil. Je to tak. R4 jen snižuje výkonovou ztrátu na samotném T3 (emitorovém sledovači).

_________________
pro mládež a lektory - Hamíkův koutek
Návrat nahoru
Zobrazit informace o autorovi Odeslat soukromou zprávu Zobrazit autorovy WWW stránky
Zobrazit příspěvky z předchozích:   
Přidat nové téma   Zaslat odpověď       Obsah fóra Diskuzní fórum Elektro Bastlírny -> Měřící přístroje, detektory fyzikálních veličin Časy uváděny v GMT + 1 hodina
Strana 1 z 1

 
Přejdi na:  
Nemůžete odesílat nové téma do tohoto fóra.
Nemůžete odpovídat na témata v tomto fóru.
Nemůžete upravovat své příspěvky v tomto fóru.
Nemůžete mazat své příspěvky v tomto fóru.
Nemůžete hlasovat v tomto fóru.
Nemůžete připojovat soubory k příspěvkům
Můžete stahovat a prohlížet přiložené soubory

Powered by phpBB © 2001, 2005 phpBB Group
Forums ©
Nuke - Elektro Bastlirna

Informace na portálu Elektro bastlírny jsou prezentovány za účelem vzdělání čtenářů a rozšíření zájmu o elektroniku. Autoři článků na serveru neberou žádnou zodpovědnost za škody vzniklé těmito zapojeními. Rovněž neberou žádnou odpovědnost za případnou újmu na zdraví vzniklou úrazem elektrickým proudem. Autoři a správci těchto stránek nepřejímají záruku za správnost zveřejněných materiálů. Předkládané informace a zapojení jsou zveřejněny bez ohledu na případné patenty třetích osob. Nároky na odškodnění na základě změn, chyb nebo vynechání jsou zásadně vyloučeny. Všechny registrované nebo jiné obchodní známky zde použité jsou majetkem jejich vlastníků. Uvedením nejsou zpochybněna z toho vyplývající vlastnická práva. Použití konstrukcí v rozporu se zákonem je přísně zakázáno. Vzhledem k tomu, že původ předkládaných materiálů nelze žádným způsobem dohledat, nelze je použít pro komerční účely! Tento nekomerční server nemá z uvedených zapojení či konstrukcí žádný zisk. Nezodpovídáme za pravost předkládaných materiálů třetími osobami a jejich původ. V případě, že zjistíte porušení autorského práva či jiné nesrovnalosti, kontaktujte administrátory na diskuzním fóru EB.


PHP-Nuke Copyright © 2005 by Francisco Burzi. This is free software, and you may redistribute it under the GPL. PHP-Nuke comes with absolutely no warranty, for details, see the license.
Čas potřebný ke zpracování stránky 0.15 sekund