Vítejte na Elektro Bastlírn?
Nuke - Elektro Bastlirna
  Vytvořit účet
Hlavní · Fórum · DDump · Profil · Zprávy · Hledat na fóru


Nuke - Elektro Bastlirna: Diskuzní fórum

 FAQFAQ   HledatHledat   Uživatelské skupinyUživatelské skupiny   ProfilProfil   Soukromé zprávySoukromé zprávy   PřihlášeníPřihlášení 

Koncový zesilovač SONY, najdi rozdíl

 
Přidat nové téma   Zaslat odpověď       Obsah fóra Diskuzní fórum Elektro Bastlírny -> Audiotechnika
Zobrazit předchozí téma :: Zobrazit následující téma  
Autor Zpráva
jardafiala



Založen: Jun 20, 2010
Příspěvky: 2678
Bydliště: Česká Lípa

PříspěvekZaslal: pá leden 30 2026, 12:51    Předmět: Koncový zesilovač SONY, najdi rozdíl Citovat

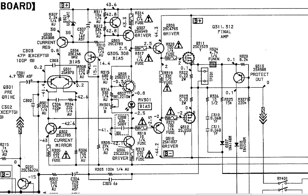
Zdar, už delší dobu se mi tu, mimo jiné resty, válí SONY s FETy na konci. Po různých experimentech (i náhrada vadných v mrtvé půlce těmi z živé, to jediné fungovalo) kdy jsem (neúspěšně) vyzkoušel různé koupené, bych chtěl vyzkoušet v konci bipoláry, brání tomu něco co nevidím? Viz přílohy - původní konec, úprava kterou chci vyzkoušet, a konec z jiného SONY zesilovače. Nebo mám ještě vyzkoušet lákavou nabídku zde https://www.aliexpress.com/item/1005006878950879.html ? Zkoušel jsem i dražší koupené ....


01 SONY FET konec.jpg
 Komentář:
 Velikost:  164.17 kB
 Zobrazeno:  96 krát

01 SONY FET konec.jpg



01 SONY FET konec BIPOLAR.jpg
 Komentář:
 Velikost:  247.6 kB
 Zobrazeno:  91 krát

01 SONY FET konec BIPOLAR.jpg



03 SONY neFET konec.jpg
 Komentář:
 Velikost:  78.69 kB
 Zobrazeno:  63 krát

03 SONY neFET konec.jpg


Návrat nahoru
Zobrazit informace o autorovi Odeslat soukromou zprávu Odeslat e-mail
masar



Založen: Dec 03, 2005
Příspěvky: 14225

PříspěvekZaslal: pá leden 30 2026, 16:09    Předmět: Citovat

Různé úpravy zapojení považuji až za poslední krok, když výměnu za jiné mosfety nelze provést. Nepíšeš, v čem spočíval "neúspěch" při náhradách za jiné typy mosfetů (a za jaké).
Předložené návrhy jsou teoreticky možné, ale ověřit to musíš sám. A dělat si kvůli tomu z opravovaného stroje "pokusného králíka" se nemusí vyplatit.
Wink
Návrat nahoru
Zobrazit informace o autorovi Odeslat soukromou zprávu Odeslat e-mail
jardafiala



Založen: Jun 20, 2010
Příspěvky: 2678
Bydliště: Česká Lípa

PříspěvekZaslal: pá leden 30 2026, 22:36    Předmět: Citovat

Zdar, ono už to leží delší dobu, problém je, (viz debatu na Diy a podobných) že tyto tranzistory přestali vyrábět a jsou nedostupné a podle diskusí bez náhrady(?), jen fejky z číny .
Věnoval jsem spoustu času na forech a nedostal jednoznačnou odpověď, co s tím. V 90% vyhraju nad technikou ale tady jsem ztroskotal, proto jsem dal schema SONY bez a s FET tranzistory.
Takže můj dotaz trvá, je nějaký rozdíl v zapojení mezi zapojeními která jsem přidal k porovnání (oba jsou konce SONY), já to nevidím. Zdá, že SONY, používá systém ctrvC a ctrlV co se konců týká.
Rekce žádná, zkusím, nahradím, změřím a dám vědět jak to dopadlo. Bude to chvilku trvat, mám toho pořád moc, je možné že v důchodu je tak málo času...?
Návrat nahoru
Zobrazit informace o autorovi Odeslat soukromou zprávu Odeslat e-mail
feliz_navidad



Založen: Oct 15, 2009
Příspěvky: 973

PříspěvekZaslal: pá leden 30 2026, 22:57    Předmět: Citovat

Pokud nemáš originál FETy, tak bych to s bipoláry zkusil. Počítej s tím, že zřejmě budeš muset upravit kompenzace. Base-stoppery prohoď, R303 nech 100k. Diodu v předpětí vyhoď, jak máš namalováno. Budeš muset zvýšit hodnotu R315 jinak nenastavíš klidový proud konců (cca 20-30mA).
Návrat nahoru
Zobrazit informace o autorovi Odeslat soukromou zprávu
jardafiala



Založen: Jun 20, 2010
Příspěvky: 2678
Bydliště: Česká Lípa

PříspěvekZaslal: pá leden 30 2026, 23:53    Předmět: Citovat

Jo, R315 a okolí zvládnu. Možná trochu mino téma, jak je to s nastavením klidového proudu? Patlám občas zesilovače, samozřejmě najdu v manuálu předpis pro klidový proud, nastavím, připojím zátěž, vyzkouším a zkontroluju na osciloskopu. A teď, předepsáno je (příklad)50mA, zkusím dát 25mA, měřím výstup do repro a NEVIDÍM při signálu 50mV šš žádné přechodové zkreslení. Není předepsaný klidový proud zbytečně velký? Takže dotaz, je k tomu vyššímu klidovému proudu nějaký důvod o které nevím?
Návrat nahoru
Zobrazit informace o autorovi Odeslat soukromou zprávu Odeslat e-mail
ransom



Založen: Jul 19, 2020
Příspěvky: 4005
Bydliště: Náchod

PříspěvekZaslal: so leden 31 2026, 8:17    Předmět: Citovat

Za jedno: Velikost souvisí aj s teplotní stabilizací kliďáku. Při negativním gradientu a větší teplotě chladiče by malej kliďák mohl úplně zmizet. Nastavuje se ale zase dostatečně malý na to, aby nerostl lavinovitě v okamžiku kdy jsou čipy koncových tranzistorů mnohem teplejší než chladič. Teplota se snímá na chladiči, někdy na pouzdrech tranzistorů, ale ne na čipu. Když pominu speciální tranzistory Thermaltrak.
Za druhý: Kliďák v principu neodstraní přechodové zkreslení úplně, ale posune ho nad a pod průchod nulou. Je potřeba posunout ho do oblasti, kde se s ním nejlíp popere stabilita zesilovače s zpětná vazba (a kde je užitečný signál proti produktům zkreslení dostatečně silný).
Vycházej z toho, že konstruktér měl dobrej důvod proč doporučuje tolik a tolik.

_________________
Nepoužívám smajlíky. Pobavený nebo ironický tón si laskavě domyslete sami.
Návrat nahoru
Zobrazit informace o autorovi Odeslat soukromou zprávu
masar



Založen: Dec 03, 2005
Příspěvky: 14225

PříspěvekZaslal: so leden 31 2026, 8:47    Předmět: Citovat

jardafiala napsal(a):
...A teď, předepsáno je (příklad)50mA, zkusím dát 25mA, měřím výstup do repro a NEVIDÍM při signálu 50mV šš žádné přechodové zkreslení...
Přechodové zkreslení můžeš na osciloskopu vidět pouze u samotných koncových stupňů bez ss zp. vazby na vstupní a budící (rozkmitový) stupeň. Vždyť zesilovače typu Transiwatt mají nulový klidový proud a přechodové zkreslení tam také neuvidíš. Podmínkou je dostatečné zesílení při otevřené smyčce z.v.
Wink
Návrat nahoru
Zobrazit informace o autorovi Odeslat soukromou zprávu Odeslat e-mail
feliz_navidad



Založen: Oct 15, 2009
Příspěvky: 973

PříspěvekZaslal: so leden 31 2026, 10:19    Předmět: Citovat

jardafiala napsal(a):
A teď, předepsáno je (příklad)50mA, zkusím dát 25mA, měřím výstup do repro a NEVIDÍM při signálu 50mV šš žádné přechodové zkreslení. Není předepsaný klidový proud zbytečně velký? Takže dotaz, je k tomu vyššímu klidovému proudu nějaký důvod o které nevím?


A co by jsi tam taky chtěl vidět, když při 50mVšš a klidovém proudu 25mA je koncový stupeň pořád ve řídě A? Very Happy

Obecně - klidový proud má určitou optimální velikost, která je mimo jiné daná i velikostí emitorového odporu a je to téměř vždy kompromis mezi zkreslením, teplotní stabilitou a klidovou ztrátou.

Na osciloskopu při vhodném nastavení uvidíš zkreslení až od vyšších desetin %, menší hodnoty nemáš šanci vidět. Musíš také měřit v podmínkách, kdy skutečně klesá proud koncových tranzistorů na nulu a zároveň na vyšších frekvencích, kdy to zpětná vazba už nedokáže kompenzovat.

masar napsal(a):
Přechodové zkreslení můžeš na osciloskopu vidět pouze u samotných koncových stupňů bez ss zp. vazby na vstupní a budící (rozkmitový) stupeň. Vždyť zesilovače typu Transiwatt mají nulový klidový proud a přechodové zkreslení tam také neuvidíš. Podmínkou je dostatečné zesílení při otevřené smyčce z.v.
Wink


Transiwatt kreslí jak prase a na osciloskopu to vidět je.
Návrat nahoru
Zobrazit informace o autorovi Odeslat soukromou zprávu
VASEK_W



Založen: Dec 11, 2017
Příspěvky: 1026
Bydliště: Pelhřimov

PříspěvekZaslal: so leden 31 2026, 22:31    Předmět: Citovat

Je třeba nastavit generátor na více jak 10kHz, a napětí na výstupu více jak 4-5V šš, výstup zatížit nějakým rezistorem. Nemusí to být nutně 4ohmy, stačí nižší desítky ohmů.
Klidně si to Jardo vyzkoušej, jestli něco uvidíš při těch vyšších frekvencích. Při menších "f" to moc dobře vidět není, jak již zaznělo výše.
Já to zkreslení doma při velmi mrňavých klidových proudech běžně vidím.

Vašek
Návrat nahoru
Zobrazit informace o autorovi Odeslat soukromou zprávu
Zobrazit příspěvky z předchozích:   
Přidat nové téma   Zaslat odpověď       Obsah fóra Diskuzní fórum Elektro Bastlírny -> Audiotechnika Časy uváděny v GMT + 1 hodina
Strana 1 z 1

 
Přejdi na:  
Nemůžete odesílat nové téma do tohoto fóra.
Nemůžete odpovídat na témata v tomto fóru.
Nemůžete upravovat své příspěvky v tomto fóru.
Nemůžete mazat své příspěvky v tomto fóru.
Nemůžete hlasovat v tomto fóru.
Nemůžete připojovat soubory k příspěvkům
Můžete stahovat a prohlížet přiložené soubory

Powered by phpBB © 2001, 2005 phpBB Group
Forums ©
Nuke - Elektro Bastlirna

Informace na portálu Elektro bastlírny jsou prezentovány za účelem vzdělání čtenářů a rozšíření zájmu o elektroniku. Autoři článků na serveru neberou žádnou zodpovědnost za škody vzniklé těmito zapojeními. Rovněž neberou žádnou odpovědnost za případnou újmu na zdraví vzniklou úrazem elektrickým proudem. Autoři a správci těchto stránek nepřejímají záruku za správnost zveřejněných materiálů. Předkládané informace a zapojení jsou zveřejněny bez ohledu na případné patenty třetích osob. Nároky na odškodnění na základě změn, chyb nebo vynechání jsou zásadně vyloučeny. Všechny registrované nebo jiné obchodní známky zde použité jsou majetkem jejich vlastníků. Uvedením nejsou zpochybněna z toho vyplývající vlastnická práva. Použití konstrukcí v rozporu se zákonem je přísně zakázáno. Vzhledem k tomu, že původ předkládaných materiálů nelze žádným způsobem dohledat, nelze je použít pro komerční účely! Tento nekomerční server nemá z uvedených zapojení či konstrukcí žádný zisk. Nezodpovídáme za pravost předkládaných materiálů třetími osobami a jejich původ. V případě, že zjistíte porušení autorského práva či jiné nesrovnalosti, kontaktujte administrátory na diskuzním fóru EB.


PHP-Nuke Copyright © 2005 by Francisco Burzi. This is free software, and you may redistribute it under the GPL. PHP-Nuke comes with absolutely no warranty, for details, see the license.
Čas potřebný ke zpracování stránky 0.22 sekund