Vítejte na Elektro Bastlírn?
Nuke - Elektro Bastlirna
  Vytvořit účet
Hlavní · Fórum · DDump · Profil · Zprávy · Hledat na fóru


Nuke - Elektro Bastlirna: Diskuzní fórum

 FAQFAQ   HledatHledat   Uživatelské skupinyUživatelské skupiny   ProfilProfil   Soukromé zprávySoukromé zprávy   PřihlášeníPřihlášení 

Displeje (za odvoz)

 
Přidat nové téma   Zaslat odpověď       Obsah fóra Diskuzní fórum Elektro Bastlírny -> Nabídka přístrojů, součástek a náhradních dílů
Zobrazit předchozí téma :: Zobrazit následující téma  
Autor Zpráva
Lancer



Založen: Nov 21, 2019
Příspěvky: 63
Bydliště: Strašnice, nebo Brnky

PříspěvekZaslal: st prosinec 31 2025, 23:15    Předmět: Displeje (za odvoz) Citovat

Měl by někdo zájem o tyto displeje? Mě jsou k ničemu, ani je neumím zprovoznit, třeba se najde někdo, kdo by to zvládl a použil by to pro své bastlprojekty. K dispozici by bylo větší množství. Jinak to vyhodim.


Displeje.jpg
 Komentář:
Displeje
 Velikost:  251.97 kB
 Zobrazeno:  92 krát

Displeje.jpg


Návrat nahoru
Zobrazit informace o autorovi Odeslat soukromou zprávu
lesana87



Založen: Sep 20, 2014
Příspěvky: 4333

PříspěvekZaslal: st prosinec 31 2025, 23:43    Předmět: Citovat

Interneti říkají, že je to 320x240. Mohl bys, prosím, napsat typy těch šesti velkých integráčů na tom displeji bez flusanců? Ten sedmý středně velký bude nejspíš SRAM.
Návrat nahoru
Zobrazit informace o autorovi Odeslat soukromou zprávu
Kvicala_r



Založen: Jan 19, 2005
Příspěvky: 3550
Bydliště: Haná / N.J.

PříspěvekZaslal: st prosinec 31 2025, 23:45    Předmět: Citovat

Měl bych o ně zájem. Na pozdější hraní, pokud bys jich měli víc - uvítám. Díky!
Návrat nahoru
Zobrazit informace o autorovi Odeslat soukromou zprávu
lesana87



Založen: Sep 20, 2014
Příspěvky: 4333

PříspěvekZaslal: st prosinec 31 2025, 23:46    Předmět: Citovat

OK, už nemusíš. Smile
Návrat nahoru
Zobrazit informace o autorovi Odeslat soukromou zprávu
Kvicala_r



Založen: Jan 19, 2005
Příspěvky: 3550
Bydliště: Haná / N.J.

PříspěvekZaslal: st prosinec 31 2025, 23:53    Předmět: Citovat

Lesano, jestli je to skrze můj projevený zájem, tak já bych byl rád za stejné typy... Pokud se takové (ty s flusanci) ve více kusech vyskytují...
Návrat nahoru
Zobrazit informace o autorovi Odeslat soukromou zprávu
lesana87



Založen: Sep 20, 2014
Příspěvky: 4333

PříspěvekZaslal: st prosinec 31 2025, 23:58    Předmět: Citovat

Nejspíš budou kompatibilní, tak by se dalo z typů těch IO zjistit, jak se ten displej ovládá.
Návrat nahoru
Zobrazit informace o autorovi Odeslat soukromou zprávu
samec



Založen: Dec 19, 2017
Příspěvky: 6419

PříspěvekZaslal: čt leden 01 2026, 0:01    Předmět: Citovat

Lancer napsal(a):
...větší množství. Jinak to vyhodim.
ROFL

https://www.youtube.com/watch?v=rACfIe5zbwM
Čo všetko ľudia vyhadzujú... Já nic, já muzikant

OK, beriem všetky. Hockey
https://www.aliexpress.com/w/wholesale-EW24DA3FLY.html

Alebo kašlem na to,
https://www.youtube.com/watch?v=jMsAjv3if5A
...aj displeje narveme do popelnic!
Na maltu

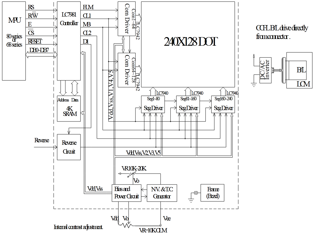
citace:
The LCM has built-in a LC7981 LSI Controller, it stores display data sent from the 8 bit microcomputer in the display RAM attached externally and generates dot matrix LC drive signal. The LC7981 has two modes-the graphic mode, in which each bit of data from the external RAM either lights or doesn’t light a dot in the LCD, and the character mode in which character codes stored in the external RAM generate dot patterns through the built-in character-generator ROM (CGROM)



displej.png
 Komentář:
 Velikost:  138.57 kB
 Zobrazeno:  39 krát

displej.png


Návrat nahoru
Zobrazit informace o autorovi Odeslat soukromou zprávu
Lancer



Založen: Nov 21, 2019
Příspěvky: 63
Bydliště: Strašnice, nebo Brnky

PříspěvekZaslal: čt leden 01 2026, 0:20    Předmět: Citovat

Kvicala_r napsal(a):
Měl bych o ně zájem. Na pozdější hraní, pokud bys jich měli víc - uvítám. Díky!


Napiš mi SZ, podívám se, kde se mi něco válí, při včerejším Silvestrovskym úklidu jsem našel toho a vím, že někde jsem měl další,
Návrat nahoru
Zobrazit informace o autorovi Odeslat soukromou zprávu
samec



Založen: Dec 19, 2017
Příspěvky: 6419

PříspěvekZaslal: čt leden 01 2026, 0:36    Předmět: Citovat

Fľusancový je lacnejší
https://www.aliexpress.com/item/1005008451122853.html

Prepáč, ak som ti pokazil Silvestra. Very Happy
Návrat nahoru
Zobrazit informace o autorovi Odeslat soukromou zprávu
lesana87



Založen: Sep 20, 2014
Příspěvky: 4333

PříspěvekZaslal: čt leden 01 2026, 21:21    Předmět: Citovat

Takže ne 320x240 ale jen 240x128.
Návrat nahoru
Zobrazit informace o autorovi Odeslat soukromou zprávu
Lancer



Založen: Nov 21, 2019
Příspěvky: 63
Bydliště: Strašnice, nebo Brnky

PříspěvekZaslal: pá leden 09 2026, 21:49    Předmět: Citovat

Tak displeje dorazily ke Kvíčalovi. Pokud při pokračující debordelizaci narazím na další, vložím nabídku sem, jestli se tedy najde další zájemce....
Návrat nahoru
Zobrazit informace o autorovi Odeslat soukromou zprávu
turbok



Založen: Sep 13, 2006
Příspěvky: 77
Bydliště: Liberec

PříspěvekZaslal: ne leden 18 2026, 19:07    Předmět: Citovat

Pokud by ještě někdo chtěl, mám tu dva displeje typ EW50088YLY.
https://www.e-lab.de/diverse/ew50088.pdf
Vymontované z vyřazené EPS.
Zdarma za kod zasilkovny.
Návrat nahoru
Zobrazit informace o autorovi Odeslat soukromou zprávu Odeslat e-mail
Zobrazit příspěvky z předchozích:   
Přidat nové téma   Zaslat odpověď       Obsah fóra Diskuzní fórum Elektro Bastlírny -> Nabídka přístrojů, součástek a náhradních dílů Časy uváděny v GMT + 1 hodina
Strana 1 z 1

 
Přejdi na:  
Nemůžete odesílat nové téma do tohoto fóra.
Nemůžete odpovídat na témata v tomto fóru.
Nemůžete upravovat své příspěvky v tomto fóru.
Nemůžete mazat své příspěvky v tomto fóru.
Nemůžete hlasovat v tomto fóru.
Nemůžete připojovat soubory k příspěvkům
Můžete stahovat a prohlížet přiložené soubory

Powered by phpBB © 2001, 2005 phpBB Group
Forums ©
Nuke - Elektro Bastlirna

Informace na portálu Elektro bastlírny jsou prezentovány za účelem vzdělání čtenářů a rozšíření zájmu o elektroniku. Autoři článků na serveru neberou žádnou zodpovědnost za škody vzniklé těmito zapojeními. Rovněž neberou žádnou odpovědnost za případnou újmu na zdraví vzniklou úrazem elektrickým proudem. Autoři a správci těchto stránek nepřejímají záruku za správnost zveřejněných materiálů. Předkládané informace a zapojení jsou zveřejněny bez ohledu na případné patenty třetích osob. Nároky na odškodnění na základě změn, chyb nebo vynechání jsou zásadně vyloučeny. Všechny registrované nebo jiné obchodní známky zde použité jsou majetkem jejich vlastníků. Uvedením nejsou zpochybněna z toho vyplývající vlastnická práva. Použití konstrukcí v rozporu se zákonem je přísně zakázáno. Vzhledem k tomu, že původ předkládaných materiálů nelze žádným způsobem dohledat, nelze je použít pro komerční účely! Tento nekomerční server nemá z uvedených zapojení či konstrukcí žádný zisk. Nezodpovídáme za pravost předkládaných materiálů třetími osobami a jejich původ. V případě, že zjistíte porušení autorského práva či jiné nesrovnalosti, kontaktujte administrátory na diskuzním fóru EB.


PHP-Nuke Copyright © 2005 by Francisco Burzi. This is free software, and you may redistribute it under the GPL. PHP-Nuke comes with absolutely no warranty, for details, see the license.
Čas potřebný ke zpracování stránky 0.23 sekund