Vítejte na Elektro Bastlírn?
Nuke - Elektro Bastlirna
  Vytvořit účet Hlavní · Fórum · DDump · Profil · Zprávy · Hledat na fóru · Příspěvky na provoz EB

Vlákno na téma KORONAVIRUS - nutná registrace


Nuke - Elektro Bastlirna: Diskuzní fórum

 FAQFAQ   HledatHledat   Uživatelské skupinyUživatelské skupiny   ProfilProfil   Soukromé zprávySoukromé zprávy   PřihlášeníPřihlášení 

PHILIPS FA 880 zvědavost
Jdi na stránku 1, 2  Další
 
Přidat nové téma   Zaslat odpověď       Obsah fóra Diskuzní fórum Elektro Bastlírny -> Audiotechnika
Zobrazit předchozí téma :: Zobrazit následující téma  
Autor Zpráva
jardafiala



Založen: Jun 20, 2010
Příspěvky: 2472
Bydliště: Česká Lípa

PříspěvekZaslal: čt listopad 20 2025, 12:48    Předmět: PHILIPS FA 880 zvědavost Citovat

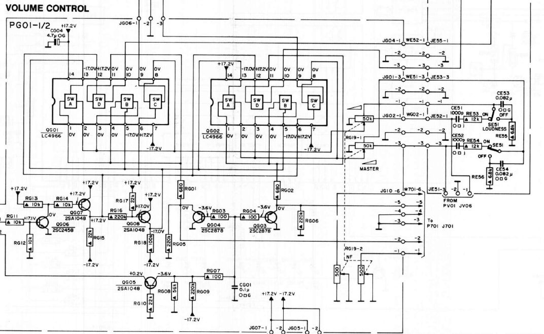
Mám tu takovou zajímavost ke zvážení a k diskusi. Zesilovač má na obou výstupech 30mV offset (bez zátěže), to není nic fatálního ale předpokládal bych, že tam bude 0. To není až tak zvláštní, spíš mi uniká, jak může být v takovém zapojení na emitorových odporech rozdíl 4mV Shocked . Nebo udělali soudruzi v servisním manuálu chybu? Manuál (pro hodně zvědavé) je ku stažení zde https://elektrotanya.com/philips_fa880.pdf/download.html .
Návrat nahoru
Zobrazit informace o autorovi Odeslat soukromou zprávu Odeslat e-mail
jardafiala



Založen: Jun 20, 2010
Příspěvky: 2472
Bydliště: Česká Lípa

PříspěvekZaslal: čt listopad 20 2025, 13:11    Předmět: Citovat

Ještě pro úplnost - nastavil jsem 6mV, voltmetr ukazuje obě hodnoty stejné. Že by na schematu byly hodnoty měřené proti zemí? Pokud ano jak by se dal tady offset vykompenzovat aby byl 0mV? Já jsem to měřil proti společnému bodu R770, R772. Čím víc na to koukám, tím víc mám otázek....A, jako obvykle, jsem zapomněl na přílohy.


filipes 1.jpg
 Komentář:
 Velikost:  210.21 kB
 Zobrazeno:  181 krát

filipes 1.jpg



filipes 2.jpg
 Komentář:
 Velikost:  130.57 kB
 Zobrazeno:  67 krát

filipes 2.jpg


Návrat nahoru
Zobrazit informace o autorovi Odeslat soukromou zprávu Odeslat e-mail
Zaky



Založen: Oct 30, 2010
Příspěvky: 6991
Bydliště: Praha

PříspěvekZaslal: čt listopad 20 2025, 14:02    Předmět: Citovat

Ta napětí musí být stejná a také jsem pro měření přímo na odporech. Proti zemi by to ukazovalo, že měli tenkrát offset 4mV Smile Zkusil bych změřit napětí na R708 a ověřit, jestli C714 nemá svod.
_________________
Krátce před tím, než se to rozbilo, tak to ještě fungovalo...
Návrat nahoru
Zobrazit informace o autorovi Odeslat soukromou zprávu
samec



Založen: Dec 19, 2017
Příspěvky: 6073

PříspěvekZaslal: čt listopad 20 2025, 14:30    Předmět: Citovat

Lebo takto to je.
NJM2068 https://www.mouser.com/ds/2/294/NJM2068_E-217911.pdf
kód:
    PARAMETER      | SYMBOL | TEST CONDITION | MIN. | TYP. | MAX. | UNIT
-------------------+--------+----------------+------+------+------+------
Input Bias Current |   IB   |                |  -   | 150  | 1000 |  nA
R702 = 220kΩ
R708 = 27kΩ
Žiadna záhada. Cool
Návrat nahoru
Zobrazit informace o autorovi Odeslat soukromou zprávu
masar



Založen: Dec 03, 2005
Příspěvky: 13973

PříspěvekZaslal: čt listopad 20 2025, 19:31    Předmět: Citovat

Zaky napsal(a):
Proti zemi by to ukazovalo, že měli tenkrát offset 4mV Smile...
Ne 4mV, ale jen 2mV.
Wink
Návrat nahoru
Zobrazit informace o autorovi Odeslat soukromou zprávu Odeslat e-mail
Zaky



Založen: Oct 30, 2010
Příspěvky: 6991
Bydliště: Praha

PříspěvekZaslal: čt listopad 20 2025, 20:33    Předmět: Citovat

Máš pravdu, jen 2 mV. To skoro vypadá, že buď měli na vstupu jiný operák, nebo ty odpory kolem vstupů mnohem menší. Protože vstupní proud operáku podle datasheetu ten offset prostě udělá. Ono to ovšem na druhou stranu ale ničemu nevadí.
_________________
Krátce před tím, než se to rozbilo, tak to ještě fungovalo...
Návrat nahoru
Zobrazit informace o autorovi Odeslat soukromou zprávu
jardafiala



Založen: Jun 20, 2010
Příspěvky: 2472
Bydliště: Česká Lípa

PříspěvekZaslal: čt listopad 20 2025, 20:59    Předmět: Citovat

Šel jsem se podívat, je tam NJM2068.
Návrat nahoru
Zobrazit informace o autorovi Odeslat soukromou zprávu Odeslat e-mail
samec



Založen: Dec 19, 2017
Příspěvky: 6073

PříspěvekZaslal: čt listopad 20 2025, 21:05    Předmět: Citovat

Na prvej strane v datašite je Equivalent Circuit, zrejme zjednodušené vnútorné zapojenie. Z neho je vidieť, že prúd vyteká zo vstupov. Pre pin 6 prúd tečie z kladného napájania cez vnútornú štruktúru, vyteká cez pin 6 a tečie cez odpor do zeme.

EDIT: Bola tu otázka, ktorá medzičasom zmizla. Ja už odpoveď nejdem mazať. Možno ešte niekomu pomôže pochopiť dôsledok rozdielných odporov pripojených na vstupoch operačného zosilňovača.
Návrat nahoru
Zobrazit informace o autorovi Odeslat soukromou zprávu
Zaky



Založen: Oct 30, 2010
Příspěvky: 6991
Bydliště: Praha

PříspěvekZaslal: pá listopad 21 2025, 7:30    Předmět: Citovat

Náhrada OZ třeba tímhle: https://www.audiophonics.fr/en/opa/audiophonics-opa1642-aop-double-dip8-p-19371.html by problém řešila. Netřeba samozřejmě kupovat destičku, dá se to zbastlit. Ono to ovšem pochopitelně vůbec není potřeba řešit, jak sám hned na začátku píšeš.
_________________
Krátce před tím, než se to rozbilo, tak to ještě fungovalo...
Návrat nahoru
Zobrazit informace o autorovi Odeslat soukromou zprávu
mirku



Založen: Jun 15, 2006
Příspěvky: 341

PříspěvekZaslal: pá listopad 21 2025, 12:41    Předmět: Citovat




FA880_idling current.png
 Komentář:
 Velikost:  277.31 kB
 Zobrazeno:  21 krát

FA880_idling current.png


Návrat nahoru
Zobrazit informace o autorovi Odeslat soukromou zprávu
samec



Založen: Dec 19, 2017
Příspěvky: 6073

PříspěvekZaslal: pá listopad 21 2025, 15:51    Předmět: Citovat

Zaky napsal(a):
Náhrada OZ třeba tímhle: https://www.audiophonics.fr/en/opa/audiophonics-opa1642-aop-double-dip8-p-19371.html by problém řešila.
OPA1642 má síce zanedbateľný vstupný prúd, ale ma 3x väčšiu vstupnú napäťovú nesymetriu.
https://www.ti.com/lit/ds/symlink/opa1644.pdf?ts=1763694288949
Návrat nahoru
Zobrazit informace o autorovi Odeslat soukromou zprávu
jardafiala



Založen: Jun 20, 2010
Příspěvky: 2472
Bydliště: Česká Lípa

PříspěvekZaslal: ne listopad 23 2025, 11:06    Předmět: Citovat

Jen z další zvědavosti
- na schematu je na emitorových odporech 16mV t.j. 44mA
- nastavovací předpis říká 7mV tedy 19mA
To je trochu, tedy vlastně dost, velký rozdíl ne? Podle čeho se vůbec volí klidový proud konců? Na základě měření přechodového jevu jak zmiňuje audioweb?
Nakonec jsem nastavil 8mV, zajímavé je, že konce mají offset 25,2mV a 25,4mV tedy stejný.


Naposledy upravil jardafiala dne ne listopad 23 2025, 16:00, celkově upraveno 1 krát.
Návrat nahoru
Zobrazit informace o autorovi Odeslat soukromou zprávu Odeslat e-mail
ransom



Založen: Jul 19, 2020
Příspěvky: 3736
Bydliště: Náchod

PříspěvekZaslal: ne listopad 23 2025, 11:39    Předmět: Citovat

Taky základě toho, aby při změnách teploty koncových tranzistorů jeho stabilizace udržela kliďák nenulový a nerostoucí lavinovitě. Výrobce to má ověřené testováním za provozu (pro konkrétní osazení a mechanické uspořádání, vazba snímacího elementu na koncové tranzistory není dokonalá, má setrvačnost etc...). A tak doporučí nějakou hodnotu, která se osvědčila.
_________________
Nepoužívám smajlíky. Pobavený nebo ironický tón si laskavě domyslete sami.
Návrat nahoru
Zobrazit informace o autorovi Odeslat soukromou zprávu
Zaky



Založen: Oct 30, 2010
Příspěvky: 6991
Bydliště: Praha

PříspěvekZaslal: po listopad 24 2025, 7:40    Předmět: Citovat

samec napsal(a):
OPA1642 má síce zanedbateľný vstupný prúd, ale ma 3x väčšiu vstupnú napäťovú nesymetriu.
https://www.ti.com/lit/ds/symlink/opa1644.pdf?ts=1763694288949

To sice má, ale pokud je teď offset cca 25 mV vyvolaný vstupním proudem vstupů, tak s OPA bude do těch 3.5mV, typicky 1mV. Což je podstatné zlepšení. Ono je bez problémů k nalezení spustu mnohem lepších OZ, ale ne pro napájení 36V. Jestli víš o něčem lepším, sem s tím Smile

_________________
Krátce před tím, než se to rozbilo, tak to ještě fungovalo...
Návrat nahoru
Zobrazit informace o autorovi Odeslat soukromou zprávu
samec



Založen: Dec 19, 2017
Příspěvky: 6073

PříspěvekZaslal: po listopad 24 2025, 11:00    Předmět: Citovat

25mV je porucha. Podľa schémy tam má byť 2mV. To tou náhradou veľmi nevylepšiš. Problém so zvýšeným ofsetom môže byť naozaj vo zvode C714. Jednosmerná spätná väzba potom nie je 1, ale viac. A úmerne tomu je potom väčší ofset na výstupe zosilňovača oproti ofsetu na vstupe operačného zosilňovača.
Návrat nahoru
Zobrazit informace o autorovi Odeslat soukromou zprávu
Zobrazit příspěvky z předchozích:   
Přidat nové téma   Zaslat odpověď       Obsah fóra Diskuzní fórum Elektro Bastlírny -> Audiotechnika Časy uváděny v GMT + 1 hodina
Jdi na stránku 1, 2  Další
Strana 1 z 2

 
Přejdi na:  
Nemůžete odesílat nové téma do tohoto fóra.
Nemůžete odpovídat na témata v tomto fóru.
Nemůžete upravovat své příspěvky v tomto fóru.
Nemůžete mazat své příspěvky v tomto fóru.
Nemůžete hlasovat v tomto fóru.
Nemůžete připojovat soubory k příspěvkům
Můžete stahovat a prohlížet přiložené soubory

Powered by phpBB © 2001, 2005 phpBB Group
Forums ©
Nuke - Elektro Bastlirna

Informace na portálu Elektro bastlírny jsou prezentovány za účelem vzdělání čtenářů a rozšíření zájmu o elektroniku. Autoři článků na serveru neberou žádnou zodpovědnost za škody vzniklé těmito zapojeními. Rovněž neberou žádnou odpovědnost za případnou újmu na zdraví vzniklou úrazem elektrickým proudem. Autoři a správci těchto stránek nepřejímají záruku za správnost zveřejněných materiálů. Předkládané informace a zapojení jsou zveřejněny bez ohledu na případné patenty třetích osob. Nároky na odškodnění na základě změn, chyb nebo vynechání jsou zásadně vyloučeny. Všechny registrované nebo jiné obchodní známky zde použité jsou majetkem jejich vlastníků. Uvedením nejsou zpochybněna z toho vyplývající vlastnická práva. Použití konstrukcí v rozporu se zákonem je přísně zakázáno. Vzhledem k tomu, že původ předkládaných materiálů nelze žádným způsobem dohledat, nelze je použít pro komerční účely! Tento nekomerční server nemá z uvedených zapojení či konstrukcí žádný zisk. Nezodpovídáme za pravost předkládaných materiálů třetími osobami a jejich původ. V případě, že zjistíte porušení autorského práva či jiné nesrovnalosti, kontaktujte administrátory na diskuzním fóru EB.


PHP-Nuke Copyright © 2005 by Francisco Burzi. This is free software, and you may redistribute it under the GPL. PHP-Nuke comes with absolutely no warranty, for details, see the license.
Čas potřebný ke zpracování stránky 0.25 sekund