Vítejte na Elektro Bastlírn?
Nuke - Elektro Bastlirna
  Vytvořit účet
Hlavní · Fórum · DDump · Profil · Zprávy · Hledat na fóru


Nuke - Elektro Bastlirna: Diskuzní fórum

 FAQFAQ   HledatHledat   Uživatelské skupinyUživatelské skupiny   ProfilProfil   Soukromé zprávySoukromé zprávy   PřihlášeníPřihlášení 

Náhrada za SF215, SAY30 a SS216
Jdi na stránku 1, 2  Další
 
Přidat nové téma   Zaslat odpověď       Obsah fóra Diskuzní fórum Elektro Bastlírny -> Součástky
Zobrazit předchozí téma :: Zobrazit následující téma  
Autor Zpráva
JanK3



Založen: Aug 15, 2025
Příspěvky: 125
Bydliště: Český brod

PříspěvekZaslal: po listopad 17 2025, 13:35    Předmět: Náhrada za SF215, SAY30 a SS216 Citovat

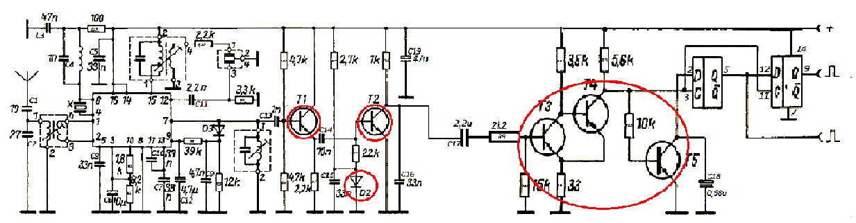
Ve schématu zapojení AM přijímače pro 27.120 MHz s integrovaným AM IO TCA440 (A244D) jsou za tímto obvodem jako emitorový sledovač a demodulační tranzistor použité dva starší tranzistory SF215E z produkce bývalé NDR.
Hledal jsem za ně náhradu a našel toto: buď SF237E nebo SF238E, oba jsem někde na netu našel jako ekvivalenty, ale protože tomu rozumím asi jako koza petrželi, tak se radši zeptám, jestli je to skutečně vhodná náhrada nebo zda Vás napadá něco jiného.
Také u ve schéma použité diody SAY 30 potřebuji poradit s náhradou (našel jsem KA206 ale opět není jistota, že je ta náhrada odpovídající), a do třetice tranzistory v dekodéru jsou uváděny SS 216E - tady jsem našel jako náhradu BC538.



p27120kHz_kompletni__schema.png
 Komentář:
Obrázek oříznut (zbaven zbytečné prázdné plochy okolo), z pojmenování odstraněna diakritika.
Příště líp!
Hill
 Velikost:  89.77 kB
 Zobrazeno:  120 krát

p27120kHz_kompletni__schema.png


Návrat nahoru
Zobrazit informace o autorovi Odeslat soukromou zprávu
JirkaZ



Založen: Feb 26, 2021
Příspěvky: 3766

PříspěvekZaslal: po listopad 17 2025, 14:12    Předmět: Citovat

Víc záleží na náhradě SF215E, protože pracuje na relativně vyšších frekvencích (zde nejspíš 455 kHz?). Nicméně vzhledem k absolutní hodnotě té frekvence to není kritické. Edit: SF215E by měl být ekvivalentem BF254 stejně jako teslácký KF254 - no a ten se stále dá koupit za pár korun. Možností je samozřejmě mnohem víc, ale vše záleží na dostupnosti na trhu atd.

Zbytek je ještě méně choulostivý, protože dioda je v DC režimu a SS216E zpracovávají už demodulovaný signál. Čili na pozici diody jakoukoliv běžnou Si diodu s podobnými výkonovými parametry (napětí a proud), porovnej příp. i přední napětí při daném proudu dle datasheetů) a místo SS216E bych klidně dal standardní KC, BC apod. Sice nejsou spínací, ale fungovat by to mělo.

Pokud najdu chvilku, dopíšu sem konkrétní možné náhrady, nebo to třeba udělá někdo jiný.

_________________
Kdo chce, hledá způsob;
kdo ne - hledá důvod.

Ze dvou možností často volím tu třetí.
Návrat nahoru
Zobrazit informace o autorovi Odeslat soukromou zprávu
EKKAR



Založen: Mar 16, 2005
Příspěvky: 35279
Bydliště: Česká Třebová, JN89FW21

PříspěvekZaslal: po listopad 17 2025, 15:33    Předmět: Citovat

JirkaZ napsal(a):
Víc záleží na náhradě SF215E, protože pracuje na relativně vyšších frekvencích (zde nejspíš 455 kHz?). Nicméně vzhledem k absolutní hodnotě té frekvence to není kritické. Edit: SF215E by měl být ekvivalentem BF254 stejně jako teslácký KF254 - no a ten se stále dá koupit za pár korun.....
Obávám se že nemáš pravdu, BF254 je j-FET, za tu SF215E bych volil spíš KF125/525 (bipolár, i na tom úlomku schématu je T1 značenej jako bipolár NPN) nebo něco podobnýho, schopnýho bezproblémově makat na aspoň desítkách MHz, aby to na těch 455kHz nemělo vliv. Ostatní trandy za detektorem jsou úplně univerzální, samozřejmě nízkošumovýma neuděláš chybu - takže KC147-8-9 resp 507-8-9, z importu BC546-7-8 nebo BC556-7-8 podle použitý polarity, samozřejmě KC/BC237-8-9 nebo 307-8-9 atd.
_________________
Nasliněný prst na svorkovnici domovního rozvaděče: Jó, paninko, máte tam ty Voltíky všecky...
A kutilmile - nelituju tě Mr. Green Mr. Green !!!
Návrat nahoru
Zobrazit informace o autorovi Odeslat soukromou zprávu Odeslat e-mail
lesana87



Založen: Sep 20, 2014
Příspěvky: 4324

PříspěvekZaslal: po listopad 17 2025, 15:38    Předmět: Citovat

EKKAR napsal(a):
Obávám se že nemáš pravdu, BF254 je j-FET

Obávám se, že ekkecáš, J-FET je BF245.
Návrat nahoru
Zobrazit informace o autorovi Odeslat soukromou zprávu
EKKAR



Založen: Mar 16, 2005
Příspěvky: 35279
Bydliště: Česká Třebová, JN89FW21

PříspěvekZaslal: po listopad 17 2025, 15:46    Předmět: Citovat

Ať je to co je to, měl by ten první mít Ft aspoň desítky MHz. Ten zbytek už se nějak potluče.
_________________
Nasliněný prst na svorkovnici domovního rozvaděče: Jó, paninko, máte tam ty Voltíky všecky...
A kutilmile - nelituju tě Mr. Green Mr. Green !!!
Návrat nahoru
Zobrazit informace o autorovi Odeslat soukromou zprávu Odeslat e-mail
HF_Tech



Založen: Apr 25, 2022
Příspěvky: 2217

PříspěvekZaslal: po listopad 17 2025, 16:32    Předmět: Citovat

eKecal samozřejmě zase kecá. KF254 je VF NPN tranzistor. Tady v téhle pozici fungovat bude, jen je skoro zbytečně rychlý. Ve výprodeji jich byly hromady za pár korun, dělaly se s nima stavebnice FM štěnice.
Bude tam fungovat prakticky cokoliv modernější BC546-8 nebo 2N3904. Jen na tu první pozici bych dal něco s větším zesílením.



KF254.gif
 Komentář:
 Velikost:  105.63 kB
 Zobrazeno:  46 krát

KF254.gif


Návrat nahoru
Zobrazit informace o autorovi Odeslat soukromou zprávu
JanK3



Založen: Aug 15, 2025
Příspěvky: 125
Bydliště: Český brod

PříspěvekZaslal: po listopad 17 2025, 17:17    Předmět: Citovat

Takže díky, když si to přeberu, tak na T1 dám KF254 (dá se koupit za 4,-kačky) a na zbytek BC548 (kterých mám doma zásobu), na pozici křemíkové diody dám KA206 (tady je to jen opsané z podobného schématu přijímače AM s A244D), bohužel datasheet pro původní diodu SAY 30 , jak radil JirkaZ , jsem nenašel...
Návrat nahoru
Zobrazit informace o autorovi Odeslat soukromou zprávu
Michal22



Založen: Mar 28, 2012
Příspěvky: 8245
Bydliště: Brno

PříspěvekZaslal: po listopad 17 2025, 17:25    Předmět: Citovat

Místo diody SAY30 bych dal 1N4148, je dostupná všude, nemusíš hledal oldies Tesly, které už docela vymizely.
_________________
Civilizace založená na oboustranné lepící pásce nemůže dobře skončit...
I kdyby se z tebe jednou stal král, neodsuzuj lidi, kteří ti nebudou provolávat slávu- raději se zeptej sám sebe, proč tomu tak není...
Návrat nahoru
Zobrazit informace o autorovi Odeslat soukromou zprávu Odeslat e-mail
JirkaZ



Založen: Feb 26, 2021
Příspěvky: 3766

PříspěvekZaslal: po listopad 17 2025, 17:29    Předmět: Citovat

Cosi jako datasheet máš v příloze, ale bohužel tam není ani číselná hodnota, ani graf Uf vs If.

Nicméně s určitou opatrností tam bude fungovat prakticky jakákoliv podobná dioda, jak píšu výše.

Edit: v další příloze máš o něco víc, ale zase to je jen obecné a přibližné.



SAYxx.png
 Komentář:
 Velikost:  50.52 kB
 Zobrazeno:  42 krát

SAYxx.png



SAY30-32-40-42.pdf
 Komentář:

Stáhnout
 Soubor:  SAY30-32-40-42.pdf
 Velikost:  95.27 kB
 Staženo:  36 krát


_________________
Kdo chce, hledá způsob;
kdo ne - hledá důvod.

Ze dvou možností často volím tu třetí.


Naposledy upravil JirkaZ dne po listopad 17 2025, 17:38, celkově upraveno 1 krát.
Návrat nahoru
Zobrazit informace o autorovi Odeslat soukromou zprávu
HF_Tech



Založen: Apr 25, 2022
Příspěvky: 2217

PříspěvekZaslal: po listopad 17 2025, 17:34    Předmět: Citovat

Jesi máš odvahu, tak vem ten BC548 a ustřihni mu nožičku C a dej ho místo diody. E půjde na "zem" Cool
Návrat nahoru
Zobrazit informace o autorovi Odeslat soukromou zprávu
JanK3



Založen: Aug 15, 2025
Příspěvky: 125
Bydliště: Český brod

PříspěvekZaslal: po listopad 17 2025, 18:14    Předmět: Citovat

HF_Tech napsal(a):
Jesi máš odvahu, tak vem ten BC548 a ustřihni mu nožičku C a dej ho místo diody. E půjde na "zem" Cool

Dobrý nápad - , tak proto jsem se nemohl dopočítat tranzistorů na fotce toho původního přijímače, má jich tam být 5 kousků, na fotce jich je ale 6 kusů , a teď na to koukám, že ten navíc je právě v místě, kde má být ta křemíková dioda.
Asi se autor učil u Tebe Very Happy
Návrat nahoru
Zobrazit informace o autorovi Odeslat soukromou zprávu
Hill
Administrátor


Založen: Sep 10, 2004
Příspěvky: 21153
Bydliště: Jičín, Český ráj

PříspěvekZaslal: po listopad 17 2025, 19:25    Předmět: Citovat

Neučil: v NDR se dlouho zalisovávaly diody do stejných pouzder, jako tranzistory.
SAY30 je středně rychlá až rychlá spínací plošná dioda pro použití v logických obvodech.
A shora vypadá úplně stejně, jako tranzistor téhož výrobce.



say30.gif
 Komentář:
 Velikost:  34.34 kB
 Zobrazeno:  36 krát

say30.gif


Návrat nahoru
Zobrazit informace o autorovi Odeslat soukromou zprávu
JanK3



Založen: Aug 15, 2025
Příspěvky: 125
Bydliště: Český brod

PříspěvekZaslal: po listopad 17 2025, 19:29    Předmět: Citovat

Aha, tak to jsem , ostatně jako spoustu jiných věcí, nevěděl.
Návrat nahoru
Zobrazit informace o autorovi Odeslat soukromou zprávu
kondor



Založen: Jul 31, 2005
Příspěvky: 243
Bydliště: Česká Lípa

PříspěvekZaslal: st listopad 19 2025, 19:44    Předmět: Citovat

Tahle to vypadá u mě s těma SAY diodama.


SAY 12.jpeg
 Komentář:
 Velikost:  234.44 kB
 Zobrazeno:  33 krát

SAY 12.jpeg



SAY 12.1.jpeg
 Komentář:
 Velikost:  225.18 kB
 Zobrazeno:  32 krát

SAY 12.1.jpeg



SAY 20.jpeg
 Komentář:
 Velikost:  240.12 kB
 Zobrazeno:  24 krát

SAY 20.jpeg


Návrat nahoru
Zobrazit informace o autorovi Odeslat soukromou zprávu Odeslat e-mail
EKKAR



Založen: Mar 16, 2005
Příspěvky: 35279
Bydliště: Česká Třebová, JN89FW21

PříspěvekZaslal: st listopad 19 2025, 23:12    Předmět: Citovat

Hill napsal(a):
Neučil: v NDR se dlouho zalisovávaly diody do stejných pouzder, jako tranzistory.
...
A shora vypadá úplně stejně, jako tranzistor téhož výrobce.
Mám dokonce několik zenerek, vybufetěnejch z "programátorů" pro pračky ROMO PAC, který jsou zjevně stejnýho původu. Ten samej futrál, plochý nožky á-la KC147, mizerně čitelnej potisk černý barvy na tmavě šedý hmotě ...
_________________
Nasliněný prst na svorkovnici domovního rozvaděče: Jó, paninko, máte tam ty Voltíky všecky...
A kutilmile - nelituju tě Mr. Green Mr. Green !!!
Návrat nahoru
Zobrazit informace o autorovi Odeslat soukromou zprávu Odeslat e-mail
Zobrazit příspěvky z předchozích:   
Přidat nové téma   Zaslat odpověď       Obsah fóra Diskuzní fórum Elektro Bastlírny -> Součástky Časy uváděny v GMT + 1 hodina
Jdi na stránku 1, 2  Další
Strana 1 z 2

 
Přejdi na:  
Nemůžete odesílat nové téma do tohoto fóra.
Nemůžete odpovídat na témata v tomto fóru.
Nemůžete upravovat své příspěvky v tomto fóru.
Nemůžete mazat své příspěvky v tomto fóru.
Nemůžete hlasovat v tomto fóru.
Nemůžete připojovat soubory k příspěvkům
Můžete stahovat a prohlížet přiložené soubory

Powered by phpBB © 2001, 2005 phpBB Group
Forums ©
Nuke - Elektro Bastlirna

Informace na portálu Elektro bastlírny jsou prezentovány za účelem vzdělání čtenářů a rozšíření zájmu o elektroniku. Autoři článků na serveru neberou žádnou zodpovědnost za škody vzniklé těmito zapojeními. Rovněž neberou žádnou odpovědnost za případnou újmu na zdraví vzniklou úrazem elektrickým proudem. Autoři a správci těchto stránek nepřejímají záruku za správnost zveřejněných materiálů. Předkládané informace a zapojení jsou zveřejněny bez ohledu na případné patenty třetích osob. Nároky na odškodnění na základě změn, chyb nebo vynechání jsou zásadně vyloučeny. Všechny registrované nebo jiné obchodní známky zde použité jsou majetkem jejich vlastníků. Uvedením nejsou zpochybněna z toho vyplývající vlastnická práva. Použití konstrukcí v rozporu se zákonem je přísně zakázáno. Vzhledem k tomu, že původ předkládaných materiálů nelze žádným způsobem dohledat, nelze je použít pro komerční účely! Tento nekomerční server nemá z uvedených zapojení či konstrukcí žádný zisk. Nezodpovídáme za pravost předkládaných materiálů třetími osobami a jejich původ. V případě, že zjistíte porušení autorského práva či jiné nesrovnalosti, kontaktujte administrátory na diskuzním fóru EB.


PHP-Nuke Copyright © 2005 by Francisco Burzi. This is free software, and you may redistribute it under the GPL. PHP-Nuke comes with absolutely no warranty, for details, see the license.
Čas potřebný ke zpracování stránky 0.29 sekund