Vítejte na Elektro Bastlírn?
Nuke - Elektro Bastlirna
  Vytvořit účet
Hlavní · Fórum · DDump · Profil · Zprávy · Hledat na fóru


Nuke - Elektro Bastlirna: Diskuzní fórum

 FAQFAQ   HledatHledat   Uživatelské skupinyUživatelské skupiny   ProfilProfil   Soukromé zprávySoukromé zprávy   PřihlášeníPřihlášení 

3f termostat - pomocný kontakt

 
Přidat nové téma   Zaslat odpověď       Obsah fóra Diskuzní fórum Elektro Bastlírny -> Měření, regulace a automatizace
Zobrazit předchozí téma :: Zobrazit následující téma  
Autor Zpráva
nxn



Založen: Apr 18, 2007
Příspěvky: 697
Bydliště: Turnov

PříspěvekZaslal: so listopad 15 2025, 7:25    Předmět: 3f termostat - pomocný kontakt Citovat

Nenapadá někoho jak vyřešit chybějící pomocný kontakt u termostatu v 3f bojleru ? Napájení patrony bude řešeno fázovým řízením.
_________________
Poslední slova před smrtí: 'nebojte to je nulák'....Praskla žárovka:'vyměň všechny elity'
Návrat nahoru
Zobrazit informace o autorovi Odeslat soukromou zprávu Odeslat e-mail
jenicek



Založen: Dec 28, 2022
Příspěvky: 734
Bydliště: Krakonošovo

PříspěvekZaslal: so listopad 15 2025, 7:31    Předmět: Citovat

Relé s cívkou na 230V?
Návrat nahoru
Zobrazit informace o autorovi Odeslat soukromou zprávu
BOBOBO
Doporučuje se dohled statného moderátora


Založen: Feb 25, 2008
Příspěvky: 20858
Bydliště: Rychnovsko

PříspěvekZaslal: so listopad 15 2025, 7:36    Předmět: Citovat

Pomocné relé mám vloženo přímo v deklu boileru . Ale já ho dal proto , že nemám nějaký odpínač boileru a tak jsem dal do deklu china kolébku . Té se pracovní proud tělesa nelíbil , tak jsem přidal relé a roky OK . Boiler pouštím 4x do roka , mám lázňovky .
Návrat nahoru
Zobrazit informace o autorovi Odeslat soukromou zprávu
nxn



Založen: Apr 18, 2007
Příspěvky: 697
Bydliště: Turnov

PříspěvekZaslal: so listopad 15 2025, 13:54    Předmět: Citovat

No to by nebyl problém, kdyby to mělo fázové napětí. Do každé patrony poteče jiný proud 0-100%. Napadlo mě usměrnit 3f nacpat do kondenzátoru pak stabilizátor napětí se zenerkou+tranzistor a optočlen.
_________________
Poslední slova před smrtí: 'nebojte to je nulák'....Praskla žárovka:'vyměň všechny elity'
Návrat nahoru
Zobrazit informace o autorovi Odeslat soukromou zprávu Odeslat e-mail
BOBOBO
Doporučuje se dohled statného moderátora


Založen: Feb 25, 2008
Příspěvky: 20858
Bydliště: Rychnovsko

PříspěvekZaslal: so listopad 15 2025, 14:47    Předmět: Citovat

Přece když tam máš řízení , tak zároveň to řízení může sepnout relé-stykač .
Návrat nahoru
Zobrazit informace o autorovi Odeslat soukromou zprávu
nxn



Založen: Apr 18, 2007
Příspěvky: 697
Bydliště: Turnov

PříspěvekZaslal: so listopad 15 2025, 15:03    Předmět: Citovat

já potřebuji zpětnou vazbu, že mechanický termostat vypnul
_________________
Poslední slova před smrtí: 'nebojte to je nulák'....Praskla žárovka:'vyměň všechny elity'
Návrat nahoru
Zobrazit informace o autorovi Odeslat soukromou zprávu Odeslat e-mail
BOBOBO
Doporučuje se dohled statného moderátora


Založen: Feb 25, 2008
Příspěvky: 20858
Bydliště: Rychnovsko

PříspěvekZaslal: so listopad 15 2025, 16:30    Předmět: Citovat

Tak přidáš 2 dráty a budeš interním termostatem spínat externí relé-stykač a zároveň cokoliv dalšího .
Návrat nahoru
Zobrazit informace o autorovi Odeslat soukromou zprávu
nxn



Založen: Apr 18, 2007
Příspěvky: 697
Bydliště: Turnov

PříspěvekZaslal: so listopad 15 2025, 20:16    Předmět: Citovat

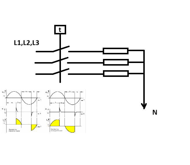
A když tam bude napětí Uef blízké "0"V tak kde vezmu napětí pro 230V relátko ? Termostat je pouze 3 pólový


termostat.png
 Komentář:
 Velikost:  32.38 kB
 Zobrazeno:  20 krát

termostat.png



_________________
Poslední slova před smrtí: 'nebojte to je nulák'....Praskla žárovka:'vyměň všechny elity'
Návrat nahoru
Zobrazit informace o autorovi Odeslat soukromou zprávu Odeslat e-mail
misocko



Založen: Jun 26, 2009
Příspěvky: 1490
Bydliště: Hlohovec (Sk)

PříspěvekZaslal: so listopad 15 2025, 21:05    Předmět: Citovat

termostatom spinaj iba pridavný stykač, s kontaktami koľko potrebuješ. Poďakuje sa Ti aj termostat, zníženým zaťažením kontaktov
Návrat nahoru
Zobrazit informace o autorovi Odeslat soukromou zprávu Odeslat e-mail
BOBOBO
Doporučuje se dohled statného moderátora


Založen: Feb 25, 2008
Příspěvky: 20858
Bydliště: Rychnovsko

PříspěvekZaslal: so listopad 15 2025, 23:06    Předmět: Citovat

Laughing Laughing
Návrat nahoru
Zobrazit informace o autorovi Odeslat soukromou zprávu
nxn



Založen: Apr 18, 2007
Příspěvky: 697
Bydliště: Turnov

PříspěvekZaslal: ne listopad 16 2025, 12:28    Předmět: Citovat

Díky to snad není možné tak jednoduché a já na to nepřídu Vozeďbouch Very Happy
_________________
Poslední slova před smrtí: 'nebojte to je nulák'....Praskla žárovka:'vyměň všechny elity'
Návrat nahoru
Zobrazit informace o autorovi Odeslat soukromou zprávu Odeslat e-mail
nxn



Založen: Apr 18, 2007
Příspěvky: 697
Bydliště: Turnov

PříspěvekZaslal: so prosinec 06 2025, 18:05    Předmět: Citovat

No tak to stejně takhle nepůjde on ten mechanický (provozní) termostat má navíc v sobě i havarijní termostat...
_________________
Poslední slova před smrtí: 'nebojte to je nulák'....Praskla žárovka:'vyměň všechny elity'
Návrat nahoru
Zobrazit informace o autorovi Odeslat soukromou zprávu Odeslat e-mail
Zobrazit příspěvky z předchozích:   
Přidat nové téma   Zaslat odpověď       Obsah fóra Diskuzní fórum Elektro Bastlírny -> Měření, regulace a automatizace Časy uváděny v GMT + 1 hodina
Strana 1 z 1

 
Přejdi na:  
Nemůžete odesílat nové téma do tohoto fóra.
Nemůžete odpovídat na témata v tomto fóru.
Nemůžete upravovat své příspěvky v tomto fóru.
Nemůžete mazat své příspěvky v tomto fóru.
Nemůžete hlasovat v tomto fóru.
Nemůžete připojovat soubory k příspěvkům
Můžete stahovat a prohlížet přiložené soubory

Powered by phpBB © 2001, 2005 phpBB Group
Forums ©
Nuke - Elektro Bastlirna

Informace na portálu Elektro bastlírny jsou prezentovány za účelem vzdělání čtenářů a rozšíření zájmu o elektroniku. Autoři článků na serveru neberou žádnou zodpovědnost za škody vzniklé těmito zapojeními. Rovněž neberou žádnou odpovědnost za případnou újmu na zdraví vzniklou úrazem elektrickým proudem. Autoři a správci těchto stránek nepřejímají záruku za správnost zveřejněných materiálů. Předkládané informace a zapojení jsou zveřejněny bez ohledu na případné patenty třetích osob. Nároky na odškodnění na základě změn, chyb nebo vynechání jsou zásadně vyloučeny. Všechny registrované nebo jiné obchodní známky zde použité jsou majetkem jejich vlastníků. Uvedením nejsou zpochybněna z toho vyplývající vlastnická práva. Použití konstrukcí v rozporu se zákonem je přísně zakázáno. Vzhledem k tomu, že původ předkládaných materiálů nelze žádným způsobem dohledat, nelze je použít pro komerční účely! Tento nekomerční server nemá z uvedených zapojení či konstrukcí žádný zisk. Nezodpovídáme za pravost předkládaných materiálů třetími osobami a jejich původ. V případě, že zjistíte porušení autorského práva či jiné nesrovnalosti, kontaktujte administrátory na diskuzním fóru EB.


PHP-Nuke Copyright © 2005 by Francisco Burzi. This is free software, and you may redistribute it under the GPL. PHP-Nuke comes with absolutely no warranty, for details, see the license.
Čas potřebný ke zpracování stránky 0.14 sekund