Vítejte na Elektro Bastlírn?
Nuke - Elektro Bastlirna
  Vytvořit účet Hlavní · Fórum · DDump · Profil · Zprávy · Hledat na fóru · Příspěvky na provoz EB

Vlákno na téma KORONAVIRUS - nutná registrace


Nuke - Elektro Bastlirna: Diskuzní fórum

 FAQFAQ   HledatHledat   Uživatelské skupinyUživatelské skupiny   ProfilProfil   Soukromé zprávySoukromé zprávy   PřihlášeníPřihlášení 

UPC1335V

 
Přidat nové téma   Zaslat odpověď       Obsah fóra Diskuzní fórum Elektro Bastlírny -> Součástky
Zobrazit předchozí téma :: Zobrazit následující téma  
Autor Zpráva
Ivan_01



Založen: Sep 15, 2018
Příspěvky: 1412
Bydliště: BB SK

PříspěvekZaslal: po listopad 10 2025, 9:19    Předmět: UPC1335V Citovat

poprosím o možnosť identifikácie tohto IO, je to výkonový koncák z MG kazetového autorádia AudioTon CCR320/3, starého hodne cez 30 rokov. Mám určitý tip, ale ako sa hovorí viac hláv, viac kapusty.


io.jpg
 Komentář:
 Velikost:  192.6 kB
 Zobrazeno:  32 krát

io.jpg




Naposledy upravil Ivan_01 dne po prosinec 08 2025, 7:49, celkově upraveno 1 krát.
Návrat nahoru
Zobrazit informace o autorovi Odeslat soukromou zprávu
rnbw



Založen: Mar 21, 2006
Příspěvky: 36977
Bydliště: Bratislava

PříspěvekZaslal: po listopad 10 2025, 9:31    Předmět: Citovat

Vyzera to ako UPC1xxxV. Mozno UPC1298V.
Návrat nahoru
Zobrazit informace o autorovi Odeslat soukromou zprávu
jardafiala



Založen: Jun 20, 2010
Příspěvky: 2462
Bydliště: Česká Lípa

PříspěvekZaslal: po listopad 10 2025, 9:31    Předmět: Citovat

https://www.ebay.com/itm/123368315750 nebo si zadej do hoooohle
"uPC power amplifier IC 14 pin" a vyber si. Třeba taky uPC1335 .....
Ale jak šikovně rupnul, sviňa, aby nebylo poznat jak se jmenuje Very Happy


Naposledy upravil jardafiala dne po listopad 10 2025, 13:59, celkově upraveno 2 krát.
Návrat nahoru
Zobrazit informace o autorovi Odeslat soukromou zprávu Odeslat e-mail
JirkaZ



Založen: Feb 26, 2021
Příspěvky: 3739

PříspěvekZaslal: po listopad 10 2025, 9:32    Předmět: Citovat

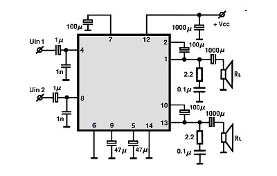
Možná uPC1335V, porovnej dle DS a reality.


uPC1335V.jpg
 Komentář:
 Velikost:  54.74 kB
 Zobrazeno:  11 krát

uPC1335V.jpg



uPC1335V_zapojeni.jpg
 Komentář:
 Velikost:  16.08 kB
 Zobrazeno:  11 krát

uPC1335V_zapojeni.jpg



_________________
Kdo chce, hledá způsob;
kdo ne - hledá důvod.

Ze dvou možností často volím tu třetí.


Naposledy upravil JirkaZ dne po listopad 10 2025, 9:47, celkově upraveno 2 krát.
Návrat nahoru
Zobrazit informace o autorovi Odeslat soukromou zprávu
JirkaZ



Založen: Feb 26, 2021
Příspěvky: 3739

PříspěvekZaslal: po listopad 10 2025, 9:33    Předmět: Citovat

uPC1298V je driver koncového stupně, v autoradiu a navíc cca z 90. let bych ho nečekal.
_________________
Kdo chce, hledá způsob;
kdo ne - hledá důvod.

Ze dvou možností často volím tu třetí.
Návrat nahoru
Zobrazit informace o autorovi Odeslat soukromou zprávu
rnbw



Založen: Mar 21, 2006
Příspěvky: 36977
Bydliště: Bratislava

PříspěvekZaslal: po listopad 10 2025, 9:35    Předmět: Citovat

Tak potom ten UPC1335V vyzera lepsie.
Návrat nahoru
Zobrazit informace o autorovi Odeslat soukromou zprávu
Ivan_01



Založen: Sep 15, 2018
Příspěvky: 1412
Bydliště: BB SK

PříspěvekZaslal: po listopad 10 2025, 9:49    Předmět: Citovat

áno, podľa pinoutu je to UPC1335V. Teraz otázka, kde ho zohnať aby nebol vyrobený z chinesia ...
Návrat nahoru
Zobrazit informace o autorovi Odeslat soukromou zprávu
JirkaZ



Založen: Feb 26, 2021
Příspěvky: 3739

PříspěvekZaslal: po listopad 10 2025, 10:07    Předmět: Citovat

Ivan_01: nechceš fake od PRCáka?

No tak to už bude mnohem těžší až nemožné...

Taky je verze použít něco dostupného a výkonový stupeň předělat podle toho.

_________________
Kdo chce, hledá způsob;
kdo ne - hledá důvod.

Ze dvou možností často volím tu třetí.
Návrat nahoru
Zobrazit informace o autorovi Odeslat soukromou zprávu
Zmije



Založen: Jun 30, 2005
Příspěvky: 1710
Bydliště: Pardubický kraj

PříspěvekZaslal: po listopad 10 2025, 11:44    Předmět: Citovat

Šlo by to pouzdro rozlousknout úplně (když už je načaté) a hodit to pod mikroskop? Třeba je nějaká identifikace přímo na křemíku.
Návrat nahoru
Zobrazit informace o autorovi Odeslat soukromou zprávu Odeslat e-mail
Ivan_01



Založen: Sep 15, 2018
Příspěvky: 1412
Bydliště: BB SK

PříspěvekZaslal: po listopad 10 2025, 12:03    Předmět: Citovat

bohužiaľ toto nieje v mojich možnostiach ani technických, ani časových...
Návrat nahoru
Zobrazit informace o autorovi Odeslat soukromou zprávu
JirkaZ



Založen: Feb 26, 2021
Příspěvky: 3739

PříspěvekZaslal: po listopad 10 2025, 12:48    Předmět: Citovat

Zmije: všiml sis obrázků a příspěvků výše?
_________________
Kdo chce, hledá způsob;
kdo ne - hledá důvod.

Ze dvou možností často volím tu třetí.
Návrat nahoru
Zobrazit informace o autorovi Odeslat soukromou zprávu
Zmije



Založen: Jun 30, 2005
Příspěvky: 1710
Bydliště: Pardubický kraj

PříspěvekZaslal: po listopad 10 2025, 12:55    Předmět: Citovat

Jistě...
Návrat nahoru
Zobrazit informace o autorovi Odeslat soukromou zprávu Odeslat e-mail
rnbw



Založen: Mar 21, 2006
Příspěvky: 36977
Bydliště: Bratislava

PříspěvekZaslal: po listopad 10 2025, 13:36    Předmět: Citovat

Na eBay je jeden v Taliansku.
Alebo kup cinsky a ked nepojde, tak si nechaj vratit peniaze.
Návrat nahoru
Zobrazit informace o autorovi Odeslat soukromou zprávu
Ivan_01



Založen: Sep 15, 2018
Příspěvky: 1412
Bydliště: BB SK

PříspěvekZaslal: pá prosinec 05 2025, 8:50    Předmět: Citovat

tak funguje aj ten čínsky, prišlo mi ich 5, ak by niekto potreboval, píšte SZ
Návrat nahoru
Zobrazit informace o autorovi Odeslat soukromou zprávu
Zobrazit příspěvky z předchozích:   
Přidat nové téma   Zaslat odpověď       Obsah fóra Diskuzní fórum Elektro Bastlírny -> Součástky Časy uváděny v GMT + 1 hodina
Strana 1 z 1

 
Přejdi na:  
Nemůžete odesílat nové téma do tohoto fóra.
Nemůžete odpovídat na témata v tomto fóru.
Nemůžete upravovat své příspěvky v tomto fóru.
Nemůžete mazat své příspěvky v tomto fóru.
Nemůžete hlasovat v tomto fóru.
Nemůžete připojovat soubory k příspěvkům
Můžete stahovat a prohlížet přiložené soubory

Powered by phpBB © 2001, 2005 phpBB Group
Forums ©
Nuke - Elektro Bastlirna

Informace na portálu Elektro bastlírny jsou prezentovány za účelem vzdělání čtenářů a rozšíření zájmu o elektroniku. Autoři článků na serveru neberou žádnou zodpovědnost za škody vzniklé těmito zapojeními. Rovněž neberou žádnou odpovědnost za případnou újmu na zdraví vzniklou úrazem elektrickým proudem. Autoři a správci těchto stránek nepřejímají záruku za správnost zveřejněných materiálů. Předkládané informace a zapojení jsou zveřejněny bez ohledu na případné patenty třetích osob. Nároky na odškodnění na základě změn, chyb nebo vynechání jsou zásadně vyloučeny. Všechny registrované nebo jiné obchodní známky zde použité jsou majetkem jejich vlastníků. Uvedením nejsou zpochybněna z toho vyplývající vlastnická práva. Použití konstrukcí v rozporu se zákonem je přísně zakázáno. Vzhledem k tomu, že původ předkládaných materiálů nelze žádným způsobem dohledat, nelze je použít pro komerční účely! Tento nekomerční server nemá z uvedených zapojení či konstrukcí žádný zisk. Nezodpovídáme za pravost předkládaných materiálů třetími osobami a jejich původ. V případě, že zjistíte porušení autorského práva či jiné nesrovnalosti, kontaktujte administrátory na diskuzním fóru EB.


PHP-Nuke Copyright © 2005 by Francisco Burzi. This is free software, and you may redistribute it under the GPL. PHP-Nuke comes with absolutely no warranty, for details, see the license.
Čas potřebný ke zpracování stránky 0.14 sekund