Vítejte na Elektro Bastlírn?
Nuke - Elektro Bastlirna
  Vytvořit účet Hlavní · Fórum · DDump · Profil · Zprávy · Hledat na fóru · Příspěvky na provoz EB

Vlákno na téma KORONAVIRUS - nutná registrace


Nuke - Elektro Bastlirna: Diskuzní fórum

 FAQFAQ   HledatHledat   Uživatelské skupinyUživatelské skupiny   ProfilProfil   Soukromé zprávySoukromé zprávy   PřihlášeníPřihlášení 

Sharp GF 500 rychlost motorku (přesunuto)

 
Přidat nové téma   Zaslat odpověď       Obsah fóra Diskuzní fórum Elektro Bastlírny -> Audiotechnika
Zobrazit předchozí téma :: Zobrazit následující téma  
Autor Zpráva
Toyota



Založen: Nov 27, 2012
Příspěvky: 48
Bydliště: Praha

PříspěvekZaslal: so srpen 23 2025, 19:04    Předmět: Sharp GF 500 rychlost motorku (přesunuto) Citovat

Zdravím, mohu někoho poprosit o radu při opravě radiomagnetofonu Sharp GF 500? Jedná se o problém s rychlostí obou motorků. Rychlost je vysoká, zdá se mi, že je to rychlost při rychlém nahrávání. Dá se to nějak zkorigovat? Tlačìtko dubing speed při zmáčknutí na rychlost nereaguje.

Díky Honza
Návrat nahoru
Zobrazit informace o autorovi Odeslat soukromou zprávu
samec



Založen: Dec 19, 2017
Příspěvky: 5748

PříspěvekZaslal: so srpen 23 2025, 23:32    Předmět: Citovat

Zrejme niekde nejaký blbý kontakt.
https://elektrotanya.com/sharp_gf-500_gf-500z.pdf/download.html
Prajem veľa šťatia. Podľa schémy sa v tom japonskí inžinieri riadne vyblbli.
Z niečoho tak jednoduchého, čo je v iných kazeťakoch riešené obyčajným prepínačom, tu urobili hotový orloj.
Návrat nahoru
Zobrazit informace o autorovi Odeslat soukromou zprávu
masar



Založen: Dec 03, 2005
Příspěvky: 13729

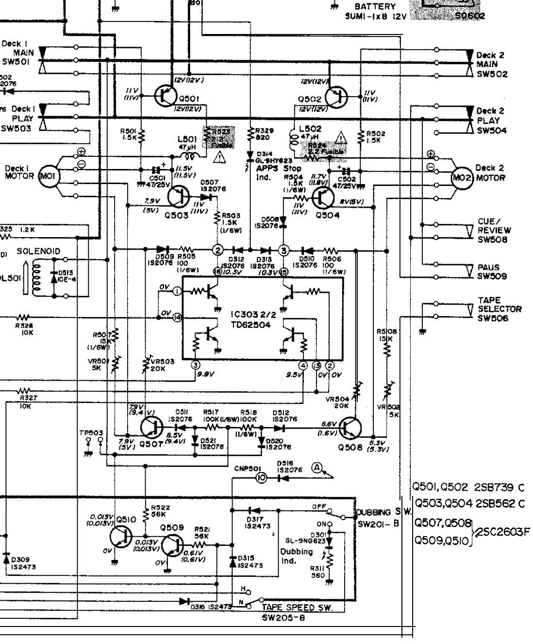
PříspěvekZaslal: ne srpen 24 2025, 10:22    Předmět: Citovat

Toyota napsal(a):
...Rychlost je vysoká, zdá se mi, že je to rychlost při rychlém nahrávání...
Zřejmě nejsou sepnuté tranzistory pro normální posuv:
Q507 - deck1
Q508 - deck2
Postupuj "odzadu" od těchto tranzistorů dále přes Q510 a Q509.
Při přepínání "Normal/High" se musí měnit úroveň na kolektoru Q510 (TP503).
Hlavně netoč s žádnými trimry.
Wink



prepínání rychlosti.png
 Komentář:
 Velikost:  132.69 kB
 Zobrazeno:  60 krát

prepínání rychlosti.png


Návrat nahoru
Zobrazit informace o autorovi Odeslat soukromou zprávu Odeslat e-mail
Zobrazit příspěvky z předchozích:   
Přidat nové téma   Zaslat odpověď       Obsah fóra Diskuzní fórum Elektro Bastlírny -> Audiotechnika Časy uváděny v GMT + 1 hodina
Strana 1 z 1

 
Přejdi na:  
Nemůžete odesílat nové téma do tohoto fóra.
Nemůžete odpovídat na témata v tomto fóru.
Nemůžete upravovat své příspěvky v tomto fóru.
Nemůžete mazat své příspěvky v tomto fóru.
Nemůžete hlasovat v tomto fóru.
Nemůžete připojovat soubory k příspěvkům
Můžete stahovat a prohlížet přiložené soubory

Powered by phpBB © 2001, 2005 phpBB Group
Forums ©
Nuke - Elektro Bastlirna

Informace na portálu Elektro bastlírny jsou prezentovány za účelem vzdělání čtenářů a rozšíření zájmu o elektroniku. Autoři článků na serveru neberou žádnou zodpovědnost za škody vzniklé těmito zapojeními. Rovněž neberou žádnou odpovědnost za případnou újmu na zdraví vzniklou úrazem elektrickým proudem. Autoři a správci těchto stránek nepřejímají záruku za správnost zveřejněných materiálů. Předkládané informace a zapojení jsou zveřejněny bez ohledu na případné patenty třetích osob. Nároky na odškodnění na základě změn, chyb nebo vynechání jsou zásadně vyloučeny. Všechny registrované nebo jiné obchodní známky zde použité jsou majetkem jejich vlastníků. Uvedením nejsou zpochybněna z toho vyplývající vlastnická práva. Použití konstrukcí v rozporu se zákonem je přísně zakázáno. Vzhledem k tomu, že původ předkládaných materiálů nelze žádným způsobem dohledat, nelze je použít pro komerční účely! Tento nekomerční server nemá z uvedených zapojení či konstrukcí žádný zisk. Nezodpovídáme za pravost předkládaných materiálů třetími osobami a jejich původ. V případě, že zjistíte porušení autorského práva či jiné nesrovnalosti, kontaktujte administrátory na diskuzním fóru EB.


PHP-Nuke Copyright © 2005 by Francisco Burzi. This is free software, and you may redistribute it under the GPL. PHP-Nuke comes with absolutely no warranty, for details, see the license.
Čas potřebný ke zpracování stránky 0.21 sekund