Vítejte na Elektro Bastlírn?
Nuke - Elektro Bastlirna
  Vytvořit účet Hlavní · Fórum · DDump · Profil · Zprávy · Hledat na fóru · Příspěvky na provoz EB

Vlákno na téma KORONAVIRUS - nutná registrace


Nuke - Elektro Bastlirna: Diskuzní fórum

 FAQFAQ   HledatHledat   Uživatelské skupinyUživatelské skupiny   ProfilProfil   Soukromé zprávySoukromé zprávy   PřihlášeníPřihlášení 

NZC431
Jdi na stránku 1, 2, 3, 4, 5, 6, 7, 8  Další
 
Přidat nové téma   Zaslat odpověď       Obsah fóra Diskuzní fórum Elektro Bastlírny -> Audiotechnika
Zobrazit předchozí téma :: Zobrazit následující téma  
Autor Zpráva
bonatius



Založen: Oct 24, 2007
Příspěvky: 92

PříspěvekZaslal: ne červenec 06 2025, 17:11    Předmět: NZC431 Citovat

Ahojte,
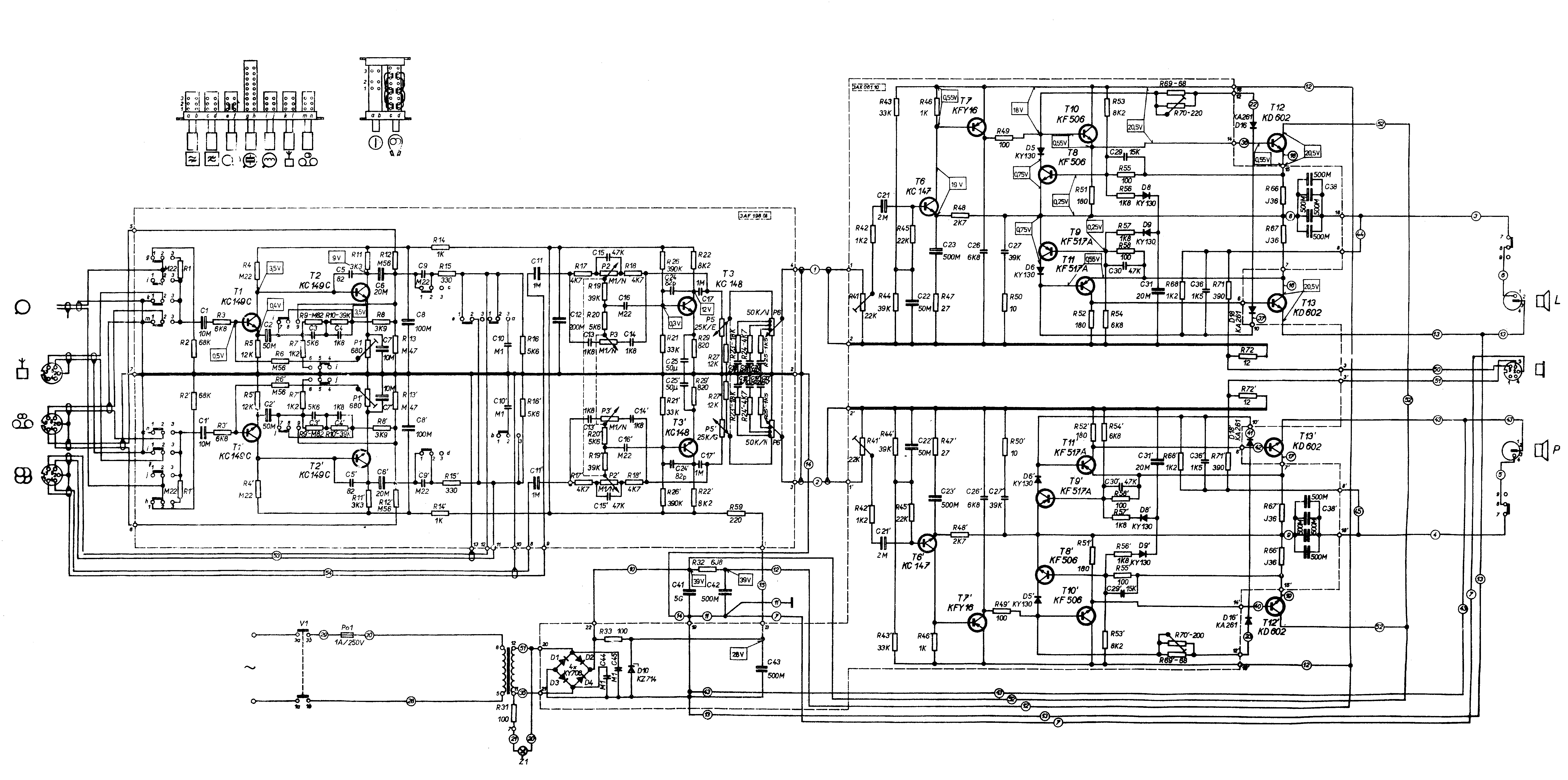
pokusam sa zrepasovat gramofon NZC431. Vymenil som stare kondenzatory za nove a aj vadne tranzistory. Obidva kanale zosilnovaca nejdu. V lavom kanali mi hori rezistor R52. Vymenil som tranzistory T6, T8, T10 a T11. Vsetky tranzistory na doske aj vykonove stupne som premeral a su dobre.
Skusal som si obvod simulovat v Multisime a ked som mal nezapojene tranzistory T10, T11, T12 a T13 tak napatia a tvar signalu sedeli so simulaciou.
Po pripojeni novych tranzistorov T10 a T11 sa zacal rezistor R52 nadmerne zohrievat.
Potreboval by som poradit na co sa mam zamerat.
Dakujem.



nzc431_zes2_882.png
 Komentář:
 Velikost:  265.01 kB
 Zobrazeno:  296 krát

nzc431_zes2_882.png


Návrat nahoru
Zobrazit informace o autorovi Odeslat soukromou zprávu
rnbw



Založen: Mar 21, 2006
Příspěvky: 36825
Bydliště: Bratislava

PříspěvekZaslal: ne červenec 06 2025, 17:19    Předmět: Citovat

Ake tranzistory si pouzil ako nahradu? Maju rovnako zapojene vyvody?
Návrat nahoru
Zobrazit informace o autorovi Odeslat soukromou zprávu
bonatius



Založen: Oct 24, 2007
Příspěvky: 92

PříspěvekZaslal: ne červenec 06 2025, 17:28    Předmět: Citovat

T6-BC546B, T7-BD140, T8-BD139, T9-BD140, T10-BD139, T11-BD140

zapojenie vyvodov som niekolko razy kontroloval a su zapojene spravne
Návrat nahoru
Zobrazit informace o autorovi Odeslat soukromou zprávu
EKKAR



Založen: Mar 16, 2005
Příspěvky: 34784
Bydliště: Česká Třebová, JN89FW21

PříspěvekZaslal: ne červenec 06 2025, 17:35    Předmět: Citovat

S výjimkou BC mají všecky cos použil kolektor na středním vývodu. Počítal jsi s tím při osazování?
_________________
Nasliněný prst na svorkovnici domovního rozvaděče: Jó, paninko, máte tam ty Voltíky všecky...
A kutilmile - nelituju tě Mr. Green Mr. Green !!!
Návrat nahoru
Zobrazit informace o autorovi Odeslat soukromou zprávu Odeslat e-mail
bonatius



Založen: Oct 24, 2007
Příspěvky: 92

PříspěvekZaslal: ne červenec 06 2025, 17:39    Předmět: Citovat

EKKAR napsal(a):
S výjimkou BC mají všecky cos použil kolektor na středním vývodu. Počítal jsi s tím při osazování?


ano, vyvody som upravoval (vyhybal), aby boli tranzistory spravne osadene
Návrat nahoru
Zobrazit informace o autorovi Odeslat soukromou zprávu
ok1hga



Založen: Nov 28, 2006
Příspěvky: 12581
Bydliště: Česká Třebová

PříspěvekZaslal: ne červenec 06 2025, 17:56    Předmět: Citovat

nějak nechápu tvé počínání . . .
to byly všechny tranzistory vadné ?
jak jsi to zjistil ??
jak se choval zesilovač než jsi do něj zasáhl ???
nemůžu se zbavit dojmu, že vůbec nechápeš jak ten zesík funguje . . .
Návrat nahoru
Zobrazit informace o autorovi Odeslat soukromou zprávu
samec



Založen: Dec 19, 2017
Příspěvky: 5902

PříspěvekZaslal: ne červenec 06 2025, 18:01    Předmět: Citovat

bonatius napsal(a):
Skusal som si obvod simulovat v Multisime a ked som mal nezapojene tranzistory T10, T11, T12 a T13 tak napatia a tvar signalu sedeli so simulaciou.
Po pripojeni novych tranzistorov T10 a T11 sa zacal rezistor R52 nadmerne zohrievat.
Ak nemáš zapojený T13, tak R52 samozrejme hreje. Obvody so spätnou väzbou nejde len tak zapájať po častiach.
Návrat nahoru
Zobrazit informace o autorovi Odeslat soukromou zprávu
BOBOBO
Doporučuje se dohled moderátorů


Založen: Feb 25, 2008
Příspěvky: 20486
Bydliště: Rychnovsko

PříspěvekZaslal: ne červenec 06 2025, 18:07    Předmět: Citovat

Ano , jaxi měřit před zásahem je základ opravára .
Návrat nahoru
Zobrazit informace o autorovi Odeslat soukromou zprávu
ok1hga



Založen: Nov 28, 2006
Příspěvky: 12581
Bydliště: Česká Třebová

PříspěvekZaslal: ne červenec 06 2025, 18:50    Předmět: Citovat

doporučuji si prostudovat starší vlákna tady a taky tady . . .
a vůbec si nejdříve zjistit jak tento typ zesilovače vlastně funguje a co tam jednotlivé tranzistory dělají, jakou mají funkci . . .
pak si v hlavě vytvořit postup odkud kam postupovat a co měřit.
ze zjištěných poznatků vydedukovat kde je závada a tu odstranit . . .
Návrat nahoru
Zobrazit informace o autorovi Odeslat soukromou zprávu
vlastoTN



Založen: Oct 06, 2017
Příspěvky: 152

PříspěvekZaslal: ne červenec 06 2025, 20:44    Předmět: Citovat

Skontrolovať zdroj,C41, v schéme sú napätia potom aj tie
Návrat nahoru
Zobrazit informace o autorovi Odeslat soukromou zprávu
jojosuly



Založen: Aug 22, 2006
Příspěvky: 300
Bydliště: Kysuce

PříspěvekZaslal: čt červenec 10 2025, 15:23    Předmět: Citovat

Mám voľný NZC 420 s funkčným zosilňovačom, ak je záujem SZ
Návrat nahoru
Zobrazit informace o autorovi Odeslat soukromou zprávu Odeslat e-mail
bonatius



Založen: Oct 24, 2007
Příspěvky: 92

PříspěvekZaslal: ne srpen 24 2025, 17:09    Předmět: Citovat

Vykonove tranzistory som nahradil rezistormi 100 R a pri merani som zistil, ze je v jednom kanali odpaleny tranzistor T10. Ked meriam vystupny signal na rezistoroch 100 R, ktorymi som nahradil vykonove tranzistory T12 a T13, na T12 vidim pekny zosilneny signal, ale na pine c.6 (baza T13) vidim v dolnej polovici skresleny signal, vid. obr.
Vedeli by ste mi, prosim, poradit v com by mohol byt problem, na co sa mam zamerat?
Dakujem.



T13-6-output-2.jpg
 Komentář:
T13-output
 Velikost:  234.43 kB
 Zobrazeno:  21 krát

T13-6-output-2.jpg


Návrat nahoru
Zobrazit informace o autorovi Odeslat soukromou zprávu
Hill
Administrátor


Založen: Sep 10, 2004
Příspěvky: 20886
Bydliště: Jičín, Český ráj

PříspěvekZaslal: ne srpen 24 2025, 17:35    Předmět: Citovat

Odpory nezesilují a T11 na to sám nestačí.
Návrat nahoru
Zobrazit informace o autorovi Odeslat soukromou zprávu
bonatius



Založen: Oct 24, 2007
Příspěvky: 92

PříspěvekZaslal: ne srpen 24 2025, 17:41    Předmět: Citovat

Hill napsal(a):
Odpory nezesilují a T11 na to sám nestačí.


T12 a T13 som nahradil rezistormi, lebo cakam na nove. Teraz som hladal chybu, preco dany kanal nefunguje a zistil som, ze na jednom vystupe je deformovany signal. Neviem v com je chyba.
Návrat nahoru
Zobrazit informace o autorovi Odeslat soukromou zprávu
masar



Založen: Dec 03, 2005
Příspěvky: 13853

PříspěvekZaslal: ne srpen 24 2025, 17:58    Předmět: Citovat

Tak von utrhne bleše nohy a pak zkoumá, proč neskáče. Fakt dobrý.
Wink
Návrat nahoru
Zobrazit informace o autorovi Odeslat soukromou zprávu Odeslat e-mail
Zobrazit příspěvky z předchozích:   
Přidat nové téma   Zaslat odpověď       Obsah fóra Diskuzní fórum Elektro Bastlírny -> Audiotechnika Časy uváděny v GMT + 1 hodina
Jdi na stránku 1, 2, 3, 4, 5, 6, 7, 8  Další
Strana 1 z 8

 
Přejdi na:  
Nemůžete odesílat nové téma do tohoto fóra.
Nemůžete odpovídat na témata v tomto fóru.
Nemůžete upravovat své příspěvky v tomto fóru.
Nemůžete mazat své příspěvky v tomto fóru.
Nemůžete hlasovat v tomto fóru.
Nemůžete připojovat soubory k příspěvkům
Můžete stahovat a prohlížet přiložené soubory

Powered by phpBB © 2001, 2005 phpBB Group
Forums ©
Nuke - Elektro Bastlirna

Informace na portálu Elektro bastlírny jsou prezentovány za účelem vzdělání čtenářů a rozšíření zájmu o elektroniku. Autoři článků na serveru neberou žádnou zodpovědnost za škody vzniklé těmito zapojeními. Rovněž neberou žádnou odpovědnost za případnou újmu na zdraví vzniklou úrazem elektrickým proudem. Autoři a správci těchto stránek nepřejímají záruku za správnost zveřejněných materiálů. Předkládané informace a zapojení jsou zveřejněny bez ohledu na případné patenty třetích osob. Nároky na odškodnění na základě změn, chyb nebo vynechání jsou zásadně vyloučeny. Všechny registrované nebo jiné obchodní známky zde použité jsou majetkem jejich vlastníků. Uvedením nejsou zpochybněna z toho vyplývající vlastnická práva. Použití konstrukcí v rozporu se zákonem je přísně zakázáno. Vzhledem k tomu, že původ předkládaných materiálů nelze žádným způsobem dohledat, nelze je použít pro komerční účely! Tento nekomerční server nemá z uvedených zapojení či konstrukcí žádný zisk. Nezodpovídáme za pravost předkládaných materiálů třetími osobami a jejich původ. V případě, že zjistíte porušení autorského práva či jiné nesrovnalosti, kontaktujte administrátory na diskuzním fóru EB.


PHP-Nuke Copyright © 2005 by Francisco Burzi. This is free software, and you may redistribute it under the GPL. PHP-Nuke comes with absolutely no warranty, for details, see the license.
Čas potřebný ke zpracování stránky 0.35 sekund