Vítejte na Elektro Bastlírn?
Nuke - Elektro Bastlirna
  Vytvořit účet Hlavní · Fórum · DDump · Profil · Zprávy · Hledat na fóru · Příspěvky na provoz EB

Vlákno na téma KORONAVIRUS - nutná registrace


Nuke - Elektro Bastlirna: Diskuzní fórum

 FAQFAQ   HledatHledat   Uživatelské skupinyUživatelské skupiny   ProfilProfil   Soukromé zprávySoukromé zprávy   PřihlášeníPřihlášení 

LM317 - regulace výstupu od nuly
Jdi na stránku 1, 2  Další
 
Přidat nové téma   Zaslat odpověď       Obsah fóra Diskuzní fórum Elektro Bastlírny -> Teorie
Zobrazit předchozí téma :: Zobrazit následující téma  
Autor Zpráva
Milan



Založen: Apr 02, 2012
Příspěvky: 1430
Bydliště: Vysočina

PříspěvekZaslal: po květen 19 2025, 14:27    Předmět: LM317 - regulace výstupu od nuly Citovat

Snažil jsem se pochopit vzorec uvedený v katalogu pro výst.napětí LM317
v sestavě "od nuly" , ale nějak mi to nejde .... viz. obrázek. Myslel jsem si
podle různých schemat s regulací od nuly, že se v tomto případě od výst. napětí odečte jen napětí na diodě třeba cca 1,25V . Na obrázku však evidentně na úbytku na diodě nezáleží , čili bylo by jedno, jestli je 0 nebo třeba 50V .
To mi tedy nějak "neštimuje" . Měl by někdo teoretické vysvětlení uvedeného vzorce ?



lm 317 od nuly.jpg
 Komentář:
 Velikost:  90.73 kB
 Zobrazeno:  139 krát

lm 317 od nuly.jpg


Návrat nahoru
Zobrazit informace o autorovi Odeslat soukromou zprávu
Mahoney



Založen: Oct 26, 2019
Příspěvky: 658

PříspěvekZaslal: po květen 19 2025, 14:38    Předmět: Citovat

Vždyť to vysvětlení máš napsáno přímo v tom obrázku, je to možné díky tomu, že posuneš napěťovou referenci na nejnižší možnou hodnotu, co ten obvod umožňuje, tj. dojde ke změně napěťové reference.
Návrat nahoru
Zobrazit informace o autorovi Odeslat soukromou zprávu
Milan



Založen: Apr 02, 2012
Příspěvky: 1430
Bydliště: Vysočina

PříspěvekZaslal: po květen 19 2025, 14:41    Předmět: Citovat

Asi se blbě koukám , ale na co pak je v tom obvodu ta dioda a proč se v tom vzorci nijak neuplatní úbytek napětí na ní ?
Návrat nahoru
Zobrazit informace o autorovi Odeslat soukromou zprávu
ondraN



Založen: Aug 16, 2022
Příspěvky: 800
Bydliště: Roztoky

PříspěvekZaslal: po květen 19 2025, 14:42    Předmět: Citovat

A ta dioda je polarizovaná závěrně, takže nemá žádný vliv. Pouze když zdroj -10V odpojíš, tak zajistí že se na výstupu objeví jen minimální napětí, což omezí případné škody na napájených obvodech.
Návrat nahoru
Zobrazit informace o autorovi Odeslat soukromou zprávu Odeslat e-mail
Milan



Založen: Apr 02, 2012
Příspěvky: 1430
Bydliště: Vysočina

PříspěvekZaslal: po květen 19 2025, 15:05    Předmět: Citovat

No to bych tedy neřekl - když bude na výstupu třeba 30V , dioda zřejmě
povede......
Návrat nahoru
Zobrazit informace o autorovi Odeslat soukromou zprávu
HF_Tech



Založen: Apr 25, 2022
Příspěvky: 1823

PříspěvekZaslal: po květen 19 2025, 16:25    Předmět: Citovat

Vtip je v tom, že ten obrázek překresloval nějaký diletant a nemá tam být dioda, ale napěťová reference LM113 - tj. bude stabilizovat -1,2V a pak to bude regulovat skoro od 0V.
Návrat nahoru
Zobrazit informace o autorovi Odeslat soukromou zprávu
barnodaj



Založen: Apr 16, 2011
Příspěvky: 968
Bydliště: Vodňansko

PříspěvekZaslal: po květen 19 2025, 16:43    Předmět: Citovat

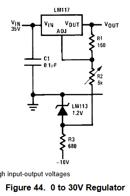
Ano, originál vypadá takto:


lm317.png
 Komentář:
 Velikost:  13.27 kB
 Zobrazeno:  31 krát

lm317.png


Návrat nahoru
Zobrazit informace o autorovi Odeslat soukromou zprávu
Milan



Založen: Apr 02, 2012
Příspěvky: 1430
Bydliště: Vysočina

PříspěvekZaslal: po květen 19 2025, 17:24    Předmět: Citovat

To ovšem nijak nevysvětluje uvedený vzorec pro výstupní napětí , protože
napětí na diodě v něm zastoupeno není. Zato je v něm "vydatně " zastoupeno pomocné napětí -10V , jehož případná nestabilita významně ovlivní výstupní napětí. Podivné , skoro bych řekl, že je vzorec špatně .......
Návrat nahoru
Zobrazit informace o autorovi Odeslat soukromou zprávu
Celeron



Založen: Apr 02, 2011
Příspěvky: 20110
Bydliště: Nový Bydžov

PříspěvekZaslal: po květen 19 2025, 17:27    Předmět: Citovat

Tady máš regulovanej symetrickej zdroj od nuly až ± 15V. Kdysi jsem si ho postavil ve variantě do ±25V. Aby se na malý výstupní napětí a velkej proud moc netejraly stabilizátory, tak je na potenciometru vačka, která přepíná přes silový kontakty mikrospínače odbočky na trafu.
Je to z AR KE 5/2009.



Screenshot 2025-05-19 18.18.05.png
 Komentář:
 Velikost:  76.74 kB
 Zobrazeno:  51 krát

Screenshot 2025-05-19 18.18.05.png



_________________
Jirka

Proč mi nemůže všechno chodit hned ?!!
Návrat nahoru
Zobrazit informace o autorovi Odeslat soukromou zprávu
ondraN



Založen: Aug 16, 2022
Příspěvky: 800
Bydliště: Roztoky

PříspěvekZaslal: po květen 19 2025, 17:45    Předmět: Citovat

Milan napsal(a):
No to bych tedy neřekl - když bude na výstupu třeba 30V , dioda zřejmě
povede......


To ani náhodou. Pro výstup 30V bude proud zpětnou vazbou cca 10mA a na anodě diody bude cca -3,2V, na katodě 0V, takže jen závěrný proud.

V tomhle schématu je opravdu ta dioda jen jako ochrano při vypnutí záporného zdroje. A na jeho stabilitě samozřejmě záleží i stabilita výstupního napětí. Ostatně je to napsáno i v tom textu, který asi nikdo nečetl a zcela jasně to plyne i ze vzorečku pro výstupní napětí.
Návrat nahoru
Zobrazit informace o autorovi Odeslat soukromou zprávu Odeslat e-mail
Dumitru



Založen: Dec 11, 2015
Příspěvky: 239
Bydliště: Slovensko,Bratislava

PříspěvekZaslal: po květen 19 2025, 17:49    Předmět: Citovat

Nepovede, na dióde bude niečo okolo -2,9V.


Žeby urobili chybu aj vo vzorci ? Very Happy
Návrat nahoru
Zobrazit informace o autorovi Odeslat soukromou zprávu Odeslat e-mail
Milan



Založen: Apr 02, 2012
Příspěvky: 1430
Bydliště: Vysočina

PříspěvekZaslal: po květen 19 2025, 18:40    Předmět: Citovat

Ondro, třeba je to tak, jak píšeš . Pak by ovšem nemělo smysl dávat tam
místo diody referenci 1.25V viz schema od Bernarda anebo zenerky viz schema od Celerona , tj. něco, co má přiměřeně stabilní napětí.
Rád bych tomu přišel na kloub a porozuměl tomu detailně - na tento problém jsem narazil při pokusu o aplikaci řízení LM317 dle tohoto článku
http://www.imajeenyus.com/electronics/20160517_potentiometer_feedback/index.shtml . Chtěl bych zkusit obé zkombinovat, ale bez detailní znalosti je to problém - jak to spočítat, jak se to bude chovat v mezních stavech atd.
Návrat nahoru
Zobrazit informace o autorovi Odeslat soukromou zprávu
Bernard



Založen: May 27, 2005
Příspěvky: 3655

PříspěvekZaslal: po květen 19 2025, 19:10    Předmět: Citovat

Vzorec je špatný, reprezentuje zapojení bez té posouvající "zenerky", tedy přídavného paralelního stabilizátoru posouvajícího napětí -1,2 V. Ve vzorci se nemá vyskytovat R3 a místo -10V má být -1,2V. Tedy

Vout = Vref(1+R2/R1) - 1,2V

Zdroj -10V a odpor R3 se starají o příčný proud tím stabilizátorem -1,2V.
Návrat nahoru
Zobrazit informace o autorovi Odeslat soukromou zprávu
Dumitru



Založen: Dec 11, 2015
Příspěvky: 239
Bydliště: Slovensko,Bratislava

PříspěvekZaslal: po květen 19 2025, 19:21    Předmět: Citovat

Very Happy snáď som to tam načarbal že sa to bude dať precitať Very Happy



1 - je odvodený vzorec keď je tam -10V

2- je odvodený vzorec keď tých -10V stabilizujeme na -1.2V


1,25 = Vr1 = Vref


Obidva zapojenia sú funkčne a nikto sa nikde nepomýlil Very Happy

Za chvíľu skonvertujem na samponka a budem perom aj schémy kresliť Very Happy Very Happy Very Happy



o.jpg
 Komentář:
 Velikost:  282.64 kB
 Zobrazeno:  38 krát

o.jpg


Návrat nahoru
Zobrazit informace o autorovi Odeslat soukromou zprávu Odeslat e-mail
ondraN



Založen: Aug 16, 2022
Příspěvky: 800
Bydliště: Roztoky

PříspěvekZaslal: po květen 19 2025, 19:30    Předmět: Citovat

Ten vzorec který je u toho scématu je zcela správně. To zapojení s tou stabilizační diodou má obdobný vzorec, ale s jinýma hodnotama, protože tam je místo -10V jen -1,2V (na té stabilizační diodě). Pak jsou ale rozdílné hodnoty rezistorů ve zpětnovazební větvi, aby seděla regulace min-max.
To první zapojení od autora tématu by bylo vhodné třeba k referenčnímu zdroji typu REF01 (10V) s plovoucím napájením.
Obecně vzato, mohu to záporné napětí mít libovolné v rozsahu -1,25V až -xxxx, ale musím si k tomu přepočítat rezistory ve zpětné vazbě a počítat s tím, že změna záporného napětí se mi projeví na výstupu stabilizátoru.
Další věc je, že toto zapojení bude mít okolo nulového výstupního napětí dost blbou regulační charakteristiku, protože bude regulační tranzistor uvnitř IO pracovat s velmi malými proudy.

EDIT. dumitru byl rychlejší Razz
Návrat nahoru
Zobrazit informace o autorovi Odeslat soukromou zprávu Odeslat e-mail
Zobrazit příspěvky z předchozích:   
Přidat nové téma   Zaslat odpověď       Obsah fóra Diskuzní fórum Elektro Bastlírny -> Teorie Časy uváděny v GMT + 1 hodina
Jdi na stránku 1, 2  Další
Strana 1 z 2

 
Přejdi na:  
Nemůžete odesílat nové téma do tohoto fóra.
Nemůžete odpovídat na témata v tomto fóru.
Nemůžete upravovat své příspěvky v tomto fóru.
Nemůžete mazat své příspěvky v tomto fóru.
Nemůžete hlasovat v tomto fóru.
Nemůžete připojovat soubory k příspěvkům
Můžete stahovat a prohlížet přiložené soubory

Powered by phpBB © 2001, 2005 phpBB Group
Forums ©
Nuke - Elektro Bastlirna

Informace na portálu Elektro bastlírny jsou prezentovány za účelem vzdělání čtenářů a rozšíření zájmu o elektroniku. Autoři článků na serveru neberou žádnou zodpovědnost za škody vzniklé těmito zapojeními. Rovněž neberou žádnou odpovědnost za případnou újmu na zdraví vzniklou úrazem elektrickým proudem. Autoři a správci těchto stránek nepřejímají záruku za správnost zveřejněných materiálů. Předkládané informace a zapojení jsou zveřejněny bez ohledu na případné patenty třetích osob. Nároky na odškodnění na základě změn, chyb nebo vynechání jsou zásadně vyloučeny. Všechny registrované nebo jiné obchodní známky zde použité jsou majetkem jejich vlastníků. Uvedením nejsou zpochybněna z toho vyplývající vlastnická práva. Použití konstrukcí v rozporu se zákonem je přísně zakázáno. Vzhledem k tomu, že původ předkládaných materiálů nelze žádným způsobem dohledat, nelze je použít pro komerční účely! Tento nekomerční server nemá z uvedených zapojení či konstrukcí žádný zisk. Nezodpovídáme za pravost předkládaných materiálů třetími osobami a jejich původ. V případě, že zjistíte porušení autorského práva či jiné nesrovnalosti, kontaktujte administrátory na diskuzním fóru EB.


PHP-Nuke Copyright © 2005 by Francisco Burzi. This is free software, and you may redistribute it under the GPL. PHP-Nuke comes with absolutely no warranty, for details, see the license.
Čas potřebný ke zpracování stránky 0.30 sekund