Vítejte na Elektro Bastlírn?
Nuke - Elektro Bastlirna
  Vytvořit účet Hlavní · Fórum · DDump · Profil · Zprávy · Hledat na fóru · Příspěvky na provoz EB

Vlákno na téma KORONAVIRUS - nutná registrace


Nuke - Elektro Bastlirna: Diskuzní fórum

 FAQFAQ   HledatHledat   Uživatelské skupinyUživatelské skupiny   ProfilProfil   Soukromé zprávySoukromé zprávy   PřihlášeníPřihlášení 

Přebíjení akumulátoru zahradní traktor - John Deere RX75
Jdi na stránku 1, 2, 3  Další
 
Přidat nové téma   Zaslat odpověď       Obsah fóra Diskuzní fórum Elektro Bastlírny -> Auto - Moto technika
Zobrazit předchozí téma :: Zobrazit následující téma  
Autor Zpráva
Ferdinand



Založen: Feb 24, 2017
Příspěvky: 88

PříspěvekZaslal: st květen 07 2025, 17:15    Předmět: Přebíjení akumulátoru zahradní traktor - John Deere RX75 Citovat

Zdravím, řeším takovou záludnost. Mám sekací traktor John Deere RX75 s motorem Kawasaki FC290V s elektrickým startováním. Je tu použita elektroinstalace 12V. Startér je 600 W. Na doporučení servisního manuálu používám aku s 250 A startovacím proudem z motorky. Problém je, že na plný plyn přebíjí klidně 22 V.

Ze servisního manuálu jsem zjistil následující. Osazovaly se dvě varianty jednofázových alternátorů. Slabší, ze kterého vede pouze jeden vodič, za kterým je pouze usměrňovač a má za ním být DC 12 V, 3 A. Silnější (kvůli světlu atd.), ze kterého vedou dva vodiče a v tomhle případě tam byl regulátor, za kterým mělo být 12 V a 13 A. Mám tu slabší verzi jen na dobíjení.

Co mám dělat, když mi to přebíjí? Nechápu, že tam není regul. Napadlo mě ho tam dodat. Koupil jsem takový univerzál, co se používá do Briggs a Straton sekaček. Má ale na vstupu dva vodiče. Proč jde z mého altíku jen jeden vodič, je alt ukostřen patrně na stator? Můžu ten regul použít? Můžu druhý vodič do regulu natáhnout kostru?
Čekám, až dojde náhradní usměrňovač, jestli třeba není regulace v něm. Vcera jsem starý kuchnul, ale nic v něm extra není co k vidění. Už fakt nevím, jak to zbastlit. Díky
Návrat nahoru
Zobrazit informace o autorovi Odeslat soukromou zprávu
BOBOBO
Doporučuje se dohled moderátorů


Založen: Feb 25, 2008
Příspěvky: 20597
Bydliště: Rychnovsko

PříspěvekZaslal: čt květen 08 2025, 5:40    Předmět: Citovat

Nepíšeš , kolik dává při zapnutých světlech , jestli je to OK , a předpokládám , že bude , musíš mít rozsvíceno vždy . Pokud to bude stejné , či to chceš změnit , potom přes rozumný odpor dát zkratový regulátor . Pod tímto heslem zde hledej .
Návrat nahoru
Zobrazit informace o autorovi Odeslat soukromou zprávu
hajeklubos



Založen: May 01, 2008
Příspěvky: 878
Bydliště: Praha 5

PříspěvekZaslal: čt květen 08 2025, 9:07    Předmět: Citovat

Tebou uváděné hodnoty jsou poněkud chaotické až podivné.
Provedl bych obecná základní měření. Měřit vždy na svorkách akumulátoru!
Jaký je akumulátor? Kolik má amperhodin?
Napětí na acu naprázdno, když neběží motor je jaké? Jaké je napětí na svorkách odpojeného acu při zatížení tak 100A po dobu 2s? Nemělo by chodit pod 8V. Dobíjení bude patrně na principu, že „chodí přes cívku“ permanentní magnet a je přiřazen jednocestný usměrňovač. Regulátor říkáš není. Změřit napětí na svorkách akumulátoru při roztočeném motoru a zároveň měřit proud do něj. Případně připojit jiný podobný funkční akumulátor do 50Ah. Jak se hodnoty změnily. Na proud musíš použít multimetr, který umí RMS nebo ručičkový deprez. Jinak naměříš blbosti, protože jde o nabíjení pulzem. Na světla bude druhá cívka. Něco jako měl fichtl JAWA50.
Do změny tovární elektroinstalace bych se příliš nehrnul.
Luboš
Návrat nahoru
Zobrazit informace o autorovi Odeslat soukromou zprávu
Sandal



Založen: May 22, 2006
Příspěvky: 2838
Bydliště: Posázaví (JN79LT)

PříspěvekZaslal: čt květen 08 2025, 10:34    Předmět: Citovat

On nemá světla. Jen se o nich zmiňuje, že jiné traktory JD je mají.
_________________
Lepší jednou ukázat, než desetkrát vysvětlovat Smile
Návrat nahoru
Zobrazit informace o autorovi Odeslat soukromou zprávu
hajeklubos



Založen: May 01, 2008
Příspěvky: 878
Bydliště: Praha 5

PříspěvekZaslal: čt květen 08 2025, 12:03    Předmět: Citovat

Uvádím obecný postup, který platí vždy. Ještě bych doplnil preventivní kontrolu „kostry“,když už je nějaký problém, tam to často začíná.
Vyčistit kontakty baterie. Povolit a vyčistit ukostření baterie na karoserii, propojení kasle na motor.
Propojení těla alternátoru na motor. Atd. Vyčistit namazat utáhnout. Co je mastné není „rezavé“. Už se to na EB řešilo. Přechodové odpory!!!
Luboš
Návrat nahoru
Zobrazit informace o autorovi Odeslat soukromou zprávu
Ferdinand



Založen: Feb 24, 2017
Příspěvky: 88

PříspěvekZaslal: pá květen 09 2025, 21:08    Předmět: Citovat

Akumulátor je z motorky Varta TX20L-4. Dodává 250 A a má 12 Ah. Specifikace jsou podle servisního doporučení. Gelovka je to proto, že prý snese cětší proudy. Světla to nemá. Elektroinstalace je hodně primitivní. Jediná kostra (i kostra vedoucí z aku) je na startér, nic dalšího. + jde přes cívku na startér. Altík jsou 4 cívky a proti nim magnety, to sedí. Nevím, jak to bylo myšleno ve výrobě, ale existovaly právě ty dva typy. S rwgulem a bez. Nevím proč.

Aku na prázdno drží 12,5 - 12,6 V. Když otočím klíčem ve spínačce, sepne relé (nevím od čeho, nevím, co spíná) a napětí klesne na 12,45 V a motá se to kolem téhle hodnoty.

Dneska jsem nahradil usměrňovač regulátorem z Briggs a straton a pomohlo to, ovšem po hodině práce dává při plném plynu lehce přes 15 V. Taková situace ale při práci nikdy nenastane. Provozní režim je skoro o 2000 ot. méně a i při zatížení během sekání se motor nikdy nevytočí do maxima, takže pak se to pohybuje někde kolem 14,2 - 14,8 V, co jsem naměřil.

Také mi bylo sděleno, že starší altík může dávat víc, že se nějak nabijí magnety časem nebo co. Sám bych tomu nevěřil. Je to vůbec možné? Nechápu totiž, jak mohla originální elektroinstalace mít jenom usměrňovač.
Návrat nahoru
Zobrazit informace o autorovi Odeslat soukromou zprávu
BOBOBO
Doporučuje se dohled moderátorů


Založen: Feb 25, 2008
Příspěvky: 20597
Bydliště: Rychnovsko

PříspěvekZaslal: pá květen 09 2025, 21:13    Předmět: Citovat

Dokola , více než 14V ti zlikviduje baterku .
Návrat nahoru
Zobrazit informace o autorovi Odeslat soukromou zprávu
Ferdinand



Založen: Feb 24, 2017
Příspěvky: 88

PříspěvekZaslal: pá květen 09 2025, 23:56    Předmět: Citovat

Vůbec se tu proto nesnažím získat pomoci erudovanějších. To jsem rád, že to vím, že si zničím baterku...

Netuším, jestli si ten zkratový regulátor musím nechat vyrobit nebo kde ho získat. Valná většina shopů podrobnosti nesděluje. Další věc je, že potřebuji, aby z něj trčely dva vodiče, a to AC vstup a DC výstup, jinak nevím, co bych kam připojoval, na to to asi není dělané.

Regulátor z Briggse asi není optimální (https://www.hsparts.cz/regulator-napeti-pro-motory-briggs-amp-stratton-5-9-amp-oem-794360-491546-691188-793360-256400-28b700-28m700-28q700-351400-351700-42a700/?gad_source=1&gad_campaignid=17416528686&gbraid=0AAAAADbuPlP2t6_vvwFGBfbm66pgJTnE2&gclid=CjwKCAjwz_bABhAGEiwAm-P8YT43ZKfwr68ubvfD2X7gMsgOzcNyV5cxsBZzDiChZ3xWieNHb8aB_BoC7mEQAvD_BwE) tak asi budu muset kupovat do zblbnutí regulátory, až se to trefí.
V pondělí zavolám do ignitechu do Přelouče a třeba mě nasměrují méně trnitou cestou.

Moc by mé zajímalo, jaktože ten stroj 38 let pracoval bez regulátoru a najednou je to problém. To nechápu vůbec.
Návrat nahoru
Zobrazit informace o autorovi Odeslat soukromou zprávu
hajeklubos



Založen: May 01, 2008
Příspěvky: 878
Bydliště: Praha 5

PříspěvekZaslal: so květen 10 2025, 7:14    Předmět: Citovat

Nepíšeš nic o proudech které do baterky chodí. Přechoďáky na kabelech jsi zkontroloval, i na +.
Jinak je to marný boj. Mám obavu, že bude nějaký problém s vnitřním odporem baterie a neregulovaný alternátor jede skoro naprázdno. To by odpovídalo tomu vysokému napětí. Nabíjecí proud bude tak minimální. Díval jsem se na parametry tvého acu 12V/18Ah. Bohužel jsem nenašel hodnotu kterou oni značí „CYCLIC USE. Obvykle bývá 14.7až15V. Třeba bude napsaná na baterce. Tak,že vložením regulátoru jsi podle mého názoru udělal maximum. Dál bych to nehrotil. Nějaké desetiny a setiny bych nehonil. Ještě si pohlídej teplotu baterie. Já bych ještě vyzkoušel jinou funkční baterku. Hlavně bych provedl měření v případě nové baterie. Proudy ty uvaří baterku. Před lety jsem měnil nějaké součástky v takovém regulátoru. To nenabíjelo vůbec, vstupní napětí bylo také vysoko.
Luboš
Návrat nahoru
Zobrazit informace o autorovi Odeslat soukromou zprávu
BOBOBO
Doporučuje se dohled moderátorů


Založen: Feb 25, 2008
Příspěvky: 20597
Bydliště: Rychnovsko

PříspěvekZaslal: so květen 10 2025, 7:28    Předmět: Citovat

V rubrice Hledat na foru , úvodní stránka nahoře , zadej zkratový regulátor . Přečti , z pár součástek postav-nech postavit kamaráda a máš navždy pokoj .
Návrat nahoru
Zobrazit informace o autorovi Odeslat soukromou zprávu
Ferdinand



Založen: Feb 24, 2017
Příspěvky: 88

PříspěvekZaslal: so květen 10 2025, 11:33    Předmět: Citovat

Já vám děkuji. Vyloženě elektrikáře, vo by pro měbtuhle srandu poskládal nemám a ignitech chce za svůj regulátor 3k. Ten je ale třífázový. Že by snad někdo odtud byl ochoten tuhle lumpárnu spáchat? Ten můj altík je asi jednofáze, jde z něj pouze ten jeden vodič, jak jsem psal.

Můžete mi někdo prosím osvětlit, proč po letech z toho altu leze víc? Že to ta aku nechce brát nebo o co tam jde, tomu bych asi věřil. Jediná příhoda, která se mi stala, tak zůstala viset vívka od startéru a dtartovalo to bez zapalování asi minutu a půl v kuse, ALE zároveň s tím vypadl pastorek po pár sekundách, takže ten startér se točil na prázdno bez zátěže - to snad nemohlo aku poznamenat.
Návrat nahoru
Zobrazit informace o autorovi Odeslat soukromou zprávu
hajeklubos



Založen: May 01, 2008
Příspěvky: 878
Bydliště: Praha 5

PříspěvekZaslal: so květen 10 2025, 12:25    Předmět: Citovat

Podle mého názoru nepostupuješ správně. Řešíš následek nikoliv příčinu. Výrobce přece nepustí do hromadné výroby nabíjení, které není schopné provozu. Měření proudu ani test s jinou baterií jsi patrně neprovedl. Nemá cenu fabulovat, když nejsou na stole změřené hodnoty. Já bych do žádných dalších regulátorů nešel. Základ je opravit stávající systém. To je asi vše co k tomu mohu říci.
Víš určitě, že tvůj měřák nekecá???
Luboš
Návrat nahoru
Zobrazit informace o autorovi Odeslat soukromou zprávu
masar



Založen: Dec 03, 2005
Příspěvky: 13900

PříspěvekZaslal: so květen 10 2025, 13:59    Předmět: Citovat

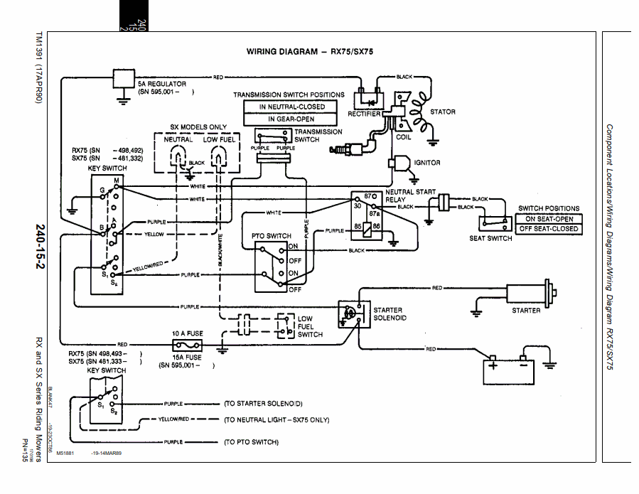
Skutečně existovaly verze RX75 bez regulátoru? Z jiného manuálu je níže uvedené schema. Bez regulátoru (nebo přiměřené zátěže alternátoru) musí zákonitě docházet k přebíjení akumulátoru. Domnívat se, že alternátor během času zvyšuje svůj výkon, je bláhovost (eufemismus).
Jsou lidé, kteří ani nevědí, že věc na obrázku je regulátor, podobně jako autor videa z YT, z něhož je uvedený snímek.
Wink



schema.png
 Komentář:
 Velikost:  45.54 kB
 Zobrazeno:  91 krát

schema.png



regulátor.png
 Komentář:
 Velikost:  274.76 kB
 Zobrazeno:  79 krát

regulátor.png


Návrat nahoru
Zobrazit informace o autorovi Odeslat soukromou zprávu Odeslat e-mail
Ferdinand



Založen: Feb 24, 2017
Příspěvky: 88

PříspěvekZaslal: so květen 10 2025, 23:17    Předmět: Citovat

Je možné, že ne a mám bastl. Vzhledem k tomu, že si to sem někdo pořídil a pak tam nabastlil spínačku ze Skody 105, karburátor ze sekačky atd. Všechno to postupně vracím zpátky. Na spínačku kašlu, ale třeba při sekání ma motor sílu jenom na sytič, jinak vůbec. Jinak existovala verze s el. startérem a ručním lankovým. To, co tam mám já je ovšem originál el. svazek a konektor na regul to nemá. Bylo by poznat, ze do toho někdo zasahoval. Obrázek je, předpokladám, z kanálu "Mowers N Blowers". S tím chlápkem jsem si psal. Elektrice moc nehoví, jenom zjistil, že by to tam mělo být a tak vyhrabal ideální el. svazek a osadil. Dneska jsem to změřil po 2 hodinách práce. Průměrně z toho leze cca 14,7 V. Proudy bohužel nevím, nemám měřidel. Ale buď tedy budu shánét ten zkratový regul nebo zkusím ještě nějaký "větší", aby se to prostě drželo níž, protože sekám fakt lány vysoké trávy a jedu na plno. V nejhorším tam nabastlím odpojovač baterky a vyseru se na dobíjení. Startovat to bude, pro běh netřeba a občas dobiju.

Luboši, jinou baterku zkusím. Už mi říkal známý, že by tam dal klasiku a údržbovou poplatnou svoji době, že třeba uvažovali, že si prostě občas odflusne. Je fakt, že v 1987 asi nic jako AGM nebylo. Teď mi je cpou všude. Byl jsem v kšeftě s baterkami a asi 10 minut jsem přesvědčoval chlapa, že ne, ale opravdu nechci tu fakin gelovou. Pak jsem ji nevzal, protože mi natlačil, že ta gelová je lepší, že snese větší proudy. Neměl jsem se nechat Very Happy No nic. Musím vyčkat do pondělí. Pochybuji, že originální regulátor byl cosi výjimečného nebo zkratového atd. Jen to asi nebylo kombo usměrňovače a regulátoru v jedné krabičce.



Screenshot_20250511_001522_Gallery.png
 Komentář:
Nabastlený regul z Briggse, nakrimpované fastony, je zhruba na originální pozici.
 Velikost:  177.98 kB
 Zobrazeno:  42 krát

Screenshot_20250511_001522_Gallery.png


Návrat nahoru
Zobrazit informace o autorovi Odeslat soukromou zprávu
BOBOBO
Doporučuje se dohled moderátorů


Založen: Feb 25, 2008
Příspěvky: 20597
Bydliště: Rychnovsko

PříspěvekZaslal: ne květen 11 2025, 6:44    Předmět: Citovat

Měl jsem v ruce několikero skútrů a v podstatě všechny přebíjely . Tam záleželo i na světlech . Při použití správné watáže to bylo jažtakž . Prošly mi rukama desítky kostiček z china , ale nikdy to nebylo ono . Nakonec jsem se uchýlil k odporu řádu jednotek Ω od "regleru" k aku . Ono taky vyměnit aku za plácnu dvacku (€) určitě nikdo neřeší . Aku neodejde za měsíc .

Tobě stačí 1/3 . https://www.zajic.cz/omezovac/omezovac.htm
Jenom jiný trand např. B817 /2SB817/ od https://www.lhotsky-elektro.cz/B817-2SB817-d1193.htm
Návrat nahoru
Zobrazit informace o autorovi Odeslat soukromou zprávu
Zobrazit příspěvky z předchozích:   
Přidat nové téma   Zaslat odpověď       Obsah fóra Diskuzní fórum Elektro Bastlírny -> Auto - Moto technika Časy uváděny v GMT + 1 hodina
Jdi na stránku 1, 2, 3  Další
Strana 1 z 3

 
Přejdi na:  
Nemůžete odesílat nové téma do tohoto fóra.
Nemůžete odpovídat na témata v tomto fóru.
Nemůžete upravovat své příspěvky v tomto fóru.
Nemůžete mazat své příspěvky v tomto fóru.
Nemůžete hlasovat v tomto fóru.
Nemůžete připojovat soubory k příspěvkům
Můžete stahovat a prohlížet přiložené soubory

Powered by phpBB © 2001, 2005 phpBB Group
Forums ©
Nuke - Elektro Bastlirna

Informace na portálu Elektro bastlírny jsou prezentovány za účelem vzdělání čtenářů a rozšíření zájmu o elektroniku. Autoři článků na serveru neberou žádnou zodpovědnost za škody vzniklé těmito zapojeními. Rovněž neberou žádnou odpovědnost za případnou újmu na zdraví vzniklou úrazem elektrickým proudem. Autoři a správci těchto stránek nepřejímají záruku za správnost zveřejněných materiálů. Předkládané informace a zapojení jsou zveřejněny bez ohledu na případné patenty třetích osob. Nároky na odškodnění na základě změn, chyb nebo vynechání jsou zásadně vyloučeny. Všechny registrované nebo jiné obchodní známky zde použité jsou majetkem jejich vlastníků. Uvedením nejsou zpochybněna z toho vyplývající vlastnická práva. Použití konstrukcí v rozporu se zákonem je přísně zakázáno. Vzhledem k tomu, že původ předkládaných materiálů nelze žádným způsobem dohledat, nelze je použít pro komerční účely! Tento nekomerční server nemá z uvedených zapojení či konstrukcí žádný zisk. Nezodpovídáme za pravost předkládaných materiálů třetími osobami a jejich původ. V případě, že zjistíte porušení autorského práva či jiné nesrovnalosti, kontaktujte administrátory na diskuzním fóru EB.


PHP-Nuke Copyright © 2005 by Francisco Burzi. This is free software, and you may redistribute it under the GPL. PHP-Nuke comes with absolutely no warranty, for details, see the license.
Čas potřebný ke zpracování stránky 0.17 sekund