Vítejte na Elektro Bastlírn?
Nuke - Elektro Bastlirna
  Vytvořit účet Hlavní · Fórum · DDump · Profil · Zprávy · Hledat na fóru · Příspěvky na provoz EB

Vlákno na téma KORONAVIRUS - nutná registrace


Nuke - Elektro Bastlirna: Diskuzní fórum

 FAQFAQ   HledatHledat   Uživatelské skupinyUživatelské skupiny   ProfilProfil   Soukromé zprávySoukromé zprávy   PřihlášeníPřihlášení 

Programovací SW pro ATF16V8B
Jdi na stránku 1, 2  Další
 
Přidat nové téma   Zaslat odpověď       Obsah fóra Diskuzní fórum Elektro Bastlírny -> Programování PIC, ATMEL, EEPROM a dalších obvodů
Zobrazit předchozí téma :: Zobrazit následující téma  
Autor Zpráva
Vlaspes



Založen: Oct 17, 2009
Příspěvky: 15

PříspěvekZaslal: út březen 11 2025, 12:48    Předmět: Programovací SW pro ATF16V8B Citovat

Pro dekódování signálů z inkrementálního snímače potřebuji realizovat jednoduchou logiku která mi na výstupu dá impulzy které zastoupí tlačíta plus-minus.
A abych to nemusel bastlit z TTL broučků mě napadlo naprogramovat to do jednoho ATF16V8B nebo něco podobného.
Nejlépe grafickým způsobem, asi jako se programují Siemens LOGA.

Máte nějaký tip na vhodný programovací SW?



Schránka _03-11-2025_01.jpg
 Komentář:
 Velikost:  139.67 kB
 Zobrazeno:  102 krát

Schránka _03-11-2025_01.jpg


Návrat nahoru
Zobrazit informace o autorovi Odeslat soukromou zprávu
Mahoney



Založen: Oct 26, 2019
Příspěvky: 683

PříspěvekZaslal: út březen 11 2025, 13:35    Předmět: Citovat

To se nedělá graficky, je na to VHDL
Návrat nahoru
Zobrazit informace o autorovi Odeslat soukromou zprávu
felixbejk



Založen: Dec 13, 2009
Příspěvky: 76

PříspěvekZaslal: út březen 11 2025, 14:04    Předmět: Citovat

Software na schéma prakticky není. Teda je ispLever od Latice, ale není free a zkušební verze není.
Co je to M3 a M4?
Návrat nahoru
Zobrazit informace o autorovi Odeslat soukromou zprávu
Zaky



Založen: Oct 30, 2010
Příspěvky: 6991
Bydliště: Praha

PříspěvekZaslal: út březen 11 2025, 14:58    Předmět: Citovat

Nástroj, co je free se jmenuje WinCupl, musíš to ovšem napsat kódem. Nastudovat si to není zase tak obtížné.
_________________
Krátce před tím, než se to rozbilo, tak to ještě fungovalo...
Návrat nahoru
Zobrazit informace o autorovi Odeslat soukromou zprávu
Zmije



Založen: Jun 30, 2005
Příspěvky: 1701
Bydliště: Pardubický kraj

PříspěvekZaslal: út březen 11 2025, 16:26    Předmět: Citovat

V bývalé práci se používaly obvody Silego od fi. Dialog a v jejich SW. se to navrhovalo pomocí schémat, ale je pravda že to byly mixed signál obvody, takže uvnitř byly krom log. obvodů i komparátory.
Návrat nahoru
Zobrazit informace o autorovi Odeslat soukromou zprávu Odeslat e-mail
samec



Založen: Dec 19, 2017
Příspěvky: 5993

PříspěvekZaslal: út březen 11 2025, 17:20    Předmět: Citovat

felixbejk napsal(a):
Co je to M3 a M4?
Flag blocks
https://support.industry.siemens.com/cs/mdm/109741041?c=67016428811&lc=en-BH
Návrat nahoru
Zobrazit informace o autorovi Odeslat soukromou zprávu
Vlaspes



Založen: Oct 17, 2009
Příspěvky: 15

PříspěvekZaslal: st březen 12 2025, 7:56    Předmět: Citovat

felixbejk napsal(a):
Co je to M3 a M4?


NJN, to je ta profesionální slepota tak mě nenapadlo něco co mám obden před očima vysvětli... Embarassed

To je modul tzv. Flag - vlajka a to M značí marker=značka.
LOGO!Soft Comfort nedovoluje přímo dát zpětnou vazbu - tedy signál z výstupu zpět na vstup a je nutno do spoje vložit tento prvek.
Funkce je IN=OUT
Návrat nahoru
Zobrazit informace o autorovi Odeslat soukromou zprávu
Vlaspes



Založen: Oct 17, 2009
Příspěvky: 15

PříspěvekZaslal: st březen 12 2025, 8:11    Předmět: Citovat

Zaky napsal(a):
Nástroj, co je free se jmenuje WinCupl, musíš to ovšem napsat kódem. Nastudovat si to není zase tak obtížné.


Ten mám ale moc se v tom neorijentuju...

Ným chlebíčkem jsou PLCéčka, nejvíc EasyE4 a LOGA
Tam se programuje pomocí funkčních bloků nebo liniové schéma. U těch chytřejších, např Orbit Meret je už je to o kombinaci více způsobů ale většinou se projekt zobrazuje graficky diagramem.

Nálákalo mě tady https://www.dps-az.cz/clanky/id:5078/nebojte-se-spousty-nozicek-hradlova-pole-bez-slozite-teorie
že Lattice Diamond umí jako zdroj dat použít schema.

No nevím zda se budu pár let před důchodem učit další progamovací jazyk, už teď se mi to občas míchá mezi sebou...
Návrat nahoru
Zobrazit informace o autorovi Odeslat soukromou zprávu
Mahoney



Založen: Oct 26, 2019
Příspěvky: 683

PříspěvekZaslal: st březen 12 2025, 13:18    Předmět: Citovat

Na to nemusí být GAL, stačí nějaký MCU, a šlo by to i s logikou.
Návrat nahoru
Zobrazit informace o autorovi Odeslat soukromou zprávu
Ivan_Ryger



Založen: Mar 02, 2005
Příspěvky: 1328
Bydliště: Urcene Heisenbergovym principom neistoty.

PříspěvekZaslal: st březen 12 2025, 16:12    Předmět: Citovat

Než budete špekulovať nad tým, ako nastaviť softvér a naučiť sa programovať v tom, za pol hodinku na skúšobnej doske toto máte zapajkované.
obrázok
Návrat nahoru
Zobrazit informace o autorovi Odeslat soukromou zprávu Odeslat e-mail
lesana87



Založen: Sep 20, 2014
Příspěvky: 4064

PříspěvekZaslal: st březen 12 2025, 16:56    Předmět: Citovat

Jak čistě realizovat kvadraturní dekodér tu před časem uváděl Danhard. http://www.ebastlirna.cz/modules.php?name=Forums&file=viewtopic&p=1034070#1034070
A samozřejmě to pro menší rychlosti jde realizovat i v procesoru a není potřeba žádný přídavný hardware.
Návrat nahoru
Zobrazit informace o autorovi Odeslat soukromou zprávu
barnodaj



Založen: Apr 16, 2011
Příspěvky: 995
Bydliště: Vodňansko

PříspěvekZaslal: st březen 12 2025, 19:40    Předmět: Citovat

Už se to tady řešilo vícekrát, jednodušeji to asi nejde:


ckt10_34e.gif
 Komentář:
 Velikost:  4.48 kB
 Zobrazeno:  68 krát

ckt10_34e.gif



4013.png
 Komentář:
 Velikost:  16.11 kB
 Zobrazeno:  59 krát

4013.png


Návrat nahoru
Zobrazit informace o autorovi Odeslat soukromou zprávu
Vlaspes



Založen: Oct 17, 2009
Příspěvky: 15

PříspěvekZaslal: čt březen 13 2025, 9:22    Předmět: Citovat

Svätá pravda.....
Ivan_Ryger napsal(a):
Než budete špekulovať nad tým, ako nastaviť softvér a naučiť sa programovať v tom, za pol hodinku na skúšobnej doske toto máte zapajkované. [/url]

Tak nakonec tam budou 2 broučkové. Nějaké zásoby řady 74xxxx mám tak něco dám dohromady
Nebo zkusím tu 4013, se mi líbí že je to jen jedno pouzdro, no jí v zásobách nemám..

Mahoney napsal(a):
..stačí nějaký MCU..

Ten tam už je, ale je to už hotové zařízení a dobře funguje tak do něj nechci šťourat...
Jen se přes optočlen připojit ke tlačítkům UP a DOWN

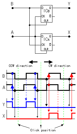
Můj prvotní omyl byl, že jsem se domníval že se stavy výstupů
01-11-10-00 střídají po jednotlivých krocích ale ony se ty 4 stavy vystřídají běhenm jednoho kroku, což je docela fofr... proto ten tvarovač výst. impulzů.

Díky všem za rady a tipy.



EC16E20-24P24C-SW-6.pdf
 Komentář:

Stáhnout
 Soubor:  EC16E20-24P24C-SW-6.pdf
 Velikost:  70.82 kB
 Staženo:  77 krát

Návrat nahoru
Zobrazit informace o autorovi Odeslat soukromou zprávu
barnodaj



Založen: Apr 16, 2011
Příspěvky: 995
Bydliště: Vodňansko

PříspěvekZaslal: čt březen 13 2025, 12:05    Předmět: Citovat

"Vlaspes" jako Hair of the Dog???

https://www.youtube.com/watch?v=cdm-Lbvv-cs
Návrat nahoru
Zobrazit informace o autorovi Odeslat soukromou zprávu
JirkaZ



Založen: Feb 26, 2021
Příspěvky: 3737

PříspěvekZaslal: čt březen 13 2025, 14:01    Předmět: Citovat

Přece tam nebudete dávat nějakou vykopávku 4013, když to jde s MCU, nejlépe nějakým unikátním 64bitovým typem na nejméně 6vrstvém tišťáku...

Vůbec nejdete s dobou.

_________________
Kdo chce, hledá způsob;
kdo ne - hledá důvod.

Ze dvou možností často volím tu třetí.
Návrat nahoru
Zobrazit informace o autorovi Odeslat soukromou zprávu
Zobrazit příspěvky z předchozích:   
Přidat nové téma   Zaslat odpověď       Obsah fóra Diskuzní fórum Elektro Bastlírny -> Programování PIC, ATMEL, EEPROM a dalších obvodů Časy uváděny v GMT + 1 hodina
Jdi na stránku 1, 2  Další
Strana 1 z 2

 
Přejdi na:  
Nemůžete odesílat nové téma do tohoto fóra.
Nemůžete odpovídat na témata v tomto fóru.
Nemůžete upravovat své příspěvky v tomto fóru.
Nemůžete mazat své příspěvky v tomto fóru.
Nemůžete hlasovat v tomto fóru.
Nemůžete připojovat soubory k příspěvkům
Můžete stahovat a prohlížet přiložené soubory

Powered by phpBB © 2001, 2005 phpBB Group
Forums ©
Nuke - Elektro Bastlirna

Informace na portálu Elektro bastlírny jsou prezentovány za účelem vzdělání čtenářů a rozšíření zájmu o elektroniku. Autoři článků na serveru neberou žádnou zodpovědnost za škody vzniklé těmito zapojeními. Rovněž neberou žádnou odpovědnost za případnou újmu na zdraví vzniklou úrazem elektrickým proudem. Autoři a správci těchto stránek nepřejímají záruku za správnost zveřejněných materiálů. Předkládané informace a zapojení jsou zveřejněny bez ohledu na případné patenty třetích osob. Nároky na odškodnění na základě změn, chyb nebo vynechání jsou zásadně vyloučeny. Všechny registrované nebo jiné obchodní známky zde použité jsou majetkem jejich vlastníků. Uvedením nejsou zpochybněna z toho vyplývající vlastnická práva. Použití konstrukcí v rozporu se zákonem je přísně zakázáno. Vzhledem k tomu, že původ předkládaných materiálů nelze žádným způsobem dohledat, nelze je použít pro komerční účely! Tento nekomerční server nemá z uvedených zapojení či konstrukcí žádný zisk. Nezodpovídáme za pravost předkládaných materiálů třetími osobami a jejich původ. V případě, že zjistíte porušení autorského práva či jiné nesrovnalosti, kontaktujte administrátory na diskuzním fóru EB.


PHP-Nuke Copyright © 2005 by Francisco Burzi. This is free software, and you may redistribute it under the GPL. PHP-Nuke comes with absolutely no warranty, for details, see the license.
Čas potřebný ke zpracování stránky 0.18 sekund