Vítejte na Elektro Bastlírn?
Nuke - Elektro Bastlirna
  Vytvořit účet Hlavní · Fórum · DDump · Profil · Zprávy · Hledat na fóru · Příspěvky na provoz EB

Vlákno na téma KORONAVIRUS - nutná registrace


Nuke - Elektro Bastlirna: Diskuzní fórum

 FAQFAQ   HledatHledat   Uživatelské skupinyUživatelské skupiny   ProfilProfil   Soukromé zprávySoukromé zprávy   PřihlášeníPřihlášení 

18650 LiIon 3S ochrana a zároveň nabíječka
Jdi na stránku 1, 2  Další
 
Přidat nové téma   Zaslat odpověď       Obsah fóra Diskuzní fórum Elektro Bastlírny -> Poradna
Zobrazit předchozí téma :: Zobrazit následující téma  
Autor Zpráva
Celeron



Založen: Apr 02, 2011
Příspěvky: 20000
Bydliště: Nový Bydžov

PříspěvekZaslal: čt únor 13 2025, 19:10    Předmět: 18650 LiIon 3S ochrana a zároveň nabíječka Citovat

Potřebuju někde sehnat ochranu proti přebití a podvybití pro 3 články 18650 s odběrem z baterie do 1A. Kupovat články s ochranou nechci, bez ochrany jich tu mám lopatu. Lepit na každej článek tohle nejde, blbě se to propojuje a není místo. Našel jsem tohle je to sice proudově předimenzovaný ale neřeší to nabíjení. Existuje vůbec nějaká hlídací/nabíjecí deska pro 3S navíc ještě s co nejmenší vlastní spotřebou řádově pár mikroampér? Na PRCáka čekat nelze.
_________________
Jirka

Proč mi nemůže všechno chodit hned ?!!
Návrat nahoru
Zobrazit informace o autorovi Odeslat soukromou zprávu
JoDiK



Založen: Jan 10, 2018
Příspěvky: 556
Bydliště: Olomoucký kraj

PříspěvekZaslal: čt únor 13 2025, 20:42    Předmět: Citovat

Ochrannou a zároveň nabíjecí desku jsem moc často neviděl.
Já to řeším tak, že u baterek je balancér a ochranný obvod, nabíječka je zvlášť (dá se pak využít i pro více zařízení)
Např.:
https://www.hadex.cz/m402a-ochranny-obvod-a-balancer-pro-3-li-ion-clanky-18650-proud-do-8a/ (aha - stejný jako máš ty...)
A k jakémukoliv adaptéru (třeba od notebooku) s dostatečným napětím doplnit měnič/nabíječ CC/CV s nastavitelným napětím i nabíjecím proudem...
https://www.hadex.cz/m409-napajeci-modul-step-down-menic-nabijecka-5a-cccv/
Návrat nahoru
Zobrazit informace o autorovi Odeslat soukromou zprávu
JirkaZ



Založen: Feb 26, 2021
Příspěvky: 3662

PříspěvekZaslal: čt únor 13 2025, 22:53    Předmět: Citovat

Jirko, chceš řešit tři věci (ochranu, balancování a nabíjení) pro3S kombinaci na jedné desce? Navíc rychle, tedy v nejbližší drogerii?

To se skutečně moc nevyskytuje a pokud, tak to nebude malá věc.

Viz třeba pro větší proudy tady nebo zde.

Chtělo by to trochu uměřenosti...

_________________
Kdo chce, hledá způsob;
kdo ne - hledá důvod.

Ze dvou možností často volím tu třetí.


Naposledy upravil JirkaZ dne čt únor 13 2025, 23:00, celkově upraveno 1 krát.
Návrat nahoru
Zobrazit informace o autorovi Odeslat soukromou zprávu
Celeron



Založen: Apr 02, 2011
Příspěvky: 20000
Bydliště: Nový Bydžov

PříspěvekZaslal: čt únor 13 2025, 22:57    Předmět: Citovat

Takže asi opravdu ten tříčlánkovej co jsme našli oba a k tomu tuhle tříčlánkovou nabíječku . Ale pak by to chtělo konektor, kterej se nedá splýst s běžnou napájecí 5,5/2,1 nebo 5,5/2,5 aby to osoba neznalá nepodpálila. A nebo tam dát jak píšeš step down s CC/CV a použít NTB adaptér. Škoda, že nejde použít step up z USB, takovej modul s CC/CV jsem zatím nikde neviděl, pouze dost velkej na velký proudy.
_________________
Jirka

Proč mi nemůže všechno chodit hned ?!!
Návrat nahoru
Zobrazit informace o autorovi Odeslat soukromou zprávu
jirkacbx



Založen: Oct 13, 2013
Příspěvky: 12

PříspěvekZaslal: so únor 15 2025, 19:02    Předmět: Citovat

Pokud by ve svítilně bylo trochu místa,mohlo by se použí tohle.
Na aku přidělat balanční konektor https://www.bighobby.cz/jst-xh-3s-20cm-prodluzovaci-kabel-pro-3s-baterie/ , případně jinýpro 3S aku a do toho píchnout hlídač https://www.bighobby.cz/bx100-bzucak-a-meric-napeti-clanku--1-8s--2/ nebo https://www.bighobby.cz/bzucak-a-meric-napeti-clanku--az-8s/ .
Přebití by si měla hlídat nabíječka.
Návrat nahoru
Zobrazit informace o autorovi Odeslat soukromou zprávu
Celeron



Založen: Apr 02, 2011
Příspěvky: 20000
Bydliště: Nový Bydžov

PříspěvekZaslal: so únor 15 2025, 19:12    Předmět: Citovat

Ty věci znám, ale jsou nepoužitelný kvůli spotřebě.
_________________
Jirka

Proč mi nemůže všechno chodit hned ?!!
Návrat nahoru
Zobrazit informace o autorovi Odeslat soukromou zprávu
JirkaZ



Založen: Feb 26, 2021
Příspěvky: 3662

PříspěvekZaslal: so únor 15 2025, 19:15    Předmět: Citovat

jirkacbx: v tom, co popisuješ, není vůbec nic na téma balancování (leda že bys mlčky uvažoval nabíječku s balancerem, tedy nějakou modelářskou).
_________________
Kdo chce, hledá způsob;
kdo ne - hledá důvod.

Ze dvou možností často volím tu třetí.
Návrat nahoru
Zobrazit informace o autorovi Odeslat soukromou zprávu
jirkacbx



Založen: Oct 13, 2013
Příspěvky: 12

PříspěvekZaslal: so únor 15 2025, 19:21    Předmět: Citovat

OK,jsem zticha.
Návrat nahoru
Zobrazit informace o autorovi Odeslat soukromou zprávu
Valdano



Založen: Jan 01, 2023
Příspěvky: 2716
Bydliště: Česká Lípa

PříspěvekZaslal: so únor 15 2025, 22:58    Předmět: Citovat

A co tohle a k tomu navíc jako ochrana tohle?
Návrat nahoru
Zobrazit informace o autorovi Odeslat soukromou zprávu
barnodaj



Založen: Apr 16, 2011
Příspěvky: 953
Bydliště: Vodňansko

PříspěvekZaslal: ne únor 16 2025, 12:07    Předmět: Citovat

Ale tyto moduly nejsou určeny pro tři články v sérii, jak jsem pochopil z prvního příspěvku, téma mě taky zajímá.
Návrat nahoru
Zobrazit informace o autorovi Odeslat soukromou zprávu
JirkaZ



Založen: Feb 26, 2021
Příspěvky: 3662

PříspěvekZaslal: ne únor 16 2025, 13:15    Předmět: Citovat

Ono je to celé poněkud složitější.... Pro méně se orientující popíšu řazení oněch částí (zásadní je přitom pořadí, tedy řazení od článků až po nabíječ):

1) "holý" LiIon/LiPol/LiFePO4 článek

2) ochrana článku (příklad v příloze), zabraňuje nabití článku nad a vybití pod nastavenou hodnotu, chrání proti zkratu, může obsahovat i tepelnou ochranu. Při běžném provozu článků se ochrana vůbec neaktivuje!

3) sériové spojení až za ochranami jednotlivých článků.

4) obvod balanceru (pracuje obvykle tak, že ke konci nabíjení (má charakter I-U) začíná "odsávat" nabíjecí proud tak, aby na všech nabíjených článcích bylo stejné koncové napětí). Balancer je připojen ke všem vývodům sériového spojení článků s ochranami, tedy k + a - celé sériové kombinace a ke všem uzlům.

5) obvod nabíječe (charakter I-U), čili na počátku je omezení proudu, na konci omezení napětí a plynulý přechod mezi těmito režimy. Napětí se obvykle omezuje na max. přípustnou hodnotu nabíjecího napětí na jednom článku x počet článků, proud na přípustnou či nižší zvolenou hodnotu nabíjecího proudu článků.

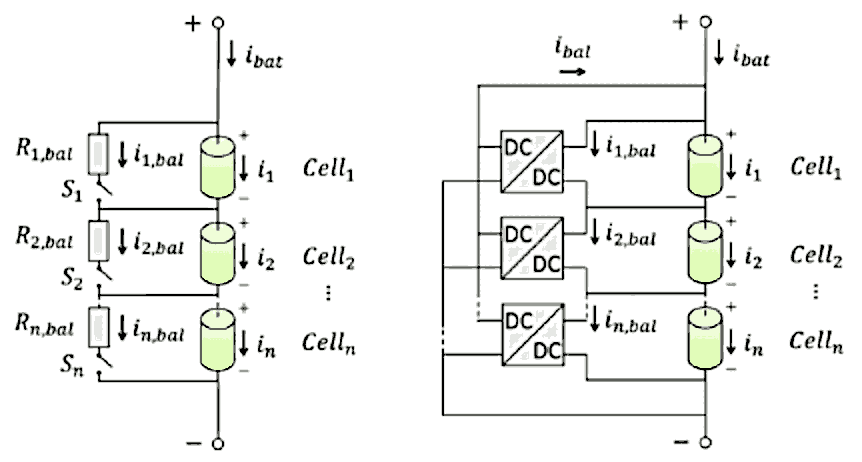
Pochopitelně je možné celou věc řešit i trochu jinak (třeba samostatnými nabíječi pro jednotlivé články, což může zajistit i funkci balancování - obvykle se to nazývá aktivní balancování a pro názornost je porovnání opět v příloze), ale standardem zejména u menších článků/proudů/výkonů je popsaný způsob.



NT1854_appl.png
 Komentář:
 Velikost:  72.48 kB
 Zobrazeno:  29 krát

NT1854_appl.png



Passive-left-and-active-right-balancing-circuit-topologies_vetsi.png
 Komentář:
 Velikost:  15.07 kB
 Zobrazeno:  31 krát

Passive-left-and-active-right-balancing-circuit-topologies_vetsi.png



_________________
Kdo chce, hledá způsob;
kdo ne - hledá důvod.

Ze dvou možností často volím tu třetí.


Naposledy upravil JirkaZ dne ne únor 16 2025, 14:32, celkově upraveno 1 krát.
Návrat nahoru
Zobrazit informace o autorovi Odeslat soukromou zprávu
barnodaj



Založen: Apr 16, 2011
Příspěvky: 953
Bydliště: Vodňansko

PříspěvekZaslal: ne únor 16 2025, 13:31    Předmět: Citovat

Mám dotaz k bodu tři - Sériové spojení až za ochranami jednotlivých článků. Co se stane pokud jeden článek z pěti v sérii dosáhne plného napětí dříve (nebo jeho ochranný obvod je nastaven na nižší napětí) a jeho ochranný obvod jej odpojí od nabíjení. Přestane téct nabíjecí proud do celého bloku článků a snesou mosfety ochranného obvodu napětí, které na nich po odpojení článku bude?
Návrat nahoru
Zobrazit informace o autorovi Odeslat soukromou zprávu
JirkaZ



Založen: Feb 26, 2021
Příspěvky: 3662

PříspěvekZaslal: ne únor 16 2025, 14:31    Předmět: Citovat

barnodaj: no pochopitelně se série rozpojí... Zda rozpojené MOSFETy snesou napětí ostatních článků, to záleží na jejich typu Wink

Proto zdůrazňuju výše, že za normálních okolností se ochrana neaktivuje (neboli jde v podstatě o havarijní záležitost) a max. provozní napětí na článku musí zajistit balancer. Napětí, při kterém vypíná ochrana, je vždy citelně výše, než max. nabíjecí napětí.

I proto se balancery používají. Dobře udělaný balancer propojený s nabíjecím obvodem může zastoupit funkci přepěťové ochrany článků, nadproud se dá řešit pro celou sérii, jen pak je trochu obtížnější to hlídání min. napětí jednotlivých článků.

V případě sériového zapojení článků bez ochran a balanceru, jen s omezením koncového napětí celé série (jak to třeba PRCák běžně praktikuje) se např. při výraznějším poklesu kapacity jednoho článku snadno může stát, že jeho napětí při nabíjení poroste až "kdovíkam", což má za následek jeho další degradaci až třeba explozi...

Z toho celého je vidět, že zajistit opravdu komplexní ochranu a správné provozní podmínky není u Li technologie nic jednoduchého. Takže ano, úplně ideální by byl jeden modul se vším dohromady, ale pak jsou tady Jirkou Celeronem už zmíněné další "detaily", jako třeba je vlastní spotřeba takového modulu (z připojených aku) atd.

_________________
Kdo chce, hledá způsob;
kdo ne - hledá důvod.

Ze dvou možností často volím tu třetí.
Návrat nahoru
Zobrazit informace o autorovi Odeslat soukromou zprávu
Celeron



Založen: Apr 02, 2011
Příspěvky: 20000
Bydliště: Nový Bydžov

PříspěvekZaslal: ne únor 16 2025, 17:16    Předmět: Citovat

Hmm, takže to budu muset vyřešit jak jsem už nadhodil na začátku vlákna. Nikdo zde nic chytřejšího nebo jednoduššího nevykoumal https://www.laskakit.cz/ochrana-li-ion-baterie-3s-10a/ To ochrání jednotlivý články před přepětím a podpětím. No a k tomu tuhle nabíječku https://www.laskakit.cz/nabijecka-li-ion-baterii-do-zasuvky-3s-12-6v-2a/.
To Jirka Z: S balancováním LiIon je to složitější. Když boduju bloky u sebe, tak jednotlivý patra připojuju na JST-XT konektor, kterej je kompatibilní s většinou procesorových nabíječek. Když už né na balancování, tak azpoň pro kontrolu stavu jednotlivých pater.
Ale zvláštní je, že pro modelářskej pohon fy Jeti do bloků z 18650 žádný vývody pro balancér nedává. Tvrdí, že používá kvalitní a tříděný články Samsung a Sony u kterých není balancování při nabíjení potřeba. Něco na tom jejich tvrzení je, kámoši elektroletci na ně lítaj a dojej z nich proudy až 35A na článek a nejstarší mají kolem 7-8 let. Dva bloky 4S3P jsem po 9 letech provozu dostal na kuchání a i když nebyly nikdy balancovaný, tak byly rozjetý maximálně 2-4 setiny voltu.

_________________
Jirka

Proč mi nemůže všechno chodit hned ?!!
Návrat nahoru
Zobrazit informace o autorovi Odeslat soukromou zprávu
Valdano



Založen: Jan 01, 2023
Příspěvky: 2716
Bydliště: Česká Lípa

PříspěvekZaslal: ne únor 16 2025, 17:54    Předmět: Citovat

Celeron napsal(a):
Jeti tvrdí, že používá kvalitní a tříděný články Samsung a Sony u kterých není balancování při nabíjení potřeba.

Ano nové a kvalitní a především také tříděné tak, aby byly jejich parametry v packu navzájem co nejblíže. Otázkou je jestli vy v té "lopatě" článků co máte doma máte také tak kvalitní, ze kterých to dokážete obdobně vytřídit, abyste nemusel používat balancování.

Zdroj: eShop JetiModel, Akumulátory
citace:
Pro výrobu akumulátorů Power Ion používáme výhradně značkové akumulátory Li-Ion Sony-Murata. Jednotlivé články jsou do sestavy tříděny a vybírány podle přísných kritérií. Tím se zaručena vysoká spolehlivost a dlouhá životnost akumulátorů i při nabíjení bez balancování.

Problém může nastat u článků, které nejsou nové a neznáte jejich historii, protože i když se mohou jevit při jednorázovém měření parametricky blízko tak po čase se mohu začít i výrazněji rozjíždět. Toto Jeti neřeší, protože používá nové články což ovšem zřejmě pro tu vaši domácí "lopatu" článků asi obecně platit nebude tj. bude vhodné zvážit doplnění balanceru nebo zvolit jinou 3S ochranu už se zabudovaným balancerem. V tom eshopu sice je ochrana pro 3S Li-ion i se zabudovaným balancerem, ale kromě zhruba pětkrát vyšší spotřeby do 30uA oproti té bez balanceru do 6uA má i dost špatné recenze z nedávné doby. Není tam ani popis parametrů toho vestavěného balanceru.

V jiném eshopu je ochranný obvod pro 3S Li-Ion s aktivním balancerem, který má podle datasheetu balanční proud necelých 0,7A. Balanční napětí je 4,2V tj. balancování zřejmě funguje jen na konci nabíjecího procesu. Spotřeba v klidovém stavu tj. bez balancování je do 25uA. V datasheetu však není zmínka o tom zda je funkčnost tohoto balanceru závislá na stavu prvního článku v packu jako to obvykle u balancerů bývá.


Naposledy upravil Valdano dne ne únor 16 2025, 20:02, celkově upraveno 2 krát.
Návrat nahoru
Zobrazit informace o autorovi Odeslat soukromou zprávu
Zobrazit příspěvky z předchozích:   
Přidat nové téma   Zaslat odpověď       Obsah fóra Diskuzní fórum Elektro Bastlírny -> Poradna Časy uváděny v GMT + 1 hodina
Jdi na stránku 1, 2  Další
Strana 1 z 2

 
Přejdi na:  
Nemůžete odesílat nové téma do tohoto fóra.
Nemůžete odpovídat na témata v tomto fóru.
Nemůžete upravovat své příspěvky v tomto fóru.
Nemůžete mazat své příspěvky v tomto fóru.
Nemůžete hlasovat v tomto fóru.
Nemůžete připojovat soubory k příspěvkům
Můžete stahovat a prohlížet přiložené soubory

Powered by phpBB © 2001, 2005 phpBB Group
Forums ©
Nuke - Elektro Bastlirna

Informace na portálu Elektro bastlírny jsou prezentovány za účelem vzdělání čtenářů a rozšíření zájmu o elektroniku. Autoři článků na serveru neberou žádnou zodpovědnost za škody vzniklé těmito zapojeními. Rovněž neberou žádnou odpovědnost za případnou újmu na zdraví vzniklou úrazem elektrickým proudem. Autoři a správci těchto stránek nepřejímají záruku za správnost zveřejněných materiálů. Předkládané informace a zapojení jsou zveřejněny bez ohledu na případné patenty třetích osob. Nároky na odškodnění na základě změn, chyb nebo vynechání jsou zásadně vyloučeny. Všechny registrované nebo jiné obchodní známky zde použité jsou majetkem jejich vlastníků. Uvedením nejsou zpochybněna z toho vyplývající vlastnická práva. Použití konstrukcí v rozporu se zákonem je přísně zakázáno. Vzhledem k tomu, že původ předkládaných materiálů nelze žádným způsobem dohledat, nelze je použít pro komerční účely! Tento nekomerční server nemá z uvedených zapojení či konstrukcí žádný zisk. Nezodpovídáme za pravost předkládaných materiálů třetími osobami a jejich původ. V případě, že zjistíte porušení autorského práva či jiné nesrovnalosti, kontaktujte administrátory na diskuzním fóru EB.


PHP-Nuke Copyright © 2005 by Francisco Burzi. This is free software, and you may redistribute it under the GPL. PHP-Nuke comes with absolutely no warranty, for details, see the license.
Čas potřebný ke zpracování stránky 0.17 sekund