Vítejte na Elektro Bastlírn?
Nuke - Elektro Bastlirna
  Vytvořit účet Hlavní · Fórum · DDump · Profil · Zprávy · Hledat na fóru · Příspěvky na provoz EB

Vlákno na téma KORONAVIRUS - nutná registrace


Nuke - Elektro Bastlirna: Diskuzní fórum

 FAQFAQ   HledatHledat   Uživatelské skupinyUživatelské skupiny   ProfilProfil   Soukromé zprávySoukromé zprávy   PřihlášeníPřihlášení 

Úprava pracovního bodu mosfetu - změna napájecího napětí

 
Přidat nové téma   Zaslat odpověď       Obsah fóra Diskuzní fórum Elektro Bastlírny -> Řešení problémů s různými konstrukcemi
Zobrazit předchozí téma :: Zobrazit následující téma  
Autor Zpráva
DukeNuke



Založen: Apr 02, 2018
Příspěvky: 1853

PříspěvekZaslal: st srpen 28 2024, 11:52    Předmět: Úprava pracovního bodu mosfetu - změna napájecího napětí Citovat

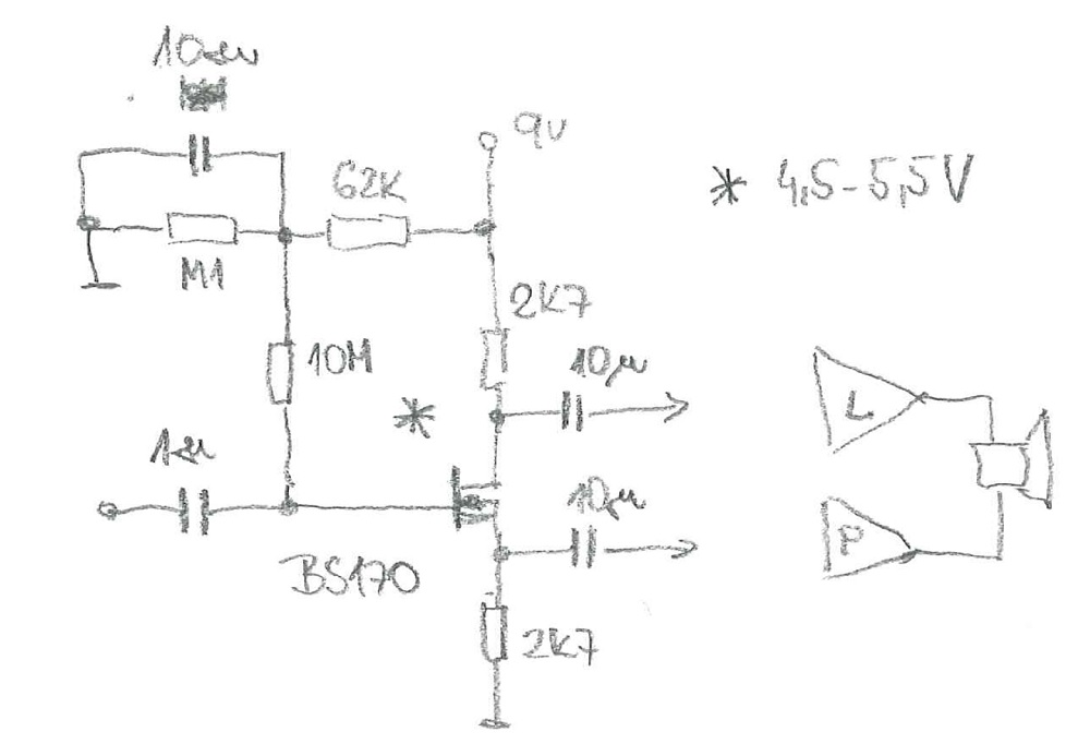
Ahoj,
používám jednoduché zapojení jako invertor pro zapojení zesilovače do můstku. Vznikla potřeba změny napájecího napětí na 24V.
Uvažuji takto - z napětí na Rd (2,7k/4,5V) spočítám Id. A pro toto Id spočítám velikost Rd pro 12V. A změním R 62k tak, aby na D bylo poloviční napětí, tedy 12V. Je to tak v pořádku?



invertBS170.jpg
 Komentář:
 Velikost:  68.72 kB
 Zobrazeno:  55 krát

invertBS170.jpg


Návrat nahoru
Zobrazit informace o autorovi Odeslat soukromou zprávu
xsc



Založen: Sep 25, 2014
Příspěvky: 8445

PříspěvekZaslal: st srpen 28 2024, 14:19    Předmět: Citovat

Akorát, že by tam nemělo být poloviční napětí. Potřebuješ nějaký pracovní rozsah pro ten tranzistor. Pokud máš na obou elektrodách stejné odpory, je při plném otevření tranzistoru na obou elektrodách 1/2 napětí zdroje. Pracovní bod by měl být nastaven tak, abys plně využil možný rozsah, čili na těch odporech by měla být 1/4 Ucc v klidu. Zbytek úvahy je OK.

Naposledy upravil xsc dne st srpen 28 2024, 14:20, celkově upraveno 1 krát.
Návrat nahoru
Zobrazit informace o autorovi Odeslat soukromou zprávu
samponek



Založen: May 11, 2015
Příspěvky: 3907

PříspěvekZaslal: st srpen 28 2024, 14:19    Předmět: Citovat

Pokud máš změřené charakteristiky konkrétního mosfet, hlavně zavislost Ugs na Ids a s teplotou, tak to jistě spočítat půjde.
Výstupní odpory 2k7 těm koncákům nevadí ? Jakým způsobem je vyřešena teplotní stabilizace pracovního bodu mosfet ? Přidej ji tam k obrázku, mosfet je v lineární oblasti, zapojení je neúplné a takto nebude dobře fungovat.
Vypadá to jednoduše, ale ve skutečnosti je trochu složitější.

Není lepší tam dát na otočení fáze linkové trafo 1:1 za 10kč ?

Odpadne problém s výstupní impedancí a výpočty i zemními smyčkami, stabilizací pracovního bodu a pak třeba zmizí i to houkání, když dáš pryč zbytečné věci. Smile
Nezakmitává náhodou tato věc a nezpůsobuje to houkání ? Není tam žádný integrační článek, proč je tam nesmyslných 10M a 1u ? Vždyť se ten kondík nemá do čeho vybíjet. Nestačilo by 20k ?
Návrat nahoru
Zobrazit informace o autorovi Odeslat soukromou zprávu
DukeNuke



Založen: Apr 02, 2018
Příspěvky: 1853

PříspěvekZaslal: st srpen 28 2024, 17:37    Předmět: Citovat

xsc:
- když se podíváš na to schema, tak se pracovní bod nastavuje na zhruba poloviční napětí (Ucc=9V, Ud=4,5-5,5V). V tomto režimu to chodí.
Jinak vycházím odsud: https://eluc.ikap.cz/verejne/lekce/677 pokud si vezmu zatěžovací přímku ve výstupní charakteristice, pak je střed zesilované sinusoidy zhruba v polovině mezi Unapájecím a nulou.
samponek:
Výstupní odpory 2k7 těm koncákům nevadí.
Teplotní stabilizace netřeba, je dostatečně zajištěna odporem v source. A ano, pracuje v lineární oblasti, tak jako spousta stejně zapojených zesilovačů.
Integrační článek tam není. Můžeme debatovat o nesmyslných 1u, s touto vstupní impedancí je to možná opravdu moc, ale jde o to, aby byl bezproblémový přenos basů - je to vazební kond. Odpor 10M je tam schválně, a je to kvůli velkému vstupnímu odporu. Uvedené schéma pracuje velmi dobře jako onboard kytarový předzesilovač. Snímače nechtějí být zatěžovány, zvláště ne pak piezo. V tomto případě je tam upravena velikost kondíků na vstupu a výstupu a dále je přidán kondík paralelně k Rs. Tím se zvedne zisk.
Problémy s impedancí nejsou. Ideální zesilovač má nekonečný vstupní odpor (nezatíží zdroj) a nulový výstupní (myšleno impedance).
Houkání je naprosto jiné téma a s tímto nesouvisí. Živí se s tím PA pro velké bedny, pokud hrajeme venku, ve zkušebně stačí aktivky.
Návrat nahoru
Zobrazit informace o autorovi Odeslat soukromou zprávu
xsc



Založen: Sep 25, 2014
Příspěvky: 8445

PříspěvekZaslal: st srpen 28 2024, 17:47    Předmět: Citovat

Nastavovat pracovní bod tak, že máš na D Ucc/2 je běžná praxe, pokud máš v S 0 ohm. Pak když se tranzistor zavře, máš na D Ucc a když se otevře, máš tam 0V. Ale tady máš odpor v S, protože potřebuješ oba výstupy, invertovaný i neinvertovaný, Takže když je tranzistor plně otevřený, máš na D i S Ucc/2. Proto je nesmysl nastavovat pracovní nod na Ucc/2, to napětí musí být větší, aby tranzistor měl možnost regulovat.
Návrat nahoru
Zobrazit informace o autorovi Odeslat soukromou zprávu
DukeNuke



Založen: Apr 02, 2018
Příspěvky: 1853

PříspěvekZaslal: čt srpen 29 2024, 18:19    Předmět: Citovat

Díky za objasnění, to dává smysl. Zkusím to na 60% Ucc a uvidím. Kdyžtak upravím.
Návrat nahoru
Zobrazit informace o autorovi Odeslat soukromou zprávu
xsc



Založen: Sep 25, 2014
Příspěvky: 8445

PříspěvekZaslal: čt srpen 29 2024, 18:36    Předmět: Citovat

V tomhle případě optimálně 3/4 Ucc.
Návrat nahoru
Zobrazit informace o autorovi Odeslat soukromou zprávu
DukeNuke



Založen: Apr 02, 2018
Příspěvky: 1853

PříspěvekZaslal: čt srpen 29 2024, 19:15    Předmět: Citovat

OK. Ještě se zeptám - pokud na vstup pustím signál, který budu zesilovat, tak správné nastavení prac. bodu by se mělo projevit tak, že se spodní i horní půlvlna sinusovky na výstupu začnou ořezávat zároveň. Dává to smysl?
Návrat nahoru
Zobrazit informace o autorovi Odeslat soukromou zprávu
VASEK_W



Založen: Dec 11, 2017
Příspěvky: 971
Bydliště: Pelhřimov

PříspěvekZaslal: čt srpen 29 2024, 20:30    Předmět: Citovat

Doplnil bych jen "u obou výstupních sinusovek" Wink
Jinak souhlas.

Vašek
Návrat nahoru
Zobrazit informace o autorovi Odeslat soukromou zprávu
masar



Založen: Dec 03, 2005
Příspěvky: 13973

PříspěvekZaslal: čt srpen 29 2024, 20:34    Předmět: Citovat

VASEK_W napsal(a):
Doplnil bych jen "u obou výstupních sinusovek" Wink
A proč, když proud oběma rezistory je jen jeden?
Wink
Návrat nahoru
Zobrazit informace o autorovi Odeslat soukromou zprávu Odeslat e-mail
Zobrazit příspěvky z předchozích:   
Přidat nové téma   Zaslat odpověď       Obsah fóra Diskuzní fórum Elektro Bastlírny -> Řešení problémů s různými konstrukcemi Časy uváděny v GMT + 1 hodina
Strana 1 z 1

 
Přejdi na:  
Nemůžete odesílat nové téma do tohoto fóra.
Nemůžete odpovídat na témata v tomto fóru.
Nemůžete upravovat své příspěvky v tomto fóru.
Nemůžete mazat své příspěvky v tomto fóru.
Nemůžete hlasovat v tomto fóru.
Nemůžete připojovat soubory k příspěvkům
Můžete stahovat a prohlížet přiložené soubory

Powered by phpBB © 2001, 2005 phpBB Group
Forums ©
Nuke - Elektro Bastlirna

Informace na portálu Elektro bastlírny jsou prezentovány za účelem vzdělání čtenářů a rozšíření zájmu o elektroniku. Autoři článků na serveru neberou žádnou zodpovědnost za škody vzniklé těmito zapojeními. Rovněž neberou žádnou odpovědnost za případnou újmu na zdraví vzniklou úrazem elektrickým proudem. Autoři a správci těchto stránek nepřejímají záruku za správnost zveřejněných materiálů. Předkládané informace a zapojení jsou zveřejněny bez ohledu na případné patenty třetích osob. Nároky na odškodnění na základě změn, chyb nebo vynechání jsou zásadně vyloučeny. Všechny registrované nebo jiné obchodní známky zde použité jsou majetkem jejich vlastníků. Uvedením nejsou zpochybněna z toho vyplývající vlastnická práva. Použití konstrukcí v rozporu se zákonem je přísně zakázáno. Vzhledem k tomu, že původ předkládaných materiálů nelze žádným způsobem dohledat, nelze je použít pro komerční účely! Tento nekomerční server nemá z uvedených zapojení či konstrukcí žádný zisk. Nezodpovídáme za pravost předkládaných materiálů třetími osobami a jejich původ. V případě, že zjistíte porušení autorského práva či jiné nesrovnalosti, kontaktujte administrátory na diskuzním fóru EB.


PHP-Nuke Copyright © 2005 by Francisco Burzi. This is free software, and you may redistribute it under the GPL. PHP-Nuke comes with absolutely no warranty, for details, see the license.
Čas potřebný ke zpracování stránky 0.16 sekund