Vítejte na Elektro Bastlírn?
Nuke - Elektro Bastlirna
  Vytvořit účet Hlavní · Fórum · DDump · Profil · Zprávy · Hledat na fóru · Příspěvky na provoz EB

Vlákno na téma KORONAVIRUS - nutná registrace


Nuke - Elektro Bastlirna: Diskuzní fórum

 FAQFAQ   HledatHledat   Uživatelské skupinyUživatelské skupiny   ProfilProfil   Soukromé zprávySoukromé zprávy   PřihlášeníPřihlášení 

Cívka v FM demodulátoru
Jdi na stránku 1, 2  Další
 
Přidat nové téma   Zaslat odpověď       Obsah fóra Diskuzní fórum Elektro Bastlírny -> Teorie
Zobrazit předchozí téma :: Zobrazit následující téma  
Autor Zpráva
slavek



Založen: Mar 27, 2017
Příspěvky: 29

PříspěvekZaslal: út červenec 30 2024, 20:30    Předmět: Cívka v FM demodulátoru Citovat

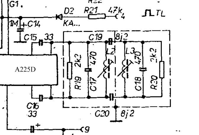
Pátrám po nějaké informaci, jaká je funkce cívky (tráfka) na FM demodulátoru viz obrázek.
Konstrukce cívek je většinou shodná - bud na jedné kostřičce, nebo 2 samostatné v jednom pouzdře, každá cívka má svoje jádro a kapacitu.
Ted se ptám, jaká je jejich funkce, a jak se dá ověřit - jako například změřením na spectráči? Na jaké frekvenci to pracuje? Jak choulostivé jsou ty kapacity?
Existuje nějaké náhradní schema , abych si představil, co to v tom obvodu s IC dělá?
Například u jedné cívky správně nastavím S krivku, ale stejně je ten signál nějaký zpackaný (nízká uroven? šířka?) protože rádio hraje mono, ve stereu už nehraje, pokud tu cívku prohodím za zdravou, tak rádio hraje normálně.
Zkoušel jsem měnit ty kondenzátory, upravit kapacitu i z venka, pridat, ubrat od 33 do 120pF na obe strany, střídavě, na jednu víc, na druhou mín...atd.
Nastavím S krivku, nastavím minimální zkreslení, AFC do rovnováhy... na měřákách všechno správně, ale zvuk nejde, nebo jen mono.
FM demodulátor (IC) 3x vyměněný... vstupní jednotku jsem testoval na jiné mezifrekvenci, filtry 10,7 taky. jsem si jistý, že to je v tom tráfku.
Proto pátrám, jaké má mít parametry a jak se dá změřit. A navíc mě zajímá , jaká je funkce té druhé části cívky, která není připojena na IC ? Mimochodem A225D tu druhou cívku nevyžaduje.
Je možné řešení odpojit tu MF část a nabastlit tam nějakou modernější, ale spíš bych to chtěl rozběhat.

Kdybych si jí třeba chtěl vyrobit (mám tu teslacke dvojkostricky z Hadexu 1PK85236 - udajně 455 a 10,7) jak by měla vypadat?



demodulator.jpg
 Komentář:
 Velikost:  26.75 kB
 Zobrazeno:  74 krát

demodulator.jpg



1137.jpg
 Komentář:
 Velikost:  124.44 kB
 Zobrazeno:  73 krát

1137.jpg


Návrat nahoru
Zobrazit informace o autorovi Odeslat soukromou zprávu
barnodaj



Založen: Apr 16, 2011
Příspěvky: 1013
Bydliště: Vodňansko

PříspěvekZaslal: út červenec 30 2024, 21:17    Předmět: Citovat

Dvojkostřička z Hadexu je ve skutečnosti ta, co je na obrázku v e shopu, ten údaj že je pro dva kmitočty je zavádějící. Je to první pásmová propust pro 10,7MHz ze staršího rádia.
Při vlastní výrobě by ty cívky měly jít použít tak, jak jsou, jenom k nim dopočítat kapacitu, pokud máš čas, tak za pokus by to stálo.
Jinak vazba mezi obvody (cívkami) je tou prostřihnutou obdélníkovou mezerou v mezistěně mezi nimi, je otázka jestli to nebude vadit. Nebo jestli ji nebude třeba zvětšit.
Návrat nahoru
Zobrazit informace o autorovi Odeslat soukromou zprávu
slavek



Založen: Mar 27, 2017
Příspěvky: 29

PříspěvekZaslal: út červenec 30 2024, 23:40    Předmět: Citovat

Právě jsem si s tím zase hrál, ty cívky jsou asi 13z a 17z, použil jsem pro pokusy jen jednu, tu 13z a měřil jsem co se tam děje ...

1 zjištění: na té cívce je skutečně 10,7 signál Smile

2 zjištění: nejlíp to hraje, když trefím největší propustnost , pověsil jsem si na výstup cívky analyzátor - cvičně jsem vychytal že cca 110pF kondenzátor + doladit

3 zjištění: hraje to i bez té druhé cívky, co je ve "vzduchu"

Zítra zas budu pokračovat v pokusech. Tak jako řeším problém, ale nějak nenacházím odpovědi na svoje otázky Question
Ale možná by bylo nejlepší to takhle zavřít a nechat být.
Návrat nahoru
Zobrazit informace o autorovi Odeslat soukromou zprávu
PavelFF



Založen: Feb 18, 2008
Příspěvky: 5292
Bydliště: Brno

PříspěvekZaslal: út červenec 30 2024, 23:54    Předmět: Citovat

Cívky jsou běžné. Je nutno zvolit kondenzátor pro rezonanci při 10,7MHz a rozumně zatlumit odporem. Takže žádná extra vysoká jakost není nutná.

Např. v AR-A12/1983 vyšel návod na funkční mf jednotku a IO A225D. Postavil jsem ji ve dvou kusech a fungovala bezproblémově.

Někde jinde v Amaru jsem četl, že dělat demodulační cívku dvojitou je spíše zbytečné a stačí jednoduchý obvod. Nepoznali prokazatelný pozitivní vliv druhé cívky na zkreslení signálu.

Už si nepamatuju si, jak se ten druhý rez. obvod projevoval v případě A225D. Mají tam kapacitní vazbu.



Demodulátor1 .jpg
 Komentář:
 Velikost:  91.05 kB
 Zobrazeno:  80 krát

Demodulátor1 .jpg



Demodulátor 2.jpg
 Komentář:
 Velikost:  43.32 kB
 Zobrazeno:  74 krát

Demodulátor 2.jpg



Demodulátor 3.jpg
 Komentář:
 Velikost:  46.32 kB
 Zobrazeno:  80 krát

Demodulátor 3.jpg


Návrat nahoru
Zobrazit informace o autorovi Odeslat soukromou zprávu
Hill
Administrátor


Založen: Sep 10, 2004
Příspěvky: 21015
Bydliště: Jičín, Český ráj

PříspěvekZaslal: st červenec 31 2024, 6:17    Předmět: Citovat

Protože jde o koincidenční detektor, rozhoduje kmitočtově závislé skupinové zpoždění způsobené fázovacím obvodem, které určuje střídu impulsů na výstupu detektoru. Integrací napětí z natvarovaných impulsů vznikne nf signál. Až potud je princip jasný ze spousty podobných detektorů.
Ta druhá, volně navázaná cívka by se měla projevit linearizací fázové charakteristiky, přesněji prodloužením přímkové části S-křivky detektoru na obě strany od nuly, čili má zmenšit harmonické zkreslení výstupního signálu při špičkách.
Tak nějak to bylo kdesi popsáno, ale najít to, se mi nedaří.
Nikdy jsem to neměřil, protože například v Dominantu je v detektoru jen jednoduchý fázovací článek a nijak to nevadí, zvlášť, když se trvale upravuje kmitočtový zdvih vysílače tak, že jen velmi zřídka můžou modulační špičky dosáhnout až do oblasti pozorovatelnáho zakřivení S-křivky. Navíc to není jediná příležitost, kde cestou od zdroje signálu až k reproduktoru může signál nějaké to zkreslení nabrat.
Tak zůstává otázka, jak moc by vadilo, kdyby tam byl místo vázané propusti jen obyčejný rezonanční obvod zatlumený odporem asi 3k3.
Návrat nahoru
Zobrazit informace o autorovi Odeslat soukromou zprávu
slavek



Založen: Mar 27, 2017
Příspěvky: 29

PříspěvekZaslal: st červenec 31 2024, 19:48    Předmět: Citovat

Našel jsem nějakou diplomovku na téma Koincidenční detektor FM - je tam všechno detailně popsané, včetně výpočtů. V podstatě jsme se dostali ke stejnému výsledku, jako on výpočtama, vychází mu tam 12,9z , 106pF a 2,7K odpor Smile
K tomu sestavil FM tuner jako měřící přípravek Smile

Dotaz: Já mám na osciloskopu tu S-křivku naopak, tzn že začíná v horní polovině, znamená to něco?



koincdet.jpg
 Komentář:
Autor: Jiří Mlčoch
 Velikost:  114.94 kB
 Zobrazeno:  125 krát

koincdet.jpg


Návrat nahoru
Zobrazit informace o autorovi Odeslat soukromou zprávu
Hill
Administrátor


Založen: Sep 10, 2004
Příspěvky: 21015
Bydliště: Jičín, Český ráj

PříspěvekZaslal: st červenec 31 2024, 21:23    Předmět: Citovat

Jestli je symetrická v obou polaritách, je to jedno.
Návrat nahoru
Zobrazit informace o autorovi Odeslat soukromou zprávu
xsc



Založen: Sep 25, 2014
Příspěvky: 8448

PříspěvekZaslal: st červenec 31 2024, 21:24    Předmět: Citovat

Je to důležité jen pro generování správného napětí pro AFC. NF signál s opačnou fází ničemu nevadí.
Návrat nahoru
Zobrazit informace o autorovi Odeslat soukromou zprávu
Nika



Založen: Feb 17, 2008
Příspěvky: 209
Bydliště: Dačice

PříspěvekZaslal: čt srpen 01 2024, 21:41    Předmět: Citovat

V AR B5/84 na str. 186 je popis funkce koincidenčního detektoru a doporučení použít jen jednoduchý fázovací článek u A225D(TDA1047).
Z toho vychází i zapojení MF 10,7 v AR A9/86 str. 331.
Návrat nahoru
Zobrazit informace o autorovi Odeslat soukromou zprávu Zobrazit autorovy WWW stránky
Celeron



Založen: Apr 02, 2011
Příspěvky: 20229
Bydliště: Nový Bydžov

PříspěvekZaslal: čt srpen 01 2024, 23:45    Předmět: Citovat

Souvisí to s tématem jen okrajově, nemáte někdo, nebo nevíte kde stáhnout barevný značení materiálu jader do cívek poměráků, mezulí a pod?
Mám ještě z dob bolševika pár pytlíků M4 jader různých barev a popis k tomu žádnej. Nejspíš to všecko bude Pramet.

_________________
Jirka

Proč mi nemůže všechno chodit hned ?!!
Návrat nahoru
Zobrazit informace o autorovi Odeslat soukromou zprávu
sis2



Založen: Oct 07, 2012
Příspěvky: 1469
Bydliště: JN89GF

PříspěvekZaslal: ne září 15 2024, 13:19    Předmět: Citovat

Jirko, sorry za zpoždění, četl jsem to až nyní - co si pamatuju, tak barevný značení šroubovacích jader (i malých toroidů) od Prametu Šumperk bylo následující:
N01 červená
N02 světle zelená
N05 tmavě modrá
N1 žlutá
N2 tmavá zelená
H6 černá
H12 světle modrá
H20 šedá
H21 hnědá
H22 oranžová
Kdysi bývaly v oravských OMF s plošnýma cívkama (někdy) jádra barvy fialové - vzhledem k prac. kmitočtu by to mohlo být někde mezi N02 a N05 - ale třeba to bylo něco cizího
Návrat nahoru
Zobrazit informace o autorovi Odeslat soukromou zprávu
xsc



Založen: Sep 25, 2014
Příspěvky: 8448

PříspěvekZaslal: ne září 15 2024, 14:08    Předmět: Citovat

Mám pocit, že to byla N01P.
Návrat nahoru
Zobrazit informace o autorovi Odeslat soukromou zprávu
josef-1



Založen: Jun 04, 2007
Příspěvky: 115

PříspěvekZaslal: ne září 15 2024, 14:25    Předmět: Citovat

Přkládám tabulku značení feritů.


Ferity značení.JPG
 Komentář:
 Velikost:  194.26 kB
 Zobrazeno:  82 krát

Ferity značení.JPG


Návrat nahoru
Zobrazit informace o autorovi Odeslat soukromou zprávu
DukeNuke



Založen: Apr 02, 2018
Příspěvky: 1862

PříspěvekZaslal: ne září 15 2024, 18:18    Předmět: Citovat

Ahoj, pokud kecám, tak mě omluvte. Ale matně si vzpomínám, když jsem se učil a mělo by to být nějak takto:
Cívka s kondíkem tvoří rezonanční obvod naladěn na 10,7MHz. A když má cívka příliš velkou jakost, pak je rezonanční křivka příliš strmá. A pokud vezmu přenášenou šířku pásma -3dB, pak se můžu vlézt do 19kHz, což pro mono stačí. Ovšem pro stereo je třeba šíře pásma 38kHz. Jenže pokud snížím jakost obvodu (tím rozšíří a snížím rezonanční křivku), tak zároveň přijdu o selektivitu. Takže je to řešeno tak, že jsou to vázané dva rezonanční obvody, každý mírně uhnutý od 10,7MHz. A tím se šířka pásma zvýší, aniž by došlo ke zkoršení selektivity. Více napoví obrázek - dvě rezonance vedle sebe. Dává to smysl? Obrázek jsem si vypůjčil odjinud, ale princip je ukázán správně.



koincdet.jpg
 Komentář:
 Velikost:  11.22 kB
 Zobrazeno:  60 krát

koincdet.jpg


Návrat nahoru
Zobrazit informace o autorovi Odeslat soukromou zprávu
xsc



Založen: Sep 25, 2014
Příspěvky: 8448

PříspěvekZaslal: ne září 15 2024, 19:18    Předmět: Citovat

Ne, to tebou popisované se týká MF filtru, ne obvodu demodulátoru.
Návrat nahoru
Zobrazit informace o autorovi Odeslat soukromou zprávu
Zobrazit příspěvky z předchozích:   
Přidat nové téma   Zaslat odpověď       Obsah fóra Diskuzní fórum Elektro Bastlírny -> Teorie Časy uváděny v GMT + 1 hodina
Jdi na stránku 1, 2  Další
Strana 1 z 2

 
Přejdi na:  
Nemůžete odesílat nové téma do tohoto fóra.
Nemůžete odpovídat na témata v tomto fóru.
Nemůžete upravovat své příspěvky v tomto fóru.
Nemůžete mazat své příspěvky v tomto fóru.
Nemůžete hlasovat v tomto fóru.
Nemůžete připojovat soubory k příspěvkům
Můžete stahovat a prohlížet přiložené soubory

Powered by phpBB © 2001, 2005 phpBB Group
Forums ©
Nuke - Elektro Bastlirna

Informace na portálu Elektro bastlírny jsou prezentovány za účelem vzdělání čtenářů a rozšíření zájmu o elektroniku. Autoři článků na serveru neberou žádnou zodpovědnost za škody vzniklé těmito zapojeními. Rovněž neberou žádnou odpovědnost za případnou újmu na zdraví vzniklou úrazem elektrickým proudem. Autoři a správci těchto stránek nepřejímají záruku za správnost zveřejněných materiálů. Předkládané informace a zapojení jsou zveřejněny bez ohledu na případné patenty třetích osob. Nároky na odškodnění na základě změn, chyb nebo vynechání jsou zásadně vyloučeny. Všechny registrované nebo jiné obchodní známky zde použité jsou majetkem jejich vlastníků. Uvedením nejsou zpochybněna z toho vyplývající vlastnická práva. Použití konstrukcí v rozporu se zákonem je přísně zakázáno. Vzhledem k tomu, že původ předkládaných materiálů nelze žádným způsobem dohledat, nelze je použít pro komerční účely! Tento nekomerční server nemá z uvedených zapojení či konstrukcí žádný zisk. Nezodpovídáme za pravost předkládaných materiálů třetími osobami a jejich původ. V případě, že zjistíte porušení autorského práva či jiné nesrovnalosti, kontaktujte administrátory na diskuzním fóru EB.


PHP-Nuke Copyright © 2005 by Francisco Burzi. This is free software, and you may redistribute it under the GPL. PHP-Nuke comes with absolutely no warranty, for details, see the license.
Čas potřebný ke zpracování stránky 0.23 sekund