Vítejte na Elektro Bastlírn?
Nuke - Elektro Bastlirna
  Vytvořit účet Hlavní · Fórum · DDump · Profil · Zprávy · Hledat na fóru · Příspěvky na provoz EB

Vlákno na téma KORONAVIRUS - nutná registrace


Nuke - Elektro Bastlirna: Diskuzní fórum

 FAQFAQ   HledatHledat   Uživatelské skupinyUživatelské skupiny   ProfilProfil   Soukromé zprávySoukromé zprávy   PřihlášeníPřihlášení 

AZG 981 schema ?
Jdi na stránku 1, 2, 3  Další
 
Přidat nové téma   Zaslat odpověď       Obsah fóra Diskuzní fórum Elektro Bastlírny -> Audiotechnika
Zobrazit předchozí téma :: Zobrazit následující téma  
Autor Zpráva
jardafiala



Založen: Jun 20, 2010
Příspěvky: 2472
Bydliště: Česká Lípa

PříspěvekZaslal: út červenec 09 2024, 7:18    Předmět: AZG 981 schema ? Citovat

Zdar, hledám schema AZG 981, nejblíž jsem se dostal na AZG 982 nebo odkaz na úschovnu který už nefunguje....Je to RIAA s 2 bambusáky na kanál.
Návrat nahoru
Zobrazit informace o autorovi Odeslat soukromou zprávu Odeslat e-mail
ok1hga



Založen: Nov 28, 2006
Příspěvky: 12603
Bydliště: Česká Třebová

PříspěvekZaslal: út červenec 09 2024, 8:18    Předmět: Citovat

jardafiala napsal(a):
....Je to RIAA s 2 bambusáky na kanál.

. . . jo



AZG981_bambus_bastl.jpg
 Komentář:
hrozná fotka z netu . . .
 Velikost:  209.88 kB
 Zobrazeno:  114 krát

AZG981_bambus_bastl.jpg


Návrat nahoru
Zobrazit informace o autorovi Odeslat soukromou zprávu
EKKAR



Založen: Mar 16, 2005
Příspěvky: 34999
Bydliště: Česká Třebová, JN89FW21

PříspěvekZaslal: út červenec 09 2024, 8:24    Předmět: Citovat

Jsem v rachotě, ale myslím že schéma AZG981 i s hodnotama mám v archívu. Večer dám vědět.
_________________
Nasliněný prst na svorkovnici domovního rozvaděče: Jó, paninko, máte tam ty Voltíky všecky...
A kutilmile - nelituju tě Mr. Green Mr. Green !!!
Návrat nahoru
Zobrazit informace o autorovi Odeslat soukromou zprávu Odeslat e-mail
ok1hga



Založen: Nov 28, 2006
Příspěvky: 12603
Bydliště: Česká Třebová

PříspěvekZaslal: út červenec 09 2024, 9:27    Předmět: Citovat

v RK 69/4 str.54 jsem našel nějaký bambus RIAA, ale netuším jak je to "stejné"


RIAA_bambus.jpg
 Komentář:
 Velikost:  148.26 kB
 Zobrazeno:  136 krát

RIAA_bambus.jpg


Návrat nahoru
Zobrazit informace o autorovi Odeslat soukromou zprávu
jardafiala



Založen: Jun 20, 2010
Příspěvky: 2472
Bydliště: Česká Lípa

PříspěvekZaslal: út červenec 09 2024, 10:34    Předmět: Citovat

Jo, to bude skoro ono, dík.

Naposledy upravil jardafiala dne út červenec 09 2024, 10:39, celkově upraveno 1 krát.
Návrat nahoru
Zobrazit informace o autorovi Odeslat soukromou zprávu Odeslat e-mail
Keszeg



Založen: Nov 24, 2006
Příspěvky: 109
Bydliště: Pardubice

PříspěvekZaslal: út červenec 09 2024, 10:37    Předmět: Citovat

tady
http://radio.ok1cjb.cz/15_knihy/RK/1972/Radiovy%20Konstrukter%20Svazarmu%201972-05.pdf
61. strana
Návrat nahoru
Zobrazit informace o autorovi Odeslat soukromou zprávu Odeslat e-mail
mi-ro



Založen: Feb 08, 2005
Příspěvky: 8666
Bydliště: rovina u Kolína

PříspěvekZaslal: út červenec 09 2024, 15:20    Předmět: Citovat

OT,nikdy my nešly pod kůži tyhle zapojení s plusem na GND a PNP trandy. Ale v podstatě je to jedno a totéž.
_________________
..to bude jen ňákej odpůrek
Návrat nahoru
Zobrazit informace o autorovi Odeslat soukromou zprávu Odeslat e-mail
ok1hga



Založen: Nov 28, 2006
Příspěvky: 12603
Bydliště: Česká Třebová

PříspěvekZaslal: út červenec 09 2024, 16:00    Předmět: Citovat

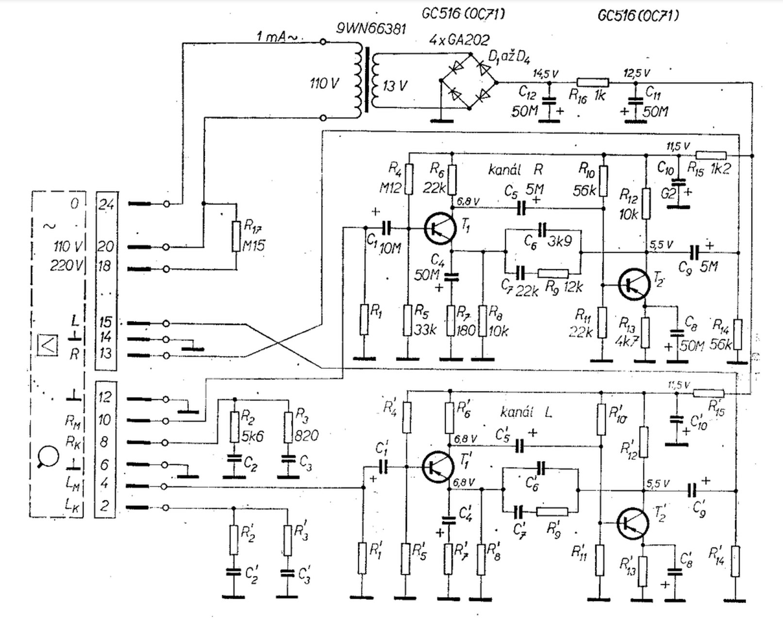
odkazy jsou naprd . . . přestávají časem fungovat
dovolil jsem si teda z toho pdf vypreparovat to schéma AZG981 . . .



AZG981.jpg
 Komentář:
 Velikost:  210.8 kB
 Zobrazeno:  149 krát

AZG981.jpg


Návrat nahoru
Zobrazit informace o autorovi Odeslat soukromou zprávu
EKKAR



Založen: Mar 16, 2005
Příspěvky: 34999
Bydliště: Česká Třebová, JN89FW21

PříspěvekZaslal: út červenec 09 2024, 17:39    Předmět: Citovat

mi-ro napsal(a):
OT,nikdy my nešly pod kůži tyhle zapojení s plusem na GND a PNP trandy. Ale v podstatě je to jedno a totéž.
To je ruSSácká specialita - mínus nahoře, plus dole a ukostřenej ... Dokonce se podle toho až do 60. let kostřil kladnej pól baterky ve vozidlech, vyráběnejch po válce u nás - před válkou se kostřil "mínus", po válce podle ruSSáků "plus" a od "šedesátek" se postupně zase zaváděl ukostřenej zápornej pól. Snadno se to poznalo podle generátoru - co mělo dynamo, bylo skoro na 100% s ukostřeným "plusem", co už mělo alternátor, tam byl skoro vždycky kostřenej "mínus" ...
EKKAR ráno napsal(a):
Jsem v rachotě, ale myslím že schéma AZG981 i s hodnotama mám v archívu. Večer dám vědět.
Tak babusáka AZG981 nemám, mám jen šutrákový AZG982 (2x KC149/kanál) a AZG983 (3x KC149/kanál). V tom odkazu na RK 76 (a Vláďově vypreparovaným schématu) chybí hodnoty korekčních kondíků C₂ a C₃/C´₂ a C´₃ a ani z okolního textu není jasný, jak velká je jejich kapacita pro přizpůsobení krystalový přenosky ke vstupu preampu pro přenosku magnetodynymickou.
_________________
Nasliněný prst na svorkovnici domovního rozvaděče: Jó, paninko, máte tam ty Voltíky všecky...
A kutilmile - nelituju tě Mr. Green Mr. Green !!!
Návrat nahoru
Zobrazit informace o autorovi Odeslat soukromou zprávu Odeslat e-mail
ransom



Založen: Jul 19, 2020
Příspěvky: 3736
Bydliště: Náchod

PříspěvekZaslal: út červenec 09 2024, 19:31    Předmět: Citovat

Jejich velikost závisí na kapacitě přenosky. Dá se to hodit do simulátoru - zdroj signálu v sérii s kapacitou naměřenou u přenosky, po zatížení oběma RC členy plus vstupním odporem preampu musíš získat průběh reverzní ke korekci preampu.
Ale je to poněkud kostrbaté, krystalová přenoska se dá zapojit mnohem jednodušeji. Buď do velké vstupní impedance, nebo nakrátko. V obou případech je průběh lineární.
Návrat nahoru
Zobrazit informace o autorovi Odeslat soukromou zprávu
ok1hga



Založen: Nov 28, 2006
Příspěvky: 12603
Bydliště: Česká Třebová

PříspěvekZaslal: út červenec 09 2024, 19:53    Předmět: Citovat

EKKAR napsal(a):
V tom odkazu na RK 76 (a Vláďově vypreparovaným schématu) chybí hodnoty korekčních kondíků C₂ a C₃/C´₂ a C´₃ a ani z okolního textu není jasný, jak velká je jejich kapacita pro přizpůsobení krystalový přenosky ke vstupu preampu pro přenosku magnetodynymickou.

ale na stránkách 59 a 60 RK 72/5 je tato eventualita popsána . . .
Návrat nahoru
Zobrazit informace o autorovi Odeslat soukromou zprávu
ZVUK2000



Založen: Apr 22, 2012
Příspěvky: 4416
Bydliště: Karvinsko

PříspěvekZaslal: st červenec 10 2024, 4:32    Předmět: Citovat

Zaujalo mě použití 110V trafa na 220V.
Návrat nahoru
Zobrazit informace o autorovi Odeslat soukromou zprávu Odeslat e-mail
mi-ro



Založen: Feb 08, 2005
Příspěvky: 8666
Bydliště: rovina u Kolína

PříspěvekZaslal: čt červenec 11 2024, 5:47    Předmět: Citovat

Jo přes 150k. Zajímevé.
_________________
..to bude jen ňákej odpůrek
Návrat nahoru
Zobrazit informace o autorovi Odeslat soukromou zprávu Odeslat e-mail
ZVUK2000



Založen: Apr 22, 2012
Příspěvky: 4416
Bydliště: Karvinsko

PříspěvekZaslal: čt červenec 11 2024, 6:09    Předmět: Citovat

Při tak malém odběru to není problém. V té době kdy ještě nebylo v republice jednotné síťové napájení se to řešilo odbočkama na trafu.
Návrat nahoru
Zobrazit informace o autorovi Odeslat soukromou zprávu Odeslat e-mail
ok1hga



Založen: Nov 28, 2006
Příspěvky: 12603
Bydliště: Česká Třebová

PříspěvekZaslal: čt červenec 11 2024, 6:27    Předmět: Citovat

další dvě fotky z netu . . .


riaa-tesla-azg981-5.jpeg
 Komentář:
 Velikost:  122.11 kB
 Zobrazeno:  90 krát

riaa-tesla-azg981-5.jpeg



riaa-tesla-azg981-6.jpeg
 Komentář:
 Velikost:  170.86 kB
 Zobrazeno:  81 krát

riaa-tesla-azg981-6.jpeg


Návrat nahoru
Zobrazit informace o autorovi Odeslat soukromou zprávu
Zobrazit příspěvky z předchozích:   
Přidat nové téma   Zaslat odpověď       Obsah fóra Diskuzní fórum Elektro Bastlírny -> Audiotechnika Časy uváděny v GMT + 1 hodina
Jdi na stránku 1, 2, 3  Další
Strana 1 z 3

 
Přejdi na:  
Nemůžete odesílat nové téma do tohoto fóra.
Nemůžete odpovídat na témata v tomto fóru.
Nemůžete upravovat své příspěvky v tomto fóru.
Nemůžete mazat své příspěvky v tomto fóru.
Nemůžete hlasovat v tomto fóru.
Nemůžete připojovat soubory k příspěvkům
Můžete stahovat a prohlížet přiložené soubory

Powered by phpBB © 2001, 2005 phpBB Group
Forums ©
Nuke - Elektro Bastlirna

Informace na portálu Elektro bastlírny jsou prezentovány za účelem vzdělání čtenářů a rozšíření zájmu o elektroniku. Autoři článků na serveru neberou žádnou zodpovědnost za škody vzniklé těmito zapojeními. Rovněž neberou žádnou odpovědnost za případnou újmu na zdraví vzniklou úrazem elektrickým proudem. Autoři a správci těchto stránek nepřejímají záruku za správnost zveřejněných materiálů. Předkládané informace a zapojení jsou zveřejněny bez ohledu na případné patenty třetích osob. Nároky na odškodnění na základě změn, chyb nebo vynechání jsou zásadně vyloučeny. Všechny registrované nebo jiné obchodní známky zde použité jsou majetkem jejich vlastníků. Uvedením nejsou zpochybněna z toho vyplývající vlastnická práva. Použití konstrukcí v rozporu se zákonem je přísně zakázáno. Vzhledem k tomu, že původ předkládaných materiálů nelze žádným způsobem dohledat, nelze je použít pro komerční účely! Tento nekomerční server nemá z uvedených zapojení či konstrukcí žádný zisk. Nezodpovídáme za pravost předkládaných materiálů třetími osobami a jejich původ. V případě, že zjistíte porušení autorského práva či jiné nesrovnalosti, kontaktujte administrátory na diskuzním fóru EB.


PHP-Nuke Copyright © 2005 by Francisco Burzi. This is free software, and you may redistribute it under the GPL. PHP-Nuke comes with absolutely no warranty, for details, see the license.
Čas potřebný ke zpracování stránky 0.15 sekund