Vítejte na Elektro Bastlírn?
Nuke - Elektro Bastlirna
  Vytvořit účet Hlavní · Fórum · DDump · Profil · Zprávy · Hledat na fóru · Příspěvky na provoz EB

Vlákno na téma KORONAVIRUS - nutná registrace


Nuke - Elektro Bastlirna: Diskuzní fórum

 FAQFAQ   HledatHledat   Uživatelské skupinyUživatelské skupiny   ProfilProfil   Soukromé zprávySoukromé zprávy   PřihlášeníPřihlášení 

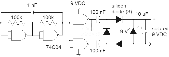
Plovoucí zdroj 9 V pro ICL7106 apod. (bez cívek)

 
Přidat nové téma   Zaslat odpověď       Obsah fóra Diskuzní fórum Elektro Bastlírny -> Zapojení ze šuplíku
Zobrazit předchozí téma :: Zobrazit následující téma  
Autor Zpráva
forbidden



Založen: Feb 14, 2005
Příspěvky: 9422
Bydliště: Brno (JN89GF)

PříspěvekZaslal: pá červenec 05 2024, 11:14    Předmět: Plovoucí zdroj 9 V pro ICL7106 apod. (bez cívek) Citovat

Náhodou jsem na to narazil, snad to tu ještě není. Hlavně se nemusí nic motat. Very Happy


float9V.gif
 Komentář:
 Velikost:  14.7 kB
 Zobrazeno:  83 krát

float9V.gif


Návrat nahoru
Zobrazit informace o autorovi Odeslat soukromou zprávu Zobrazit autorovy WWW stránky
jezevec
Hlavní moderátor


Založen: Jun 13, 2004
Příspěvky: 6105
Bydliště: Břeclavsko

PříspěvekZaslal: pá červenec 05 2024, 12:40    Předmět: Citovat

Je to hodně starý zapojení, podobný jsem dělal s 555 CMOS.
Teď raději používám B1209S 1 nebo 2W.
Návrat nahoru
Zobrazit informace o autorovi Odeslat soukromou zprávu Zobrazit autorovy WWW stránky
Hydrawerk



Založen: Dec 13, 2011
Příspěvky: 8354
Bydliště: Earth

PříspěvekZaslal: pá červenec 05 2024, 13:05    Předmět: Citovat

Bohužel, některé moduly voltmetrů mají větší odběr kvůli podsvícení.
_________________
01 02 03
Návrat nahoru
Zobrazit informace o autorovi Odeslat soukromou zprávu
samec



Založen: Dec 19, 2017
Příspěvky: 6005

PříspěvekZaslal: pá červenec 05 2024, 19:35    Předmět: Citovat

Ono to až tak celkom neizoluje. Zabráni ti to tvrdému skratu, ak to prepojíš niekde naokolo, ale budeš tam mať bordel z pulzujúcich 9V. Takže aj tak to budeš musieť izolovať ešte niekde inde.
Návrat nahoru
Zobrazit informace o autorovi Odeslat soukromou zprávu
PavelFF



Založen: Feb 18, 2008
Příspěvky: 5289
Bydliště: Brno

PříspěvekZaslal: pá červenec 05 2024, 19:59    Předmět: Citovat

Ale prd. Funguje to dobře. Je to vhodné jen pro velmi malý odběr, tj. pro ICL7106. Při malém proudu je rušení zanedbatelné.
Návrat nahoru
Zobrazit informace o autorovi Odeslat soukromou zprávu
ZVUK2000



Založen: Apr 22, 2012
Příspěvky: 4410
Bydliště: Karvinsko

PříspěvekZaslal: so červenec 06 2024, 5:57    Předmět: Citovat

Hydrawerk napsal(a):
Bohužel, některé moduly voltmetrů mají větší odběr kvůli podsvícení.

Podsvícení snad může být napájené z původního zdroje.
Návrat nahoru
Zobrazit informace o autorovi Odeslat soukromou zprávu Odeslat e-mail
Zobrazit příspěvky z předchozích:   
Přidat nové téma   Zaslat odpověď       Obsah fóra Diskuzní fórum Elektro Bastlírny -> Zapojení ze šuplíku Časy uváděny v GMT + 1 hodina
Strana 1 z 1

 
Přejdi na:  
Nemůžete odesílat nové téma do tohoto fóra.
Nemůžete odpovídat na témata v tomto fóru.
Nemůžete upravovat své příspěvky v tomto fóru.
Nemůžete mazat své příspěvky v tomto fóru.
Nemůžete hlasovat v tomto fóru.
Nemůžete připojovat soubory k příspěvkům
Můžete stahovat a prohlížet přiložené soubory

Powered by phpBB © 2001, 2005 phpBB Group
Forums ©
Nuke - Elektro Bastlirna

Informace na portálu Elektro bastlírny jsou prezentovány za účelem vzdělání čtenářů a rozšíření zájmu o elektroniku. Autoři článků na serveru neberou žádnou zodpovědnost za škody vzniklé těmito zapojeními. Rovněž neberou žádnou odpovědnost za případnou újmu na zdraví vzniklou úrazem elektrickým proudem. Autoři a správci těchto stránek nepřejímají záruku za správnost zveřejněných materiálů. Předkládané informace a zapojení jsou zveřejněny bez ohledu na případné patenty třetích osob. Nároky na odškodnění na základě změn, chyb nebo vynechání jsou zásadně vyloučeny. Všechny registrované nebo jiné obchodní známky zde použité jsou majetkem jejich vlastníků. Uvedením nejsou zpochybněna z toho vyplývající vlastnická práva. Použití konstrukcí v rozporu se zákonem je přísně zakázáno. Vzhledem k tomu, že původ předkládaných materiálů nelze žádným způsobem dohledat, nelze je použít pro komerční účely! Tento nekomerční server nemá z uvedených zapojení či konstrukcí žádný zisk. Nezodpovídáme za pravost předkládaných materiálů třetími osobami a jejich původ. V případě, že zjistíte porušení autorského práva či jiné nesrovnalosti, kontaktujte administrátory na diskuzním fóru EB.


PHP-Nuke Copyright © 2005 by Francisco Burzi. This is free software, and you may redistribute it under the GPL. PHP-Nuke comes with absolutely no warranty, for details, see the license.
Čas potřebný ke zpracování stránky 0.16 sekund