Vítejte na Elektro Bastlírn?
Nuke - Elektro Bastlirna
  Vytvořit účet Hlavní · Fórum · DDump · Profil · Zprávy · Hledat na fóru · Příspěvky na provoz EB

Vlákno na téma KORONAVIRUS - nutná registrace


Nuke - Elektro Bastlirna: Diskuzní fórum

 FAQFAQ   HledatHledat   Uživatelské skupinyUživatelské skupiny   ProfilProfil   Soukromé zprávySoukromé zprávy   PřihlášeníPřihlášení 

Zvýšení napětí zdroje ACER

 
Přidat nové téma   Zaslat odpověď       Obsah fóra Diskuzní fórum Elektro Bastlírny -> Svářečky, UPS, nabíječe, měniče, zdroje, trafa a další
Zobrazit předchozí téma :: Zobrazit následující téma  
Autor Zpráva
TAKJAN



Založen: Nov 17, 2011
Příspěvky: 7057
Bydliště: U Litomyšle.

PříspěvekZaslal: ne červen 16 2024, 15:46    Předmět: Zvýšení napětí zdroje ACER Citovat

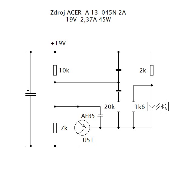
Potřebuju zvýšit výstupní napětí na cca 21,5V. Obvod zpětné vazby na obr.. Součástka, která se tváří jako tranzistor je asi spíše nějaký obvod stabilizace. SMD. AEB5. Vyhledávač nic kloudného nenajde. Hodnoty kondů nejdou změřit, jsou tak stovky nF. Žádným trikem mi to nejde zvednout. Kolem 19,4V je skoková změna proudu LED, ale se stoupajícím napětím je ten skok nahoru Sad


ACER 45W.jpg
 Komentář:
 Velikost:  29.12 kB
 Zobrazeno:  65 krát

ACER 45W.jpg



_________________
Digitální technologie pracuje se dvěma stavy. Blbě nebo vůbec.
Návrat nahoru
Zobrazit informace o autorovi Odeslat soukromou zprávu
HF_Tech



Založen: Apr 25, 2022
Příspěvky: 1955

PříspěvekZaslal: ne červen 16 2024, 16:02    Předmět: Citovat

Ten brouk je nějaká varianta TL431.
K odporu 7k přidej paraleně 68k. A podle výsledku dolaď přesnou hodnotu.
Návrat nahoru
Zobrazit informace o autorovi Odeslat soukromou zprávu
masar



Založen: Dec 03, 2005
Příspěvky: 13973

PříspěvekZaslal: ne červen 16 2024, 16:14    Předmět: Citovat

Tak. Nejde o AEB5, ale o EB5. Je to klon TL431.
Návrat nahoru
Zobrazit informace o autorovi Odeslat soukromou zprávu Odeslat e-mail
TAKJAN



Založen: Nov 17, 2011
Příspěvky: 7057
Bydliště: U Litomyšle.

PříspěvekZaslal: ne červen 16 2024, 17:09    Předmět: Citovat

Dík. Čekal jsem nějaký stab.. To "A" mne zmátlo.
_________________
Digitální technologie pracuje se dvěma stavy. Blbě nebo vůbec.
Návrat nahoru
Zobrazit informace o autorovi Odeslat soukromou zprávu
Zobrazit příspěvky z předchozích:   
Přidat nové téma   Zaslat odpověď       Obsah fóra Diskuzní fórum Elektro Bastlírny -> Svářečky, UPS, nabíječe, měniče, zdroje, trafa a další Časy uváděny v GMT + 1 hodina
Strana 1 z 1

 
Přejdi na:  
Nemůžete odesílat nové téma do tohoto fóra.
Nemůžete odpovídat na témata v tomto fóru.
Nemůžete upravovat své příspěvky v tomto fóru.
Nemůžete mazat své příspěvky v tomto fóru.
Nemůžete hlasovat v tomto fóru.
Nemůžete připojovat soubory k příspěvkům
Můžete stahovat a prohlížet přiložené soubory

Powered by phpBB © 2001, 2005 phpBB Group
Forums ©
Nuke - Elektro Bastlirna

Informace na portálu Elektro bastlírny jsou prezentovány za účelem vzdělání čtenářů a rozšíření zájmu o elektroniku. Autoři článků na serveru neberou žádnou zodpovědnost za škody vzniklé těmito zapojeními. Rovněž neberou žádnou odpovědnost za případnou újmu na zdraví vzniklou úrazem elektrickým proudem. Autoři a správci těchto stránek nepřejímají záruku za správnost zveřejněných materiálů. Předkládané informace a zapojení jsou zveřejněny bez ohledu na případné patenty třetích osob. Nároky na odškodnění na základě změn, chyb nebo vynechání jsou zásadně vyloučeny. Všechny registrované nebo jiné obchodní známky zde použité jsou majetkem jejich vlastníků. Uvedením nejsou zpochybněna z toho vyplývající vlastnická práva. Použití konstrukcí v rozporu se zákonem je přísně zakázáno. Vzhledem k tomu, že původ předkládaných materiálů nelze žádným způsobem dohledat, nelze je použít pro komerční účely! Tento nekomerční server nemá z uvedených zapojení či konstrukcí žádný zisk. Nezodpovídáme za pravost předkládaných materiálů třetími osobami a jejich původ. V případě, že zjistíte porušení autorského práva či jiné nesrovnalosti, kontaktujte administrátory na diskuzním fóru EB.


PHP-Nuke Copyright © 2005 by Francisco Burzi. This is free software, and you may redistribute it under the GPL. PHP-Nuke comes with absolutely no warranty, for details, see the license.
Čas potřebný ke zpracování stránky 0.13 sekund