Vítejte na Elektro Bastlírn?
Nuke - Elektro Bastlirna
  Vytvořit účet Hlavní · Fórum · DDump · Profil · Zprávy · Hledat na fóru · Příspěvky na provoz EB

Vlákno na téma KORONAVIRUS - nutná registrace


Nuke - Elektro Bastlirna: Diskuzní fórum

 FAQFAQ   HledatHledat   Uživatelské skupinyUživatelské skupiny   ProfilProfil   Soukromé zprávySoukromé zprávy   PřihlášeníPřihlášení 

Suzuki Samurai volnoběh

 
Přidat nové téma   Zaslat odpověď       Obsah fóra Diskuzní fórum Elektro Bastlírny -> Auto - Moto technika
Zobrazit předchozí téma :: Zobrazit následující téma  
Autor Zpráva
TAKJAN



Založen: Nov 17, 2011
Příspěvky: 7029
Bydliště: U Litomyšle.

PříspěvekZaslal: so červen 08 2024, 15:44    Předmět: Suzuki Samurai volnoběh Citovat

Soused dřevorubec má tohle autíčko, je to tak 1988. Ne že by mi vadilo se v tom vrtat, ale co je moc, to je moc. Problém je vysoký volnoběh při teplém motoru. Má to vstřikování v karbecu. Takový by to byl jednoduchý motor, kdyby ho ty kret...... japonský těma hadičkama úplně nezkur... Tak nějak už vím, co na co je. Ale ať odpojujeme jak chceme ty nesmysly, vždy se pak zase zvedne. Není tu asi někdo, kdo tenhle motor viděl ? (A světla, to vůbec nelze pochopit co je vedlo k takovým kouskům).


suz1.JPG
 Komentář:
 Velikost:  104.07 kB
 Zobrazeno:  64 krát

suz1.JPG



suz2.JPG
 Komentář:
 Velikost:  99.18 kB
 Zobrazeno:  92 krát

suz2.JPG



_________________
Digitální technologie pracuje se dvěma stavy. Blbě nebo vůbec.
Návrat nahoru
Zobrazit informace o autorovi Odeslat soukromou zprávu
Hill
Administrátor


Založen: Sep 10, 2004
Příspěvky: 20980
Bydliště: Jičín, Český ráj

PříspěvekZaslal: so červen 08 2024, 17:06    Předmět: Citovat

Nevím, jestli půjde stáhnout aspoň jeden z manuálů. Ale začínají kdesi na 40 MB, tak budou možná dostupné jen registrovaným VIP členům.
Na fotce vidím EGR modulátor, od kterého by měla vést hadička k EGR ventilu, ten, když je zanešený, to dělává.
Stejně tak může být problém v nečistotách kolem klapky v sacím hrdle, že nemůže víc přivřít.
Ale nerozeznávám, jestli je tam skutečně ještě karburátor, nebo sací hrdlo se šperrklapkou a jednobodovým vstřikem.
U jednobodu býval do roku 1990 Dash Pot, pohyblivý doraz škrticí klapky, od roku 1988 se montovaly oba systémy - novější měl elektricky ovládaný doraz s motorkem a šnekem. Ten jenom pootvíral klapku, ale zavřít musela sama, uhnul s dorazem.
Podle VIN bych zkusil sehnat konkrétní manuál, variant a podvariant Samíků bylo víc.
Návrat nahoru
Zobrazit informace o autorovi Odeslat soukromou zprávu
workhard



Založen: Jul 07, 2006
Příspěvky: 5473
Bydliště: Plzeň

PříspěvekZaslal: so červen 08 2024, 17:16    Předmět: Citovat

EGR v roce 1988? Myslel jsem, že tenkrát byl svět ještě v pořádku...
_________________
Věci,které fungují,se ZÁSADNĚ neopravují...
Návrat nahoru
Zobrazit informace o autorovi Odeslat soukromou zprávu
TAKJAN



Založen: Nov 17, 2011
Příspěvky: 7029
Bydliště: U Litomyšle.

PříspěvekZaslal: so červen 08 2024, 17:42    Předmět: Citovat

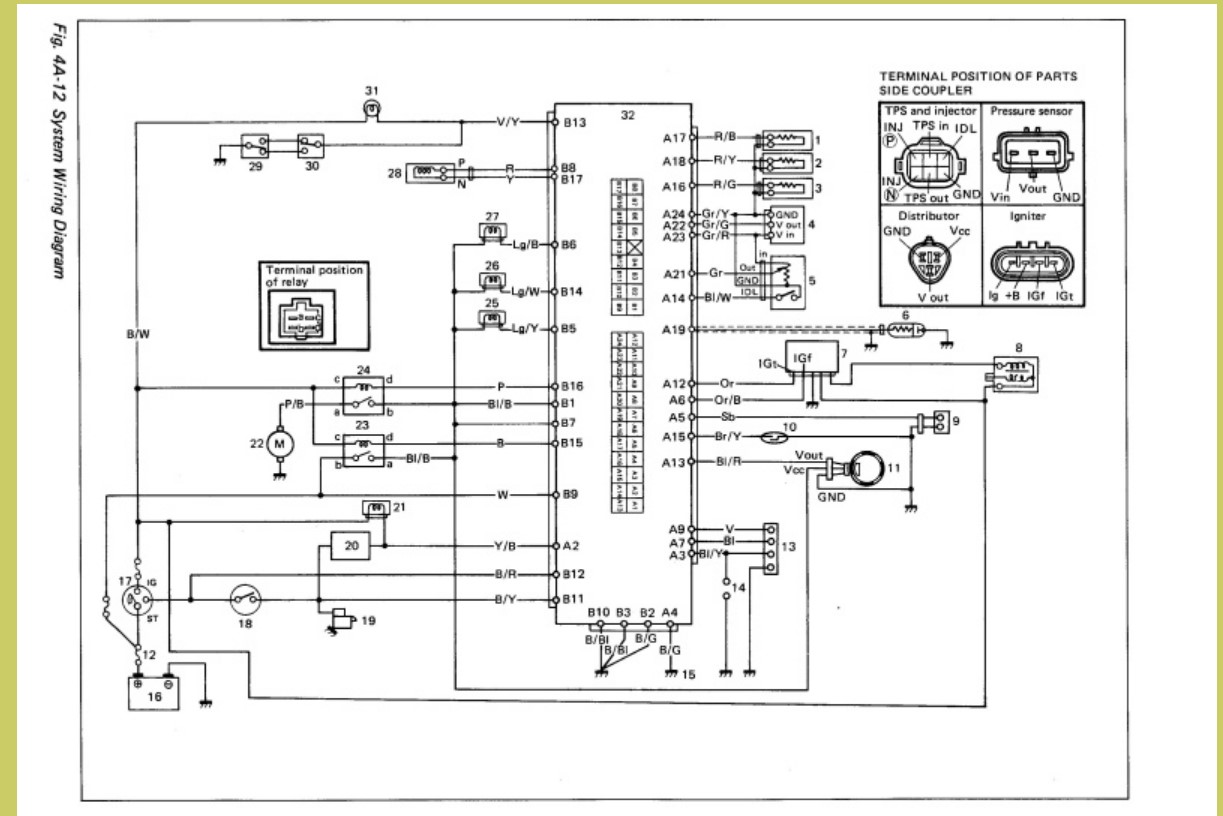
To má mít egr? Na tom schematu ale není. V tý době japonci takhle blbnuli? Mám nějaké obr. systému sáni, taky elektriku správného motoru, ale bez popisu i když se to dá dost rozpoznat. Klapka chodí volně, má mech. doraz, je čistá. A taky ovládaný podtlakem memránou, ten při běhu přitáhne, OK. Jsou tam tři okruhy ovládané selenoidy. Jeden je obtok klapky č2 na prvním obr., myslel jsem po odpojení a zaslepení že je vyhráno, otáčka cca 400, paráda. Ale za chvilku zas vylezl na těch tisíc. Prostě něco uvnitř karbece ještě obchází klapku. Má to snímač klapky vč. koncáku volnoběhu. Ten nebyl nastaven, to teď funguje. Na druhém obrázku je komplet sání, ale ne moc přehledně. Taky jsem našel, že lze vyblikat závady, ale to asi nepomůže. Zajímavé, že studený motor má nižší volnoběh než teplý.
Jo a díky.



SAMUR 1,3.jpg
 Komentář:
 Velikost:  148.68 kB
 Zobrazeno:  61 krát

SAMUR 1,3.jpg



SAMURA 1,3.jpg
 Komentář:
 Velikost:  120.31 kB
 Zobrazeno:  77 krát

SAMURA 1,3.jpg



SAMURAJ 1,3.jpg
 Komentář:
 Velikost:  146.53 kB
 Zobrazeno:  71 krát

SAMURAJ 1,3.jpg



_________________
Digitální technologie pracuje se dvěma stavy. Blbě nebo vůbec.
Návrat nahoru
Zobrazit informace o autorovi Odeslat soukromou zprávu
TAKJAN



Založen: Nov 17, 2011
Příspěvky: 7029
Bydliště: U Litomyšle.

PříspěvekZaslal: so červen 08 2024, 17:46    Předmět: Citovat

Stáhnout nic nejde. Registrace, zaplať atd. Jo EGR mám na fiatu punto1 z roku někdy 94, taky jsem čuměl. Ale lehce obejitelný.
_________________
Digitální technologie pracuje se dvěma stavy. Blbě nebo vůbec.
Návrat nahoru
Zobrazit informace o autorovi Odeslat soukromou zprávu
EKKAR



Založen: Mar 16, 2005
Příspěvky: 34954
Bydliště: Česká Třebová, JN89FW21

PříspěvekZaslal: so červen 08 2024, 18:12    Předmět: Citovat

workhard napsal(a):
EGR v roce 1988? Myslel jsem, že tenkrát byl svět ještě v pořádku...
Jo, nEGR tenkrát sloužil jen ke snížení spotřeby v určitejch funkčních režimech, protože v ustálenejch otáčkácch při menší než střední zátěži umožňoval "dospálit" část vejfuckovejch plynů s obsahem nespálenejch sazí jejich recirkulací do sání. Nastavení oblasti ve který je tenhle ventil funkční bylo mnohem užší, takže se otevíral opravdu jen a jen při ustálený jízdě na vyšší rychlostní stupně - na dálnici nebo v poklidný, ale svižný jízdě po silnicích nižšího řádu. Nemělo to nic společnýho s honbou za mg CO₂, ale mělo to skutečně ušetřit řidičům kapsu - ekoteroristologie nebyla primárním cílem.
_________________
Nasliněný prst na svorkovnici domovního rozvaděče: Jó, paninko, máte tam ty Voltíky všecky...
A kutilmile - nelituju tě Mr. Green Mr. Green !!!
Návrat nahoru
Zobrazit informace o autorovi Odeslat soukromou zprávu Odeslat e-mail
Hill
Administrátor


Založen: Sep 10, 2004
Příspěvky: 20980
Bydliště: Jičín, Český ráj

PříspěvekZaslal: so červen 08 2024, 22:08    Předmět: Citovat

Nezačínej elektrikou, ale mechanickými prvky - hadičky musí být bezpodmínečně těsné a průchozí, jinak je další hledání zbytečná práce.
Ty solenoidy už mají něco za sebou, tak odpoj jeden solenoid po druhém, přiveď na ně napětí, jestli cvakají. Můžeš-li zkontrolovat, jestli skutečně otevírají/těsní, tím líp. Manuál zjevně máš, ty podtlaky a tlaky jsou tam uvedené.
Pak je tam ještě bimetalový ventilek, který za studena drží volnoběh výše a při ohřátém motoru zavře.
Dash-Pot je tam jen kvůli tomu, aby podržel šperrklapku pootevřenou podtlakem, když sundáš nohu s plynu, ale motor je ještě v otáčkách. Lambda potřebuje čas na doregulování vstřiku a tohle jí ten čas dá.
Jestli jsi zvyklý v letním hicu tankovat s čepicí (to sice můžeš, ale bezprostředně potom musíš aspoň 10 - 15 km ujet; správně se tankuje do prvního vycvaknutí pistole) a pak to necháš za pumpou a jdeš na svačinku, zřejmě bude v háji náplň aktivního uhlí v nádobce recyklace benzínových par, protože studený benzín se v nádrži nemá kam roztáhnout a tlačí se do té nádobky. Když za ní není podtlak (neběží motor a neodsaje si páry), nateče do aktivního uhlí.
I to může způsobovat nečekané chování motoru.


Naposledy upravil Hill dne ne červen 09 2024, 8:46, celkově upraveno 1 krát.
Návrat nahoru
Zobrazit informace o autorovi Odeslat soukromou zprávu
Sandal



Založen: May 22, 2006
Příspěvky: 2841
Bydliště: Posázaví (JN79LT)

PříspěvekZaslal: ne červen 09 2024, 8:16    Předmět: Citovat

workhard napsal(a):
EGR v roce 1988? Myslel jsem, že tenkrát byl svět ještě v pořádku...
Buď v klidu. Má ho i na svém veteránu z roku 1985 Wink Je to Chevrolet Caprice 5.0 V8

Jinak v tomto motru jsem se taky vrtal, ale ten zase nedržel volnoběh. Nakonec jsem to vzdal, protože jsem už nevěděl kudy kam.

_________________
Lepší jednou ukázat, než desetkrát vysvětlovat Smile
Návrat nahoru
Zobrazit informace o autorovi Odeslat soukromou zprávu
TAKJAN



Založen: Nov 17, 2011
Příspěvky: 7029
Bydliště: U Litomyšle.

PříspěvekZaslal: ne červen 09 2024, 10:30    Předmět: Citovat

Hadičky jsou OK, to jsme koukali. Selenoidy taky, teda mají obvod. To auto koupil po celkové rekonstrukci, mechanicky je super-elektricky už je to horší, nějak to restaurátor zprovoznil, i když třeba nechápu proč v tak jednoduchém autě vedou svazky kabelů jak v něčem o 20 let mladším. Ten bimetal ventil je ale v karb., že. A ten obtok kolem klapky je pořád otevřen jestli se zavírá s otáčkami musím zjistit. Celkově se všech těch hadiček chceme zbavit, ať to běhá. Emise řešit nemusíme Very Happy Ty starší verze s čistým karbecem nahrazují favoriťáckým, tady to už bohužel nejde.
_________________
Digitální technologie pracuje se dvěma stavy. Blbě nebo vůbec.
Návrat nahoru
Zobrazit informace o autorovi Odeslat soukromou zprávu
Hill
Administrátor


Založen: Sep 10, 2004
Příspěvky: 20980
Bydliště: Jičín, Český ráj

PříspěvekZaslal: ne červen 09 2024, 10:48    Předmět: Citovat

Nejspíš zbytečně, ale dodám: má to kaťan a lambdu, čili jde o jednobodový vstřik. To se dělalo od roku 1986 pro evropský, kanadský a kalifornský trh, tam se ale ta auta jmenovala jinak, například Swift byl GeoMetro, Vitara se jmenovala Sidekick atd. Ostatní země včetně zbytku USA ještě dlouho vystačily s karburátorem.
On totiž ten původní skutečný karbec od Suzuki je strašlivá strojovna, takové na všechny strany neforemné UFO s asi 5 membránami, které za nějakou klapku či jehlu tahaly. Byly v přesně předtlakovaných komůrkách, z nichž vedly ven zaslepené servisní trubičky (asi jako u chladiva v ledničce). Jak některá přestala těsnit, už to mohl seřídit jen servis. Kvůli prasklé membráně se musel měnit celý karbec. K nám se karburátorové modely snad nikdy nedovážely a, pokud vím, tak japonské karburátory z osmdesátých let nikdo neumí a přípravky na seřízení nemá.


Naposledy upravil Hill dne ne červen 09 2024, 11:30, celkově upraveno 1 krát.
Návrat nahoru
Zobrazit informace o autorovi Odeslat soukromou zprávu
rnbw



Založen: Mar 21, 2006
Příspěvky: 36975
Bydliště: Bratislava

PříspěvekZaslal: ne červen 09 2024, 11:27    Předmět: Citovat

Budte radi, ze tam nie je karburator.
Oprava na 125 stran (335 krokov) Shocked
https://lowrangeoffroad.com/media/downloads/pdf/instructions/SER-CRK_Suzuki-Samurai-OEM-Hitachi-DFB306-Carburetor-Rebuild-Kit.pdf
Návrat nahoru
Zobrazit informace o autorovi Odeslat soukromou zprávu
TAKJAN



Založen: Nov 17, 2011
Příspěvky: 7029
Bydliště: U Litomyšle.

PříspěvekZaslal: ne červen 09 2024, 12:20    Předmět: Citovat

Ten dřevorubec má ještě dva, v podstatně horším stavu do lesa. Oba jsou přestavěny na karburátor z favorita, takže tam nějaká japonská hrůza musela být. Rok výroby nevím, ale jsou starší.
_________________
Digitální technologie pracuje se dvěma stavy. Blbě nebo vůbec.
Návrat nahoru
Zobrazit informace o autorovi Odeslat soukromou zprávu
rezis



Založen: Nov 17, 2005
Příspěvky: 5378

PříspěvekZaslal: po červen 10 2024, 7:36    Předmět: Citovat

Ale krasavec ten Samec Smile
TAKJAN: EGR na Puntu mk1 ? To máš co za motorizaci? 1.2 ani 1.2 16V to nemá
Diesely ho měly.

_________________
Internet - metla lidstva
Návrat nahoru
Zobrazit informace o autorovi Odeslat soukromou zprávu
TAKJAN



Založen: Nov 17, 2011
Příspěvky: 7029
Bydliště: U Litomyšle.

PříspěvekZaslal: po červen 10 2024, 10:28    Předmět: Citovat

1.6 Sportin Very Happy Malé chcípáčky neberu.
_________________
Digitální technologie pracuje se dvěma stavy. Blbě nebo vůbec.
Návrat nahoru
Zobrazit informace o autorovi Odeslat soukromou zprávu
jurosdi



Založen: Jan 07, 2017
Příspěvky: 161

PříspěvekZaslal: po červen 10 2024, 18:23    Předmět: Citovat

Nechcem byt Off topic,ale na starších benzinových motoroch ,kde je kvantum podtlakov okolo sania,mám odskúšaný postup pomocou spraya na čistenie brzd. Pri naštartovanom motori opatrne striiekam cistič na všetky hadičky a príruby okolo sania a karburátora. Pokial trafíš netesnú čast,tak otáčky sa ihned zmenia. Uštrí to hromadu času pri hladaní "falošného sania"....
Návrat nahoru
Zobrazit informace o autorovi Odeslat soukromou zprávu
Zobrazit příspěvky z předchozích:   
Přidat nové téma   Zaslat odpověď       Obsah fóra Diskuzní fórum Elektro Bastlírny -> Auto - Moto technika Časy uváděny v GMT + 1 hodina
Strana 1 z 1

 
Přejdi na:  
Nemůžete odesílat nové téma do tohoto fóra.
Nemůžete odpovídat na témata v tomto fóru.
Nemůžete upravovat své příspěvky v tomto fóru.
Nemůžete mazat své příspěvky v tomto fóru.
Nemůžete hlasovat v tomto fóru.
Nemůžete připojovat soubory k příspěvkům
Můžete stahovat a prohlížet přiložené soubory

Powered by phpBB © 2001, 2005 phpBB Group
Forums ©
Nuke - Elektro Bastlirna

Informace na portálu Elektro bastlírny jsou prezentovány za účelem vzdělání čtenářů a rozšíření zájmu o elektroniku. Autoři článků na serveru neberou žádnou zodpovědnost za škody vzniklé těmito zapojeními. Rovněž neberou žádnou odpovědnost za případnou újmu na zdraví vzniklou úrazem elektrickým proudem. Autoři a správci těchto stránek nepřejímají záruku za správnost zveřejněných materiálů. Předkládané informace a zapojení jsou zveřejněny bez ohledu na případné patenty třetích osob. Nároky na odškodnění na základě změn, chyb nebo vynechání jsou zásadně vyloučeny. Všechny registrované nebo jiné obchodní známky zde použité jsou majetkem jejich vlastníků. Uvedením nejsou zpochybněna z toho vyplývající vlastnická práva. Použití konstrukcí v rozporu se zákonem je přísně zakázáno. Vzhledem k tomu, že původ předkládaných materiálů nelze žádným způsobem dohledat, nelze je použít pro komerční účely! Tento nekomerční server nemá z uvedených zapojení či konstrukcí žádný zisk. Nezodpovídáme za pravost předkládaných materiálů třetími osobami a jejich původ. V případě, že zjistíte porušení autorského práva či jiné nesrovnalosti, kontaktujte administrátory na diskuzním fóru EB.


PHP-Nuke Copyright © 2005 by Francisco Burzi. This is free software, and you may redistribute it under the GPL. PHP-Nuke comes with absolutely no warranty, for details, see the license.
Čas potřebný ke zpracování stránky 0.16 sekund