Vítejte na Elektro Bastlírn?
Nuke - Elektro Bastlirna
  Vytvořit účet Hlavní · Fórum · DDump · Profil · Zprávy · Hledat na fóru · Příspěvky na provoz EB

Vlákno na téma KORONAVIRUS - nutná registrace


Nuke - Elektro Bastlirna: Diskuzní fórum

 FAQFAQ   HledatHledat   Uživatelské skupinyUživatelské skupiny   ProfilProfil   Soukromé zprávySoukromé zprávy   PřihlášeníPřihlášení 

Zesilovač pro elektret s AGC
Jdi na stránku 1, 2  Další
 
Přidat nové téma   Zaslat odpověď       Obsah fóra Diskuzní fórum Elektro Bastlírny -> Audiotechnika
Zobrazit předchozí téma :: Zobrazit následující téma  
Autor Zpráva
forbidden



Založen: Feb 14, 2005
Příspěvky: 9417
Bydliště: Brno (JN89GF)

PříspěvekZaslal: st květen 15 2024, 19:19    Předmět: Zesilovač pro elektret s AGC Citovat

Nemá někdo jednoduchý schéma na zesilovač pro elektret. mikrofon s AGC?
Potřebuju snímat hluk v místnosti, aby zaznamenal jak tichý zvuky, tak hlasitý. Na kvalitě nezáleží vůbec. Nějakej logaritmickej zesilovač, kompresor dynamiky, nebo to AGC?
Něco jsem našel: 1, 2, 3.
Pro elektret bych tomu asi ještě předřadil jeden operák. Jestli má někdo zkušenosti, ať nejdu zbytečně slepou uličkou.

Dík
Návrat nahoru
Zobrazit informace o autorovi Odeslat soukromou zprávu Zobrazit autorovy WWW stránky
Hill
Administrátor


Založen: Sep 10, 2004
Příspěvky: 20937
Bydliště: Jičín, Český ráj

PříspěvekZaslal: st květen 15 2024, 20:26    Předmět: Citovat

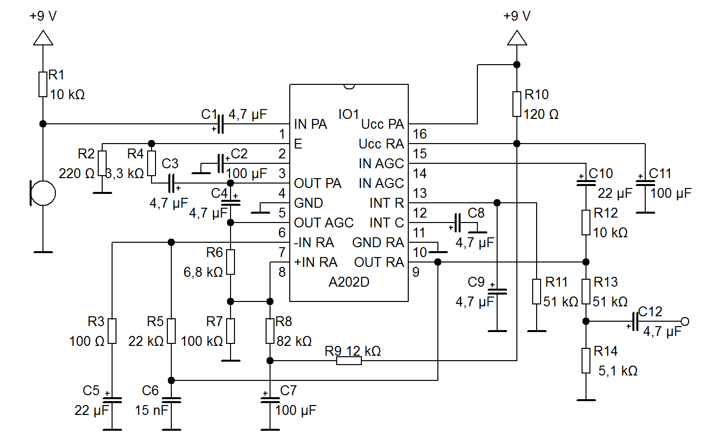
Nebo použij obvod A202D, ten má jak ten operák, tak kompresor.
Švába koupíš do 10 korun, doporučené schéma je v příloze.
Na vstupu jen otočíš polaritu elektrolytu, odpor přepojíš na plus a místo něj zapojíš elektretovou kapsli.
Odporem Rx nastavíš základní citlivost, od které začne obvod reagovat (případně místo něj můžeš zařadit třeba korekci pro zdůraznění pásma kmitočtů, které tě nejvíc zajímá).
A časovou konstantu reakce kompresoru můžeš změnit hodnotami RC členu na pinu 12.
Na pinu 9 bude udržovat úroveň kolem 900 mV.
Omezení představuje jen napájecí napětí: pod 5 V se tomu obvodu moc chodit nechce.



Kompresor_s_A202D.png
 Komentář:
 Velikost:  78.96 kB
 Zobrazeno:  98 krát

Kompresor_s_A202D.png


Návrat nahoru
Zobrazit informace o autorovi Odeslat soukromou zprávu
forbidden



Založen: Feb 14, 2005
Příspěvky: 9417
Bydliště: Brno (JN89GF)

PříspěvekZaslal: st květen 15 2024, 20:35    Předmět: Citovat

Super, díky. A202D mám náhodou čtyři v šuplíku, ani nevím kde jsem je vzal. Vyzkouším.
Návrat nahoru
Zobrazit informace o autorovi Odeslat soukromou zprávu Zobrazit autorovy WWW stránky
pocitujlasku



Založen: Dec 12, 2005
Příspěvky: 2715
Bydliště: SR, Poprad

PříspěvekZaslal: st květen 15 2024, 20:51    Předmět: Citovat

ja som si objednal toto snima to v pohode aj z vacsej vzdialenosti, len kvalitu neviem posudit, lebo ja mam problem s cimkolvek co sa tyka audia. Bud to huci, alebo mam zemnu smycku, alebo to piska... a je fuk, ci skusam tento mikrofon, alebo modul zosika, alebo predzosik...
Mam to pripojene na pin header na starsej zakladnej doske - namiesto predneho mic a funguje.

_________________
No vidis, a tak si sa bal
Návrat nahoru
Zobrazit informace o autorovi Odeslat soukromou zprávu
Zaky



Založen: Oct 30, 2010
Příspěvky: 6991
Bydliště: Praha

PříspěvekZaslal: st květen 15 2024, 21:31    Předmět: Citovat

Akorát tomu maličko chybí to poptávané AGC...
_________________
Krátce před tím, než se to rozbilo, tak to ještě fungovalo...
Návrat nahoru
Zobrazit informace o autorovi Odeslat soukromou zprávu
yakl



Založen: Apr 14, 2005
Příspěvky: 496

PříspěvekZaslal: st květen 15 2024, 21:56    Předmět: Citovat

AGC má iný typ tohoto modulu, konkrétne MAX9814 Microphone AGC Amplifier Board Module Auto Gain Control Programmable Attack and Release Ratio Low THD For Arduino
Návrat nahoru
Zobrazit informace o autorovi Odeslat soukromou zprávu
yakl



Založen: Apr 14, 2005
Příspěvky: 496

PříspěvekZaslal: st květen 15 2024, 22:57    Předmět: Citovat

Stará čiernobiela kamerka má prisvietenie a aj mikrofón s dvojtranzistorovým zosíkom. Rozoberiem, z dosky odrežem lupenkovou pílkou mikrofónovú časť aj s samotným mikrofónom, zvyšok zahodím a mám pomerne dosť citlivý mikrofónny odposluch, síce bez AGC, ale počuje aj tikať nástenné hodiny.
Návrat nahoru
Zobrazit informace o autorovi Odeslat soukromou zprávu
pocitujlasku



Založen: Dec 12, 2005
Příspěvky: 2715
Bydliště: SR, Poprad

PříspěvekZaslal: čt květen 16 2024, 7:30    Předmět: Citovat

Zaky: aha, tak to by vysvetlovalo aj to, preco mi to nefunguje, ako som si myslel. Ja som tiez chcel s automatic gain.

yakl: dik za tip, idem si to hned objednat Smile

_________________
No vidis, a tak si sa bal
Návrat nahoru
Zobrazit informace o autorovi Odeslat soukromou zprávu
patrikvarga



Založen: Apr 24, 2007
Příspěvky: 1274

PříspěvekZaslal: čt květen 16 2024, 7:59    Předmět: Citovat

AGC ( ALC ) boli v kazeťákoch, napr. KA2224, KA22242, DBL1027, BA3308 ...
Návrat nahoru
Zobrazit informace o autorovi Odeslat soukromou zprávu
forbidden



Založen: Feb 14, 2005
Příspěvky: 9417
Bydliště: Brno (JN89GF)

PříspěvekZaslal: čt květen 16 2024, 8:33    Předmět: Citovat

Zatím dík za tipy. Vzhledem k tomu, že tu A202D mám, tak to vyzkouším s ní. Ten MAX9814 z Alíka je taky alternativa za nulanulanic. Kamerku k rozebrání nemám.
Návrat nahoru
Zobrazit informace o autorovi Odeslat soukromou zprávu Zobrazit autorovy WWW stránky
Jindra2



Založen: Aug 09, 2005
Příspěvky: 785

PříspěvekZaslal: čt květen 16 2024, 9:50    Předmět: Citovat

Jindra


KZ.GIF
 Komentář:
 Velikost:  7.13 kB
 Zobrazeno:  79 krát

KZ.GIF


Návrat nahoru
Zobrazit informace o autorovi Odeslat soukromou zprávu
bum



Založen: Sep 04, 2011
Příspěvky: 287

PříspěvekZaslal: pá květen 17 2024, 18:54    Předmět: Citovat

V jednom projektu jsem použil modul s IO MAX9814 který má AGC zisk se nastavuje propojením pinů na DPS za 25Kč. Další modul co používám je s IO LM393 který má datový výstup popis mám na webu, u tohoto modulu je využita pouze 1/2 LM393 ten používám na zastavení modelu robota v případě " nouzového zastavení ". Pro zvýšení dosahu s tímto modulem je tento namontován na modelu s tzv. elektronickou klíčenkou.
Návrat nahoru
Zobrazit informace o autorovi Odeslat soukromou zprávu Zobrazit autorovy WWW stránky
VASEK_W



Založen: Dec 11, 2017
Příspěvky: 965
Bydliště: Pelhřimov

PříspěvekZaslal: pá květen 17 2024, 21:35    Předmět: Citovat

Jestli mne paměť neklame, tak nějaké zapojení mikrofonního předzesilovače s automatickou regulací zesílení z diskrétních součástek vyšlo před mnoha lety (možná ještě v minulém století) v roční příloze Amatérského Rádia, nebo Praktické Elektroniky někde ke konci výtisku. Ale hledat se mi to ve starých Amárech tedy nechce Wink

Vašek
Návrat nahoru
Zobrazit informace o autorovi Odeslat soukromou zprávu
forbidden



Založen: Feb 14, 2005
Příspěvky: 9417
Bydliště: Brno (JN89GF)

PříspěvekZaslal: pá květen 17 2024, 21:56    Předmět: Citovat

Koukám, že v AR toho vyšlo dost. Třeba PE 03/2007. No vyzkouším tu A202D, na nic jinýho ji už asi stejně nevyužiju a pak se uvidí.
Návrat nahoru
Zobrazit informace o autorovi Odeslat soukromou zprávu Zobrazit autorovy WWW stránky
forbidden



Založen: Feb 14, 2005
Příspěvky: 9417
Bydliště: Brno (JN89GF)

PříspěvekZaslal: ne květen 19 2024, 12:38    Předmět: Citovat

Tak jsem vyzkoušel to Hillovo zapojení. Citlivost je výborná, má to jen jednu vadu, bez signálu to strašně šumí, i když je mikrofon zkratovanej na zem. Podařilo se mi to odstranit zmenšením R7 na asi třetinu, akorát se pak samozřejmě zhorší citlivost. Můžu to ještě něčím ovlivnit? Mám to na nepájku, tak jestli to nemůže být i tím.


mic zes.png
 Komentář:
mic zes a A202D
 Velikost:  34.94 kB
 Zobrazeno:  80 krát

mic zes.png



TEK00000.PNG
 Komentář:
výstup bez signálu R7=100 kΩ
 Velikost:  15.85 kB
 Zobrazeno:  52 krát

TEK00000.PNG



TEK00001.PNG
 Komentář:
výstup se signálem (pískám) R7=100 kΩ
 Velikost:  11.4 kB
 Zobrazeno:  54 krát

TEK00001.PNG



TEK00002.PNG
 Komentář:
výstup bez signálu R7=33 kΩ
 Velikost:  4.77 kB
 Zobrazeno:  50 krát

TEK00002.PNG



TEK00003.PNG
 Komentář:
výstup se signálem (pískám) R7=33 kΩ
 Velikost:  7.78 kB
 Zobrazeno:  52 krát

TEK00003.PNG


Návrat nahoru
Zobrazit informace o autorovi Odeslat soukromou zprávu Zobrazit autorovy WWW stránky
Zobrazit příspěvky z předchozích:   
Přidat nové téma   Zaslat odpověď       Obsah fóra Diskuzní fórum Elektro Bastlírny -> Audiotechnika Časy uváděny v GMT + 1 hodina
Jdi na stránku 1, 2  Další
Strana 1 z 2

 
Přejdi na:  
Nemůžete odesílat nové téma do tohoto fóra.
Nemůžete odpovídat na témata v tomto fóru.
Nemůžete upravovat své příspěvky v tomto fóru.
Nemůžete mazat své příspěvky v tomto fóru.
Nemůžete hlasovat v tomto fóru.
Nemůžete připojovat soubory k příspěvkům
Můžete stahovat a prohlížet přiložené soubory

Powered by phpBB © 2001, 2005 phpBB Group
Forums ©
Nuke - Elektro Bastlirna

Informace na portálu Elektro bastlírny jsou prezentovány za účelem vzdělání čtenářů a rozšíření zájmu o elektroniku. Autoři článků na serveru neberou žádnou zodpovědnost za škody vzniklé těmito zapojeními. Rovněž neberou žádnou odpovědnost za případnou újmu na zdraví vzniklou úrazem elektrickým proudem. Autoři a správci těchto stránek nepřejímají záruku za správnost zveřejněných materiálů. Předkládané informace a zapojení jsou zveřejněny bez ohledu na případné patenty třetích osob. Nároky na odškodnění na základě změn, chyb nebo vynechání jsou zásadně vyloučeny. Všechny registrované nebo jiné obchodní známky zde použité jsou majetkem jejich vlastníků. Uvedením nejsou zpochybněna z toho vyplývající vlastnická práva. Použití konstrukcí v rozporu se zákonem je přísně zakázáno. Vzhledem k tomu, že původ předkládaných materiálů nelze žádným způsobem dohledat, nelze je použít pro komerční účely! Tento nekomerční server nemá z uvedených zapojení či konstrukcí žádný zisk. Nezodpovídáme za pravost předkládaných materiálů třetími osobami a jejich původ. V případě, že zjistíte porušení autorského práva či jiné nesrovnalosti, kontaktujte administrátory na diskuzním fóru EB.


PHP-Nuke Copyright © 2005 by Francisco Burzi. This is free software, and you may redistribute it under the GPL. PHP-Nuke comes with absolutely no warranty, for details, see the license.
Čas potřebný ke zpracování stránky 0.15 sekund