Vítejte na Elektro Bastlírn?
Nuke - Elektro Bastlirna
  Vytvořit účet
Hlavní · Fórum · DDump · Profil · Zprávy · Hledat na fóru


Nuke - Elektro Bastlirna: Diskuzní fórum

 FAQFAQ   HledatHledat   Uživatelské skupinyUživatelské skupiny   ProfilProfil   Soukromé zprávySoukromé zprávy   PřihlášeníPřihlášení 

detekce blesků
Jdi na stránku 1, 2  Další
 
Přidat nové téma   Zaslat odpověď       Obsah fóra Diskuzní fórum Elektro Bastlírny -> Řešení problémů s různými konstrukcemi
Zobrazit předchozí téma :: Zobrazit následující téma  
Autor Zpráva
mi-ro



Založen: Feb 08, 2005
Příspěvky: 8730
Bydliště: rovina u Kolína

PříspěvekZaslal: po květen 06 2024, 11:09    Předmět: detekce blesků Citovat

Přichází období bouřek. Máte nějaký udělátko, přístroj, způsob jak detekovat bleskové výboje? (nemám na mysli tupé sledování PC aplikací). Já mám schovaný velmi citlivý radiopřijínač Blaupunk s AM. Na DV najdu klidné místo bez rušení a bez vysílání. Přepínačem odpojím reproduktor a připojím dvě antiparalelně zapojené LED. A nebo jsem přídil AcuRite 02020 Portable Lightning Detector.
_________________
..to bude jen ňákej odpůrek
Návrat nahoru
Zobrazit informace o autorovi Odeslat soukromou zprávu Odeslat e-mail
Celeron



Založen: Apr 02, 2011
Příspěvky: 20379
Bydliště: Nový Bydžov

PříspěvekZaslal: po květen 06 2024, 11:33    Předmět: Citovat

Bastly: http://home.pf.jcu.cz/~vnufcb/CD/pdf/VNUF23_01.pdf
Tohle https://www.laskakit.cz/senzor-detekce-blesku-as3935--i2c-spi/ má být dost dobrý, umí to vyhodnotit vzdálenost do 40 km. Ale ta cena. Rolling Eyes

_________________
Jirka

Proč mi nemůže všechno chodit hned ?!!
Návrat nahoru
Zobrazit informace o autorovi Odeslat soukromou zprávu
mi-ro



Založen: Feb 08, 2005
Příspěvky: 8730
Bydliště: rovina u Kolína

PříspěvekZaslal: po květen 06 2024, 11:37    Předmět: Citovat

Modul s AS 3935 je pouze inteligentní detektor s datovým výstupem. K tomu potřebuješ ještě něco, čím to zpracuješ a zobrazíš. Výše popsaný acurite pracuje se stejným snímačem.
_________________
..to bude jen ňákej odpůrek
Návrat nahoru
Zobrazit informace o autorovi Odeslat soukromou zprávu Odeslat e-mail
Zaky



Založen: Oct 30, 2010
Příspěvky: 7005
Bydliště: Praha

PříspěvekZaslal: po květen 06 2024, 11:38    Předmět: Citovat

Jak to tak bývá, z Číny za polovic: https://vi.aliexpress.com/item/1005006724485728.html
_________________
Krátce před tím, než se to rozbilo, tak to ještě fungovalo...
Návrat nahoru
Zobrazit informace o autorovi Odeslat soukromou zprávu
mhepp



Založen: Aug 16, 2017
Příspěvky: 126

PříspěvekZaslal: po květen 06 2024, 11:39    Předmět: Citovat

Ten čip AS3935 i použitou anténu jsem získal jako vzorek zdarma, takže schopný člověk si to může postavit doma levněji. Na druhou stranu pozoruji spoustu rušení a falešných blesků, takže jsem možná něco udělal špatně...

Každopádně, ten AS3935 vyžaduje velmi precizní naladění parametrů a to není úplně triviální.
Návrat nahoru
Zobrazit informace o autorovi Odeslat soukromou zprávu
mhepp



Založen: Aug 16, 2017
Příspěvky: 126

PříspěvekZaslal: po květen 06 2024, 11:58    Předmět: Citovat

Zaky: I za polovic to může být drahé. Viz můj příspěvek. Naladit to správně je fuška a pokud číňan ojebal nějaké parametry součástek, tak to bude akorát k vzteku. Raději bych si v tomto případě připlatil za spolehlivý kus. Na druhou stranu, ten laskakit nedá záruku lepších parametrů, takže to vidím jako jedno kde to koupíš (až na cenu).
Návrat nahoru
Zobrazit informace o autorovi Odeslat soukromou zprávu
eleferner



Založen: Jun 04, 2016
Příspěvky: 868
Bydliště: Brno

PříspěvekZaslal: po květen 06 2024, 16:35    Předmět: Citovat

Heh, ten detektor s KF520 co linkoval Celeron sveho casu vysel i v casopisu ABC. Ale byl tam bez ochranne doutnavky, takze v realu asi KF520 moc dlouho neprezil...
Návrat nahoru
Zobrazit informace o autorovi Odeslat soukromou zprávu
Hape



Založen: Feb 08, 2010
Příspěvky: 791
Bydliště: Dolní Cerekev, Česko (Czechia)

PříspěvekZaslal: po květen 06 2024, 17:08    Předmět: Citovat

Já mám meteostanici Garni 3055 Arcus (což je klon čínské značky Ecowitt) a k ní jsem si v Hadexu dokoupil detektor blesků Ecowitt WH57. Není to levné (to není ani ta meteostanice), ale je to hotové a funkční. Dnes mi napočítal 43 blesků, viz údaje z detektoru na úvodní stránce mého webu.
Návrat nahoru
Zobrazit informace o autorovi Odeslat soukromou zprávu Zobrazit autorovy WWW stránky
gepard



Založen: Feb 05, 2007
Příspěvky: 1757
Bydliště: Liberec - tam na severu Čech

PříspěvekZaslal: po květen 06 2024, 17:36    Předmět: Citovat

Tak slušný detektor z klasických součástek byl v AR PE 08/2015. Jmenuje se "Burevestnik bouři věští aneb indikátor bouřek", autorem je Petr Pick, OK1APY.
Článek máš zde vytažený.

_________________
-- Gepard --
Návrat nahoru
Zobrazit informace o autorovi Odeslat soukromou zprávu
Valdano



Založen: Jan 01, 2023
Příspěvky: 2988
Bydliště: Česká Lípa

PříspěvekZaslal: po květen 06 2024, 18:18    Předmět: Citovat

Na laskakit.cz je odkaz na článek k tomu modulu s AS3935. V článku je jen základní zdroják příkladu s popisem, ale žádné ladění parametrů tam vůbec není ani tam nenastavuje prahové hodnoty detekce. V textovém popisu nad tím zdrojákem je akorát velmi stručně zmíněna možnost volby kondenzátoru u antény, ale nic konkrétního tam k tomu není uvedeno. Možnosti volby různých kondenzátorů u antény není zmíněna ani v datasheetu od výrobce. Na GitHubu je mimo jiné tato cca 6 let stará knihovna AS3935, ale popisy jsou tam jen velmi stručné. Takže taky nic moc.
Návrat nahoru
Zobrazit informace o autorovi Odeslat soukromou zprávu
hafca



Založen: Jul 27, 2004
Příspěvky: 4710
Bydliště: 25km na západ od Prahy

PříspěvekZaslal: po květen 06 2024, 19:09    Předmět: Citovat

S tím obvodem mám postavený tenhle Detektor búrok s obvodom AS3935. Nejhorší je jeho kalibrace. Na balení obvodu by měl být štítek s kalibrační hodnotou. Jenže, to jsem se dozvěděl až při řešení problémů a to byl sáček dávno pryč. Našel jsem dost stránek, které se tím zabývaly a nakonec se to povedlo uspokojivě nakalibrovat. Ale musel jsem měnit jeden z kondenzátorů v modulu. Tady https://tasmota.github.io/docs/AS3935/ nebo tady https://github.com/arendst/Tasmota/pull/8130 je dost čtení co jak.
A tady jsou ještě odkazy na jiné konstrukce https://www.instructables.com/Arduino-Pocket-Lightning-Detector tahle je podobná té, co mám postavenou. A tady https://www.thingiverse.com/thing:2565049 je trochu jiná konstrukce, tam odradila cena za ten LED půlkruh. A poslední, která se mi líbila je https://github.com/mobifu1/arduino_lightning_radar/tree/master ale tam jsem nenašel nic bližšího o displeji.

_________________
Kdyby Edison nevynalezl elektřinu, do teď se díváme na televizi při svíčkách.
Návrat nahoru
Zobrazit informace o autorovi Odeslat soukromou zprávu
mhepp



Založen: Aug 16, 2017
Příspěvky: 126

PříspěvekZaslal: út květen 07 2024, 12:28    Předmět: Citovat

Základní problém je s laděním vnitřního oscilátoru. Musí být nastavený na přesnou frekvenci, čip umí určitou korekci chyby vnějšího kondenzátoru. S nalezením kapacity, která by byla v toleranci pro vnitřní korekci jsem měl dost práce.

A ano, knihovny jsou k tomu dost chabé. Prostě zkompilujte se správnými čísly a bude vám to chodit. Ale jak najít ta správná čísla...
Návrat nahoru
Zobrazit informace o autorovi Odeslat soukromou zprávu
hafca



Založen: Jul 27, 2004
Příspěvky: 4710
Bydliště: 25km na západ od Prahy

PříspěvekZaslal: út květen 07 2024, 13:39    Předmět: Citovat

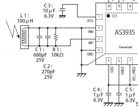
Dohledal jsem ještě poznámky ke kondezátorům na modulu. Měly by mít hodnoty co jsou na obrázku. Na mém modulu bylo místo 680pF 1000pF a modul se nedal optimálně naladit.


s-l960a.jpg
 Komentář:
 Velikost:  36.75 kB
 Zobrazeno:  67 krát

s-l960a.jpg



s-l960.jpg
 Komentář:
 Velikost:  31.17 kB
 Zobrazeno:  68 krát

s-l960.jpg



_________________
Kdyby Edison nevynalezl elektřinu, do teď se díváme na televizi při svíčkách.
Návrat nahoru
Zobrazit informace o autorovi Odeslat soukromou zprávu
mhepp



Založen: Aug 16, 2017
Příspěvky: 126

PříspěvekZaslal: út květen 07 2024, 14:03    Předmět: Citovat

To počtení o kondenzátorech je totiž v HW design guide, není součást datasheet-u: https://www.sciosense.com/wp-content/uploads/2023/12/AS3935-Application-Note-Hardware-Design-Guide.pdf

A zde je homepage: https://www.sciosense.com/as3935-franklin-lightning-sensor-ic/
Návrat nahoru
Zobrazit informace o autorovi Odeslat soukromou zprávu
Celeron



Založen: Apr 02, 2011
Příspěvky: 20379
Bydliště: Nový Bydžov

PříspěvekZaslal: út květen 07 2024, 17:31    Předmět: Citovat

Hafca, dá se nějak poznat, která anténa je na modulu? Na tom HW design guide píšou o dvou, stejná indukčnost ale jiný Q. Ten menší paralelní kondík měl hodnotu jako je psáno ve schematu?
Díky!

_________________
Jirka

Proč mi nemůže všechno chodit hned ?!!
Návrat nahoru
Zobrazit informace o autorovi Odeslat soukromou zprávu
Zobrazit příspěvky z předchozích:   
Přidat nové téma   Zaslat odpověď       Obsah fóra Diskuzní fórum Elektro Bastlírny -> Řešení problémů s různými konstrukcemi Časy uváděny v GMT + 1 hodina
Jdi na stránku 1, 2  Další
Strana 1 z 2

 
Přejdi na:  
Nemůžete odesílat nové téma do tohoto fóra.
Nemůžete odpovídat na témata v tomto fóru.
Nemůžete upravovat své příspěvky v tomto fóru.
Nemůžete mazat své příspěvky v tomto fóru.
Nemůžete hlasovat v tomto fóru.
Nemůžete připojovat soubory k příspěvkům
Můžete stahovat a prohlížet přiložené soubory

Powered by phpBB © 2001, 2005 phpBB Group
Forums ©
Nuke - Elektro Bastlirna

Informace na portálu Elektro bastlírny jsou prezentovány za účelem vzdělání čtenářů a rozšíření zájmu o elektroniku. Autoři článků na serveru neberou žádnou zodpovědnost za škody vzniklé těmito zapojeními. Rovněž neberou žádnou odpovědnost za případnou újmu na zdraví vzniklou úrazem elektrickým proudem. Autoři a správci těchto stránek nepřejímají záruku za správnost zveřejněných materiálů. Předkládané informace a zapojení jsou zveřejněny bez ohledu na případné patenty třetích osob. Nároky na odškodnění na základě změn, chyb nebo vynechání jsou zásadně vyloučeny. Všechny registrované nebo jiné obchodní známky zde použité jsou majetkem jejich vlastníků. Uvedením nejsou zpochybněna z toho vyplývající vlastnická práva. Použití konstrukcí v rozporu se zákonem je přísně zakázáno. Vzhledem k tomu, že původ předkládaných materiálů nelze žádným způsobem dohledat, nelze je použít pro komerční účely! Tento nekomerční server nemá z uvedených zapojení či konstrukcí žádný zisk. Nezodpovídáme za pravost předkládaných materiálů třetími osobami a jejich původ. V případě, že zjistíte porušení autorského práva či jiné nesrovnalosti, kontaktujte administrátory na diskuzním fóru EB.


PHP-Nuke Copyright © 2005 by Francisco Burzi. This is free software, and you may redistribute it under the GPL. PHP-Nuke comes with absolutely no warranty, for details, see the license.
Čas potřebný ke zpracování stránky 0.27 sekund