Vítejte na Elektro Bastlírn?
Nuke - Elektro Bastlirna
  Vytvořit účet Hlavní · Fórum · DDump · Profil · Zprávy · Hledat na fóru · Příspěvky na provoz EB

Vlákno na téma KORONAVIRUS - nutná registrace


Nuke - Elektro Bastlirna: Diskuzní fórum

 FAQFAQ   HledatHledat   Uživatelské skupinyUživatelské skupiny   ProfilProfil   Soukromé zprávySoukromé zprávy   PřihlášeníPřihlášení 

Kukačky na ESP32, DFPlayer, TM1637

 
Přidat nové téma   Zaslat odpověď       Obsah fóra Diskuzní fórum Elektro Bastlírny -> Miniaturní počítače (Arduino, Raspberry a další)
Zobrazit předchozí téma :: Zobrazit následující téma  
Autor Zpráva
buchar



Založen: Oct 28, 2007
Příspěvky: 90
Bydliště: Násedlovice

PříspěvekZaslal: so duben 06 2024, 8:23    Předmět: Kukačky na ESP32, DFPlayer, TM1637 Citovat

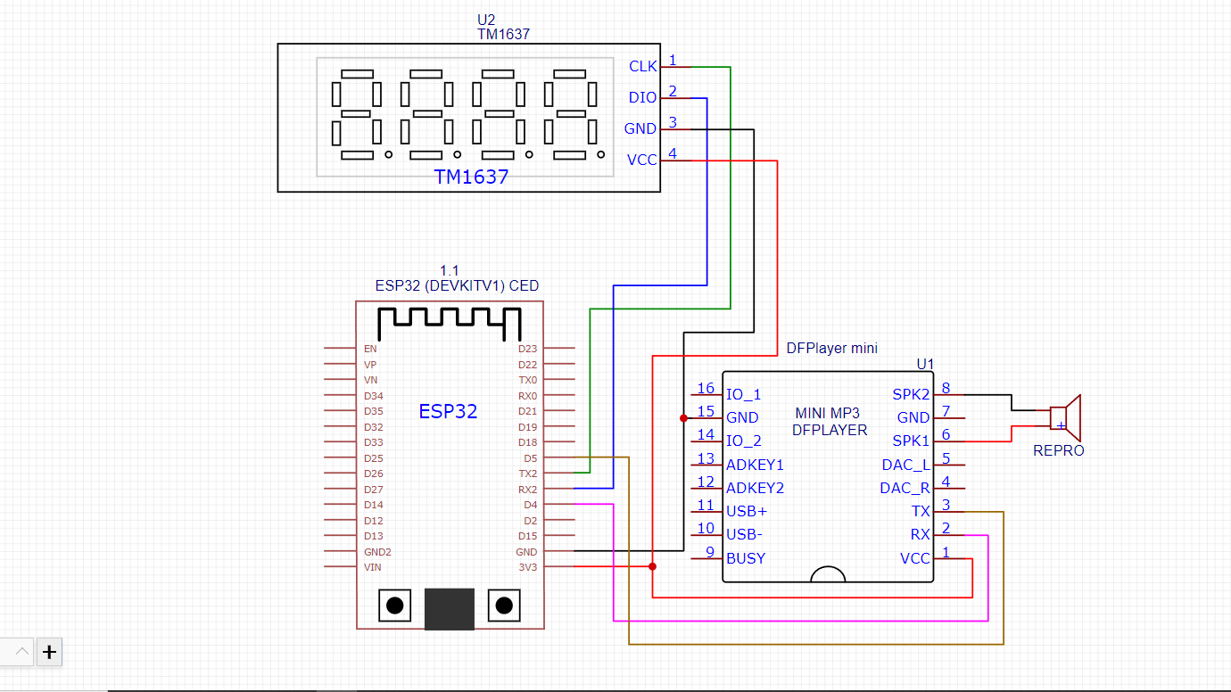
Ahoj kamarádi, chci vás požádat o pomoc s konstrukcí kukaček.
Původní konstrukce, kterou jsem s úspěchem dokončil je tady [url]
https://www.youtube.com/watch?v=TgJOAbc9RYI&list=PL86H7PGdidG24-BVlMwpDwnPHoLAF5V6d&index=14[/url] .
Ta mi ale nevyhovovala, protože nelze nastavit čas manuálně. Čas se u každých takových hodin za nějakou dobu předbíhá nebo je o něco pozadu.
A když je změna času na zimní nebo na letní, tak tady to nenastavíte.
Proto jsem se rozhodl migrovat na ESP32 a načítat čas z NTP. Po pár víkendech se mi to podařilo s pomocí kamaráda a zdejšího uživatele "hafca" rozchodit.
Musel jsem na ESP32 program trochu upravit, ptorože jak víte, UNO/NANO se chová trochu jinak.
Hodiny běží a DFPlayer hraje, jenže nepřetržitě přehrává dvě zakukání. Už mě nenapadá co bych mohl udělat. Proto se obracím na vás zkušenější.



kód:
#include <WiFi.h>
#include "time.h"
#include "sntp.h"
#include "TM1637Display.h"
#include "HardwareSerial.h"
#include "DFRobotDFPlayerMini.h"

TM1637Display display(17,16);                      // TX2, RX2
HardwareSerial MySerial(1);

DFRobotDFPlayerMini myDFPlayer;
void printDetail(uint8_t type, int value);

int hrs, mins, sec;

const char* ssid       = "netis"; //netis  //Vitek 3 2.4 GHz
const char* password   = "krasnoludek"; //krasnoludek //BHD8RL3TRL

const char* ntpServer1 = "pool.ntp.org";
const char* ntpServer2 = "time.nist.gov";
const long  gmtOffset_sec = 3600;
const int   daylightOffset_sec = 3600;

const char* time_zone = "CET-1CEST,M3.5.0,M10.5.0/3";  // TimeZone rule for Europe/Prague including daylight adjustment rules (optional)
                                                       // PSTR("CET-1CEST,M3.5.0,M10.5.0/3")

void printLocalTime()
{
  struct tm timeinfo;
  if(!getLocalTime(&timeinfo)){
    Serial.println("No time available (yet)");
    return;
  }
  Serial.println(&timeinfo, "%A, %B %d %Y %H:%M:%S");
  //display.clear();
  display.setBrightness(3);
  int hrs = timeinfo.tm_hour;
  int mins = timeinfo.tm_min;
  int sec = timeinfo.tm_sec;
  int time = hrs*100 + mins;
  display.showNumberDecEx(time, 0b11100000);
  delay(1000);
  display.showNumberDec(time);
  delay(1000);
}

// Callback function (get's called when time adjusts via NTP)
void timeavailable(struct timeval *t)
{
  Serial.println("Got time adjustment from NTP!");
  printLocalTime();
}

void setup()
{
  MySerial.begin(9600, SERIAL_8N1, 5, 4); // TX, RX
  Serial.begin(115200);
 
  Serial.println();
  Serial.println(F("Zkouška DFPlayer ... (může to trvat 3-5 sekund)"));

  if (!myDFPlayer.begin(MySerial)) {                //Připojování k softwaru Serial pro komunikaci s mp3.

    Serial.println(F("1.Zkontrolujte připojení k přehrávači!"));
    Serial.println(F("2.Vložte nebo zkontrolujte kartu!"));
    while(true){
      delay(0);                                             // Kód pro kompatibilitu s ESP8266 watch dog.
    }
  }
  Serial.println(F("DFPlayer Mini online."));

  myDFPlayer.setTimeOut(500);                               //Set serial communictaion time out 500ms 
   
    myDFPlayer.volume(25);                                  // nastavte hlasitost od 0 do 30
    delay(5000);
    myDFPlayer.EQ(DFPLAYER_EQ_BASS);                        // Ekvalizér BASS

  // set notification call-back function
  sntp_set_time_sync_notification_cb( timeavailable );

  /**
   * NTP server address could be aquired via DHCP,
   *
   * NOTE: This call should be made BEFORE esp32 aquires IP address via DHCP,
   * otherwise SNTP option 42 would be rejected by default.
   * NOTE: configTime() function call if made AFTER DHCP-client run
   * will OVERRIDE aquired NTP server address
   */
  sntp_servermode_dhcp(1);    // (optional)

  /**
   * This will set configured ntp servers and constant TimeZone/daylightOffset
   * should be OK if your time zone does not need to adjust daylightOffset twice a year,
   * in such a case time adjustment won't be handled automagicaly.
   */
  configTime(gmtOffset_sec, daylightOffset_sec, ntpServer1, ntpServer2);

  /**
   * A more convenient approach to handle TimeZones with daylightOffset
   * would be to specify a environmnet variable with TimeZone definition including daylight adjustmnet rules.
   * A list of rules for your zone could be obtained from https://github.com/esp8266/Arduino/blob/master/cores/esp8266/TZ.h
   */
  //configTzTime(time_zone, ntpServer1, ntpServer2);

  //connect to WiFi
  Serial.printf("Connecting to %s ", ssid);
  WiFi.begin(ssid, password);
  while (WiFi.status() != WL_CONNECTED) {
      delay(500);
      Serial.print(".");
  }
  Serial.println(" CONNECTED");
  myDFPlayer.volume(20);

}

void loop()
{/*
  while (MySerial.available()>0) {
    uint8_t byteFromSerial = MySerial.read();
  }*/
 
  delay(500);
  printLocalTime();     // it will take some time to sync time :)


//*********Odbijeni zvonu po 15ti minutách**********

   if((mins == 15) && (sec == 0))

   myDFPlayer.volume(5);
   myDFPlayer.play(15);                                // přehrát soubor 0015.mp3
   delay(1000);
}

   if((mins == 30) && (sec == 0))

   myDFPlayer.volume(5);
   myDFPlayer.play(13);                                // přehrát soubor 0013.mp3
   delay(1000);
}
   if((mins == 45) && (sec == 0))

   myDFPlayer.volume(5);
   myDFPlayer.play(14);                                // přehrát soubor 0014.mp3
   delay(1000);
}
//****************************************************

//*********** V celou hodinu kukacka kuká ************

   if ((mins == 0) && (sec == 0)) {
   switch (hrs)                                   // Každou hodinu zakuká kukačka
 {   
   case 1:
   myDFPlayer.volume(5);
   myDFPlayer.play(1);                                // přehrát soubor 0001.mp3
   delay(1000);
   break;
   
   case 13:
   myDFPlayer.volume(10);
   myDFPlayer.play(1);
   delay(1000);
   break;
   
   case 2:
   myDFPlayer.volume(5);
   myDFPlayer.play(2);                                // přehrát soubor 0002.mp3
   delay(1000);
   break;
   
   case 14:
   myDFPlayer.volume(10);
   myDFPlayer.play(2);                               
   delay(1000);
   break;
   
   case 3:
   myDFPlayer.volume(5);
   myDFPlayer.play(3);                                // přehrát soubor 0003.mp3
   delay(1000);
   break;
   
   case 15:
   myDFPlayer.volume(10);
   myDFPlayer.play(3);                               
   delay(1000);
   break;
   
   case 4:
   myDFPlayer.volume(5);
   myDFPlayer.play(4);                                // přehrát soubor 0004.mp3
   delay(1000);
   break;
   
   case 16:
   myDFPlayer.volume(10);
   myDFPlayer.play(4);                               
   delay(1000);
   break;

   case 5:
   myDFPlayer.volume(5);
   myDFPlayer.play(5);                                 // přehrát soubor 0005.mp3
   delay(1000);
   break;
   
   case 17:
   myDFPlayer.volume(10);
   myDFPlayer.play(5);                                 
   delay(1000);
   break;
   
   case 6:
   myDFPlayer.volume(5);
   myDFPlayer.play(6);                                 // přehrát soubor 0006.mp3   
   delay(1000);
   break;
   
   case 18:
   myDFPlayer.volume(10);
   myDFPlayer.play(6);                                   
   delay(1000);
   break;

   case 7:
   myDFPlayer.volume(10);
   myDFPlayer.play(7);                                 // přehrát soubor 0007.mp3
   delay(1000);
   break;
   
   case 19:
   myDFPlayer.volume(10);
   myDFPlayer.play(7);                                 
   delay(1000);
   break;

   case 8:
   myDFPlayer.volume(10);
   myDFPlayer.play(8);                                 // přehrát soubor 0008.mp3
   delay(1000);
   break;
   
   case 20:
   myDFPlayer.volume(10);
   myDFPlayer.play(8);                                 
   delay(1000);
   break;
 
   case 9:
   myDFPlayer.volume(10);
   myDFPlayer.play(9);                                 // přehrát soubor 0009.mp3
   delay(1000);
   break;
   
   case 21:
   myDFPlayer.volume(10);
   myDFPlayer.play(9);                                 
   delay(1000);
   break;

   case 10:
   myDFPlayer.volume(10);
   myDFPlayer.play(10);                                // přehrát soubor 0010.mp3
   delay(1000);
   break;
   
   case 22:
   myDFPlayer.volume(5);
   myDFPlayer.play(10);                               
   delay(1000);
   break;
   
   case 11:
   myDFPlayer.volume(10);
   myDFPlayer.play(11);                                // přehrát soubor 0011.mp3
   delay(1000);
   break;
   
   case 23:
   myDFPlayer.volume(5);
   myDFPlayer.play(11);                               
   delay(1000);
   break;
   
   case 12:
   myDFPlayer.volume(10);
   myDFPlayer.play(12);                                 // přehrát soubor 0012.mp3
   delay(1000);
   break;
   
   case 0:
   myDFPlayer.volume(5);
   myDFPlayer.play(12);                                 
   delay(1000);
   break;
 
   default:
   {  }
  }                 
 }
//*******************************************************

}



Kukacky_ESP32_DFPlayer_TM1637.png
 Komentář:
 Velikost:  107.6 kB
 Zobrazeno:  110 krát

Kukacky_ESP32_DFPlayer_TM1637.png


Návrat nahoru
Zobrazit informace o autorovi Odeslat soukromou zprávu Odeslat e-mail
asdf



Založen: Oct 06, 2022
Příspěvky: 539

PříspěvekZaslal: so duben 06 2024, 11:27    Předmět: Citovat

Ty tam máš globální proměnné hrs, mins a sec, podle kterých pouštíš ty mp3. Jenže do nich nikde nic nepíšeš. V té funkci printLocalTime() máš deklarované lokální hrs, mins a sec, které ty globální překryjí. Takže bych tu funkci printLocalTime() předělal takhle:
kód:
void printLocalTime()
{
  struct tm timeinfo;
  if(!getLocalTime(&timeinfo)){
    Serial.println("No time available (yet)");
    return;
  }
  Serial.println(&timeinfo, "%A, %B %d %Y %H:%M:%S");
  //display.clear();
  display.setBrightness(3);
  hrs = timeinfo.tm_hour;
  mins = timeinfo.tm_min;
  sec = timeinfo.tm_sec;
  int time = hrs*100 + mins;
  display.showNumberDecEx(time, 0b11100000);
  delay(1000);
  display.showNumberDec(time);
  delay(1000);
}
Stejně si ale myslím, že to bude kukat jen někdy (bude to vynechávat).
Návrat nahoru
Zobrazit informace o autorovi Odeslat soukromou zprávu Zobrazit autorovy WWW stránky
buchar



Založen: Oct 28, 2007
Příspěvky: 90
Bydliště: Násedlovice

PříspěvekZaslal: so duben 06 2024, 13:34    Předmět: Citovat

Díky za rychlou reakci "asdf". Hned to vyzkouším.
Návrat nahoru
Zobrazit informace o autorovi Odeslat soukromou zprávu Odeslat e-mail
buchar



Založen: Oct 28, 2007
Příspěvky: 90
Bydliště: Násedlovice

PříspěvekZaslal: so duben 06 2024, 14:03    Předmět: Citovat

Tak jsem to stihl pár minut před 15:00. Už to nehraje nepřetržitě. Počkal jsem si tedy na celou, ale nezakukalo to. Bylo ticho.
Návrat nahoru
Zobrazit informace o autorovi Odeslat soukromou zprávu Odeslat e-mail
asdf



Založen: Oct 06, 2022
Příspěvky: 539

PříspěvekZaslal: so duben 06 2024, 14:17    Předmět: Citovat

To mě nepřekvapuje. Ty totiž v té funkci printLocalTime() máš dva příkazy delay(1000), takže skončí až za dvě sekundy. Takže každé dvě sekundy se koukne, jestli má kukat. Takže když máš smůlu, tak se koukne v 59 a pak až 01 sekund, takže nezakuká.

Takže bych obě ty zpoždění v printLocalTime() zkrátil na třeba delay(100). Pak by to mělo kukat pokaždé.

Zase ale bude asi rychleji blikat dvojtečka, nebo co to má dělat. Každopádně bych to zkusil.
Návrat nahoru
Zobrazit informace o autorovi Odeslat soukromou zprávu Zobrazit autorovy WWW stránky
buchar



Založen: Oct 28, 2007
Příspěvky: 90
Bydliště: Násedlovice

PříspěvekZaslal: so duben 06 2024, 14:22    Předmět: Citovat

Samozřejmě delay zkusím upravit, ale chci ti říct, že teď v 15:15h se ozval jeden gong tak jak má.
Návrat nahoru
Zobrazit informace o autorovi Odeslat soukromou zprávu Odeslat e-mail
buchar



Založen: Oct 28, 2007
Příspěvky: 90
Bydliště: Násedlovice

PříspěvekZaslal: so duben 06 2024, 17:05    Předmět: Citovat

Tak to funguje jak má. Od 15:45h do 18:00h, kdy to sleduji, to oznámilo každou čtvrthodinu i celou hodinu tak jak má. Moc dík "asdf"!!!
Ještě mám ale jeden dotaz. Když odpojím ESP32 od napájení a pak zase připojím, tak musím zmáčknout RST na ESP, aby se to rozběhlo. Jak to udělat, aby se hodiny rozběhly hned a sami po připojení napájení?


PS: Omlouvám se. Teď už to funguje i po připojení napájení.
Ještě jedno veliký dík!!!
Návrat nahoru
Zobrazit informace o autorovi Odeslat soukromou zprávu Odeslat e-mail
Zobrazit příspěvky z předchozích:   
Přidat nové téma   Zaslat odpověď       Obsah fóra Diskuzní fórum Elektro Bastlírny -> Miniaturní počítače (Arduino, Raspberry a další) Časy uváděny v GMT + 1 hodina
Strana 1 z 1

 
Přejdi na:  
Nemůžete odesílat nové téma do tohoto fóra.
Nemůžete odpovídat na témata v tomto fóru.
Nemůžete upravovat své příspěvky v tomto fóru.
Nemůžete mazat své příspěvky v tomto fóru.
Nemůžete hlasovat v tomto fóru.
Nemůžete připojovat soubory k příspěvkům
Můžete stahovat a prohlížet přiložené soubory

Powered by phpBB © 2001, 2005 phpBB Group
Forums ©
Nuke - Elektro Bastlirna

Informace na portálu Elektro bastlírny jsou prezentovány za účelem vzdělání čtenářů a rozšíření zájmu o elektroniku. Autoři článků na serveru neberou žádnou zodpovědnost za škody vzniklé těmito zapojeními. Rovněž neberou žádnou odpovědnost za případnou újmu na zdraví vzniklou úrazem elektrickým proudem. Autoři a správci těchto stránek nepřejímají záruku za správnost zveřejněných materiálů. Předkládané informace a zapojení jsou zveřejněny bez ohledu na případné patenty třetích osob. Nároky na odškodnění na základě změn, chyb nebo vynechání jsou zásadně vyloučeny. Všechny registrované nebo jiné obchodní známky zde použité jsou majetkem jejich vlastníků. Uvedením nejsou zpochybněna z toho vyplývající vlastnická práva. Použití konstrukcí v rozporu se zákonem je přísně zakázáno. Vzhledem k tomu, že původ předkládaných materiálů nelze žádným způsobem dohledat, nelze je použít pro komerční účely! Tento nekomerční server nemá z uvedených zapojení či konstrukcí žádný zisk. Nezodpovídáme za pravost předkládaných materiálů třetími osobami a jejich původ. V případě, že zjistíte porušení autorského práva či jiné nesrovnalosti, kontaktujte administrátory na diskuzním fóru EB.


PHP-Nuke Copyright © 2005 by Francisco Burzi. This is free software, and you may redistribute it under the GPL. PHP-Nuke comes with absolutely no warranty, for details, see the license.
Čas potřebný ke zpracování stránky 0.16 sekund