Vítejte na Elektro Bastlírn?
Nuke - Elektro Bastlirna
  Vytvořit účet Hlavní · Fórum · DDump · Profil · Zprávy · Hledat na fóru · Příspěvky na provoz EB

Vlákno na téma KORONAVIRUS - nutná registrace


Nuke - Elektro Bastlirna: Diskuzní fórum

 FAQFAQ   HledatHledat   Uživatelské skupinyUživatelské skupiny   ProfilProfil   Soukromé zprávySoukromé zprávy   PřihlášeníPřihlášení 

Krystalový oscilátor necitlivý k parazitním kapacitám
Jdi na stránku 1, 2  Další
 
Přidat nové téma   Zaslat odpověď       Obsah fóra Diskuzní fórum Elektro Bastlírny -> Teorie
Zobrazit předchozí téma :: Zobrazit následující téma  
Autor Zpráva
Lojza1



Založen: Nov 23, 2021
Příspěvky: 505
Bydliště: Uh. Hradiště

PříspěvekZaslal: ne listopad 12 2023, 17:47    Předmět: Krystalový oscilátor necitlivý k parazitním kapacitám Citovat

Předkládám k volnému pokusničení a užívání oscilátor, jak jsem jej právě navrhnul a odladil v podobě klubíčka součástek a drátků. Netuším, jestli je nebo není nějak originální.
Pokusil jsem se bez ohledu na složitost zapojení splnit požadavek, aby samotný oscilátor nevnášel do buzení rezonátoru nějaký významnější a nepřesný fázový posuv. Navržené řešení se vypořádává s parazitními kapacitami v jednotlivých uzlech zapojení tak, že k nim nepřipojuje odporové impedance. Proud rezonátorem je integrován na snímacím kondenzátoru při fázovém posuvu ∏/2. Sejmuté napětí je převedeno na proud způsobem nezatíženým významnou parazitní kapacitou a ten je integrován na varikapu s dalším posuvem ∏/2. Takto získané napětí je přivedeno na rezonátor (krystal s dolaďovacím kondenzátorem, velmi malý vliv paralelní větve RCR), který zde kmitá v dost přesně sériové rezonanci. Předpětím varikapu se řídí zesílení tak, aby přesně vykompenzovalo ztráty v náhradním sériovém odporu rezonátoru (ESR) při stabilní amplitudě oscilací. Ve zpětné vazbě se amplituda výstupní sinusoidy stabilizuje na 0,5 V ef. Takto stabilní a přesnou sinusoidu je snadné upravit na signál TTL se střídou 1/2.
Tato klubíčková realizace je znevýhodněna dlouhými drátky, které podporují nestabilitu vysokofrekvenčních tranzistorů. I proto jsem musel doplnit několik uklidňovacích součástek. Nevhodně připojený osciloskop může vyvolat VHF aktivitu a funkci oscilátoru tak narušit. Lepší je připojení sondy 1/10 přes vhodný rezistor, třeba 1k.
Oscilátor se při své složitosti hodí spíše pro vyšší frekvence, kde by se více projevily parazitní kapacity tranzistorů a třeba i přívodů k rezonátoru do termostatu. Zkusil jsem ho úspěšně upravit na 8 MHz a 12 MHz. Není to obtížné. Naopak 4 MHz už jsou trochu málo s ohledem na kapacitu varikapu a jiné důvody. Ale předkládám zapojení tak, jak jsem jej odladil. Na fotce osciloskopu má horní signál TTL měřítko 1V/dílek a dolní sinusoida 0,5 V/dílek, je trochu zakmitaná vinou současného připojení druhé sondy k výstupu TTL. V odladěném zapojení s použitým krystalem odpovídá napětí na snímacím kondenzátoru k33 velikostí přibližně napětí na ESR, samozřejmě s posuvem ∏/2. Ke kvalitnějšímu krystalu by se hodila větší kapacita snímacího kondenzátoru. Pokud by se oscilátor doplnil o zesilovací stupeň mezi výstupem a zpětnou vazbou k předpětí varikapu, mohla by se amplituda v samotném krystalu stabilizovat na nižší úrovni. To by mohlo být vhodné pro stabilitu frekvence a linearitu obvodů oscilátoru. Výstup by trochu víc šuměl.
V zapojení je osazen krystal z Hadexu po 60 haléřích při 100 ks. Má skoro násobně vyšší ESR, než krystal kdysi vytažený snad z nějaké vyhořelé Amigy. Souvisí to nejspíš s drsností povrchu planparalelních ploch rezonanční destičky, možná i s provedením vývodů a kdovíčím dalším. Možná i s nějakými podpovrchovými prasklinkami vzniklými při broušení a leštění. Ještě jiný krystal od stejného výrobce, jako ten z Hadexu, ale z něčeho vymontovaný, má ESR někde mezi, blíže tomu horšímu. Ono je to vidět na předpětí varikapu při stabilních oscilacích.
Kdysi jsem snad v modrém AR o krystalech zahlédl, že ESR je u krystalu závislé na intenzitě kmitů. Nevím s jistotou, jestli toto vysvětluje, co jsem pozoroval. K počátečnímu rozkmitání všech několika vzorků vf krystalů muselo napětí na varikapu nejprve dost překročit hodnotu, na kterou po rozkmitání spadlo. Dá se to primitivně ovládat snížením napájecího napětí, při kterém se maximální dosažitelné předpětí úměrně snižuje omezením příslušného proudového zdroje. Po rozkmitání je možno napájecí napětí snížit až na hodnotu, pod kterou už by předpětí muselo klesnout pod hodnotu nastavenou ve zpětné vazbě. Je tam tedy hystereze. Pokud se předpětí sníží tak, že amlpituda začne exponenciálně klesat, lze ještě rychlým návratem napájecího napětí kousek nad mezní hodnotu oscilátor opět rozkmitat bez hystereze. Ta se projeví až po mnohem výraznějším útlumu kmitů. Jinak než zmíněnou vlastností krystalových rezonátorů si to zatím neumím vysvětlit. Před desítkami let jsem si vyrobil dvoutranzistorový oscilátor s krystalem 6 kHz v termostatu. Při tak nízké frekvenci je zesílení oscilátoru stabilní a nastavené tak, že se oscilátor sám pomaličku (během řádově minuty) rozkmitá a další omezení amplitudy nelinearitou (omezením) oscilátoru je šetrné. U tohoto nízkofrekvenčního krystalu jsem závislost kvality na intenzitě kmitů nepozoroval, resp. jsem si jí nevšiml, neuvědomil jsem si ji. Nebo mohla být třeba ve výsledku i opačná, protože v takovém krystalu se rozkmitáním akumuluje dost velká mechanická energie, tj. může to být jiná oblast nelinearity.



XCO 4M433 design 11-2023 - result red.jpg
 Komentář:
 Velikost:  56.83 kB
 Zobrazeno:  101 krát

XCO 4M433 design 11-2023 - result red.jpg



XCO resistant to parasitic capacitances.jpg
 Komentář:
 Velikost:  177.18 kB
 Zobrazeno:  233 krát

XCO resistant to parasitic capacitances.jpg



XCO 4M433 design 11-2023 - experimental construction red.jpg
 Komentář:
 Velikost:  237.95 kB
 Zobrazeno:  109 krát

XCO 4M433 design 11-2023 - experimental construction red.jpg




Naposledy upravil Lojza1 dne ne listopad 12 2023, 19:20, celkově upraveno 2 krát.
Návrat nahoru
Zobrazit informace o autorovi Odeslat soukromou zprávu
Lojza1



Založen: Nov 23, 2021
Příspěvky: 505
Bydliště: Uh. Hradiště

PříspěvekZaslal: ne listopad 12 2023, 17:52    Předmět: Citovat

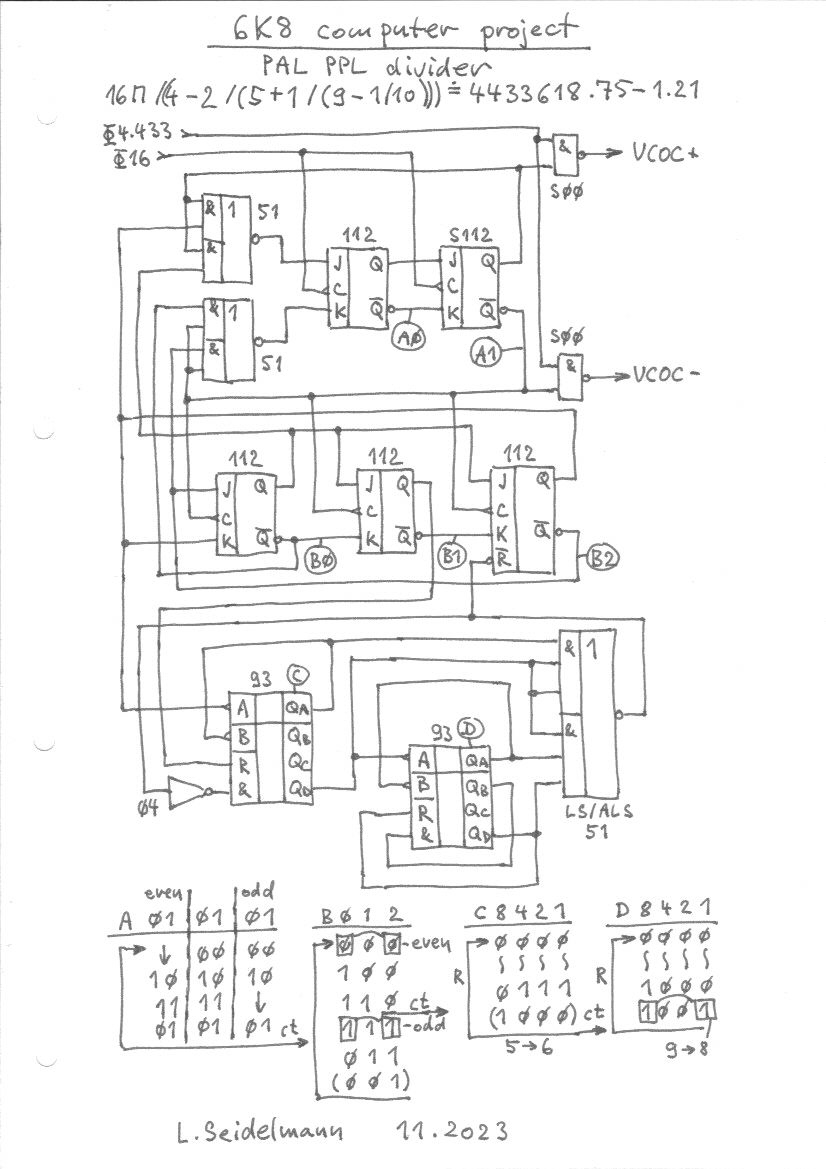
Když už jsem zveřejnil realizaci pro netypicky nízkou frekvenci PAL 4,433... MHz, jako odškodnění přidávám návrh děličky pro fázové zavěšení VCXO 16 MHz. V příloze je schéma v poslední verzi.
Ve schématu jsou čítače označené 93. Opravuji původní text a nově upozorňuji, že podle žádných katalogových údajů, které jsem prohlížel, není u těchto čítačů v různých provedeních a od různých výrobců zaručena správná funkce při připojení resetovacích vstupů přímo na výstupy. Nesetkal jsem se s nefunkčním kusem, ale je třeba s tím počítat a buď součástky otestovat, nebo zapojení změnit. Zmínil jsem to ve vlákně o problému dynamického hazardu v sekci Teorie. Přikládám novou verzi v2, kde je problém vyřešen. Jednou variantou je použití čítače 7490 v pravé pozici (D), který ale může být hůře dostupný. Alternativně a jako příklad řešení je v této pozici čítač 7493 s potřebnými hradly pro modulo 10.
Ve verzi v2 je tranzistorový fázový komparátor, který na rozdíl od původního návrhu reflektuje jemné časování děličky. U vf tranzistorů by byl problém s průrazným napětím Ube, takže spíš něco jako BC548.



PLL 4M433 to VCXO 16M divider.jpg
 Komentář:
 Velikost:  195.59 kB
 Zobrazeno:  139 krát

PLL 4M433 to VCXO 16M divider.jpg



PLL 4M433 to VCXO 16M divider v2.jpg
 Komentář:
 Velikost:  240.12 kB
 Zobrazeno:  85 krát

PLL 4M433 to VCXO 16M divider v2.jpg




Naposledy upravil Lojza1 dne st leden 31 2024, 21:13, celkově upraveno 15 krát.
Návrat nahoru
Zobrazit informace o autorovi Odeslat soukromou zprávu
Lojza1



Založen: Nov 23, 2021
Příspěvky: 505
Bydliště: Uh. Hradiště

PříspěvekZaslal: ne listopad 12 2023, 19:34    Předmět: Citovat

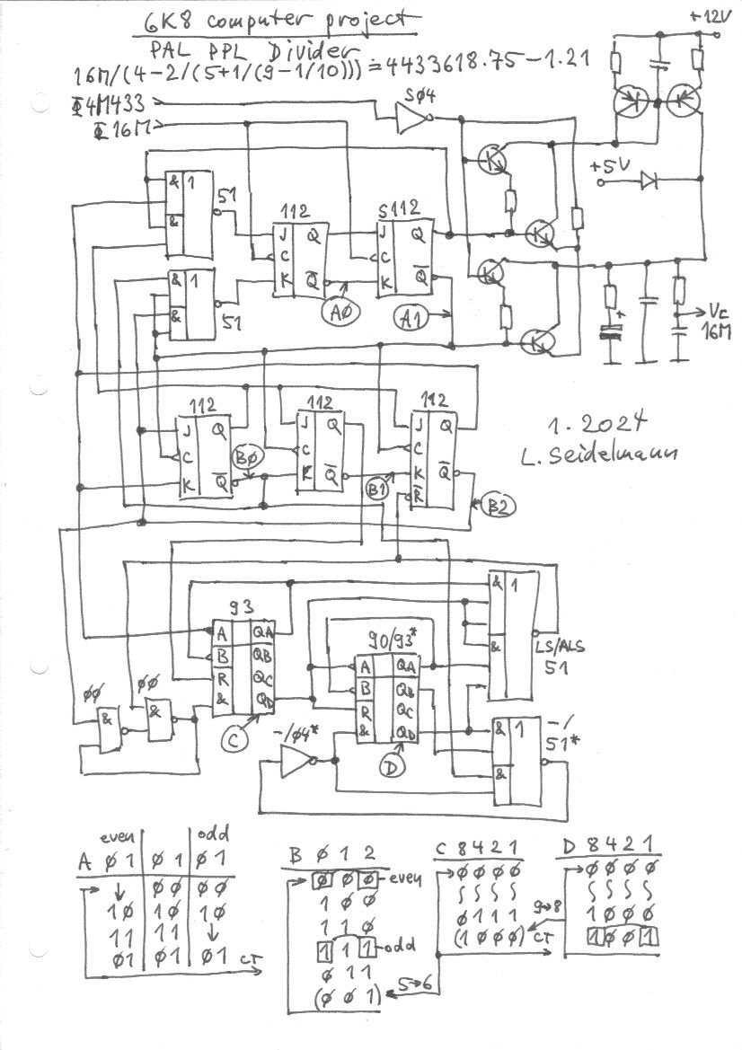
Zjednodušený oscilátor pro 4,433 MHz a pro 16 MHz (odlišné součástky zeleně). Dodatečně vloženo i sem, aby byla schémata pohromadě. Popis je na následující stránce.


Simplified XCO 4M433 and 16M .jpg
 Komentář:
 Velikost:  214.76 kB
 Zobrazeno:  111 krát

Simplified XCO 4M433 and 16M .jpg




Naposledy upravil Lojza1 dne po listopad 20 2023, 19:15, celkově upraveno 3 krát.
Návrat nahoru
Zobrazit informace o autorovi Odeslat soukromou zprávu
PavelFF



Založen: Feb 18, 2008
Příspěvky: 5254
Bydliště: Brno

PříspěvekZaslal: ne listopad 12 2023, 20:28    Předmět: Citovat

No, pěkně sis vyhrál. Požadavek jsi asi splnil (nedokážu to posoudit) a ani netuším, jak moc je nevnášení fázových posuvů u oscilátoru zásadní věc.
Vyniká tvůj oscilátor, kromě složitosti, nad jinými? Například stabilitou kmitočtu?
Některé krystalové oscilátory mají všehovšudy dva tranzistory a používají se jako normál v čítačích (nepočítám obvody termostatu).
Připadá mi zvláštní, že se honíš za nevnášením fázových posuvů a používáš mizerné krystaly za 60haléřů.
Návrat nahoru
Zobrazit informace o autorovi Odeslat soukromou zprávu
Lojza1



Založen: Nov 23, 2021
Příspěvky: 505
Bydliště: Uh. Hradiště

PříspěvekZaslal: ne listopad 12 2023, 21:16    Předmět: Citovat

PvelFF:
Stabilita krystalového oscilátoru na požadované úrovni je opět na odpovídající úrovni podmíněna:
1. Orientací řezu krystalu a odpovídající více či méně přesnou pracovní teplotou, která se u termostatovaných rezonátorů obvykle volí v extrému křivky teplotní závislosti. Případně teplotní kompenzací pro zamýšlený teplotní rozsah, pokud na termostat nejsou nároky, není dostupný příkon, nejsou peníze, termostat by byl velký a těžký nebo z jiných důvodů.
2. Dlouhodobou stabilitou vlastností krystalového rezonátoru, typicky korozí elektrod ovlivňující hmotnost destičky. Pro vyšší nároky se používají krystaly bez napařených elektrod. Elektrody jsou v blízkosti čistého krystalu, nedotýkají se ho. A také stabilitou souvisejících prvků, jako dolaďovacího kondenzátoru.
3. Vlastnostmi oscilátoru.
Jednotranzistorová nebo jiná jednoduchá řešení mají větší či menší fázový posuv a nelinearitu, který závisí na vrozených parazitních parametrech použitých součástek a na pracovních podmínkách a ovlivňují výslednou frekvenci oscilátoru. Celkově ty jednoduché oscilátory opravdu kmitají a pokud se oscilátor správně naladí, tak kmitají na správné frekvenci. Pokud se to chce udělat lépe, vede cesta přes konstrukci s nějak lépe definovanými vlastnostmi. Rezonátor má nějakou frekvenční charakteristiku. Pokud chápeme sériovou rezonanci jako oblast kolem minima absolutní hodnoty impedance, je to dost široká oblast. Uvnitř té oblasti se s frekvencí mění fáze. Máme-li oscilátor s přesně definovaným fázovým posuvem, máme také přesně vybranou frekvenci. Běžné oscilátory mají vinou parazitních kapacit fázový posuv nějak odchýlený od nulového. Pokud je už v principu oscilátoru fázový posuv ∏/2, lze nějak odstínit vlivy, které by ho významně změnily. Výhodou je i možnost řídit zesílení předpětím varikapu bez negativních souvisejících jevů, jaké by byly typické pro řízený proporcionální zesilovač na vysoké frekvenci - například omezení na malé signály při řízení na nelineárním prvku a asi i fázový posuv závislý na aktuálně nastaveném zesílení. Podotýkám, že u jednoduchých oscilátorů se zesílení efektivně nějak upraví nelinearitou oscilátoru, tedy zkreslením signálu po rozkmitání.
Dostal se ke mně kdysi oscilátor v masivním měděném bloku, už bez termostatu, jehož aktivní část obsahovala tunelovou diodu a několik pasivních součástek. To je řešení jednoduché a na svou dobu asi i slušně stabilní. Ale výstupní průběh ohavný a s nízkým výkonem. V tuzemsku se nic lepšího asi nevyrábělo ani kusově a v katalogu Tesly je přinejlepším termostatovaný oscilátor řádově lacinější.
Samozřejmě, setkáváme se s běžnými jednoduchými řešeními. Mohli bychom mít pocit, že nic lepšího nepotřebujeme, že nemá smysl nad tím ani přemýšlet, že nás to nezajímá. Bože chraň se o něco lepšího pokoušet. Jen blázen by si koupil hrozně drahý krystal bez normálních elektrod.
Samozřejmě, že si špičkový oscilátor nepředstavuji jako klubíčko součástek a drátků. Zrovna tak si v něm nepředstavuji krystal za 60 haléřů. Desítky let mám v krabičce hradecký krystal 10 MHz, který mne stál tehdejší tisícovku. Od té doby vystárnul a oproti přiložené křivce se změřeným časovým průběhem frekvence během stárnutí u výrobce se asi nějak ustálil. Už mám představu, jaký oscilátor by se k němu hodil. To klubíčko mělo ověřit, že oscilátor v principu funguje a funguje dobře s různými rezonátory. Aby to nebylo jen přesvědčení nepodložené experimentem. Udělat to s lepšími součástkami a jako solidní konstrukci je další krok. Na ten teď nemám čas a ani si nemyslím, že bych tou myšlenkou v dokonalejší realizaci někoho obohatil víc, než případně v této současné.
Návrat nahoru
Zobrazit informace o autorovi Odeslat soukromou zprávu
Zmije



Založen: Jun 30, 2005
Příspěvky: 1689
Bydliště: Pardubický kraj

PříspěvekZaslal: ne listopad 12 2023, 23:07    Předmět: Citovat

Oscilátor je pekelně složitý. Mám pochybnosti jestli jeho složitost přináší nějaký užitek. Nejlepší způsob jak to zjistit je postavit vedle sebe tvůj oscilátor a nějaký běžný se 2 - 3 tranzistory, se stejným krystalem, se shodnými podmínkami a důkladně měřit. A jestli ten tvůj nebude v nějakém parametru výrazně lepší, tak nedává smysl ho používat.

Fáze budícího signálu nějaký vliv má (jsou to nucené kmity), ale čím je jakost rezonátoru vyšší, tím měnší má vliv.

Ve výsledku to vidím tak, že použítí kvalitního krystalu udělá lepší službu než komplikované zapojení.
Návrat nahoru
Zobrazit informace o autorovi Odeslat soukromou zprávu Odeslat e-mail
Lojza1



Založen: Nov 23, 2021
Příspěvky: 505
Bydliště: Uh. Hradiště

PříspěvekZaslal: ne listopad 12 2023, 23:58    Předmět: Citovat

Zmije: Jasně, pokud ani ten nejlepší a nejdražší krystal nebude kmitat tak stabilně, jak by mohl s trochu složitějším oscilátorem, je třeba koupit ještě dražší a ještě lepší krystal, než jaké existují a existovat mohou.
Ano, k obyčejnému krystalu se hodí obyčejný oscilátor. Je to přiměřené řešení. Přiměřeně drahé a přiměřeně dobré. Nemá smysl dávat ke krystalu za korunu oscilátor za tisícovku. Nemá ale také smysl dávat ke krystalu za tisícovku oscilátor za korunu, i kdyby s ním kmital lépe, než s krystalem za korunu. Protože, jak bylo správně napsáno, kvalitnější krystal má nižší ESR a proto má ostřejší rezonanci, je tedy méně citlivý na nedokonalost oscilátoru.
Myslím, že jsem celkem srozumitelně vysvětlil nevýhody příjemně jednoduchého a notoricky známého oscilátoru za řekněme 5 korun oproti oscilátoru řekněme za stovku, ve kterém jsou poctivě odstíněny parazitní jevy.
Asi není třeba dělat poslechové zkoušky, abychom měli nějakou představu o porovnání tranzistorového audiozesilovače bez zpětné vazby a zesilovače složitého, z podstaty návrhu lineárního a rychlého s tvrdě utaženou zpětnou vazbou. Toto je podobné porovnání. Ale rozdíl je v trochu vysokých frekvencích, které mohou znevýhodňovat vícestupňové konstrukce uvnitř zpětnovazebního okruhu. Proto se na jednotranzistorová řešení pohlíží s pochopením a na vícestupňová se pohlíží skepticky. U krystalových oscilátorů na první harmonické ale není řeč o VHF a pokud se konstrukce vypořádá s parazitními kapacitami, může být dvoustupňové řešení dobré. U proporcionálních zesilovačů se na vysokých frekvencích nutně projevuje nějaké zpoždění. Integrátor má něco jako zpoždění už ve své podstatě a pokud je pro nás ideálním prvkem integrátor jako v předložené konstrukci oscilátoru, problém tím odpadá.
Samotný oscilátor složitý není. Jeden tranzistor jako převodník napětí na proud, druhý jako emitorový sledovač. Tedy dvoutranzistorový oscilátor. A dále výstupní zesilovač, detektor amplitudy s řízením varikapu, tvarovač výstupu TTL. Ostatní odstiňuje různé nedokonalosti. Nemuselo by to tam nutně být, dalo by se to nějak ošidit. Kdyby se chtělo škudlit. Podstatné pro mne je, že u této konstrukce se nedokonalosti odstínit dají.
Napadlo mě, že někdo mohl nepochopit, že v předloženém zapojení není amplituda kmitů ustálena nějakou nelinearitou aktivního prvku zesilovače, jak je u jednoduchých oscilátorů běžné. V tomto zapojení je rozkmit napětí a proudů v lineární oblasti co nejlineárnějšího oscilátoru. Nelineární je sice varikap, ale v rozsahu kmitů to není významné a amplitudu to samo o sobě nestabilizuje. Amplituda je dynamicky stabilizována přesným nastavením zesílení regulační smyčkou, která je rychlejší, než poměrně dost dlouhá časová konstanta tlumených kmitů rezonátoru. Pro toho, kdo si vzpomíná na středoškolské učivo, je to například obdoba žárovkové stabilizace v univerzálních nízkofrekvenčních laboratorních RC oscilátorech.
Samozřejmě jsem vstřícný diskuzi na odpovídající úrovni. K tomu by bylo dobré vědět, o čem je řeč. Zamyslet se nad tématem.
Návrat nahoru
Zobrazit informace o autorovi Odeslat soukromou zprávu
Zmije



Založen: Jun 30, 2005
Příspěvky: 1689
Bydliště: Pardubický kraj

PříspěvekZaslal: po listopad 13 2023, 8:36    Předmět: Citovat

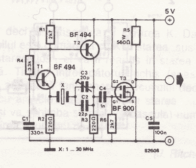
V čem je tvůj oscilátor lepší než například tento?


Q3oscillator.gif
 Komentář:
 Velikost:  24.23 kB
 Zobrazeno:  132 krát

Q3oscillator.gif


Návrat nahoru
Zobrazit informace o autorovi Odeslat soukromou zprávu Odeslat e-mail
Lojza1



Založen: Nov 23, 2021
Příspěvky: 505
Bydliště: Uh. Hradiště

PříspěvekZaslal: po listopad 13 2023, 9:39    Předmět: Citovat

Zmije napsal(a):
V čem je tvůj oscilátor lepší než například tento?


Bylo to myšleno jako vtip, jako pokus zaměstnat mě marným vysvětlováním, nebo to opravdu není zjevné? Smile
Ale ten jednoduchý oscilátor špatný jistě není. Je z těch lepších, řekl bych. Ono to záleží na tom, na jak hluboké dno dohlédneme. Nebo z jak hlubokého dna se díváme (či nedíváme) vzhůru.
Dal jsem si teď tu práci a koukl jsem do katalogového listu k BF494 od Philipse. Tesla ho v katalogu uvádí jako přibližně podobný BF254, které jsem použil v mém zapojení. Philips neuvádí celkovou kapacitu kolektoru vůči bázi a emitoru, ale uvádí zpětnovazební kapacitu jako max. 1 pF při Ucb 10V. Reálně tedy bude při čtvrtinovém napětí celková kapacita kolektoru řádově 1 pF, spíš asi víc. V tomto jednoduchém oscilátoru jsou dvě tyto kapacity paralelně k odporu 2k7. Časová konstanta je orientačně 5 ns. To na deklarovaném horním konci použitelného rozsahu frekvencí znamená fázový posuv ∏/4. Velmi orientačně, v závislosti na všem možném. S odpovídajícím vlivem na pracovní frekvenci oscilátoru. Amplituda se ustálí na úrovni, při které bude proud emitorem vstupního tranzistoru občas nulový a napětí na emitoru pak bude vystřelovat vzhůru, jak mu to kapacita Cbe dovolí. O vlivu této kapacity na pracovní frekvenci v závislosti na míře omezení amplitudy limitací snad netřeba psát. Že se tím i zkreslí výstupní průběh napětí nemusí při nějakém použití oscilátoru třeba vadit.
Návrat nahoru
Zobrazit informace o autorovi Odeslat soukromou zprávu
PavelFF



Založen: Feb 18, 2008
Příspěvky: 5254
Bydliště: Brno

PříspěvekZaslal: po listopad 13 2023, 15:26    Předmět: Citovat

To nebyl vtip. Myslím, že jenom pár zdejších jedinců je schopno pobrat tvůj výklad funkce a výhody tvého řešení. Většině lidí tady opravdu není zjevné, co tebe bije do očí. Taky mezi ně patřím.

Přednášíš oscilátory na nějaké fakultě?
Návrat nahoru
Zobrazit informace o autorovi Odeslat soukromou zprávu
Lojza1



Založen: Nov 23, 2021
Příspěvky: 505
Bydliště: Uh. Hradiště

PříspěvekZaslal: po listopad 13 2023, 15:53    Předmět: Citovat

PavelFF: Omlouvám se, nemyslel jsem to nějak povýšeně. Opravdu jsem si nebyl jistý, co si o tom mám myslet. Ne, oscilátory se nějak zvlášť nezabývám. Ale jsou potřebné a ty, které se běžně používají, nesplňují vyšší nároky.

Ještě ke krystalům. Ty z Hadexu snad ani nějak zvlášť mizerné nejsou. Spíš je to nějaká obyčejná spotřební kvalita za výprodejní cenu. Ten kvalitnější je z doby, kdy krystal byl něco ještě stále trochu luxusního. Je fajn, když můžeme vybírat z obrovského sortimentu frekvencí (třeba Mouser) a cena je celkem nevýznamná. Pro nenáročné použití kvalita stačí. Například ty zmíněné z Hadexu byly jistě určeny pro běžné dekodéry PAL a tam se používají ve fázovém závěsu, takže absolutní stabilita oscilátoru není problémem. S koncem výroby analogových TV se stalo, že jich má Hadex skladem mnoho a mnoho tisíců a asi je ještě dlouho bude mít.
Návrat nahoru
Zobrazit informace o autorovi Odeslat soukromou zprávu
Lojza1



Založen: Nov 23, 2021
Příspěvky: 505
Bydliště: Uh. Hradiště

PříspěvekZaslal: út listopad 14 2023, 23:05    Předmět: Citovat

Abych se vrátil k mému původnímu záměru. Tím bylo postavit oscilátor 4,433 MHz s nezkreslenou a stabilní sinusoidou na výstupu a současně s výstupem TTL. Nároky na přesnost frekvence tady nějak extrémní nemám, krystal z Hadexu, žádný termostat, jen slušně naladit. Už mám ve schématu dost zjednodušený oscilátor, který si do velké míry zachová základní přednosti toho složitého a neměl by vyžadovat uklidňování tranzistorů. Postavím, ověřím, schéma sem přiložím. Samotný oscilátor se složitostí moc neliší od jiných dvoutranzistorových. Nedivil bych se, kdyby někdo znal něco v principu podobného.
Návrat nahoru
Zobrazit informace o autorovi Odeslat soukromou zprávu
EKKAR



Založen: Mar 16, 2005
Příspěvky: 34665
Bydliště: Česká Třebová, JN89FW21

PříspěvekZaslal: st listopad 15 2023, 0:47    Předmět: Citovat

Víš co, Lojziku? Ty nejdřív napíšeš tohle:
Lojza1 napsal(a):
PavelFF: Omlouvám se, nemyslel jsem to nějak povýšeně. Opravdu jsem si nebyl jistý, co si o tom mám myslet. Ne, oscilátory se nějak zvlášť nezabývám. Ale jsou potřebné a ty, které se běžně používají, nesplňují vyšší nároky.

Ještě ke krystalům. Ty z Hadexu snad ani nějak zvlášť mizerné nejsou. Spíš je to nějaká obyčejná spotřební kvalita za výprodejní cenu. Ten kvalitnější je z doby, kdy krystal byl něco ještě stále trochu luxusního. Je fajn, když můžeme vybírat z obrovského sortimentu frekvencí (třeba Mouser) a cena je celkem nevýznamná. Pro nenáročné použití kvalita stačí. Například ty zmíněné z Hadexu byly jistě určeny pro běžné dekodéry PAL a tam se používají ve fázovém závěsu, takže absolutní stabilita oscilátoru není problémem. S koncem výroby analogových TV se stalo, že jich má Hadex skladem mnoho a mnoho tisíců a asi je ještě dlouho bude mít.
Neboli tvrdíš, žes chtěl použít ne zrovna obvyklej a ne úplně extra kvalitní X-tal k vytvoření "lepšího oscilátoru, kterej nebude tolik podléhat vnějším vlivům", přitom ale zároveň napíšeš další post:
Lojza1 napsal(a):
Abych se vrátil k mému původnímu záměru. Tím bylo postavit oscilátor 4,433 MHz s nezkreslenou a stabilní sinusoidou na výstupu a současně s výstupem TTL. Nároky na přesnost frekvence tady nějak extrémní nemám, krystal z Hadexu, žádný termostat, jen slušně naladit. Už mám ve schématu dost zjednodušený oscilátor, který si do velké míry zachová základní přednosti toho složitého a neměl by vyžadovat uklidňování tranzistorů. Postavím, ověřím, schéma sem přiložím. Samotný oscilátor se složitostí moc neliší od jiných dvoutranzistorových. Nedivil bych se, kdyby někdo znal něco v principu podobného.
Proč xakru nepostavíš oscilátor na nějakou líp použitelnou frekvenci a ne na kmitočet, kterej už je historicky a technologicky překonanej? Postav něco, co bude kmitat na "hodinovým" kmitočtu 32 768Hz a nebude to po patřičným vydělení courat bez termostatu víc jak 1 vteřinu denně - a budeš king! Nebo učuň řadu oscilátorů s dekadickým odstupněním - začni třeba na 100kHz a ubastli postupně oscilátory na násobky - 1MHz, 10MHz, klidně i něco vejš anebo nedekadickýho - 4MHz, 8MHz ...
_________________
Nasliněný prst na svorkovnici domovního rozvaděče: Jó, paninko, máte tam ty Voltíky všecky...
A kutilmile - nelituju tě Mr. Green Mr. Green !!!
Návrat nahoru
Zobrazit informace o autorovi Odeslat soukromou zprávu Odeslat e-mail
Hill
Administrátor


Založen: Sep 10, 2004
Příspěvky: 20786
Bydliště: Jičín, Český ráj

PříspěvekZaslal: st listopad 15 2023, 7:30    Předmět: Citovat

Taky se blbě zeptám: jak moc by se zhoršilo zkreslení signálu, kdybys oscilátorem, jaký sem postnul Zmije, budil volně navázaný rezonanční obvod naladěný na kmitočet oscilátoru?
Amplitudu můžeš stabilizovat třeba změnou stupně vazby na ten laděný obvod.
Další možnost je potlačení vyšších harmonických dolní propustí, dejme tomu ∏-článkem.
Jde o zapojení osvědčená.
Přiznávám, že se taky koukám obejít bez indukčností, jak to jde, ale někdy je prostě na milost vzít musím. A docela mě překvapilo, že s LC obvodem, který má Q ≥ 20, se dá získat signál spektrálně vysoce čistý, bez pozorovatelného zkreslení.
Návrat nahoru
Zobrazit informace o autorovi Odeslat soukromou zprávu
Zmije



Založen: Jun 30, 2005
Příspěvky: 1689
Bydliště: Pardubický kraj

PříspěvekZaslal: st listopad 15 2023, 9:01    Předmět: Citovat

Je to nějaký divný... Z té fotky průběhů se pozná kulový, jestli je výstup sinus nebo ne (popravdě na sinus je ten průběh docela zubatý), čekal bych že ukáže spektrum.
Návrat nahoru
Zobrazit informace o autorovi Odeslat soukromou zprávu Odeslat e-mail
Zobrazit příspěvky z předchozích:   
Přidat nové téma   Zaslat odpověď       Obsah fóra Diskuzní fórum Elektro Bastlírny -> Teorie Časy uváděny v GMT + 1 hodina
Jdi na stránku 1, 2  Další
Strana 1 z 2

 
Přejdi na:  
Nemůžete odesílat nové téma do tohoto fóra.
Nemůžete odpovídat na témata v tomto fóru.
Nemůžete upravovat své příspěvky v tomto fóru.
Nemůžete mazat své příspěvky v tomto fóru.
Nemůžete hlasovat v tomto fóru.
Nemůžete připojovat soubory k příspěvkům
Můžete stahovat a prohlížet přiložené soubory

Powered by phpBB © 2001, 2005 phpBB Group
Forums ©
Nuke - Elektro Bastlirna

Informace na portálu Elektro bastlírny jsou prezentovány za účelem vzdělání čtenářů a rozšíření zájmu o elektroniku. Autoři článků na serveru neberou žádnou zodpovědnost za škody vzniklé těmito zapojeními. Rovněž neberou žádnou odpovědnost za případnou újmu na zdraví vzniklou úrazem elektrickým proudem. Autoři a správci těchto stránek nepřejímají záruku za správnost zveřejněných materiálů. Předkládané informace a zapojení jsou zveřejněny bez ohledu na případné patenty třetích osob. Nároky na odškodnění na základě změn, chyb nebo vynechání jsou zásadně vyloučeny. Všechny registrované nebo jiné obchodní známky zde použité jsou majetkem jejich vlastníků. Uvedením nejsou zpochybněna z toho vyplývající vlastnická práva. Použití konstrukcí v rozporu se zákonem je přísně zakázáno. Vzhledem k tomu, že původ předkládaných materiálů nelze žádným způsobem dohledat, nelze je použít pro komerční účely! Tento nekomerční server nemá z uvedených zapojení či konstrukcí žádný zisk. Nezodpovídáme za pravost předkládaných materiálů třetími osobami a jejich původ. V případě, že zjistíte porušení autorského práva či jiné nesrovnalosti, kontaktujte administrátory na diskuzním fóru EB.


PHP-Nuke Copyright © 2005 by Francisco Burzi. This is free software, and you may redistribute it under the GPL. PHP-Nuke comes with absolutely no warranty, for details, see the license.
Čas potřebný ke zpracování stránky 0.19 sekund