Vítejte na Elektro Bastlírn?
Nuke - Elektro Bastlirna
  Vytvořit účet
Hlavní · Fórum · DDump · Profil · Zprávy · Hledat na fóru


Nuke - Elektro Bastlirna: Diskuzní fórum

 FAQFAQ   HledatHledat   Uživatelské skupinyUživatelské skupiny   ProfilProfil   Soukromé zprávySoukromé zprávy   PřihlášeníPřihlášení 

Jak jednoduše plynule rozsvítit 2 LED v sérii?
Jdi na stránku 1, 2, 3, 4, 5, 6, 7  Další
 
Přidat nové téma   Zaslat odpověď       Obsah fóra Diskuzní fórum Elektro Bastlírny -> Řešení problémů s různými konstrukcemi
Zobrazit předchozí téma :: Zobrazit následující téma  
Autor Zpráva
Tomas12345



Založen: Nov 07, 2023
Příspěvky: 7

PříspěvekZaslal: út listopad 07 2023, 11:08    Předmět: Jak jednoduše plynule rozsvítit 2 LED v sérii? Citovat

Zdravím, potřeboval bych od vás radu, jelikož v elektronice se příliš nevyznám a pro vás to bude hračka Smile
V autě bych si rád zapojil osvětlení kastlíku. Přívod napětí mám vyřešený tak, že jsem napinoval dva vodiče navíc do již stávajícího konektoru jiného kastlíku, použil jsem originální vodiče tak by to mělo být v pořádku. Rád bych použil dvě bílé LED 3V 25mA 5500K v sériovém zapojení. Jelikož v autě kolísá napětí, prodavač v elektru mi pomohl sestavit jednoduchý stabilizátor na 6V - na obrázku.
A k mému problému... kontakt na kastlíku sepne obvod až když je kastlík skoro úplně otevřený, tak jsem si říkal že by bylo hezký, kdyby se to rozsvítilo plynule, rozjasnění by trvalo cca 1 až 2s, zhasnutí může i nemusí být plynulé. Něco jsem pohledal na internetu a mám takové tušení, že budu potřebovat něco jako kondenzátor (?) Asi elektrolitický, zapojený těsně před LED, a asi s velkou kapacitou? Ale nevím jakou kapacitu a jestli i kondenzátory mají kromě max. Voltů i max. výkon nebo Ampéry? Někdo doporučuje zapojit ke kondenzátoru i odpor, aby se po vypnutí zdroje vybil, ale myslím že to by udělaly ty LEDky? Prosím o radu jestli jsou moje úvahy správné, nebo jestli je to úplná blbost Smile Děkuji!
Tomáš



IMG_20231107_110649.jpg
 Komentář:
 Velikost:  196.97 kB
 Zobrazeno:  91 krát

IMG_20231107_110649.jpg


Návrat nahoru
Zobrazit informace o autorovi Odeslat soukromou zprávu
DukeNuke



Založen: Apr 02, 2018
Příspěvky: 1974

PříspěvekZaslal: út listopad 07 2023, 11:36    Předmět: Citovat

Ahoj, bílá LED má propustný napětí kolem 3V. Takže to bude svítit jen tak tak. Stabilizátor vyhodit, místo něj dát odpor. Nějaký kolísání napětí mezi 12-13,8V nebude mít na jas velký vliv. Je to zbytečný a drahý.
To jak jsi tam namaloval ten kondenzátor by fungovalo úplně naopak - LED by ze začátku svítily naplno, pak by zeslabovaly až zhasly - úměrně kapacitě kondenzátoru.
pro dvě LED takto zapojené bych volil proudový zdroj s postupným náběhem. mrknu, jestli doma něco nenajdu.

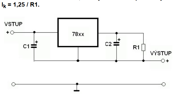
No a pokud už jsi to koupil a netrváš na postupným rozžínání, pak můžeš i tu 7806 použít jako zdroj proudu. Jen přidáš jeden odpor, který se musí dopočítat. Pro 25mA by vycházel na 50Ω, když tam dáš 56Ω, tak to bude nějakých 22mA, což je naprosto dostačující.



ZdrojProudu78xx.png
 Komentář:
 Velikost:  31.9 kB
 Zobrazeno:  99 krát

ZdrojProudu78xx.png




Naposledy upravil DukeNuke dne út listopad 07 2023, 12:11, celkově upraveno 2 krát.
Návrat nahoru
Zobrazit informace o autorovi Odeslat soukromou zprávu
EKKAR



Založen: Mar 16, 2005
Příspěvky: 35252
Bydliště: Česká Třebová, JN89FW21

PříspěvekZaslal: út listopad 07 2023, 11:57    Předmět: Citovat

Vliv kolísání palubního napětí na svit LEDek je marginální, když běží motor, je na baterce prakticky trvale 14,5V - teda u všech rozumnejch aut, ne u těch dnešních zvrhlostí, který nejdřív nechávají baterku vydudat prakticky na minimum, než ji začnou znovu nabíjet - a nabíjet takovým proudem, že z toho dostává kopřivku. Jinak ten tvůj "kondenzátor, nejspíš elektrolitický" bych zapojil jinak - udělal bych zapojení s výkonovým tranzistorem. Ten stabilizátor tam je víceméně zbytečnej, protože se ti může stát, že LEDky budou mít v rámci výrobní tolerance o maličko vyšší prahový napětí, takže se budou rozsvěcet až od 6,09V - a stabec bude naopak na dolní toleranci a bude ti dávat 5,95V - a ty dvě LEDky přes něj plně nerozsvítíš. Radši si to zapoj podle následujícího schématu - těch LEDek si tam budeš moct dát víc, když dáš tranzistor bez chladiče, měl by v pohodě "utáhnout" 4-5ks takovejch LEDek, pro jistotu bych mu namontoval hnilíkový chladicí křidýlko nebo kousek Al plechu ohnutej do "U" - celkovej rozměr asi tak 3x3cm. S výkonnějším typem tranzistoru bys tam mohl mít klidně celej vánoční stromeček. Zenerka ZD tam pro použití v osobáku bejt nemusí, může se úplně vynechat, pokud ji tam dáš, kupuj typ na 12V - potom zapojení bude i stabilizovat napětí ze zdroje s vyšším palubním napětím, třeba z 24V v náklaďáku. Ty čárkovaný čáry doprava znamenají, že tam stejným způsobem můžeš zapojit další LEDky - a kdyby se ti zdálo, že ti s odporem 330Ω vypalujou voči, tak jim prostě zvyš ty odpory v sérii - zkoušej zvýšit na 390Ω, 470Ω, 560Ω nebo klidně i na víc, myslím že i s 1kΩ budou pořád ještě dostatečně svítit - a nebudou se uvnitř tolik hřát a dýl ti tam vydrží. Kondík v bázi tranzistoru zajistí, že jeho výstupní napětí se bude zvyšovat pomalu stejně, jak se bude nabíjet přes ten odpor 1kΩ - hodnoty na obrázku dají čas náběhu asi 0,5 sekundy., kdybys chtěl víc, dej tam 1000uF kondenzátor - nebo dva ty 470uF paralelně.


Zdroj pro LED.jpg
 Komentář:
 Velikost:  188.38 kB
 Zobrazeno:  104 krát

Zdroj pro LED.jpg



_________________
Nasliněný prst na svorkovnici domovního rozvaděče: Jó, paninko, máte tam ty Voltíky všecky...
A kutilmile - nelituju tě Mr. Green Mr. Green !!!
Návrat nahoru
Zobrazit informace o autorovi Odeslat soukromou zprávu Odeslat e-mail
kutilmil
Pod dozorem moderátorů


Založen: Nov 01, 2008
Příspěvky: 4297
Bydliště: Skalica

PříspěvekZaslal: út listopad 07 2023, 12:41    Předmět: Citovat

Keby to malo byť korektné, musel by pred led zaradiť PWM regulátor s postupným nábehom. Možno by to nebolo ani tak drahé a hlavne by to bol hotový modul. Samozrejme z číny.
Návrat nahoru
Zobrazit informace o autorovi Odeslat soukromou zprávu
DukeNuke



Založen: Apr 02, 2018
Příspěvky: 1974

PříspěvekZaslal: út listopad 07 2023, 12:45    Předmět: Citovat

A co je na postupném zvyšování proudu LED diodou nekorektní? Ostatně to PWM by nedělalo nic jiného - postupně by se zvyšovala hodnota středního proudu.
U ekkarova zapojení by se mohlo stát max. to, že se vlivem rozdílného propustného napětí se jedna led rozsvítí dříve, než druhá, ale to je tak všechno.
Návrat nahoru
Zobrazit informace o autorovi Odeslat soukromou zprávu
EKKAR



Založen: Mar 16, 2005
Příspěvky: 35252
Bydliště: Česká Třebová, JN89FW21

PříspěvekZaslal: út listopad 07 2023, 12:53    Předmět: Citovat

@DukeNuke, z toho si nic nedělej, oni to kotelníci ve Skalici mají v palici tak nějak převráceně ... Odpor-kondík a k tomu tranzistor, kdyby byl potřeba vyšší proud (víc LEDek), tak určitě nějakej Darlington a to už samozřejmě na chladič. Na žádnou přesnost se nehraje, jde o to aby se to rozsvítilo plynule. Kdyby to mělo plynule i zhasínat, muselo by to zapojení bejt trošku složitější, ale i to by se dalo zvládnout. Žádný PWM není potřeba, byl by to akorát další zdroj impulsního rušení do auta.
_________________
Nasliněný prst na svorkovnici domovního rozvaděče: Jó, paninko, máte tam ty Voltíky všecky...
A kutilmile - nelituju tě Mr. Green Mr. Green !!!
Návrat nahoru
Zobrazit informace o autorovi Odeslat soukromou zprávu Odeslat e-mail
Ruprecht



Založen: Sep 28, 2005
Příspěvky: 1539
Bydliště: ZČ + JM

PříspěvekZaslal: út listopad 07 2023, 13:01    Předmět: Citovat

Dal bych ty dvě požadované LED do série s jením odporem.
_________________
Když promluví, tak buď kňučí, nebo lže.
Návrat nahoru
Zobrazit informace o autorovi Odeslat soukromou zprávu
EKKAR



Založen: Mar 16, 2005
Příspěvky: 35252
Bydliště: Česká Třebová, JN89FW21

PříspěvekZaslal: út listopad 07 2023, 13:25    Předmět: Citovat

Při napájení v autě se dají tyhle bílý LED (3V/25mA) naprosto bezpečně rozsvítit 3 v sérii, se 4 už by to bylo na hraně. Odpor v sérii samozřejmě vždycky dopočítat podle Ohmova zákona.
_________________
Nasliněný prst na svorkovnici domovního rozvaděče: Jó, paninko, máte tam ty Voltíky všecky...
A kutilmile - nelituju tě Mr. Green Mr. Green !!!
Návrat nahoru
Zobrazit informace o autorovi Odeslat soukromou zprávu Odeslat e-mail
ZVUK2000



Založen: Apr 22, 2012
Příspěvky: 4463
Bydliště: Karvinsko

PříspěvekZaslal: út listopad 07 2023, 13:46    Předmět: Citovat

Ruprecht napsal(a):
Dal bych ty dvě požadované LED do série s jením odporem.

Místo toho odporu raději běžnou CLD dioidu jako zdroj konstantního proudu. Funguje v rozsahu 4,5 - 45V/ 20mA.
Návrat nahoru
Zobrazit informace o autorovi Odeslat soukromou zprávu Odeslat e-mail
HF_Tech



Založen: Apr 25, 2022
Příspěvky: 2189

PříspěvekZaslal: út listopad 07 2023, 14:06    Předmět: Citovat

Tam dám MOSFET, dva vodpory a kondík a jdu od toho.
Proč to vymýšlet složitě, že...



limiter.png
 Komentář:
 Velikost:  8.01 kB
 Zobrazeno:  97 krát

limiter.png


Návrat nahoru
Zobrazit informace o autorovi Odeslat soukromou zprávu
Ruprecht



Založen: Sep 28, 2005
Příspěvky: 1539
Bydliště: ZČ + JM

PříspěvekZaslal: út listopad 07 2023, 14:29    Předmět: Citovat

Myslel jsem na výstup toho tranzistoru (odpor a 2 LED sériově, ušetří jeden odpor). Nepřipraví ho CLD na tomto místě o kus fáze rozsvěcení při malém napětí na začátku když CLD má malou impedanci?

NPN+R+C vs. MOSFET+R+R+C, to vypadá skoro jako zjednodušení 3:4 Wink

_________________
Když promluví, tak buď kňučí, nebo lže.
Návrat nahoru
Zobrazit informace o autorovi Odeslat soukromou zprávu
samec



Založen: Dec 19, 2017
Příspěvky: 6329

PříspěvekZaslal: út listopad 07 2023, 15:31    Předmět: Citovat

Desať komentárov v rade a všetko blbosti? To ste sa tu všetci zbláznili?
Za prvé, LED sa napája konštantným prúdom, nie napätím.
Za dalšie, nechce sa mi teraz komentovať PWM, ani variaciae schematických obludnosti.

Večer dám schému. Teraz nemám čas.

Edit:
Predávač je tiež trumpeta.
Návrat nahoru
Zobrazit informace o autorovi Odeslat soukromou zprávu
workhard



Založen: Jul 07, 2006
Příspěvky: 5517
Bydliště: Plzeň

PříspěvekZaslal: út listopad 07 2023, 15:46    Předmět: Citovat

Proč by byl prodavač trumpeta, prodavač je prodavač, svoji práci odvedl dokonale. S BDčkem to bude moc rychlé, MOSFET je lepší nápad, jen bych to zapojil jinak.
_________________
Věci,které fungují,se ZÁSADNĚ neopravují...
Návrat nahoru
Zobrazit informace o autorovi Odeslat soukromou zprávu
Tomas12345



Založen: Nov 07, 2023
Příspěvky: 7

PříspěvekZaslal: út listopad 07 2023, 18:02    Předmět: Citovat

Díky za nápady! Jen bych upřesnil, že bych chtěl aby to fungovalo perfektně. Kolísání napětí je na LEDkách vidět a to nechci, postupné rozsvícení jedné a pak druhé nepřipadá v úvahu a sériové zapojení jsem zamýšlel proto, kdyby odešla jedna LED aby zhasla i druhá a nesvítilo to jen na půl. Už jsem do toho investoval dost peněz (krabička, konektory, vodiče, elektronika, dokonce jsem si kvůli tomu koupil novou pájku, atd) a hlavně móóóře času, vždycky když už jsem na něčem pracoval tak jsem někde viděl nebo mě napadlo jiný lepší řešení, takže jsem začal zase od začátku Neutral Takže bych chtěl požádat o radu, jak to udělat, aby to pracovalo přesně a hlavně spolehlivě a dlouho. A už je mi jedno když to bude stát o stovku víc nebo míň Smile
Návrat nahoru
Zobrazit informace o autorovi Odeslat soukromou zprávu
gilhad



Založen: Jun 30, 2019
Příspěvky: 41

PříspěvekZaslal: út listopad 07 2023, 19:52    Předmět: Citovat

Jestli peníze nic neznamenají, tak bych tam prsknul nějaký DC-DC stepdown zapojený na napájení, pokud jsou klíčky, nejlevnější Arduino, do něj přitáhnul signál o otevření a naprogramoval si jak postupné rozsvícení, tak postupné zhasínání přes PWM (těch pár mA nemá šanci rušit, když je tam i startér a alternátor a tuna plechu okolo).

A klidně i další efekty specyjalné Laughing

Je to trochu overkill, ale za cenu pár piv v hospodě to ušetří spoustu bádání a dá spoustu možností to jednoduše nastavit, jak si člověk zamane a pak to snadno změnit Smile
Návrat nahoru
Zobrazit informace o autorovi Odeslat soukromou zprávu
Zobrazit příspěvky z předchozích:   
Přidat nové téma   Zaslat odpověď       Obsah fóra Diskuzní fórum Elektro Bastlírny -> Řešení problémů s různými konstrukcemi Časy uváděny v GMT + 1 hodina
Jdi na stránku 1, 2, 3, 4, 5, 6, 7  Další
Strana 1 z 7

 
Přejdi na:  
Nemůžete odesílat nové téma do tohoto fóra.
Nemůžete odpovídat na témata v tomto fóru.
Nemůžete upravovat své příspěvky v tomto fóru.
Nemůžete mazat své příspěvky v tomto fóru.
Nemůžete hlasovat v tomto fóru.
Nemůžete připojovat soubory k příspěvkům
Můžete stahovat a prohlížet přiložené soubory

Powered by phpBB © 2001, 2005 phpBB Group
Forums ©
Nuke - Elektro Bastlirna

Informace na portálu Elektro bastlírny jsou prezentovány za účelem vzdělání čtenářů a rozšíření zájmu o elektroniku. Autoři článků na serveru neberou žádnou zodpovědnost za škody vzniklé těmito zapojeními. Rovněž neberou žádnou odpovědnost za případnou újmu na zdraví vzniklou úrazem elektrickým proudem. Autoři a správci těchto stránek nepřejímají záruku za správnost zveřejněných materiálů. Předkládané informace a zapojení jsou zveřejněny bez ohledu na případné patenty třetích osob. Nároky na odškodnění na základě změn, chyb nebo vynechání jsou zásadně vyloučeny. Všechny registrované nebo jiné obchodní známky zde použité jsou majetkem jejich vlastníků. Uvedením nejsou zpochybněna z toho vyplývající vlastnická práva. Použití konstrukcí v rozporu se zákonem je přísně zakázáno. Vzhledem k tomu, že původ předkládaných materiálů nelze žádným způsobem dohledat, nelze je použít pro komerční účely! Tento nekomerční server nemá z uvedených zapojení či konstrukcí žádný zisk. Nezodpovídáme za pravost předkládaných materiálů třetími osobami a jejich původ. V případě, že zjistíte porušení autorského práva či jiné nesrovnalosti, kontaktujte administrátory na diskuzním fóru EB.


PHP-Nuke Copyright © 2005 by Francisco Burzi. This is free software, and you may redistribute it under the GPL. PHP-Nuke comes with absolutely no warranty, for details, see the license.
Čas potřebný ke zpracování stránky 0.17 sekund