Vítejte na Elektro Bastlírn?
Nuke - Elektro Bastlirna
  Vytvořit účet
Hlavní · Fórum · DDump · Profil · Zprávy · Hledat na fóru


Nuke - Elektro Bastlirna: Diskuzní fórum

 FAQFAQ   HledatHledat   Uživatelské skupinyUživatelské skupiny   ProfilProfil   Soukromé zprávySoukromé zprávy   PřihlášeníPřihlášení 

Otevřený kolektor + 555
Jdi na stránku 1, 2, 3  Další
 
Přidat nové téma   Zaslat odpověď       Obsah fóra Diskuzní fórum Elektro Bastlírny -> Řešení problémů s různými konstrukcemi
Zobrazit předchozí téma :: Zobrazit následující téma  
Autor Zpráva
DukeNuke



Založen: Apr 02, 2018
Příspěvky: 1974

PříspěvekZaslal: ne říjen 29 2023, 14:05    Předmět: Otevřený kolektor + 555 Citovat

Ahoj,
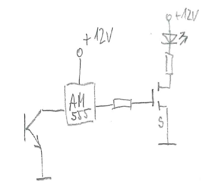
výstup z 5V logiky je tranzistor s otevřeným kolektorem. Tím chci zaktivnit blikač složený s multivibrátoru z 555 a spínacím mosfetem. Mosfetem s LED teče cca 1A. Původně jsem zamýšlel spínat tranzistorem jen zem pro 555 s tím, že by velký proud tekl jen mosfetem. Ale když mám připojen + pól k 555, tak LED svítí trvale. 1 A nemůžu nechat téct přes ten bipolár, to by nevydržel. Tak jak z toho ven?
Zjednodušené schema přikládám. Zem 5V a 12V je společná.
Díky.



555FET.png
 Komentář:
 Velikost:  79.87 kB
 Zobrazeno:  128 krát

555FET.png


Návrat nahoru
Zobrazit informace o autorovi Odeslat soukromou zprávu
EKKAR



Založen: Mar 16, 2005
Příspěvky: 35252
Bydliště: Česká Třebová, JN89FW21

PříspěvekZaslal: ne říjen 29 2023, 14:29    Předmět: Citovat

Uzemni tím trandem s otevřeným kolektorem vývod č.4 časovače - ten se zastaví ve stavu s "log.0" na výstupu. Případnou změnu logiky dosáhneš jedním invertorem navíc.
_________________
Nasliněný prst na svorkovnici domovního rozvaděče: Jó, paninko, máte tam ty Voltíky všecky...
A kutilmile - nelituju tě Mr. Green Mr. Green !!!
Návrat nahoru
Zobrazit informace o autorovi Odeslat soukromou zprávu Odeslat e-mail
DukeNuke



Založen: Apr 02, 2018
Příspěvky: 1974

PříspěvekZaslal: ne říjen 29 2023, 14:32    Předmět: Citovat

To už mě taky napadlo - jenže ten trand je otevřený když to má blikat. Tedy bych musel přidat ještě jeden tranzistor. Ale asi mi nic jiného nezbude.
Invertor navíc je další brouk navíc, to bych nerad.
Návrat nahoru
Zobrazit informace o autorovi Odeslat soukromou zprávu
EKKAR



Založen: Mar 16, 2005
Příspěvky: 35252
Bydliště: Česká Třebová, JN89FW21

PříspěvekZaslal: ne říjen 29 2023, 14:52    Předmět: Citovat

Trand zapojenej jako obraceč fáze (SE) je taky invertor, já neříkal, že to nutně musí bejt hradlo ...
_________________
Nasliněný prst na svorkovnici domovního rozvaděče: Jó, paninko, máte tam ty Voltíky všecky...
A kutilmile - nelituju tě Mr. Green Mr. Green !!!
Návrat nahoru
Zobrazit informace o autorovi Odeslat soukromou zprávu Odeslat e-mail
DukeNuke



Založen: Apr 02, 2018
Příspěvky: 1974

PříspěvekZaslal: ne říjen 29 2023, 14:57    Předmět: Citovat

Aha, tak to sorry, já měl zažito, že invertor je vždy hradlo. Tak to se omlouvám.
Návrat nahoru
Zobrazit informace o autorovi Odeslat soukromou zprávu
EKKAR



Založen: Mar 16, 2005
Příspěvky: 35252
Bydliště: Česká Třebová, JN89FW21

PříspěvekZaslal: ne říjen 29 2023, 15:03    Předmět: Citovat

Na push-pull elkovej koncák s trafem se symetrickým primárním vinutím taky pro jednu výkonovou lampu potřebuješ obrátit fázi signálu o 180° - neboli INVERTOVAT SIGNÁL. A taky tam necpeš hradlo, ale příslušně zapojenou triodu nebo i tranzistor ...
_________________
Nasliněný prst na svorkovnici domovního rozvaděče: Jó, paninko, máte tam ty Voltíky všecky...
A kutilmile - nelituju tě Mr. Green Mr. Green !!!
Návrat nahoru
Zobrazit informace o autorovi Odeslat soukromou zprávu Odeslat e-mail
DukeNuke



Založen: Apr 02, 2018
Příspěvky: 1974

PříspěvekZaslal: ne říjen 29 2023, 15:11    Předmět: Citovat

No, tomu jsme říkali obraceč fáze Smile
Před 40 lety jsme z angličtiny měli akorát gate (a to jsme ani nevěděli, co to znamená), ostatní nohy byly C a E Smile A invertor bylo hradlo. Jo a ještě master-slave. A nebo si to už nepamatuju Smile
Návrat nahoru
Zobrazit informace o autorovi Odeslat soukromou zprávu
PavelFF



Založen: Feb 18, 2008
Příspěvky: 5334
Bydliště: Brno

PříspěvekZaslal: ne říjen 29 2023, 16:09    Předmět: Citovat

OT: "Master-slave" už se nesmí říkat. Ani u logických obvodů. Už si ale nepamatuji, jak to teď korektně nazývají.
Jestli to není hoax. Dneska jeden neví,
Návrat nahoru
Zobrazit informace o autorovi Odeslat soukromou zprávu
HF_Tech



Založen: Apr 25, 2022
Příspěvky: 2189

PříspěvekZaslal: ne říjen 29 2023, 16:26    Předmět: Citovat

No Bóže. Tak tam přidám jeden PNP tranzistor a dva vodpory.
Ty dvě koruny tě snad nezruinují...



Blikac.JPG
 Komentář:
 Velikost:  75.62 kB
 Zobrazeno:  154 krát

Blikac.JPG


Návrat nahoru
Zobrazit informace o autorovi Odeslat soukromou zprávu
DukeNuke



Založen: Apr 02, 2018
Příspěvky: 1974

PříspěvekZaslal: ne říjen 29 2023, 16:39    Předmět: Citovat

No a když tam dám NPN?
Odpor dejme tomu 1k z 12V na vývod 4, tam kolektor. Emitor na zem. Bázi připojím na ten otevřený trand a připojím jeko kolektor přes R baj voko 10k na plus, tak to bude fungovat taky ne?
Jinými slovy - přehodím ten 22k s tranzistorem a bázi dám přímo na kolektor.


Naposledy upravil DukeNuke dne ne říjen 29 2023, 16:42, celkově upraveno 1 krát.
Návrat nahoru
Zobrazit informace o autorovi Odeslat soukromou zprávu
EKKAR



Založen: Mar 16, 2005
Příspěvky: 35252
Bydliště: Česká Třebová, JN89FW21

PříspěvekZaslal: ne říjen 29 2023, 16:41    Předmět: Citovat

Když časovač 555 "odzemníš" nějakým přerušením přívodu k noze č.1, tak bude jeho výstup zdrojem "log.1" a ten MOSFET to otevře - takže místo blikání ta výkonová LEDka jako zátěž MOSFETu bud trvale svítit. DukeNuke potřebuje aby mu to dávalo "balíčky" krátkejch bliknutí, EN "burst". A na to bohatě stačí invertovat funkci toho otevřenýho kolektoru dalším jedním trandem a tím invertovaným signálem ovládat resetovací vstup 555 - kterej je k takovýmu účelu i přímo nakonstruovanej, běžná 555 se přivedením napětí menšího jak asi 0,5V na vývod 4 zablokuje s výstupem v "log.0" - což je přesně požadovaná funkce. Nepotečou tam žádný horentní proudy, doslova stačí dát tam NPN tranzistor s emitorem přímo na záporným přívodu a jeho kolektor na vývod č.4, do báze dát 10kΩ na (+) napájení a 1kΩ na ten otevřenej kolektor.
_________________
Nasliněný prst na svorkovnici domovního rozvaděče: Jó, paninko, máte tam ty Voltíky všecky...
A kutilmile - nelituju tě Mr. Green Mr. Green !!!
Návrat nahoru
Zobrazit informace o autorovi Odeslat soukromou zprávu Odeslat e-mail
DukeNuke



Založen: Apr 02, 2018
Příspěvky: 1974

PříspěvekZaslal: ne říjen 29 2023, 16:44    Předmět: Citovat

Ekkar to popsal líp Smile
A jeden odpor ušetřím Smile
A navíc - nevím, jestli můžu ten otevřený kolektor dát na 12V (asi ano). Ale s NPN řešením může být na 5V, protože na proud do báze to bude stačit. S tím PNP, jak to máš, by musel být připojen na 12V.
Návrat nahoru
Zobrazit informace o autorovi Odeslat soukromou zprávu
EKKAR



Založen: Mar 16, 2005
Příspěvky: 35252
Bydliště: Česká Třebová, JN89FW21

PříspěvekZaslal: ne říjen 29 2023, 17:50    Předmět: Citovat

DukeNuke napsal(a):
...
A navíc - nevím, jestli můžu ten otevřený kolektor dát na 12V (asi ano)....
Můžeš, pokud má těch 12V společnej zápornej pól s těma 5V, na který šlape ten šváb s vývodem OC (Open Collector). Samozřejmě je potřeba mezi ten kolektor a +12V dát nějakou zátěž, v tomhle případě v podstatě do série zapojený odpory 10k a 1k0, který budou dělat dělič napětí. Ale v tom případě bys musel ten "dolní odpor" (mezi bází toho invertujícího NPN a otevřeným kolektorem) zmenšit na nějakejch 330R nebo ještě míň, aby na tom děliči i v případě, že ten OC sepne k zemi, pro bázi invertujícího trandu nezůstalo napětí větší jak Ube a on nezůstal otevřenej - ten trand se v momentě otevření OC musí úplně zavřít, takže pro 5V napájení toho invertujícího trandu dělič 10k:1k nebo 1k:100R, pro 12V (víc jak dvojnásobek) pak poměr odporů změnit na zhruba 25:1, takže horní 22k nebo 24k a dolní 1k, nebo horní 2k2 případně 2k4 a dolní 100R - abys měl ten dělič dostatečně tvrdej a do báze invertujícího trandu tekl proud, kterej ho zaručeně uvede do saturovanýho = plně otevřenýho stavu. Případně by taky šlo mezi ten výstupní bod děliče a bázi invertujícího trandu zapojit v propustným směru Si diodu, stačila by jakákoliv na minimální proud, třeba 1N4148, která by přičetla svoje UF k napětí UBE toho invertujícího trandu a zvedla by ho tak na hodnotu cca 1,2V proti společnýmu vodiči.
_________________
Nasliněný prst na svorkovnici domovního rozvaděče: Jó, paninko, máte tam ty Voltíky všecky...
A kutilmile - nelituju tě Mr. Green Mr. Green !!!
Návrat nahoru
Zobrazit informace o autorovi Odeslat soukromou zprávu Odeslat e-mail
DukeNuke



Založen: Apr 02, 2018
Příspěvky: 1974

PříspěvekZaslal: ne říjen 29 2023, 18:08    Předmět: Citovat

Podle mě je ten dělič či co zbytečnej. Otevřenej trand má Uce cca 0,4V => invertující trand se nemůže otevřít. A když se ten OC trand uzavře, tak jediný, co je třeba, aby Rb byl volen tak, aby Ib toho invertoru byl takový, aby přešel do saturace. Pak na vstupu 4 bude 0,4V a 555 nebude blikat.
Ještě k té úrovni vstupu 4 - klasika TTL je nula všechno menší, než 0,8V. Ty uvádíš 0,5V. Dá se to někde vyčíst?
Jop, je to v datašítu - typ. 0,7V. Tak by to mělo být ok.
Návrat nahoru
Zobrazit informace o autorovi Odeslat soukromou zprávu
jardafiala



Založen: Jun 20, 2010
Příspěvky: 2574
Bydliště: Česká Lípa

PříspěvekZaslal: ne říjen 29 2023, 19:38    Předmět: Citovat

A co tohle? Případně 2 diody v sérii.


555.jpg
 Komentář:
 Velikost:  33.72 kB
 Zobrazeno:  103 krát

555.jpg


Návrat nahoru
Zobrazit informace o autorovi Odeslat soukromou zprávu Odeslat e-mail
Zobrazit příspěvky z předchozích:   
Přidat nové téma   Zaslat odpověď       Obsah fóra Diskuzní fórum Elektro Bastlírny -> Řešení problémů s různými konstrukcemi Časy uváděny v GMT + 1 hodina
Jdi na stránku 1, 2, 3  Další
Strana 1 z 3

 
Přejdi na:  
Nemůžete odesílat nové téma do tohoto fóra.
Nemůžete odpovídat na témata v tomto fóru.
Nemůžete upravovat své příspěvky v tomto fóru.
Nemůžete mazat své příspěvky v tomto fóru.
Nemůžete hlasovat v tomto fóru.
Nemůžete připojovat soubory k příspěvkům
Můžete stahovat a prohlížet přiložené soubory

Powered by phpBB © 2001, 2005 phpBB Group
Forums ©
Nuke - Elektro Bastlirna

Informace na portálu Elektro bastlírny jsou prezentovány za účelem vzdělání čtenářů a rozšíření zájmu o elektroniku. Autoři článků na serveru neberou žádnou zodpovědnost za škody vzniklé těmito zapojeními. Rovněž neberou žádnou odpovědnost za případnou újmu na zdraví vzniklou úrazem elektrickým proudem. Autoři a správci těchto stránek nepřejímají záruku za správnost zveřejněných materiálů. Předkládané informace a zapojení jsou zveřejněny bez ohledu na případné patenty třetích osob. Nároky na odškodnění na základě změn, chyb nebo vynechání jsou zásadně vyloučeny. Všechny registrované nebo jiné obchodní známky zde použité jsou majetkem jejich vlastníků. Uvedením nejsou zpochybněna z toho vyplývající vlastnická práva. Použití konstrukcí v rozporu se zákonem je přísně zakázáno. Vzhledem k tomu, že původ předkládaných materiálů nelze žádným způsobem dohledat, nelze je použít pro komerční účely! Tento nekomerční server nemá z uvedených zapojení či konstrukcí žádný zisk. Nezodpovídáme za pravost předkládaných materiálů třetími osobami a jejich původ. V případě, že zjistíte porušení autorského práva či jiné nesrovnalosti, kontaktujte administrátory na diskuzním fóru EB.


PHP-Nuke Copyright © 2005 by Francisco Burzi. This is free software, and you may redistribute it under the GPL. PHP-Nuke comes with absolutely no warranty, for details, see the license.
Čas potřebný ke zpracování stránky 0.15 sekund