Vítejte na Elektro Bastlírn?
Nuke - Elektro Bastlirna
  Vytvořit účet
Hlavní · Fórum · DDump · Profil · Zprávy · Hledat na fóru


Nuke - Elektro Bastlirna: Diskuzní fórum

 FAQFAQ   HledatHledat   Uživatelské skupinyUživatelské skupiny   ProfilProfil   Soukromé zprávySoukromé zprávy   PřihlášeníPřihlášení 

Regulovateľný zdroj LM324
Jdi na stránku 1, 2, 3, 4  Další
 
Přidat nové téma   Zaslat odpověď       Obsah fóra Diskuzní fórum Elektro Bastlírny -> Svářečky, UPS, nabíječe, měniče, zdroje, trafa a další
Zobrazit předchozí téma :: Zobrazit následující téma  

Prepínanie odbočiek na trafe
1.Trafo premotať s odbočkami ktoré sa následne búdu spínať
62%
 62%  [ 5 ]
2.Medzi trafom a zdrojom vložiť DC/DC menič , na DC/DC spínať feedback a tým určovať potrebne napätie pre lineár
12%
 12%  [ 1 ]
3.Nechajme to tak
25%
 25%  [ 2 ]
Celkem hlasů : 8

Autor Zpráva
Dumitru



Založen: Dec 11, 2015
Příspěvky: 253
Bydliště: Slovensko,Bratislava

PříspěvekZaslal: st říjen 25 2023, 19:53    Předmět: Regulovateľný zdroj LM324 Citovat

Regulovateľný zdroj LM324
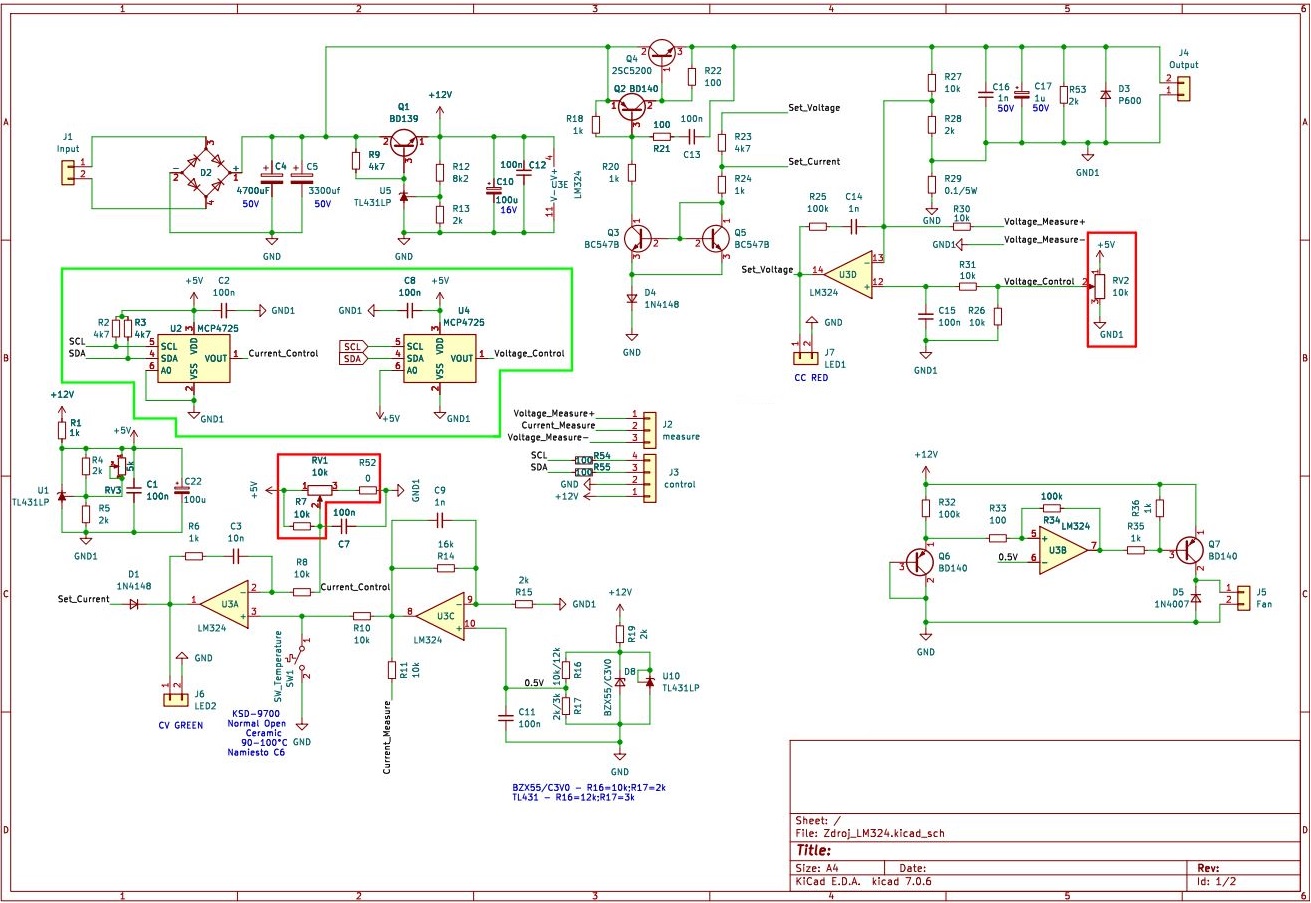
Technické parametre zariadenia
Vstupne napätie: 24VAC
Výstupné napätie : min 0VDC – max 30VDC
Zvlnenie výstupného napätia : 0,01% (výstupné napätie 0-25VDC)
Výstupný prúd : min 0A – max 4.5A (výstupné napätie 0-25VDC)
Výstupný prúd : min 0A – max 0.5A (výstupné napätie 26-30VDC)


Regulovateľný zdroj LM324 je možne postaviť v dvoch variantoch, ako digitálne riadený, pomocou digitálne analógových prevodníkov (DAC) MCP4725 viď obr.č.1 zelena oblasť. Pripadne analógovo riadený pomocou potenciometrov RV1 a RV2 viď obr.č.1 červena oblasť. Samotná DPS sa skladá z dvoch časti a to zdrojová časť ktorá reguluje výstupné napätia a prúd, a časť ktorá zodpovedá za meranie a ovládanie viď obr.č.3. Na zobrazenie vstupných a výstupných údajov je použitý klasicky 2 riadkový lcd display WC1602 ovládaný cez I2C rozhranie (PCF8574T). Je potrebne podotknúť že zdrojová časť dôkaze pracovať samostatne preto je možne použiť akýkoľvek iný externý merací pristroj na zobrazenie nastavených hodnôt prúdu a napätia.
Ak zdroj je ovládaní analógovo pomocou potenciometrov RV1 a RV2 súčiastky označene zelenou oblasťou nie je potrebne osádzať viď obr.č.1 a obr.č.2.
Ak je zdroj riadený digitálne nesmú byť osade súčiastky zobrazene v červenej oblasti viď obr.č.1, Pre zadávanie vstupných údajov napätia a prúdu je použitá voľne dostupná klávesnica 4x4.




Popis činnosti :

Zdrojová časť
Na svorky „J1“ sa pripája vstupne striedavé napätie ktoré sa usmerni pomocou usmerňovača D2 a následné vyfiltruje pomocou filtračných kondenzátorov C4 aC5. Napájanie operačného zosilňovača U3 (LM324) je tvorene emitorovým sledovačom Q1 (BD139) kde zdroj referenčného napätia tvorí U5 (TL431), výstupné a tým pádom aj napájacie napätie U3 je 12,75VDC. Dane napätie je taktiež použite pre napájanie chladiaceho ventilátora a je možne použiť klasické 12VDC počítačové ventilátory.

Režim CV stabilizácia napätia :
Riadenie výstupného napätia vykonáva operační zosilňovač U3D ktorý je zapojení ako „open loop“ otvorená slučka, na invertujúci vstup je privedené výstupné napätie cez delič R27 a R28 (deliaci pomer je R27/R28+1), na neinvertujúci vstup je privedené napätie pomocou potenciometra RV2 (10kΩ) z napäťovej referencie 5VDC tvorene U1 (TL431). U3D porovnáva rozdiel medzi invertujúcim a neinvertujúci vstupom, a nastaví výstupné napätie U3D na takú hodnotu aby cez rezistory R23 a R24, a prúdové zrkadlo tvorene tranzistormi Q3 a Q4 priotvorilo darlingtonove zapojenie, tvorene tranzistormi Q2 a Q4. (Na tranzistor Q2 je nutne osadiť chladič určený pre puzdro TO220!!!! Viď Obr.)

A nastavilo výstupné napätie na nami nastavenú hodnotu, pomocou potenciometra RV2. R25 a C14 zabraňuje aby sa regulačná sústava rozkmitala. V režime stabilizácii napätia je napätie na výstupe U3A maximálne teda okolo 11,25VDC (VCC-1,5VDC) čo sa využíva na indikáciu režimu CV pomocou zelenej led diódy (D6) viď obr.č.2.

Režim CC prúdové obmedzenie :
Úbytok napätia ktorý vzniká prechodom prúdu na R29 je privedení na invertujúci vstup operačného zosilňovača U3C (viď obr.č.1) ktorý je zapojení ako invertujúci zosilňovač napätia. Zosilnenie sa vypočíta podľa vzťahu R14/R15+1. Na neinvertujúci vstup je privedený napäťoví posun (offset) o hodnote 0.5VDC tvorený U10 (TL431) pripadne zenerovou diódou D8 (pre vyššiu presnosť sa odporúča použiť TL431). Výstupné napätie na U3C pri nulovom prúde je približne 0,5*(16k/2k+1)=4,5VDC . Zosilnene napätie z výstupu U3C cez R11 sa využíva aj pre meranie prúdu. Výstup U3C je privedený na neinvertujúci vstup U3A ktorý je zapojení ako „open loop“ a porovnáva rozdiel medzi nastavenou hodnotou pomocou potenciometra RV1 a zosilnením úbytkom napätia na R29. V prípade že úbytok napätia na R29 prekročí nastavenú hodnotu operační zosilňovač U3A cez diódu D1 a prúdové zrkadlo Q3 aQ4 prizatvori výkonový tranzistor Q4 aby nebolo prekročená hodnota nami nastaveného prúdu. V režime prúdového obmedzenia je napätie na výstupe U3D maximálne teda okolo 11,25VDC (VCC-1,5VDC) čo sa využíva na indikáciu režimu CC pomocou červenej led diódy (D7) viď obr.č.2 v prilohe


Riadenie chladiaceho ventilátora :

Ako snímač teploty bol použitý tranzistor Q6 BD140 a to z dôvodu ľahkej montáži k chladiču. Úbytok napätia na PN prechode ktorý klesá vzhľadom k rastúcej teplote je privedený na operační zosilňovač U3B ktorý je zapojení ako schmittov preklápací obvod a zopne ventilátor pomocou Q7 ak teplota bude vyššia ako cca 60C. Tranzistory Q6 a Q7 musia byť odizolovane od chladiča pomocou izolačnej podložky !!!!.

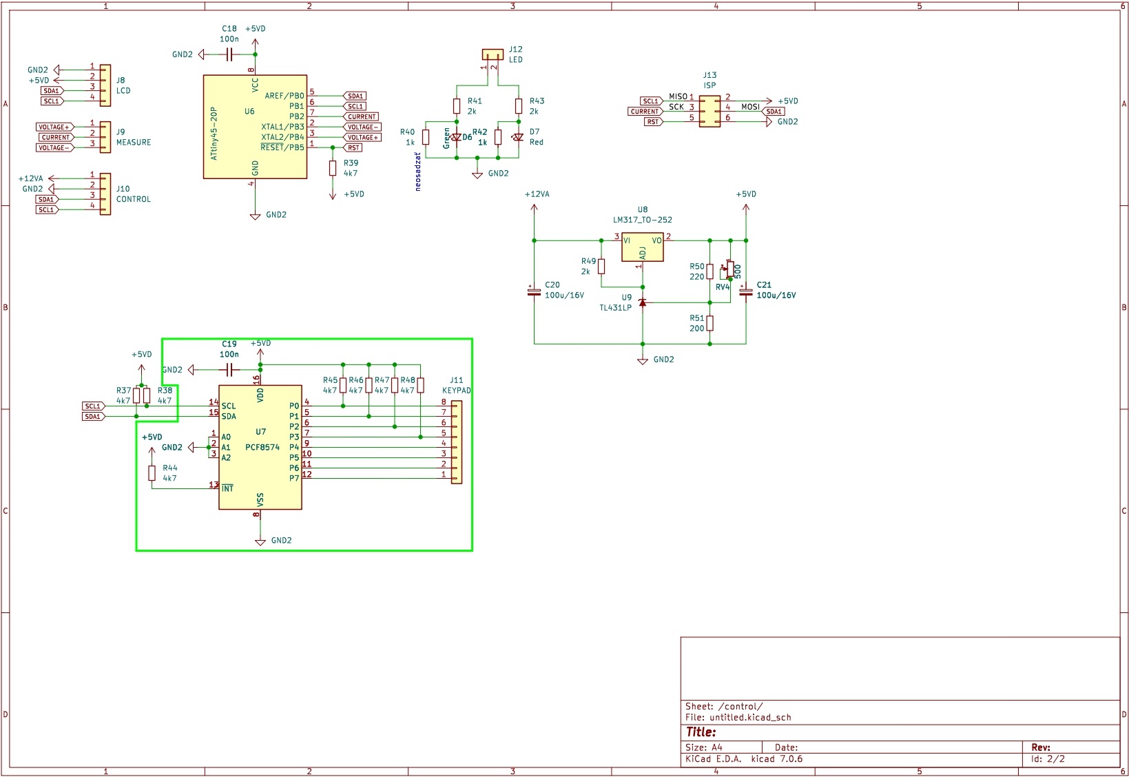
Meranie a ovládanie
Riadiacou a meracou jednotkou je mikroprocesor firmy microchip attiny45. Meranie napätia sa vykonáva ADC prevodníkom mikroprocesora v diferenciálnom móde na deliči tvorený R27 a R28, a odpore R29 viď obr.č.1. Dane napätie je privedené cez rezistor R30 na meracie vstupy PB3 a PB4 mikroprocesora. Meranie prúdu sa vykonáva na meracom vstupe PB2 kde je cez odpor R11 privádzané meracie napätie z U3C ktoré je následné pomocou mikroprocesora prepočítané na prúd. Pre všetky merania je použitá napäťová referencia 5,25VDC tvorená U8 (LM317) a U9 (TL431).
Pre ADC prevodník v diferenciálnom móde je nutne vykonať kalibráciu. Viď bod Kalibrácia popísaný nižšie.

Popis funkcie jednotlivých tlačidiel na klávesnice
„A“ – nastavujeme výstupné napätie v rozsahu 0 – 29,9VDC pre potvrdenie nastavenej hodnoty slúži tlačidlo „#“.
„B“ – nastavujeme výstupný prúd v rozsahu 0 – 4.5A pre potvrdenie nastavenej hodnoty slúži tlačidlo „#“.
„C“ – vykonáva sa kalibrácia prúdu daná kalibrácia sa vykonáva automaticky po zatlačení tlačidla (zdroj sa prepne do režimu CC)
„D“ – vykonáva sa kalibrácia napätia kde je potrebne multimetrom namerať napätie na výstupe zdroja (zdroj musí byť v režime CV) a zadať pomocou klávesnice následné sa vypočíta kalibračná konštanta ktorá sa krátko zobrazí na displeji. Pre potvrdenie zadanej hodnoty slúži tlačidlo „#“.

Kalibrácia :

Analógové riadenie postup kalibrácie :
Pred pripojením meracej dps pomocou multimetra sa presvedčte že regulácia napätia funguje v celom rozsahu (0-30V) a funguje aj prúdové obmedzenie (nastavte na výstupe 5VDC otočte potenciometrom ktorí riady prúd do nulovej polohy napätie na výstupe musí klesnúť na nulovú hodnotu), skontrolujte napätia v kontrolných bodoch popísané nižšie v časti oživenie.
Po naprogramovaní MCU do 5 sekúnd vypnite zdroj: nastavte potenciometre pre ovládanie prúdu a napätia do stredovej polohy a zapnite zdroj.
Stiahnite potenciometer pre ovládanie napätia do nulovej polohy a zdroj vypnite, počkajte až zhasnú zelena a červena led dióda, a následné zdroj zapnite.(vykoná sa kalibrácia ofset_error a kalibrácia nulovej hodnoty prúdu merane na výstupe U3C viď schéma obr.č.1).
Pomocou multimetra nastavte na výstupe čo najpresnejšie hodnotu 29.0V , napätie na výstupe merajte pomocou multimetra , napätie na displeji pravdepodobne nebude sedieť. Zdroj opäť vypnite, počkajte až zhasnú zelena a červena led dióda, a následné zdroj zapnite.(vykoná sa kalibrácia gain_error).
Kalibrácia sa vykonáva len raz, znovu vykonať kalibráciu je možne len po reprograme MCU.

Digitálne riadenie postup kalibrácie :
Zapnite zdroj bez meracej dps, zmerajte napätie na výstupe musí byť okolo 15VDC.Vypnite zdroj pripojte meraciu dps a pokračujte bodom 2.
Zapnite zdroj a tlačidlom „A“ – nastavte 5VDC, tlačidlom „B“ – nastavte 0,5A
Pre kalibráciu prúdu a napätia - offset_error stlačte tlačidlo „C“ – zdroj prejde do CC režimu a vykoná kalibráciu. Počkajte cca 5 sekúnd a pokračujte bodom 4.
Tlačidlom „B“ – nastavte 0,5A.
Pre kalibráciu napätia – gain_error stlačte tlačidlo „D“, multimetrom zmerajte napätie na výstupe, pomocou klávesnice zadajte namerane napätie zaokrúhlené na jedno desatinne miesto a potvrďte tlačidlom „#“.
Kalibráciu je možne vykonať kedykoľvek znovu.

Oživenie

Zdrojová časť
1.Ako prvé osaďte komponenty J1,D2,C4,C5( dbajte na polaritu) následné pripojte striedavé napätie na konektor J1 a zmerajte napätie na C4 a C5 ak je napätie väčšie ako 30VDC pokračujte bodom 2.
2.Striedavé napätie z konektoru J1 odpojte a osaďte komponenty R9,R12,R13,Q1,U5,C10,C12 ( dbajte na polaritu). Pripojte striedavé napätie na J1, zmerajte napätie na C10 a C12 ak je napätie 12,75VDC +/- 0,13VDC, striedavé napätie z konektoru J1 odpojte a pokračujte bodom 3.
3.Osaďte komponenty R1,R4,R5,U1,C1,R29 - pripojte striedavé napätie na J1 a zmerajte napätie na C1 ak je napätie 5VDC +/-0,05VDC pokračujte bodom 4 (ak je potrebná vyššia presnosť namiesto R4 osaďte trimer RV3 otočeniem trimera nastavte presných 5VDC. napätie merajte na C1).
4.Ostatne komponenty osaďte v ľubovoľnom poradí a dbajte na polaritu, ak je zdroj
riadený pomocou potenciometrov osádzame komponenty znázornené v červenej oblasti a komponenty zo zelenej oblasti neosadíme viď obr.č.1 , ak je zdroj riadený digitálne osadíme komponenty zo zelenej oblasti a tie s červenej vynecháme viď obr.č.1, v obidvoch prípadoch kondenzátor C6 sa neosádza.
5.Po osadení a pripojení všetkých súčiastok - pripojte striedavé napätie na konektor J1 a zmerajte napätia na :
Kondenzátore C11 – 0.5 VDC +/- 0,025VDC.
Kondenzátore C1 – 5 VDC +/- 0,05VDC
Odpore R11 voči GND – 4,5VDC +/- 0,1VDC
Ak všetky napätia sú v poriadku a mate potenciometrom riadený zdroj pokračujte bodom 6 inak bod 6 preskočte a pokračujte bodom 7.
6.Otočte potenciometre RV1 a RV2 do stredovej polohy zmerajte napätie na konektore J4 otočeniem potenciometra RV2 by sa napätie malo meniť od 0-30VDC, nastavte napätie na konektore J4 na hodnotu 5VDC, nasledne otočeniem potenciometra RV1 do krajnej polohy napätie na konektore J4 klesne na 0VDC.
7.Zmerajte napätie na J4 by malo byť okolo 15VDC +/- 1V.

Meranie a Ovládanie
1.Osaďte všetky komponenty okrem U6 a U7 podľa schémy obr.č.2 dbajte na polaritu pripojte meraciu dps k zdrojovej časti a zmerajte napätie na C21 malo by byť okolo 5.25VDC +/-0,0525V. (ak je potrebná vyššia presnosť namiesto R50 osaďte trimer RV4 otočeniem trimera nastavte presných 5,25VDC. napätie merajte na C21).
2.Osaďte komponent U6 a U7.

kód:
    LOW FUSE      0xE2
    HIGH FUSE     0xDC
    LOCK BITS     0xFF
    EXTENDED FUSE 0xFF



Zdroj_LM324_Front.jpg
 Komentář:
 Velikost:  281.66 kB
 Zobrazeno:  220 krát

Zdroj_LM324_Front.jpg



obr.č.2.jpg
 Komentář:
 Velikost:  213.02 kB
 Zobrazeno:  297 krát

obr.č.2.jpg



obr.č.1.JPG
 Komentář:
 Velikost:  269.61 kB
 Zobrazeno:  481 krát

obr.č.1.JPG



gerber&hex&source_code.zip
 Komentář:

Stáhnout
 Soubor:  gerber&hex&source_code.zip
 Velikost:  287.17 kB
 Staženo:  220 krát


schema&zoznam_suciastok.zip
 Komentář:

Stáhnout
 Soubor:  schema&zoznam_suciastok.zip
 Velikost:  271.75 kB
 Staženo:  251 krát



Naposledy upravil Dumitru dne so červen 08 2024, 2:21, celkově upraveno 8 krát.
Návrat nahoru
Zobrazit informace o autorovi Odeslat soukromou zprávu Odeslat e-mail Zobrazit autorovy WWW stránky
JirkaZ



Založen: Feb 26, 2021
Příspěvky: 3771

PříspěvekZaslal: st říjen 25 2023, 20:00    Předmět: Citovat

I když to na 99,9% nebudu stavět, tak díky za všechny, kterým to něco přinese... Perfektně zpracováno a podáno.

Dobří lidé existují.

_________________
Kdo chce, hledá způsob;
kdo ne - hledá důvod.

Ze dvou možností často volím tu třetí.
Návrat nahoru
Zobrazit informace o autorovi Odeslat soukromou zprávu
Dumitru



Založen: Dec 11, 2015
Příspěvky: 253
Bydliště: Slovensko,Bratislava

PříspěvekZaslal: st říjen 25 2023, 20:45    Předmět: Citovat

ešte prikladám merania:

Režim CV - napatie 20V zataž 4A



Vrms-2mV, Peak to Peak 8.5mV

Režim CC 20V skrat na vstupe obmedzenie 4A



Vrms-8.5mV, Peak to Peak 23mV



CV_20V_4A.png
 Komentář:
 Velikost:  135.01 kB
 Zobrazeno:  161 krát

CV_20V_4A.png



CC_20V_4A.JPG
 Komentář:
 Velikost:  244 kB
 Zobrazeno:  184 krát

CC_20V_4A.JPG




Naposledy upravil Dumitru dne so listopad 25 2023, 18:38, celkově upraveno 3 krát.
Návrat nahoru
Zobrazit informace o autorovi Odeslat soukromou zprávu Odeslat e-mail Zobrazit autorovy WWW stránky
samec



Založen: Dec 19, 2017
Příspěvky: 6616

PříspěvekZaslal: st říjen 25 2023, 21:25    Předmět: Citovat

Teda, to muselo dát příšernou práci. Přitom taková blbost, co?
Návrat nahoru
Zobrazit informace o autorovi Odeslat soukromou zprávu
EKKAR



Založen: Mar 16, 2005
Příspěvky: 35584
Bydliště: Česká Třebová, JN89FW21

PříspěvekZaslal: st říjen 25 2023, 21:45    Předmět: Citovat

Nerozumím jedný věci - v TTDčkách zdroje máš napsáno, že vstupní napětí je 24V AC, přičemž výstupní je v rozmezí min. 0V - 30V DC maximálně. Přitom sice po usměrnění 24V AC napětí na sběracím kondíku dosahuje špičkově až 33,94V, ale jen před odečtením úbytku na diodách a NAPRÁZDNO, s odlehčeným trafem. Myslím, že se dá hodně úspěšně pochybovat, že bys s trafem se sekundárním napětím 24V AC dosáhnul při víceampérový zátěži (dejme tomu aspoň 2A) výstupního napětí vyššího než zhruba 25V bez toho, abys na něm měl výrazný zvlnění způsobený úbytkem napětí na vinutí trafa a usměrňovači a tím, že to filtrační kapacita nedokáže dorovnat do špičkovýho napětí naprázdno.

Troufám si tvrdit, že abys dosáhnul plnýho udanýho proudu 4A při maximálním napětí 30V a tebou udávaným minimálním zvlnění, bude se muset použít trafo s nominálníma hodnotama sekundáru 32-33V AC/4-5A - takže špičkový vyfiltrovaný napětí na sběrným kondíku dosáhne naprázdno teoreticky až 46,7V, po odečtení úbytku na usměrňovači podle jeho provedení (jestli jen Si, nebo Schottky případně synchronní MOSFET) pak ale pořád nad 45V. S tím je potřeba počítat a například ty první filtrační "kýble" C4 a C5 při požadavku dosažení výstupního napětí až těch deklarovanejch 30V neosazovat součástkama na 50V, ale líp na 63V - který tak budou mít větší napěťovou rezervu.

Takže myšlenka good, návrh slušnej, ALE BACHA NA HRANIČNÍ HODNOTY jak součástek, tak i celkovýho zapojení.

_________________
Nasliněný prst na svorkovnici domovního rozvaděče: Jó, paninko, máte tam ty Voltíky všecky...
A kutilmile - nelituju tě Mr. Green Mr. Green !!!
Návrat nahoru
Zobrazit informace o autorovi Odeslat soukromou zprávu Odeslat e-mail
JirkaZ



Založen: Feb 26, 2021
Příspěvky: 3771

PříspěvekZaslal: st říjen 25 2023, 21:48    Předmět: Citovat

samče, mrkni do přílohy...


k.jpg
 Komentář:
 Velikost:  1.86 kB
 Zobrazeno:  192 krát

k.jpg



_________________
Kdo chce, hledá způsob;
kdo ne - hledá důvod.

Ze dvou možností často volím tu třetí.
Návrat nahoru
Zobrazit informace o autorovi Odeslat soukromou zprávu
JirkaZ



Založen: Feb 26, 2021
Příspěvky: 3771

PříspěvekZaslal: st říjen 25 2023, 21:51    Předmět: Citovat

Ekkare, je dobrým zvykem uvádět napětí na sekundáru trafa při nominální zátěži (tedy zde 4,5 A).

Se zbytkem ale souhlas (úbytky na Graetzu, zvlnění atd.).

Autor jistě rozumné připomínky přijme rád...

_________________
Kdo chce, hledá způsob;
kdo ne - hledá důvod.

Ze dvou možností často volím tu třetí.
Návrat nahoru
Zobrazit informace o autorovi Odeslat soukromou zprávu
EKKAR



Založen: Mar 16, 2005
Příspěvky: 35584
Bydliště: Česká Třebová, JN89FW21

PříspěvekZaslal: st říjen 25 2023, 22:37    Předmět: Citovat

JirkaZ napsal(a):
Ekkare, je dobrým zvykem uvádět napětí na sekundáru trafa při nominální zátěži (tedy zde 4,5 A).
....
I když tam těch 24V bude při zátěži 4,5A, nikdy z toho při stejným proudu nedá 30V. Jen Prcáci udávají zdrojový parametry tak, že to je BUĎ nejvyšší napětí, NEBO největší proud - nikdy obojí zároveň. Ono to pak "hezčejc" vypadá, i když je to v jejich případě záměrná lež = viz Technický slovník naučný, heslo "číňanský výkonový parametry" případně "P.M.P.O." (Poslední Moment Před Odpálením neboli Pro Mozkově Postižený Občany).

My v civilizovanejch končinách naproti tomu radši uvádíme výstupní zdrojový parametry změřený ZÁROVEŇ tzn. že zdroj je schopnej dodávat maximální udaný napětí až do plný hodnoty udanýho proudu. U tohohle konkrétního kousku bych byl radši, kdyby u něj bylo napsaný, že s trafem 24V 100VA je schopnej trvale dát 20V/4A se zvlněním blábláblá milivoltů, ale že zapojení je bez změny osazení, jen s příslušně zvednutým vstupním napětím schopný dávat maximální výstupní napětí AŽ 30V.

Jasně, je to slovíčkaření, ale daleko líp to vystihuje vlastnosti popsanýho zapojení. A ne, nechci tvrdit, že Dumitru tady udává ke svý konstrukci Prcácký parametry - chci věřit, že to to jeho zapojení zvládá přesně tak, jak to popsal. Jen by nebylo na škodu ty parametry upřesnit, za jakejch okolností jsou dosažitelný - protože pak se toho nepřesnýho popisu chytí nějakej mlamojskej Tupoun Stoupa a bude říkat - "hele, tady na Bastlírně je napsaný, že to s 24voltovým trafem dá 30V na výstupu!" a bude si opravdu myslet, že to je minimálně částečný perpetuum debile ...

_________________
Nasliněný prst na svorkovnici domovního rozvaděče: Jó, paninko, máte tam ty Voltíky všecky...
A kutilmile - nelituju tě Mr. Green Mr. Green !!!
Návrat nahoru
Zobrazit informace o autorovi Odeslat soukromou zprávu Odeslat e-mail
Dumitru



Založen: Dec 11, 2015
Příspěvky: 253
Bydliště: Slovensko,Bratislava

PříspěvekZaslal: čt říjen 26 2023, 6:49    Předmět: Citovat

EKKAR napsal(a):
Nerozumím jedný věci - v TTDčkách zdroje máš napsáno, že vstupní napětí je 24V AC, přičemž výstupní je v rozmezí min. 0V - 30V DC maximálně. Přitom sice po usměrnění 24V AC napětí na sběracím kondíku dosahuje špičkově až 33,94V, ale jen před odečtením úbytku na diodách a NAPRÁZDNO, s odlehčeným trafem. Myslím, že se dá hodně úspěšně pochybovat, že bys s trafem se sekundárním napětím 24V AC dosáhnul při víceampérový zátěži (dejme tomu aspoň 2A) výstupního napětí vyššího než zhruba 25V bez toho, abys na něm měl výrazný zvlnění způsobený úbytkem napětí na vinutí trafa a usměrňovači a tím, že to filtrační kapacita nedokáže dorovnat do špičkovýho napětí naprázdno.

Troufám si tvrdit, že abys dosáhnul plnýho udanýho proudu 4A při maximálním napětí 30V a tebou udávaným minimálním zvlnění, bude se muset použít trafo s nominálníma hodnotama sekundáru 32-33V AC/4-5A - takže špičkový vyfiltrovaný napětí na sběrným kondíku dosáhne naprázdno teoreticky až 46,7V, po odečtení úbytku na usměrňovači podle jeho provedení (jestli jen Si, nebo Schottky případně synchronní MOSFET) pak ale pořád nad 45V. S tím je potřeba počítat a například ty první filtrační "kýble" C4 a C5 při požadavku dosažení výstupního napětí až těch deklarovanejch 30V neosazovat součástkama na 50V, ale líp na 63V - který tak budou mít větší napěťovou rezervu.

Takže myšlenka good, návrh slušnej, ALE BACHA NA HRANIČNÍ HODNOTY jak součástek, tak i celkovýho zapojení.


Dobrý deň áno vo všetkom mate pravdu upravil som Smile od 26-30Vdc je možne max 0.8A (uviedol som 0.5A s rezervou )
Nebolo mojou snahou niekoho podviesť len vo väčšinou dokumentácii bolo uvedene pravé tak ako som mal pred tým ja a nikoho nezaujímalo čo sa bude diať pri max záťaži.... Very Happy každopádne som to upravil Smile

Čo sa týka zdvihnutia vstupného napätia samozrejme to ide keďže ostatne IO majú stabilizovane napájanie a aj preto je tam použitý BD139 + TL431 a nie klasická LM7812 a filtračne kondenzátory upraviť na správne napätie , ale jednoznačne potom je potrebne obmedziť prúd na nižšiu hodnotu .... a zmerať aký prúd potom bude tiecť cez BD139 ať to nerafne.



SOA.jpg
 Komentář:
 Velikost:  115.42 kB
 Zobrazeno:  152 krát

SOA.jpg




Naposledy upravil Dumitru dne po říjen 30 2023, 15:43, celkově upraveno 1 krát.
Návrat nahoru
Zobrazit informace o autorovi Odeslat soukromou zprávu Odeslat e-mail Zobrazit autorovy WWW stránky
Crifodo



Založen: Oct 11, 2005
Příspěvky: 15004

PříspěvekZaslal: čt říjen 26 2023, 7:37    Předmět: Citovat

Máš změřeno odezvu výstupního napětí po skokové změně zátěže z 4 A na 0?
Návrat nahoru
Zobrazit informace o autorovi Odeslat soukromou zprávu Odeslat e-mail
JirkaZ



Založen: Feb 26, 2021
Příspěvky: 3771

PříspěvekZaslal: čt říjen 26 2023, 7:59    Předmět: Citovat

Crifodo: velmi dobrá připomínka... Myslím, že většina autorů stabilitu či rychlost zpětnovazební smyčky neřeší.

Tady je to navíc komplikováno tím, že v ZV smyčce je procesor* - všiml jsem si toho až teď. No, já bych to tak rozhodně neudělal...

Ale třeba to autor má vyladěné - necháme se překvapit Wink

(*) - nebo není? To schéma je poněkud nepřehledné. Nemám rád, když se signály musí hledat pomocí svých názvů a není nakresleno jejich skutečné propojení.

Jo, je to "zlozvyk" z liniových apod. schémat, ale u takto relativně jednoduchého zařízení to pokládám za zbytečné, protože to silně znemožňuje okamžitou obvodovou orientaci.

_________________
Kdo chce, hledá způsob;
kdo ne - hledá důvod.

Ze dvou možností často volím tu třetí.
Návrat nahoru
Zobrazit informace o autorovi Odeslat soukromou zprávu
Dumitru



Založen: Dec 11, 2015
Příspěvky: 253
Bydliště: Slovensko,Bratislava

PříspěvekZaslal: čt říjen 26 2023, 10:43    Předmět: Citovat

Crifodo napsal(a):
Máš změřeno odezvu výstupního napětí po skokové změně zátěže z 4 A na 0?


Mam Smile večer to sem pridám

JirkaZ napsal(a):
Crifodo: velmi dobrá připomínka... Myslím, že většina autorů stabilitu či rychlost zpětnovazební smyčky neřeší.

Tady je to navíc komplikováno tím, že v ZV smyčce je procesor* - všiml jsem si toho až teď. No, já bych to tak rozhodně neudělal...

Ale třeba to autor má vyladěné - necháme se překvapit Wink

(*) - nebo není? To schéma je poněkud nepřehledné. Nemám rád, když se signály musí hledat pomocí svých názvů a není nakresleno jejich skutečné propojení.

Jo, je to "zlozvyk" z liniových apod. schémat, ale u takto relativně jednoduchého zařízení to pokládám za zbytečné, protože to silně znemožňuje okamžitou obvodovou orientaci.


Čo sa týka procesoru tak pcb je rozdelená na dve časti a to analógovú a digitálnu viď príloha , analógová časť je samostatná a vie pracovať bez procesora

Ak chceme zdroj riadiť potenciometrami tak úlohou mcu je len zobrazovať napätie a prúd v danom prípade nepotrebujeme ani klávesnicu ani osadiť komponenty zobrazene v schéme zelenou prerušovanou čarou , pripadne je možne použiť akýkoľvek iný merací pristroj a schému "digitálna časť" s LCD a MCU vyhodiť úplne.

Tak tiež pri akejkoľvek strate kontaktu bežca potenciometra či už prúdového alebo napäťového, výstupne napätie poklesne na 0 čo vo veľa zdrojoch sa toto tiež nerieši.

Ak chceme zdroj riadiť digitálne teda pomocou klávesnice neosadíme komponenty v schéme označene červenou prerušovanou čarou a úlohou mcu je len nastaviť úroveň na D/A prevodníkoch cez I2C tak aby bolo splnene požiadavky prúdu a napätia zadane klávesnicou v podstate sa robí to čo v prípade s potenciometrami len namiesto nich je osadení D/A prevodník a samozrejme merať prúd a napätie. Opäť celu schému "digitálna časť" je možne dať preč a ovládať D/A prevodníky akýmkoľvek iným IO napríklad USB-I2C prevodníkom cez I2C rozhranie



Zdroj.jpg
 Komentář:
 Velikost:  103.7 kB
 Zobrazeno:  173 krát

Zdroj.jpg


Návrat nahoru
Zobrazit informace o autorovi Odeslat soukromou zprávu Odeslat e-mail Zobrazit autorovy WWW stránky
JirkaZ



Založen: Feb 26, 2021
Příspěvky: 3771

PříspěvekZaslal: čt říjen 26 2023, 12:43    Předmět: Citovat

OK, takže zpětná vazba (regulační smyčka) je vždy analogová, tj. není vedena přes MCU a MCU pouze přes D/A poskytuje referenční napětí?

To nic nemění na tom, že bys měl otestovat chování zdroje při impulsní změně zátěže, jak píše kolega výše.

Je to naprosto klíčová vlastnost, pokud nechceš při práci se zdrojem riskovat "nevysvětlitelné" poškození zátěže...

Realizace je prostá: PWM generátor (v nouzi stačí i obdélník třeba 1 Hz, ale možnost změny frekvence a střídy je mnohem lepší), dostatečně dimenzovaný spínací MOSFET a výkonový zatěžovací odpor (vyhoví i žárovka - při respektování její V/A/t charakteristiky).

Dodatek: to správný kino nastává, pokud zátěž je v praxi nikoliv reálná, ale více či méně komplexní, nebo nelineární, nebo všechno dohromady Wink

_________________
Kdo chce, hledá způsob;
kdo ne - hledá důvod.

Ze dvou možností často volím tu třetí.
Návrat nahoru
Zobrazit informace o autorovi Odeslat soukromou zprávu
EKKAR



Založen: Mar 16, 2005
Příspěvky: 35584
Bydliště: Česká Třebová, JN89FW21

PříspěvekZaslal: čt říjen 26 2023, 16:09    Předmět: Citovat

JirkaZ napsal(a):
...
Dodatek: to správný kino nastává, pokud zátěž je v praxi nikoliv reálná, ale více či méně komplexní, nebo nelineární, nebo všechno dohromady Wink
To pak není kino, to je tanec Svatýho Víta - obzvlášť když z něčeho na stole právě kvůli vzájemnýmu nepřizpůsobení a rozkmitání celýho zapojení nebo lokálního přetížení něco přejde do režimu generátor dýmu až ohně a ven vyšlehne plamen a vylítnou žhavý kuličky mědi nebo hořící kousky izolace. To pak je doslova RACHOT ...
_________________
Nasliněný prst na svorkovnici domovního rozvaděče: Jó, paninko, máte tam ty Voltíky všecky...
A kutilmile - nelituju tě Mr. Green Mr. Green !!!
Návrat nahoru
Zobrazit informace o autorovi Odeslat soukromou zprávu Odeslat e-mail
JirkaZ



Založen: Feb 26, 2021
Příspěvky: 3771

PříspěvekZaslal: čt říjen 26 2023, 16:54    Předmět: Citovat

Ekkare, jsi přecitlivělý.

Taktický jaderný výbuch na pracovišti běžný elektronik zvládá levou zadní, samozřejmě i opakovaně.

_________________
Kdo chce, hledá způsob;
kdo ne - hledá důvod.

Ze dvou možností často volím tu třetí.
Návrat nahoru
Zobrazit informace o autorovi Odeslat soukromou zprávu
Zobrazit příspěvky z předchozích:   
Přidat nové téma   Zaslat odpověď       Obsah fóra Diskuzní fórum Elektro Bastlírny -> Svářečky, UPS, nabíječe, měniče, zdroje, trafa a další Časy uváděny v GMT + 1 hodina
Jdi na stránku 1, 2, 3, 4  Další
Strana 1 z 4

 
Přejdi na:  
Nemůžete odesílat nové téma do tohoto fóra.
Nemůžete odpovídat na témata v tomto fóru.
Nemůžete upravovat své příspěvky v tomto fóru.
Nemůžete mazat své příspěvky v tomto fóru.
Nemůžete hlasovat v tomto fóru.
Nemůžete připojovat soubory k příspěvkům
Můžete stahovat a prohlížet přiložené soubory

Powered by phpBB © 2001, 2005 phpBB Group
Forums ©
Nuke - Elektro Bastlirna

Informace na portálu Elektro bastlírny jsou prezentovány za účelem vzdělání čtenářů a rozšíření zájmu o elektroniku. Autoři článků na serveru neberou žádnou zodpovědnost za škody vzniklé těmito zapojeními. Rovněž neberou žádnou odpovědnost za případnou újmu na zdraví vzniklou úrazem elektrickým proudem. Autoři a správci těchto stránek nepřejímají záruku za správnost zveřejněných materiálů. Předkládané informace a zapojení jsou zveřejněny bez ohledu na případné patenty třetích osob. Nároky na odškodnění na základě změn, chyb nebo vynechání jsou zásadně vyloučeny. Všechny registrované nebo jiné obchodní známky zde použité jsou majetkem jejich vlastníků. Uvedením nejsou zpochybněna z toho vyplývající vlastnická práva. Použití konstrukcí v rozporu se zákonem je přísně zakázáno. Vzhledem k tomu, že původ předkládaných materiálů nelze žádným způsobem dohledat, nelze je použít pro komerční účely! Tento nekomerční server nemá z uvedených zapojení či konstrukcí žádný zisk. Nezodpovídáme za pravost předkládaných materiálů třetími osobami a jejich původ. V případě, že zjistíte porušení autorského práva či jiné nesrovnalosti, kontaktujte administrátory na diskuzním fóru EB.


PHP-Nuke Copyright © 2005 by Francisco Burzi. This is free software, and you may redistribute it under the GPL. PHP-Nuke comes with absolutely no warranty, for details, see the license.
Čas potřebný ke zpracování stránky 0.27 sekund