Vítejte na Elektro Bastlírn?
Nuke - Elektro Bastlirna
  Vytvořit účet
Hlavní · Fórum · DDump · Profil · Zprávy · Hledat na fóru


Nuke - Elektro Bastlirna: Diskuzní fórum

 FAQFAQ   HledatHledat   Uživatelské skupinyUživatelské skupiny   ProfilProfil   Soukromé zprávySoukromé zprávy   PřihlášeníPřihlášení 

Úprava střídače z 12V na 220V - hledám pomoc
Jdi na stránku 1, 2, 3  Další
 
Přidat nové téma   Zaslat odpověď       Obsah fóra Diskuzní fórum Elektro Bastlírny -> Řešení problémů s různými konstrukcemi
Zobrazit předchozí téma :: Zobrazit následující téma  
Autor Zpráva
100uf



Založen: Sep 10, 2023
Příspěvky: 16

PříspěvekZaslal: čt září 14 2023, 13:51    Předmět: Úprava střídače z 12V na 220V - hledám pomoc Citovat

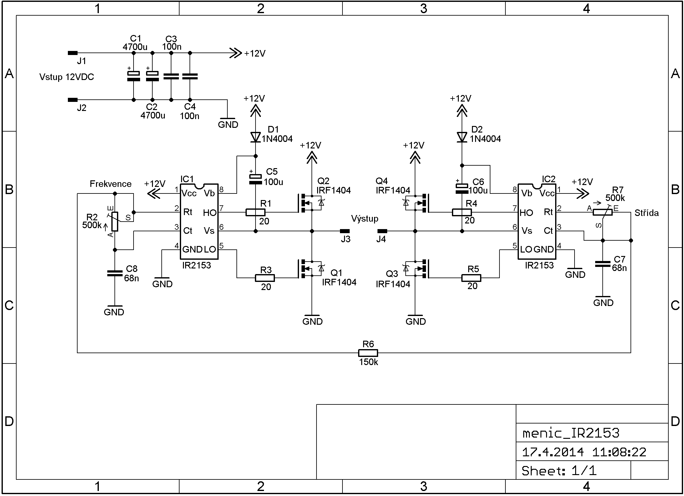
Potřebuji upravit tento střídač, který je určen pro měnič napětí 12V / 220V. Potřebuji, aby na vstupu a výstupu bylo 220V = tedy nahradit tranzistory a upravit zapojení.Mínus 220V se patrně zapojí do GND, plus 220V se dá k tranzistorům. Integrovaný obvod IR 2153 vyrábí přerušovaný signál, je napájený 12V , mezi piny 6 a 8 může však být podle výrobce napětí až 600V, tedy pravděpodobně stačí použít kondenzátor který snese napětí 220V. Tento střídač vyrábí modifikovanou sinusovku (přerušovaný hranatý signál) mezera je pravděpodobně daná odporem R6 který spojuje oba integrované obvody. Potřebuji, aby to byla běžná střída 50/50, bez mezer. Můžeme odpor R6 nahradit potenciometrem, a sledovat na osciloskopu změny chování, a mezeru nastavit. Hledám člověka, který by byl ochotný to postavit a odzkoušet alespoň na nepájivém poli, nejlépe z Liberce. Samozřejmě patřičně odměním, a v budoucnu budu potřebovat podobné věci. Napište prosím.[/list][/code]


Měnič s IR2153 nastavitelný.png
 Komentář:
 Velikost:  22.16 kB
 Zobrazeno:  213 krát

Měnič s IR2153 nastavitelný.png


Návrat nahoru
Zobrazit informace o autorovi Odeslat soukromou zprávu
samec



Založen: Dec 19, 2017
Příspěvky: 6329

PříspěvekZaslal: čt září 14 2023, 14:59    Předmět: Citovat

napríklad
https://www.bel-shop.eu/_obchody/bel.shop5.cz/prilohy/1/stavebnice-mpps-regulatoru-pro-napajeni-boileru-z-6bd867.pdf
Návrat nahoru
Zobrazit informace o autorovi Odeslat soukromou zprávu
EKKAR



Založen: Mar 16, 2005
Příspěvky: 35252
Bydliště: Česká Třebová, JN89FW21

PříspěvekZaslal: čt září 14 2023, 16:34    Předmět: Citovat

Ta mezera mezi impulsama je pro měnič životně důležitá - zajišťuje bezpečnost koncovejch tranzistorů, který ještě určitou dobu po skončení budicího impulsu zůstávají otevřený - a relativně pomalu se zavírají. Pokud by mezi budicíma impulsama nebyla mezera, otevřel by se protější tranzistor už v době, kdy je ten první ještě částečně otevřenej - a tím by se oba dostaly vzájemně do zkratu. Efektivní hodnota napětí i výkonu se pak u "modifikovaný sinusovky" "dohání" vyšším spínaným napětím, používá se rozpětí přibližně 325-350V = usměrněná a zlehka vyfiltrovaná síť ...
_________________
Nasliněný prst na svorkovnici domovního rozvaděče: Jó, paninko, máte tam ty Voltíky všecky...
A kutilmile - nelituju tě Mr. Green Mr. Green !!!
Návrat nahoru
Zobrazit informace o autorovi Odeslat soukromou zprávu Odeslat e-mail
Mysteri



Založen: Mar 12, 2008
Příspěvky: 3172
Bydliště: Považie - Vorošilovo

PříspěvekZaslal: čt září 14 2023, 20:48    Předmět: Citovat

V novších zariadeniach používame na budenie výkonových tranzistorov a ich bezpečné rýchle zavretie najmä v invertorových stupňoch namiesto ,,0V" napätie .. -3V"
Návrat nahoru
Zobrazit informace o autorovi Odeslat soukromou zprávu
EKKAR



Založen: Mar 16, 2005
Příspěvky: 35252
Bydliště: Česká Třebová, JN89FW21

PříspěvekZaslal: čt září 14 2023, 21:39    Předmět: Citovat

A stejně vybití kapacity hradla proti kanálu u výkonovejch MOS-FETů stejně jako vymizení majoritních nosičů z oblasti přechodů u BJT určitou dobu trvá, takže bez mezery je budí jedině šílenec.
_________________
Nasliněný prst na svorkovnici domovního rozvaděče: Jó, paninko, máte tam ty Voltíky všecky...
A kutilmile - nelituju tě Mr. Green Mr. Green !!!
Návrat nahoru
Zobrazit informace o autorovi Odeslat soukromou zprávu Odeslat e-mail
100uf



Založen: Sep 10, 2023
Příspěvky: 16

PříspěvekZaslal: čt září 14 2023, 21:45    Předmět: Citovat

Jasný. Tyhlety integráče dělají mezeru (dead time) automaticky. Když je jenom jeden, tak se k němu může rovnou připojit trafo s dvojitým vinutím (samozřejmě přes 2 výkonové tranzistory), a měnič je děsně jednoduchý. No jenže já potřebuju obyčejné trafo s jedním primárem, takže potřebuju tranzistory 4. Tady ten autor nahradil ty časovací-ovládací předepsané odpory trimry, takže může štelovat frekvenci a střídu. Ten jedinej odpor R6 musí zajišťovat to posunutí těch mezer, jinak myslím, že by ty integráče o sobě nemohly vědět a každý by střídal jak by chtěl...
Návrat nahoru
Zobrazit informace o autorovi Odeslat soukromou zprávu
EKKAR



Založen: Mar 16, 2005
Příspěvky: 35252
Bydliště: Česká Třebová, JN89FW21

PříspěvekZaslal: čt září 14 2023, 21:51    Předmět: Citovat

A k čemu potřebuješ mít spínák s 50Hz kmitočtem se stejným vstupem i výstupem? Kvůli galvanickýmu oddělení by ti stačilo jednoduchý dvojcívkový trafo s převodem 1,00:1,05 na příslušnej výkon, navíc obdélníkovej průběh na výstupu vadí motorkům, některým až tak, že se na něj odmítají rozeběhnout. K čemu ti takovej voslostroj, sloužící leda tak k drbání se levou nohou za pravým uchem, bude?

A navíc - většina průmyslově vyráběnejch měničů "do auta" s pravoúhlým výstupem udávaným jako modifikovanej sinus 50Hz funguje tak, že nejdřív pomocí relativně vysokýho kmitočtu desítek kHz vyrobí střídačem oněch cca 320-350V, přetransformovanejch ze 12V pomocí malýho feritovýho tráfka, aby měnič byl lehkej a měl vysokou účinnost, nabije tím přes můstek z rychlejch diod jeden relativně velkej elektrolytickej hrnec - a z něj dělá výstupní trapéz už bez trafa, jen pomocí "H-mostu" ze 4 relativně vysokonapěťovejch tranzistorů. Takže ten svůj "měnič se vstupem i výstupem 230V" máš v podstatě v každým takovým měniči už hotovej!

_________________
Nasliněný prst na svorkovnici domovního rozvaděče: Jó, paninko, máte tam ty Voltíky všecky...
A kutilmile - nelituju tě Mr. Green Mr. Green !!!
Návrat nahoru
Zobrazit informace o autorovi Odeslat soukromou zprávu Odeslat e-mail
HF_Tech



Založen: Apr 25, 2022
Příspěvky: 2189

PříspěvekZaslal: pá září 15 2023, 7:48    Předmět: Citovat

Chtělo by to ještě napsat jaký výkon si představuješ. Na 240V už to na nepájivém poli nepostavíš.
Lepší řešení je použít budiče bez vestavěného oscilátoru a řídit je přímo procesorem, to si můžeš nastavit střídu jakou chceš.
Docela dobrý příklad takové konstrukce je regulátor SITON. Má také pár much, ale není to taková sračka jako výše uvedený bell.
Návrat nahoru
Zobrazit informace o autorovi Odeslat soukromou zprávu
voitano



Založen: Dec 02, 2009
Příspěvky: 517

PříspěvekZaslal: pá září 15 2023, 9:14    Předmět: Citovat

Něco takového? https://danyk.cz/menic230_6.html
Návrat nahoru
Zobrazit informace o autorovi Odeslat soukromou zprávu Odeslat e-mail
EKKAR



Založen: Mar 16, 2005
Příspěvky: 35252
Bydliště: Česká Třebová, JN89FW21

PříspěvekZaslal: pá září 15 2023, 15:17    Předmět: Citovat

Copak Danyk, to je prasák na kvadrát, ale chodí mu to, protože věnuje spoustu času pokusům a laborování. A ano, přesně tahle koncepce zdrojů 230V s modifikovanou sinusovkou na výstupu napájenejch z autobaterie je to co jsem popisoval = nejdřív střídač ze 12V na cca 320-330V DC, podle požadovanýho výkonu může bejt klidně i push-pull, ne jenom jednopulsní blokující oscilátor s výkonovým výstupem - a za ním na vyšším napětí H-můstek s příslušnýma driverama.
_________________
Nasliněný prst na svorkovnici domovního rozvaděče: Jó, paninko, máte tam ty Voltíky všecky...
A kutilmile - nelituju tě Mr. Green Mr. Green !!!
Návrat nahoru
Zobrazit informace o autorovi Odeslat soukromou zprávu Odeslat e-mail
kulikus



Založen: Dec 10, 2009
Příspěvky: 3203

PříspěvekZaslal: so září 16 2023, 7:41    Předmět: Citovat

Danyk svůj konstrukční styl postupně zlepšuje. Už to má na novém Cuprexu.
Hlavně ale publikuje jím odzkoušené zapojení. To se o řadě jinými publikovaných schemat nedá říct.

_________________
pro mládež a lektory - Hamíkův koutek


Naposledy upravil kulikus dne so prosinec 02 2023, 21:43, celkově upraveno 1 krát.
Návrat nahoru
Zobrazit informace o autorovi Odeslat soukromou zprávu Zobrazit autorovy WWW stránky
EKKAR



Založen: Mar 16, 2005
Příspěvky: 35252
Bydliště: Česká Třebová, JN89FW21

PříspěvekZaslal: so září 16 2023, 8:00    Předmět: Citovat

Jo, přesně to jsem měl na mysli, když jsem napsal tohle:
EKKAR napsal(a):
... ale chodí mu to, protože věnuje spoustu času pokusům a laborování. ...
On pracuje metodou pokus-omyl, klidně něco i několikrát vyčudí, dokud nedosáhne "chodivýho stavu" - a ten pak publikuje, i když teda pořád spíš spoléhá na koncepci "vrabčí hnízdo" než na pořádný DPS. Ale aspoň všude upozorňuje na nebezpečnost manipulace s věcma pod síťovým napětím a snaží se kreslit srozumitelný obrázky a schémata. V tom má velký plus.

Teď ale fakt nezbejvá nic jinýho, než počkat co vyleze z prvotního tazatele za moudro, k čemu jako ten měnič 220/230V potřebuje, protože bez detailů je takovej požadavek docela zbytečnej a bezdůvodnej...

_________________
Nasliněný prst na svorkovnici domovního rozvaděče: Jó, paninko, máte tam ty Voltíky všecky...
A kutilmile - nelituju tě Mr. Green Mr. Green !!!
Návrat nahoru
Zobrazit informace o autorovi Odeslat soukromou zprávu Odeslat e-mail
100uf



Založen: Sep 10, 2023
Příspěvky: 16

PříspěvekZaslal: ne září 17 2023, 13:50    Předmět: Citovat

Potřebuji nějak jednoduše střídat výkon 2000W. Potřebuji si k výstupu připojovat trafa jaké potřebuji, ty mi tady snadno navinou na jaké napětí potřebuji. Pak si to zas budu usměrňovat, vyhlazené to být nemusí to je úplně jedno. V podstatě potřebuji jednoduchý DC/DC měnič, jenom ještě nevím jaké napětí na výstupu. Zdroj však musí být stejnosměrných 220V. Ten od toho Danyka vypadá přijatelně, šlo by do toho jen tak namontovat výkonnější Mosfety na těch 2000W? A to blbé nepájivé pole teda neunese 220 V jo? Takže tu vysokonapěťovou část nějak nabastlit drátama?
Návrat nahoru
Zobrazit informace o autorovi Odeslat soukromou zprávu
ferdislav



Založen: Aug 15, 2011
Příspěvky: 1460
Bydliště: Mostecko

PříspěvekZaslal: ne září 17 2023, 14:47    Předmět: Citovat

Co přesně je "střídat vykon"?
moc to nejak nechapu, ale nestačí ti treba regulační autotrafo?
Návrat nahoru
Zobrazit informace o autorovi Odeslat soukromou zprávu
Valdano



Založen: Jan 01, 2023
Příspěvky: 2988
Bydliště: Česká Lípa

PříspěvekZaslal: ne září 17 2023, 15:00    Předmět: Citovat

100uf napsal(a):
Zdroj však musí být stejnosměrných 220V. vyhlazené to být nemusí to je úplně jedno... Potřebuji nějak jednoduše střídat výkon 2000W. V podstatě potřebuji jednoduchý DC/DC měnič, jenom ještě nevím jaké napětí na výstupu...

Začíná v tom být trochu zmatek a ty popisy od vás bohužel nevyznívají moc jasně. Možná bude lepší pokud to ještě více podrobněji popíšete jak to má být použito, jaké to má mít vlastnosti atd., protože z těch vašich dosavadních popisů asi nikdo tady není moc moudrý. Bez ujasnění pak můžeme jen hádat a nelze se divit tomu pokud se vyskytnou i z vašeho pohledu třeba nerelevantní návrhy řešení.

Zatím to vyznívá tak, že potřebujete DC/DC měnič s výstupným výkonem okolo 2000W. Zatím nevíte cílové výstupní napětí, ale víte, že by vstupní napětí DC/DC měniče mělo být 220V respektive 240V DC?

Jste si opravdu jist tím, že chcete DC/DC měnič a nebo jste se jen nesprávně vyjádřil a ve skutečnosti vám jde spíš o AC/DC měnič neboli v podstatě o regulovatelný zdroj stejnosměrného tj. DC napětí s výstupním výkonem okolo 2000W napájený z klasické zásuvky tj. z 240V AC?

Nebo vám jde o DC/DC měnič s výstupným výkonem okolo 2000W. Zatím víte, že bude mít vstupní napětí jen 12V DC, ale nevíte cílové výstupní napětí DC tj. potřebujete v podstatě regulovatelný zdroj stejnosměrného napětí (DC) o výkonu 2000W napájený třeba z 12V trakčního akumulátoru?

Pokud je přijatelné napájení ze zásuvky tak k získání DC napětí můžete použít jednoduchý diodový můstek ze 4 diod tj. klasický Graetzův můstek viz přiložený obrázek a máte zdroj 240V stejnosměrných tj. DC, samozřejmě nevyhlazeno, ale to Vám jak píšete nevadí. Případně si k tomu zapojíte paralelně k výstupu můstku kondenzátor na mírné vyhlazení. Wink

DC/DC měnič z těch 240V DC na DC třeba s nastavitelným výstupním napětím si umístíte až za ten Graetz, ale ten od Danyka k tomu v tomto případě asi moc vhodný nebude.

100uf napsal(a):
Ten od toho Danyka vypadá přijatelně, šlo by do toho jen tak namontovat výkonnější Mosfety na těch 2000W?

Obávám se, že až tak jednoduché to zas nebude. Pokud se domníváte, že je pro vás přijatelný ten měnič 12DC/230AC od Danyka pak je potřeba v případě požadovaného výkonu 2000W přihlédnout k tomu co tam Danyk píše viz citace tj. jen pouhá výměna tranzistorů za výkonnější asi stačit nebude. Pro takový výkon asi bude vhodnější zvolit spíš nějaké úplně jiné zapojení.

Danyk napsal(a):
Pro spínané měniče menších výkonů (do cca 150W) lze DC/DC měnič řešit jako blokující zdroj. Pro větší výkon by bylo nutné použít dvojčinný zdroj (případně propustný, ale komplikací je značně vysoké sekundární napětí). Zvyšovač se nehodí, protože zvyšovací poměr je příliš velký. Vzhledem k malému výkonu mého spínaného měniče jsem DC/DC měnič nakonec postavil jako blokující zdroj.



240ACna240DC.png
 Komentář:
 Velikost:  19.02 kB
 Zobrazeno:  99 krát

240ACna240DC.png


Návrat nahoru
Zobrazit informace o autorovi Odeslat soukromou zprávu
Zobrazit příspěvky z předchozích:   
Přidat nové téma   Zaslat odpověď       Obsah fóra Diskuzní fórum Elektro Bastlírny -> Řešení problémů s různými konstrukcemi Časy uváděny v GMT + 1 hodina
Jdi na stránku 1, 2, 3  Další
Strana 1 z 3

 
Přejdi na:  
Nemůžete odesílat nové téma do tohoto fóra.
Nemůžete odpovídat na témata v tomto fóru.
Nemůžete upravovat své příspěvky v tomto fóru.
Nemůžete mazat své příspěvky v tomto fóru.
Nemůžete hlasovat v tomto fóru.
Nemůžete připojovat soubory k příspěvkům
Můžete stahovat a prohlížet přiložené soubory

Powered by phpBB © 2001, 2005 phpBB Group
Forums ©
Nuke - Elektro Bastlirna

Informace na portálu Elektro bastlírny jsou prezentovány za účelem vzdělání čtenářů a rozšíření zájmu o elektroniku. Autoři článků na serveru neberou žádnou zodpovědnost za škody vzniklé těmito zapojeními. Rovněž neberou žádnou odpovědnost za případnou újmu na zdraví vzniklou úrazem elektrickým proudem. Autoři a správci těchto stránek nepřejímají záruku za správnost zveřejněných materiálů. Předkládané informace a zapojení jsou zveřejněny bez ohledu na případné patenty třetích osob. Nároky na odškodnění na základě změn, chyb nebo vynechání jsou zásadně vyloučeny. Všechny registrované nebo jiné obchodní známky zde použité jsou majetkem jejich vlastníků. Uvedením nejsou zpochybněna z toho vyplývající vlastnická práva. Použití konstrukcí v rozporu se zákonem je přísně zakázáno. Vzhledem k tomu, že původ předkládaných materiálů nelze žádným způsobem dohledat, nelze je použít pro komerční účely! Tento nekomerční server nemá z uvedených zapojení či konstrukcí žádný zisk. Nezodpovídáme za pravost předkládaných materiálů třetími osobami a jejich původ. V případě, že zjistíte porušení autorského práva či jiné nesrovnalosti, kontaktujte administrátory na diskuzním fóru EB.


PHP-Nuke Copyright © 2005 by Francisco Burzi. This is free software, and you may redistribute it under the GPL. PHP-Nuke comes with absolutely no warranty, for details, see the license.
Čas potřebný ke zpracování stránky 0.31 sekund