Vítejte na Elektro Bastlírn?
Nuke - Elektro Bastlirna
  Vytvořit účet Hlavní · Fórum · DDump · Profil · Zprávy · Hledat na fóru · Příspěvky na provoz EB

Vlákno na téma KORONAVIRUS - nutná registrace


Nuke - Elektro Bastlirna: Diskuzní fórum

 FAQFAQ   HledatHledat   Uživatelské skupinyUživatelské skupiny   ProfilProfil   Soukromé zprávySoukromé zprávy   PřihlášeníPřihlášení 

Dostupnost Nuláku 3f Y motoru
Jdi na stránku 1, 2, 3  Další
 
Přidat nové téma   Zaslat odpověď       Obsah fóra Diskuzní fórum Elektro Bastlírny -> Silnoproudá technika
Zobrazit předchozí téma :: Zobrazit následující téma  
Autor Zpráva
kulikus



Založen: Dec 10, 2009
Příspěvky: 3085

PříspěvekZaslal: čt únor 09 2023, 20:17    Předmět: Dostupnost Nuláku 3f Y motoru Citovat

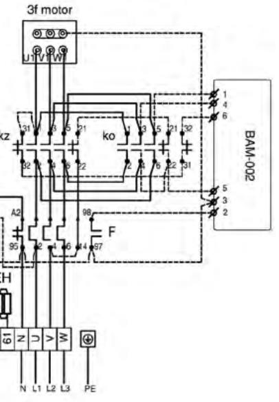
3f motor 3,5 kW má 9 šroubů na svorkovnici. Zapojen je do Y na vysoké napětí (400V).
Má přístupný střed hvězdy pro připojení nuláku N nebo se N nepřipojí?

_________________
pro mládež - Hamíkův koutek
Návrat nahoru
Zobrazit informace o autorovi Odeslat soukromou zprávu Zobrazit autorovy WWW stránky
jezevec
Hlavní moderátor


Založen: Jun 13, 2004
Příspěvky: 6092
Bydliště: Břeclavsko

PříspěvekZaslal: čt únor 09 2023, 20:37    Předmět: Citovat

N se nepřipojuje.
Návrat nahoru
Zobrazit informace o autorovi Odeslat soukromou zprávu Zobrazit autorovy WWW stránky
vicious



Založen: Aug 10, 2007
Příspěvky: 722
Bydliště: 3 km od Humenného

PříspěvekZaslal: čt únor 09 2023, 20:49    Předmět: Citovat

9 vývodov zvyknú mať motory s 2 rýchlosťami (napr. dvojitá hviezda, trojuholník). Na štítku máš len 1 údaj s otáčkami?
Inak áno, N sa nepripája (prakticky by cez neho tiekol len nejaký malý prúd rádovo desiatky až pár stoviek mA)
Návrat nahoru
Zobrazit informace o autorovi Odeslat soukromou zprávu
Milan_F



Založen: Oct 03, 2005
Příspěvky: 1765
Bydliště: nedaleko Humpolce

PříspěvekZaslal: čt únor 09 2023, 21:03    Předmět: Citovat

kulikus napsal(a):
Zapojen je do Y na vysoké napětí (400V).

400V není vysoké napětí, ale nízké. Případně sdružené.
Návrat nahoru
Zobrazit informace o autorovi Odeslat soukromou zprávu
Yarda1



Založen: Feb 11, 2009
Příspěvky: 2777

PříspěvekZaslal: čt únor 09 2023, 21:45    Předmět: Citovat

jezevec napsal(a):
N se nepřipojuje.


Za určitých okolností se připojuje. Třeba když je potřeba aby se při vypnutí motor zastavil a setrvačností nedobíhal, může se k němu připojit elektronická brzda.
Pokud vím, některé elektromotory nemají vyvedený střed. Setkal jsem se s tím u elektromotorů do výbušného prostředí nebo u třífázových elektromotorků z ATAS Náchod.



motor.JPG
 Komentář:
 Velikost:  31.48 kB
 Zobrazeno:  99 krát

motor.JPG



_________________
Ve strojovně je voda a na palubě se tančí.
Návrat nahoru
Zobrazit informace o autorovi Odeslat soukromou zprávu
kulikus



Založen: Dec 10, 2009
Příspěvky: 3085

PříspěvekZaslal: pá únor 10 2023, 22:00    Předmět: Citovat

Ok. Tak ten 3f motor jede, ale občas při rozběhu vybaví jistič LTN B20.
Motor má na štítku 7A 400V. Chystám se proto dát tam pomalejší jistič 16C. Bude to držet, nebo můžu 10C?

Motor má na opačném konci hřídele vlasní ventilátor pod plechovým krytem. Za provozu kryt značně chvěje ač je zbytek stroje celkem v klidu.
Je (v Praze) firma, která by ventilátor/motor vyvážila?
Motor jede v režimu 10sek běh /1min klid nebo i více klidu, takže se neohřeje.
Možná by stačilo sundat vrtuli toho ventilátoru. Je na to třeba stahovací přípravek nebo to jde s běžným nářadím?

_________________
pro mládež - Hamíkův koutek


Naposledy upravil kulikus dne so únor 11 2023, 15:15, celkově upraveno 1 krát.
Návrat nahoru
Zobrazit informace o autorovi Odeslat soukromou zprávu Zobrazit autorovy WWW stránky
kutilmil
Pod dozorem moderátorů


Založen: Nov 01, 2008
Příspěvky: 4297
Bydliště: Skalica

PříspěvekZaslal: so únor 11 2023, 1:07    Předmět: Citovat

To je čo za režim 10s beh a 1 minnuta klud? Každý motor má povolený počet štartov za hodimu. Neprekračuješ to náhodou? Ak nie tak minimálne istič bude v takomto režime značne preťažený....
Návrat nahoru
Zobrazit informace o autorovi Odeslat soukromou zprávu
workhard



Založen: Jul 07, 2006
Příspěvky: 5471
Bydliště: Plzeň

PříspěvekZaslal: so únor 11 2023, 8:03    Předmět: Citovat

V práci máme motory, co startujou za hodinu třeba 1000x a žádná katastrofa se nekoná čéče.
_________________
Věci,které fungují,se ZÁSADNĚ neopravují...
Návrat nahoru
Zobrazit informace o autorovi Odeslat soukromou zprávu
kutilmil
Pod dozorem moderátorů


Založen: Nov 01, 2008
Příspěvky: 4297
Bydliště: Skalica

PříspěvekZaslal: so únor 11 2023, 11:08    Předmět: Citovat

Musí byť na to ten motor určený. To ale musí byť nejaký malý motorček alebo čo, keď dokáže zastaviť a znovu sa rozbehnúť za 3,6 sekundy. Ja sa bavím o klasickom motory pre bežné použitie.
Návrat nahoru
Zobrazit informace o autorovi Odeslat soukromou zprávu
kutilmil
Pod dozorem moderátorů


Založen: Nov 01, 2008
Příspěvky: 4297
Bydliště: Skalica

PříspěvekZaslal: so únor 11 2023, 11:32    Předmět: Citovat

Posielam povolený počet spínaní pre štandardné motory.


spínanie motora.jpg
 Komentář:
 Velikost:  39.21 kB
 Zobrazeno:  94 krát

spínanie motora.jpg


Návrat nahoru
Zobrazit informace o autorovi Odeslat soukromou zprávu
HF_Tech



Založen: Apr 25, 2022
Příspěvky: 1844

PříspěvekZaslal: so únor 11 2023, 12:30    Předmět: Citovat

Na tohle by tam měla být osazená motorová spoušt jako je SIEMENS
3RV2021-1JA10, ale podle zatížení motoru by tam spíš měla být Class 20. To je potřeba přeměřit.

Ta vrtule pokud nemá uraženou lopatku tak chvění způsobovat nebude. Spíš u krytu někde chybí šroub nebo je stržený závit. Sundal bych kryt a zkontroloval to. Třeba bude stačit podložit to kusem těsnění na okna nebo kryt přinýtovat nýtovacími kleštěmi.
Návrat nahoru
Zobrazit informace o autorovi Odeslat soukromou zprávu
Kremik



Založen: Mar 30, 2012
Příspěvky: 3648
Bydliště: Havířov

PříspěvekZaslal: so únor 11 2023, 12:39    Předmět: Citovat

Někdy v devadesátkách jsem obsluhoval linku, která startovala v šest ráno, končila ve 22 večer a za jejího běhu se každých 6,něco sekundy roztočily a zastavily minimálně dva velké motory. Vedle stál třískříňový rozvaděč plný stykačů, který když se otevřel, tak to znělo jako hlasitý déšť.
Návrat nahoru
Zobrazit informace o autorovi Odeslat soukromou zprávu Odeslat e-mail
kulikus



Založen: Dec 10, 2009
Příspěvky: 3085

PříspěvekZaslal: so únor 11 2023, 13:09    Předmět: Citovat

kutilmil napsal(a):
Posielam povolený počet spínaní pre štandardné motory.

Tabulka se hodí, ale nevím co znamená sloupek "rozměry".
Motor AMH 112M BA2.
2930 ot/min, Duty type S1, IE2 88,3%, startovací proud 10,8 A; typ chlazeni IC411 (ten ventilator)

Režim chodu je tedy do 60 spuštění za hodinu, ale bude to tak 30 a jen občas.
Ten jistič 20C a doporučená motorová spoušť tedy vyhovují? Nebo mohu vypustit jistič a zařadit jen spoušť motoru?

_________________
pro mládež - Hamíkův koutek
Návrat nahoru
Zobrazit informace o autorovi Odeslat soukromou zprávu Zobrazit autorovy WWW stránky
kbulda



Založen: Oct 23, 2007
Příspěvky: 1600
Bydliště: u Mělníku

PříspěvekZaslal: so únor 11 2023, 18:05    Předmět: Citovat

2930 ot /min je dvoupólový motor. Proto dle tabulky výše jen 30 startů / hod.
Návrat nahoru
Zobrazit informace o autorovi Odeslat soukromou zprávu
HF_Tech



Založen: Apr 25, 2022
Příspěvky: 1844

PříspěvekZaslal: so únor 11 2023, 19:35    Předmět: Citovat

Před tu motorovou spoušť nemusíš dávat extra jistič. Tam stačí společný hlavní jistič v rozvaděči nebo na přívodu v baráku.
Než tam něco budeš dávat, tak je potřeba klešťovým ampérmetrem změřit proud při rozběhu a spočítat jestli bude potřeba spoušť Class 10, 20 nebo 30.
Ta class 10 je pro občasné rozběhy a pro tvůj případ nemusí stačit. Class 30 zase nemusí padat, ale zase nemusí ochránit motor před spálením.
Protože s každým spuštěním motoru se spouštěč ohřeje a mohlo by to padat až po určitém počtu spuštění nebo v létě až bude tepleji.
Návrat nahoru
Zobrazit informace o autorovi Odeslat soukromou zprávu
Zobrazit příspěvky z předchozích:   
Přidat nové téma   Zaslat odpověď       Obsah fóra Diskuzní fórum Elektro Bastlírny -> Silnoproudá technika Časy uváděny v GMT + 1 hodina
Jdi na stránku 1, 2, 3  Další
Strana 1 z 3

 
Přejdi na:  
Nemůžete odesílat nové téma do tohoto fóra.
Nemůžete odpovídat na témata v tomto fóru.
Nemůžete upravovat své příspěvky v tomto fóru.
Nemůžete mazat své příspěvky v tomto fóru.
Nemůžete hlasovat v tomto fóru.
Nemůžete připojovat soubory k příspěvkům
Můžete stahovat a prohlížet přiložené soubory

Powered by phpBB © 2001, 2005 phpBB Group
Forums ©
Nuke - Elektro Bastlirna

Informace na portálu Elektro bastlírny jsou prezentovány za účelem vzdělání čtenářů a rozšíření zájmu o elektroniku. Autoři článků na serveru neberou žádnou zodpovědnost za škody vzniklé těmito zapojeními. Rovněž neberou žádnou odpovědnost za případnou újmu na zdraví vzniklou úrazem elektrickým proudem. Autoři a správci těchto stránek nepřejímají záruku za správnost zveřejněných materiálů. Předkládané informace a zapojení jsou zveřejněny bez ohledu na případné patenty třetích osob. Nároky na odškodnění na základě změn, chyb nebo vynechání jsou zásadně vyloučeny. Všechny registrované nebo jiné obchodní známky zde použité jsou majetkem jejich vlastníků. Uvedením nejsou zpochybněna z toho vyplývající vlastnická práva. Použití konstrukcí v rozporu se zákonem je přísně zakázáno. Vzhledem k tomu, že původ předkládaných materiálů nelze žádným způsobem dohledat, nelze je použít pro komerční účely! Tento nekomerční server nemá z uvedených zapojení či konstrukcí žádný zisk. Nezodpovídáme za pravost předkládaných materiálů třetími osobami a jejich původ. V případě, že zjistíte porušení autorského práva či jiné nesrovnalosti, kontaktujte administrátory na diskuzním fóru EB.


PHP-Nuke Copyright © 2005 by Francisco Burzi. This is free software, and you may redistribute it under the GPL. PHP-Nuke comes with absolutely no warranty, for details, see the license.
Čas potřebný ke zpracování stránky 0.17 sekund