Vítejte na Elektro Bastlírn?
Nuke - Elektro Bastlirna
  Vytvořit účet Hlavní · Fórum · DDump · Profil · Zprávy · Hledat na fóru · Příspěvky na provoz EB

Vlákno na téma KORONAVIRUS - nutná registrace


Nuke - Elektro Bastlirna: Diskuzní fórum

 FAQFAQ   HledatHledat   Uživatelské skupinyUživatelské skupiny   ProfilProfil   Soukromé zprávySoukromé zprávy   PřihlášeníPřihlášení 

Princip funkce přepínače Marantz Superscope

 
Přidat nové téma   Zaslat odpověď       Obsah fóra Diskuzní fórum Elektro Bastlírny -> Audiotechnika
Zobrazit předchozí téma :: Zobrazit následující téma  
Autor Zpráva
beny66ka



Založen: Sep 12, 2015
Příspěvky: 389
Bydliště: Ostrava

PříspěvekZaslal: ne leden 22 2023, 13:15    Předmět: Princip funkce přepínače Marantz Superscope Citovat

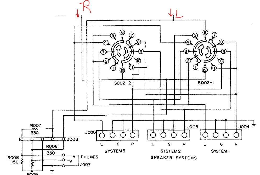
Je tady někdo kdo chápe princip jak přepínaji tyto přepínače? Je to z Marantz Superscope R-1302 a přepínají se tím výstupy zesilovače. Přívod je na pozici 6 a 12 a výchozí stav "by mělo být" vše vypnuto. Není mi jasno kdy se co sepne.
Druhý obrázek stav přepínače na ovládácím panelu a první schematická značka v plánku. Děkuji moc!



Přepínače.JPG
 Komentář:
 Velikost:  91.15 kB
 Zobrazeno:  155 krát

Přepínače.JPG



Knoflik.JPG
 Komentář:
 Velikost:  24.44 kB
 Zobrazeno:  84 krát

Knoflik.JPG


Návrat nahoru
Zobrazit informace o autorovi Odeslat soukromou zprávu Odeslat e-mail
BOBOBO
Doporučuje se dohled moderátorů


Založen: Feb 25, 2008
Příspěvky: 20618
Bydliště: Rychnovsko

PříspěvekZaslal: ne leden 22 2023, 14:06    Předmět: Citovat

Co ti není jasné , 6a12 napájí velká mezikruží , vnitřní mezikruží spíná systemy 1a2 . Natoč si to tak , že bude 2-3 8-9 sepnuto , odpovídá značce 1+2S .
Návrat nahoru
Zobrazit informace o autorovi Odeslat soukromou zprávu
beny66ka



Založen: Sep 12, 2015
Příspěvky: 389
Bydliště: Ostrava

PříspěvekZaslal: ne leden 22 2023, 14:24    Předmět: Citovat

Jak prosté milý Watsone! Děkuji moc. Potřeboval jsem prošťouchnout hlavu.
Návrat nahoru
Zobrazit informace o autorovi Odeslat soukromou zprávu Odeslat e-mail
Zobrazit příspěvky z předchozích:   
Přidat nové téma   Zaslat odpověď       Obsah fóra Diskuzní fórum Elektro Bastlírny -> Audiotechnika Časy uváděny v GMT + 1 hodina
Strana 1 z 1

 
Přejdi na:  
Nemůžete odesílat nové téma do tohoto fóra.
Nemůžete odpovídat na témata v tomto fóru.
Nemůžete upravovat své příspěvky v tomto fóru.
Nemůžete mazat své příspěvky v tomto fóru.
Nemůžete hlasovat v tomto fóru.
Nemůžete připojovat soubory k příspěvkům
Můžete stahovat a prohlížet přiložené soubory

Powered by phpBB © 2001, 2005 phpBB Group
Forums ©
Nuke - Elektro Bastlirna

Informace na portálu Elektro bastlírny jsou prezentovány za účelem vzdělání čtenářů a rozšíření zájmu o elektroniku. Autoři článků na serveru neberou žádnou zodpovědnost za škody vzniklé těmito zapojeními. Rovněž neberou žádnou odpovědnost za případnou újmu na zdraví vzniklou úrazem elektrickým proudem. Autoři a správci těchto stránek nepřejímají záruku za správnost zveřejněných materiálů. Předkládané informace a zapojení jsou zveřejněny bez ohledu na případné patenty třetích osob. Nároky na odškodnění na základě změn, chyb nebo vynechání jsou zásadně vyloučeny. Všechny registrované nebo jiné obchodní známky zde použité jsou majetkem jejich vlastníků. Uvedením nejsou zpochybněna z toho vyplývající vlastnická práva. Použití konstrukcí v rozporu se zákonem je přísně zakázáno. Vzhledem k tomu, že původ předkládaných materiálů nelze žádným způsobem dohledat, nelze je použít pro komerční účely! Tento nekomerční server nemá z uvedených zapojení či konstrukcí žádný zisk. Nezodpovídáme za pravost předkládaných materiálů třetími osobami a jejich původ. V případě, že zjistíte porušení autorského práva či jiné nesrovnalosti, kontaktujte administrátory na diskuzním fóru EB.


PHP-Nuke Copyright © 2005 by Francisco Burzi. This is free software, and you may redistribute it under the GPL. PHP-Nuke comes with absolutely no warranty, for details, see the license.
Čas potřebný ke zpracování stránky 0.13 sekund