Vítejte na Elektro Bastlírn?
Nuke - Elektro Bastlirna
  Vytvořit účet Hlavní · Fórum · DDump · Profil · Zprávy · Hledat na fóru · Příspěvky na provoz EB

Vlákno na téma KORONAVIRUS - nutná registrace


Nuke - Elektro Bastlirna: Diskuzní fórum

 FAQFAQ   HledatHledat   Uživatelské skupinyUživatelské skupiny   ProfilProfil   Soukromé zprávySoukromé zprávy   PřihlášeníPřihlášení 

S: TV Lotos, srážecí odpor zdroje

 
Přidat nové téma   Zaslat odpověď       Obsah fóra Diskuzní fórum Elektro Bastlírny -> Sháňka po přístrojích, součástkách nebo náhradních dílech
Zobrazit předchozí téma :: Zobrazit následující téma  
Autor Zpráva
Jarda-k



Založen: Feb 16, 2011
Příspěvky: 171
Bydliště: Kaznějov

PříspěvekZaslal: st červenec 13 2022, 8:47    Předmět: S: TV Lotos, srážecí odpor zdroje Citovat

Ahoj,
sháním srážecí odpor zdroje do Lotosa. Vím, že byly dost poruchový, ale v Lotosu co teď dělám jsou KO všechny sekce kromě té 15 ohmové. Je mi jasný, že šance, že ho bude někdo mít doma je malá, ale jak se říká - líná huba, holý neštěstí... Smile.

Návrat nahoru
Zobrazit informace o autorovi Odeslat soukromou zprávu
ferdislav



Založen: Aug 15, 2011
Příspěvky: 1288
Bydliště: Mostecko

PříspěvekZaslal: st červenec 13 2022, 11:20    Předmět: Citovat

jeden kousek mám, podle ohmetru je v pořádku, tak kdyžtak napiš sz
Návrat nahoru
Zobrazit informace o autorovi Odeslat soukromou zprávu
Jarda-k



Založen: Feb 16, 2011
Příspěvky: 171
Bydliště: Kaznějov

PříspěvekZaslal: st červenec 13 2022, 13:17    Předmět: Citovat

Díky za nabídku, více v SZ.
Návrat nahoru
Zobrazit informace o autorovi Odeslat soukromou zprávu
ZdenekHQ
Administrátor


Založen: Jul 21, 2006
Příspěvky: 25741
Bydliště: skoro Brno

PříspěvekZaslal: čt červenec 14 2022, 13:52    Předmět: Citovat

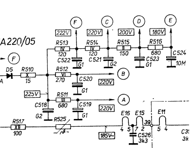
Mimochodem, matně si to pamatuju, že jsem to jako kluk kuchal z TV - to je všechno v serii, nebo je to nějak dělený?
_________________
Pro moje oslovení klidně použijte jméno Zdeněk
Správně navržené zapojení je jako recept na dobré jídlo.
Můžete vynechat půlku ingrediencí, nebo přidat jiné,
ale jste si jistí, že vám to bude chutnat[?
]
Návrat nahoru
Zobrazit informace o autorovi Odeslat soukromou zprávu Zobrazit autorovy WWW stránky
xsc



Založen: Sep 25, 2014
Příspěvky: 8422

PříspěvekZaslal: čt červenec 14 2022, 14:01    Předmět: Citovat

Je to dělený. Ta nepopsaná část přibližně uprostřed je jen čistá keramika. Navíc ta levá větev se nepoužívá jako jedna série, ale napájí se do vnitřní odbočky, takže tak vzniknou dvě větve.
Návrat nahoru
Zobrazit informace o autorovi Odeslat soukromou zprávu
ZVUK2000



Založen: Apr 22, 2012
Příspěvky: 4413
Bydliště: Karvinsko

PříspěvekZaslal: čt červenec 14 2022, 14:10    Předmět: Citovat

Jsou tam běžné hodnoty. Tak v nouzi by to šlo poskládat se samostatných odporů. Teda pokud nechceš zachovat originál osazení.
Návrat nahoru
Zobrazit informace o autorovi Odeslat soukromou zprávu Odeslat e-mail
mihal



Založen: Apr 06, 2005
Příspěvky: 1850
Bydliště: Zilina

PříspěvekZaslal: čt červenec 14 2022, 14:11    Předmět: Citovat

Mám to i v Kamélii.


Odpor_Lotos_Kamelia.png
 Komentář:
 Velikost:  43.05 kB
 Zobrazeno:  108 krát

Odpor_Lotos_Kamelia.png


Návrat nahoru
Zobrazit informace o autorovi Odeslat soukromou zprávu
xsc



Založen: Sep 25, 2014
Příspěvky: 8422

PříspěvekZaslal: čt červenec 14 2022, 14:12    Předmět: Citovat

Samozřejmě, že to jde. Běžně se spíš přemostila normálním odporem přerušená část a zbytek se používal dál. Tak to mám třeba v Kamélii.
Návrat nahoru
Zobrazit informace o autorovi Odeslat soukromou zprávu
ZVUK2000



Založen: Apr 22, 2012
Příspěvky: 4413
Bydliště: Karvinsko

PříspěvekZaslal: čt červenec 14 2022, 14:28    Předmět: Citovat

To římské číslování jsou watty?
Návrat nahoru
Zobrazit informace o autorovi Odeslat soukromou zprávu Odeslat e-mail
xsc



Založen: Sep 25, 2014
Příspěvky: 8422

PříspěvekZaslal: čt červenec 14 2022, 14:40    Předmět: Citovat

Jo.
Návrat nahoru
Zobrazit informace o autorovi Odeslat soukromou zprávu
Jarda-k



Založen: Feb 16, 2011
Příspěvky: 171
Bydliště: Kaznějov

PříspěvekZaslal: čt červenec 14 2022, 17:29    Předmět: Citovat

Taky už jsem to nahrazoval jednotlivými odpory. Když je přerušen jeden dva díly, dá přerušena část nahradit samostatnými odpory připájením přímo na tento kombinovaný odpor. Pokud je ale KO celý odpor, tak je nutno použít pájecí listu a na ní odpory umístit. Taky už jsem to dělal. Je to sice funkční, ale je to takový neuspořádaný. A ta wataz úplně neodpovídá, zejmena ta 270 ohmova sekce co napájí řádkový rozklad. Tam musí být odpor pro zatížení alespoň 10 W.
Návrat nahoru
Zobrazit informace o autorovi Odeslat soukromou zprávu
Charos



Založen: Oct 16, 2009
Příspěvky: 830
Bydliště: u Chrudimě

PříspěvekZaslal: ne březen 30 2025, 23:16    Předmět: Citovat

Mám tu jeden použitý k dispozici, přerušená jen sekce 270ohm, ostatní jsou OK, jen lehce orezlé spony.
Pošlu Zásilkovnou nebo Balíkovnou.
Návrat nahoru
Zobrazit informace o autorovi Odeslat soukromou zprávu
Zobrazit příspěvky z předchozích:   
Přidat nové téma   Zaslat odpověď       Obsah fóra Diskuzní fórum Elektro Bastlírny -> Sháňka po přístrojích, součástkách nebo náhradních dílech Časy uváděny v GMT + 1 hodina
Strana 1 z 1

 
Přejdi na:  
Nemůžete odesílat nové téma do tohoto fóra.
Nemůžete odpovídat na témata v tomto fóru.
Nemůžete upravovat své příspěvky v tomto fóru.
Nemůžete mazat své příspěvky v tomto fóru.
Nemůžete hlasovat v tomto fóru.
Nemůžete připojovat soubory k příspěvkům
Můžete stahovat a prohlížet přiložené soubory

Powered by phpBB © 2001, 2005 phpBB Group
Forums ©
Nuke - Elektro Bastlirna

Informace na portálu Elektro bastlírny jsou prezentovány za účelem vzdělání čtenářů a rozšíření zájmu o elektroniku. Autoři článků na serveru neberou žádnou zodpovědnost za škody vzniklé těmito zapojeními. Rovněž neberou žádnou odpovědnost za případnou újmu na zdraví vzniklou úrazem elektrickým proudem. Autoři a správci těchto stránek nepřejímají záruku za správnost zveřejněných materiálů. Předkládané informace a zapojení jsou zveřejněny bez ohledu na případné patenty třetích osob. Nároky na odškodnění na základě změn, chyb nebo vynechání jsou zásadně vyloučeny. Všechny registrované nebo jiné obchodní známky zde použité jsou majetkem jejich vlastníků. Uvedením nejsou zpochybněna z toho vyplývající vlastnická práva. Použití konstrukcí v rozporu se zákonem je přísně zakázáno. Vzhledem k tomu, že původ předkládaných materiálů nelze žádným způsobem dohledat, nelze je použít pro komerční účely! Tento nekomerční server nemá z uvedených zapojení či konstrukcí žádný zisk. Nezodpovídáme za pravost předkládaných materiálů třetími osobami a jejich původ. V případě, že zjistíte porušení autorského práva či jiné nesrovnalosti, kontaktujte administrátory na diskuzním fóru EB.


PHP-Nuke Copyright © 2005 by Francisco Burzi. This is free software, and you may redistribute it under the GPL. PHP-Nuke comes with absolutely no warranty, for details, see the license.
Čas potřebný ke zpracování stránky 0.14 sekund