Vítejte na Elektro Bastlírn?
Nuke - Elektro Bastlirna
  Vytvořit účet Hlavní · Fórum · DDump · Profil · Zprávy · Hledat na fóru · Příspěvky na provoz EB

Vlákno na téma KORONAVIRUS - nutná registrace


Nuke - Elektro Bastlirna: Diskuzní fórum

 FAQFAQ   HledatHledat   Uživatelské skupinyUživatelské skupiny   ProfilProfil   Soukromé zprávySoukromé zprávy   PřihlášeníPřihlášení 

AZG 984 - hledám schema

 
Přidat nové téma   Zaslat odpověď       Obsah fóra Diskuzní fórum Elektro Bastlírny -> Audiotechnika
Zobrazit předchozí téma :: Zobrazit následující téma  
Autor Zpráva
jardafiala



Založen: Jun 20, 2010
Příspěvky: 2464
Bydliště: Česká Lípa

PříspěvekZaslal: so květen 28 2022, 11:09    Předmět: AZG 984 - hledám schema Citovat

Zdravím, nemůžu nějak najít schema, google se jen opatrně zmiňuje, že něco takového existuje a že tam jsou 3 tranzistory na kanál. Máte někdo? dík J.F.
Návrat nahoru
Zobrazit informace o autorovi Odeslat soukromou zprávu Odeslat e-mail
konosuke



Založen: Dec 18, 2006
Příspěvky: 9790
Bydliště: Český Těšín tam v pohraničí

PříspěvekZaslal: so květen 28 2022, 13:43    Předmět: Citovat

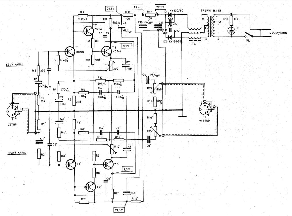
čoeče, nikdy neviděl...983 to ano, 3+3 KC149 s trimrama na úpravu výst.
napětí 100-700 mV, mnohokrát opajcováno doma "na koleně"

_________________
Co se může pokazit to se taky pokazí. Co se nemůže pokazit to se pokazí taky. (Murphy)
Návrat nahoru
Zobrazit informace o autorovi Odeslat soukromou zprávu
ok1hga



Založen: Nov 28, 2006
Příspěvky: 12594
Bydliště: Česká Třebová

PříspěvekZaslal: so květen 28 2022, 17:13    Předmět: Citovat

AZG982 je v Kottkovi IV nebo na radiožurnálu

a AZG983 je tam taky

ale další verze AZGéček jsem nikde nenašel . . .



AZG982.jpg
 Komentář:
 Velikost:  243.32 kB
 Zobrazeno:  220 krát

AZG982.jpg



AZG983.jpg
 Komentář:
 Velikost:  105.82 kB
 Zobrazeno:  222 krát

AZG983.jpg


Návrat nahoru
Zobrazit informace o autorovi Odeslat soukromou zprávu
jardafiala



Založen: Jun 20, 2010
Příspěvky: 2464
Bydliště: Česká Lípa

PříspěvekZaslal: so květen 28 2022, 21:27    Předmět: Citovat

Zdar, obě tato schemata mám, AZG 984 bude nejspíš chiméra....
Návrat nahoru
Zobrazit informace o autorovi Odeslat soukromou zprávu Odeslat e-mail
EKKAR



Založen: Mar 16, 2005
Příspěvky: 34985
Bydliště: Česká Třebová, JN89FW21

PříspěvekZaslal: ne květen 29 2022, 0:48    Předmět: Citovat

Nemusí to bejt chiméra, může to bejt známka toho, že NĚKDO na konci osmdesátek plánoval dopředu a pravděpodobně se už i někdo staral, aby se začalo vyvíjet - tak ten začátek "potvrdil" vytvořením označení, aby bylo jasný, že snaha má nějakej konkrétní cíl a záměr. Že se to nedostalo do žádný vyrobitelný nebo i jen publikovatelný fáze prostě může bejt jen následek oněch událostí, který na konci osmdesátek proběhly - nakonec Dudkovy a Sýkorovy Actidampy taky na veřejnost "vyjely" až v únoru a březnu roku 1990 vydáním v Amáru.

EDIT:
Podle tohoto: https://docplayer.cz/105376633-Seznam-servisnich-manualu-tesla-vrable.html byl AZG 984 inovovanej předzesilovač AZG 983, umístěnej v samostatný skříňce. Designovaný to tam je pro Teslu Litovel. Další podrobnosti se rozebírají tady: http://www.repromania.net/forum/viewtopic.php?f=34&t=4898

_________________
Nasliněný prst na svorkovnici domovního rozvaděče: Jó, paninko, máte tam ty Voltíky všecky...
A kutilmile - nelituju tě Mr. Green Mr. Green !!!
Návrat nahoru
Zobrazit informace o autorovi Odeslat soukromou zprávu Odeslat e-mail
jardafiala



Založen: Jun 20, 2010
Příspěvky: 2464
Bydliště: Česká Lípa

PříspěvekZaslal: ne květen 29 2022, 8:07    Předmět: Citovat

Zdar, dík, tyto stránky jsem taky našel než jsem se zeptal, tvoje vysvětlení je VELMI pravděpodobné.
Návrat nahoru
Zobrazit informace o autorovi Odeslat soukromou zprávu Odeslat e-mail
sinclair



Založen: Feb 02, 2005
Příspěvky: 9923
Bydliště: Luhačovice

PříspěvekZaslal: so červen 04 2022, 5:32    Předmět: Citovat

Ten seznam z prvního linku je můj, ale stará verze.
Někde schéma AZG984 mám, kolem poledne to sem hodím, byl jsem na noční a mám dost
Návrat nahoru
Zobrazit informace o autorovi Odeslat soukromou zprávu Odeslat e-mail
lubos1961



Založen: Jul 20, 2010
Příspěvky: 453
Bydliště: Nový Jičín

PříspěvekZaslal: út červen 28 2022, 21:27    Předmět: Citovat

sinclair napsal(a):

Někde schéma AZG984 mám


Tak už i já začínám věřit v chiméru. Není přeci možné že jej za celé desetiletí co se vždy o něm psalo (a na různých fórech) viděl vždy jen sinclair a od něj, i kdyby existoval, stejně schéma nikdy nikdo neuvidí.
Návrat nahoru
Zobrazit informace o autorovi Odeslat soukromou zprávu
Celeron



Založen: Apr 02, 2011
Příspěvky: 20219
Bydliště: Nový Bydžov

PříspěvekZaslal: út červen 28 2022, 23:02    Předmět: Citovat

EKKAR napsal(a):

Podle tohoto: https://docplayer.cz/105376633-Seznam-servisnich-manualu-tesla-vrable.html byl

Karle, zkoušel jsi na těch emailech na konci někdy, něco objednat?

_________________
Jirka

Proč mi nemůže všechno chodit hned ?!!
Návrat nahoru
Zobrazit informace o autorovi Odeslat soukromou zprávu
VASEK_W



Založen: Dec 11, 2017
Příspěvky: 970
Bydliště: Pelhřimov

PříspěvekZaslal: st červen 29 2022, 0:19    Předmět: Citovat

První dvě adresy jsou zřejmě sinclairovi (Leošovi), ta druhá na 100%. Tu třetí nevím, kam vede. Tak si to přeberte.

Vašek
Návrat nahoru
Zobrazit informace o autorovi Odeslat soukromou zprávu
EKKAR



Založen: Mar 16, 2005
Příspěvky: 34985
Bydliště: Česká Třebová, JN89FW21

PříspěvekZaslal: st červen 29 2022, 3:50    Předmět: Citovat

Celeron napsal(a):
EKKAR napsal(a):

Podle tohoto: https://docplayer.cz/105376633-Seznam-servisnich-manualu-tesla-vrable.html byl

Karle, zkoušel jsi na těch emailech na konci někdy, něco objednat?
Ne, nezkoušel.
_________________
Nasliněný prst na svorkovnici domovního rozvaděče: Jó, paninko, máte tam ty Voltíky všecky...
A kutilmile - nelituju tě Mr. Green Mr. Green !!!
Návrat nahoru
Zobrazit informace o autorovi Odeslat soukromou zprávu Odeslat e-mail
Zobrazit příspěvky z předchozích:   
Přidat nové téma   Zaslat odpověď       Obsah fóra Diskuzní fórum Elektro Bastlírny -> Audiotechnika Časy uváděny v GMT + 1 hodina
Strana 1 z 1

 
Přejdi na:  
Nemůžete odesílat nové téma do tohoto fóra.
Nemůžete odpovídat na témata v tomto fóru.
Nemůžete upravovat své příspěvky v tomto fóru.
Nemůžete mazat své příspěvky v tomto fóru.
Nemůžete hlasovat v tomto fóru.
Nemůžete připojovat soubory k příspěvkům
Můžete stahovat a prohlížet přiložené soubory

Powered by phpBB © 2001, 2005 phpBB Group
Forums ©
Nuke - Elektro Bastlirna

Informace na portálu Elektro bastlírny jsou prezentovány za účelem vzdělání čtenářů a rozšíření zájmu o elektroniku. Autoři článků na serveru neberou žádnou zodpovědnost za škody vzniklé těmito zapojeními. Rovněž neberou žádnou odpovědnost za případnou újmu na zdraví vzniklou úrazem elektrickým proudem. Autoři a správci těchto stránek nepřejímají záruku za správnost zveřejněných materiálů. Předkládané informace a zapojení jsou zveřejněny bez ohledu na případné patenty třetích osob. Nároky na odškodnění na základě změn, chyb nebo vynechání jsou zásadně vyloučeny. Všechny registrované nebo jiné obchodní známky zde použité jsou majetkem jejich vlastníků. Uvedením nejsou zpochybněna z toho vyplývající vlastnická práva. Použití konstrukcí v rozporu se zákonem je přísně zakázáno. Vzhledem k tomu, že původ předkládaných materiálů nelze žádným způsobem dohledat, nelze je použít pro komerční účely! Tento nekomerční server nemá z uvedených zapojení či konstrukcí žádný zisk. Nezodpovídáme za pravost předkládaných materiálů třetími osobami a jejich původ. V případě, že zjistíte porušení autorského práva či jiné nesrovnalosti, kontaktujte administrátory na diskuzním fóru EB.


PHP-Nuke Copyright © 2005 by Francisco Burzi. This is free software, and you may redistribute it under the GPL. PHP-Nuke comes with absolutely no warranty, for details, see the license.
Čas potřebný ke zpracování stránky 0.15 sekund