Vítejte na Elektro Bastlírn?
Nuke - Elektro Bastlirna
  Vytvořit účet Hlavní · Fórum · DDump · Profil · Zprávy · Hledat na fóru · Příspěvky na provoz EB

Vlákno na téma KORONAVIRUS - nutná registrace


Nuke - Elektro Bastlirna: Diskuzní fórum

 FAQFAQ   HledatHledat   Uživatelské skupinyUživatelské skupiny   ProfilProfil   Soukromé zprávySoukromé zprávy   PřihlášeníPřihlášení 

Náhrada tantalů elytem?
Jdi na stránku 1, 2  Další
 
Přidat nové téma   Zaslat odpověď       Obsah fóra Diskuzní fórum Elektro Bastlírny -> Audiotechnika
Zobrazit předchozí téma :: Zobrazit následující téma  
Autor Zpráva
mi-ro



Založen: Feb 08, 2005
Příspěvky: 8658
Bydliště: rovina u Kolína

PříspěvekZaslal: pá květen 27 2022, 6:42    Předmět: Náhrada tantalů elytem? Citovat

Ahoj, dělám repasi starého modulu limitéru a zvažuji výměnu tantalů C22, C23, C40 elytem. Můžu to riskovat?


022 - kópia.jpg
 Komentář:
 Velikost:  253.75 kB
 Zobrazeno:  267 krát

022 - kópia.jpg



_________________
..to bude jen ňákej odpůrek
Návrat nahoru
Zobrazit informace o autorovi Odeslat soukromou zprávu Odeslat e-mail
Ivan_01



Založen: Sep 15, 2018
Příspěvky: 1413
Bydliště: BB SK

PříspěvekZaslal: pá květen 27 2022, 7:39    Předmět: Citovat

však sú to 2 kondy, vyskúšaj, zhorieť to nezhorí a budeš počuť vplyv na výsledný efekt
Návrat nahoru
Zobrazit informace o autorovi Odeslat soukromou zprávu
mi-ro



Založen: Feb 08, 2005
Příspěvky: 8658
Bydliště: rovina u Kolína

PříspěvekZaslal: pá květen 27 2022, 8:05    Předmět: Citovat

To není tak jednoduchý. DPS-modul je vypájený ze zesilovače, po repasi přijde poměrně složitá zpětná montáž a připojení do systému. Měřením kondy vypadají na kapacitu a ESR-OK, zdá se mi vyšší svod.
_________________
..to bude jen ňákej odpůrek
Návrat nahoru
Zobrazit informace o autorovi Odeslat soukromou zprávu Odeslat e-mail
Ivan_01



Založen: Sep 15, 2018
Příspěvky: 1413
Bydliště: BB SK

PříspěvekZaslal: pá květen 27 2022, 8:21    Předmět: Citovat

podľa mňa je tantal buď OK alebo nie, nič medzitým
Návrat nahoru
Zobrazit informace o autorovi Odeslat soukromou zprávu
jjilek



Založen: Mar 29, 2009
Příspěvky: 4429
Bydliště: Olomouc

PříspěvekZaslal: pá květen 27 2022, 10:17    Předmět: Citovat

Každý elektrolytický kondenzátor (včetně tantalových) z principu při provozu má určitý, i když malý ss proud, který provází chemickou reakci, která udržuje izolační vrstvu mezi elektrodami. Naproti tomu dielektrikum u klasických kondenzátorů má co největší izolační vlastnosti, takže teoreticky nevede žádný ss proud, nazývaný svod(ový proud).
Návrat nahoru
Zobrazit informace o autorovi Odeslat soukromou zprávu Odeslat e-mail Zobrazit autorovy WWW stránky
ok1hga



Založen: Nov 28, 2006
Příspěvky: 12594
Bydliště: Česká Třebová

PříspěvekZaslal: pá květen 27 2022, 10:34    Předmět: Citovat

mi-ro napsal(a):
vypadají na kapacitu a ESR-OK, zdá se mi vyšší svod.

co to je "vyšší svod" ?
kolik jsi naměřil ?
Návrat nahoru
Zobrazit informace o autorovi Odeslat soukromou zprávu
termit256



Založen: Dec 06, 2007
Příspěvky: 10335

PříspěvekZaslal: pá květen 27 2022, 10:41    Předmět: Citovat

Otazka spis zni, proc bys to delal. Kdyz se ti nezdaji, tak tam dej novy tantal.
Návrat nahoru
Zobrazit informace o autorovi Odeslat soukromou zprávu
mi-ro



Založen: Feb 08, 2005
Příspěvky: 8658
Bydliště: rovina u Kolína

PříspěvekZaslal: pá květen 27 2022, 11:29    Předmět: Citovat

Od zadu. Ono se to lehce řekne, dej tam zase tantal. Jenže práce běží a tantaly nemaje. A svody? Nevím, možná blbost ale když ke stejný kapacitě připojím ohmmetr, tantal se nabíjí o hodně déle než nový elytek. Ale po chvíli mi měřák tak i tak ukáže nekonečno. Já vím, napětí na měřáku je příliš nízké. Ale jedná se o zařízení 40 let staré. Tak proto ta preventivní výměna.
Doplnění. Tak jsem měřil proud při 12V. Tantal 6M8/16V se proud ustálil na 5uA. U novýho elytu 10x méně. Starý TE 984 100uF/16V měl 120uA.

_________________
..to bude jen ňákej odpůrek
Návrat nahoru
Zobrazit informace o autorovi Odeslat soukromou zprávu Odeslat e-mail
EKKAR



Založen: Mar 16, 2005
Příspěvky: 34985
Bydliště: Česká Třebová, JN89FW21

PříspěvekZaslal: pá květen 27 2022, 13:06    Předmět: Citovat

Ty tantaly se při prvním měření po bůhvíjaký době odložení znovu doformovávají a k tomu potřebujou průchod určitýho množství náboje. Než je začneš měřit, připoj je na 24 hodin na jejich nominální napětí ponížený o 10%, potom je vybij přes odpor 100Ω a následně změř - na kapacitu i na svod a ESR.
_________________
Nasliněný prst na svorkovnici domovního rozvaděče: Jó, paninko, máte tam ty Voltíky všecky...
A kutilmile - nelituju tě Mr. Green Mr. Green !!!
Návrat nahoru
Zobrazit informace o autorovi Odeslat soukromou zprávu Odeslat e-mail
ZdenekHQ
Administrátor


Založen: Jul 21, 2006
Příspěvky: 25741
Bydliště: skoro Brno

PříspěvekZaslal: pá květen 27 2022, 13:18    Předmět: Citovat

Já se svým názorem na staré tantaly bych je všechny vyházel. Zvlášť ty v napájecích větvích, ale to není tento případ.
_________________
Pro moje oslovení klidně použijte jméno Zdeněk
Správně navržené zapojení je jako recept na dobré jídlo.
Můžete vynechat půlku ingrediencí, nebo přidat jiné,
ale jste si jistí, že vám to bude chutnat[?
]
Návrat nahoru
Zobrazit informace o autorovi Odeslat soukromou zprávu Zobrazit autorovy WWW stránky
termit256



Založen: Dec 06, 2007
Příspěvky: 10335

PříspěvekZaslal: pá květen 27 2022, 13:53    Předmět: Citovat

Ted jsem pro zajimavost zmeril par smd tantalu v hodnotach 22-50uF a pri 10V mely svodovy proud od 0,1 do 0,3uA. Mam je v krabicce vypajene z kdoviceho pro prilezitostne pouziti a jsou bez napeti urcite nekolik let.

Jeste jsem zkusil novy polymer jakehosi levneho cinskeho vyrobce 330u/35V a ten mel po pulhodince 0,1uA.
Návrat nahoru
Zobrazit informace o autorovi Odeslat soukromou zprávu
jurosdi



Založen: Jan 07, 2017
Příspěvky: 161

PříspěvekZaslal: pá květen 27 2022, 19:36    Předmět: Citovat

Mohol by autor témy upresnit o aký modul sa jedná???
Návrat nahoru
Zobrazit informace o autorovi Odeslat soukromou zprávu
matus15



Založen: Dec 13, 2008
Příspěvky: 338
Bydliště: Prešov

PříspěvekZaslal: pá květen 27 2022, 19:53    Předmět: Citovat

Predpokladám, že 3AK 052 11 z ADJ636 A.
Návrat nahoru
Zobrazit informace o autorovi Odeslat soukromou zprávu
mi-ro



Založen: Feb 08, 2005
Příspěvky: 8658
Bydliště: rovina u Kolína

PříspěvekZaslal: pá květen 27 2022, 21:19    Předmět: Citovat

Typ modulu nvm ale ano, jedná se o limiter z adj636.
_________________
..to bude jen ňákej odpůrek
Návrat nahoru
Zobrazit informace o autorovi Odeslat soukromou zprávu Odeslat e-mail
sinclair



Založen: Feb 02, 2005
Příspěvky: 9923
Bydliště: Luhačovice

PříspěvekZaslal: so květen 28 2022, 6:04    Předmět: Citovat

Tantaly se mj. vyznačují o řád nižším svodovým proudem, než běžné hliníkové elektrolyty - snad kromě originálních, japonských oranžových LL-LR typů, přednostně Japonci používaných v lepších zařízeních jako vazební-oddělovací před regulačními prvky. Mají i dneska, po tolika letech zanedbatelný svod.

To budeš mít nějakou novější verzi, nebo to přeosadil někdo před Tebou.
Co přesně a na kterých pozicích tam máš?
Mám ADJ636A v rámu sice jen 4, původně všecky s vykradenými limitéry, ale jeden jsem si sehnal - půjčil a i s pomocí klišé v servisu udělal kopie.
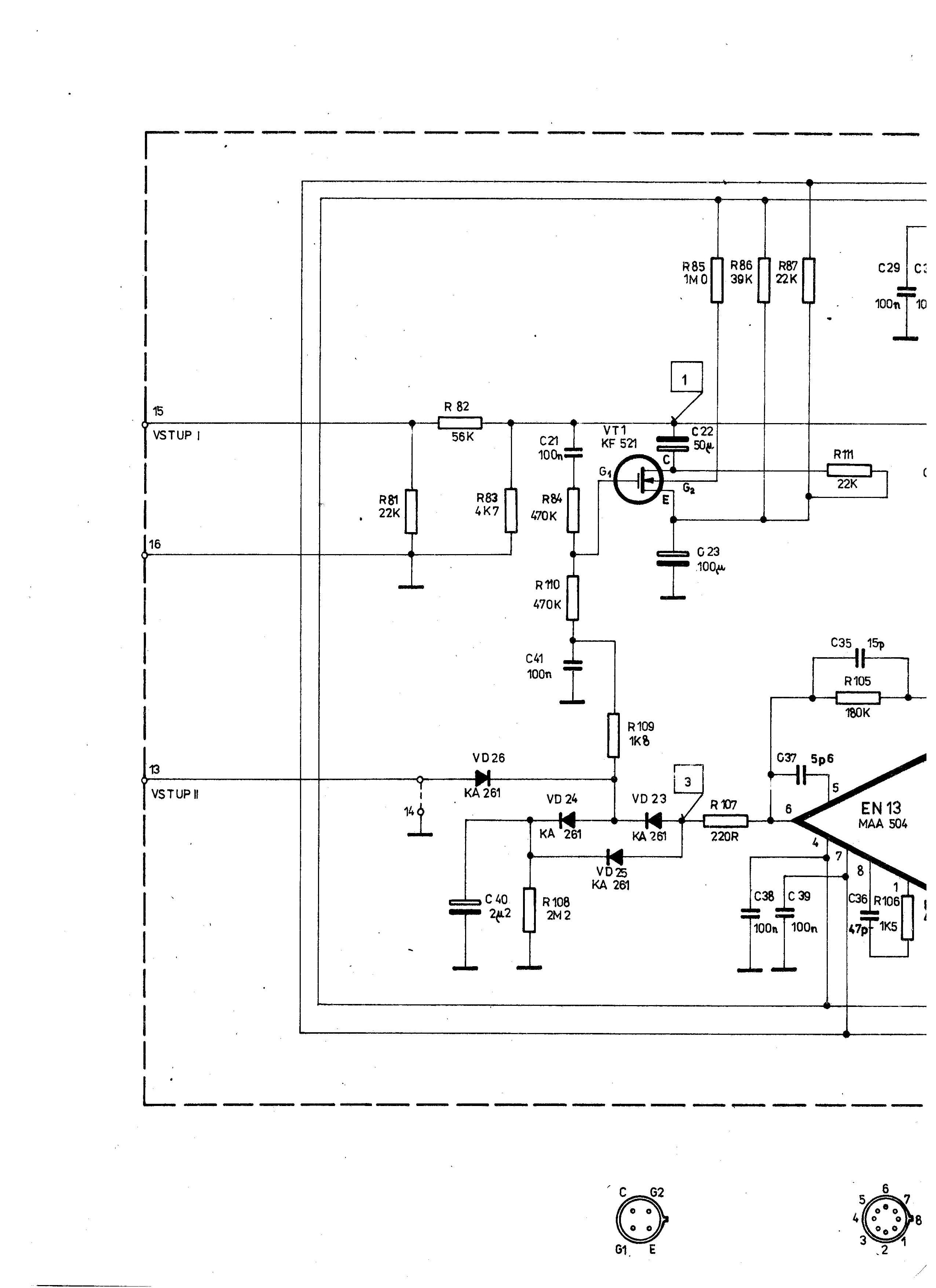
V těch mých je předepsán a v originále byl osazen tantal jenom na jedné pozici, C40 a oproti rozpisce byl toho tyrkysového typu tuším TE143, 2,2uF/16V.
Zbytek jsou normální elyty, jsou tam TE984-TE988 a limitery se zdravými hliníkáči fungují naprosto korektně.
Odevšad jsem ale vyházel TK782 a TK783 (Nn a Nq, na 12,5 a 32V) a dal na jejich místa nepoužité diskové TK784 (Ns, na 40V).
Z celé té jednotky, jsem si dával při GO největší pozor právě na nastavení limiterů, na ofsety operáků (namísto MAA504 jsem ale všude dal MAA502) a největší pozor na výběr součástek pro desku budicích sledovačů i s jejich napájecím stabilizátorem.
Ty budicí desky se totiž na dráťáku rozesíraly suverénně nejvíc. Při rozjetí některého ze sledovačů, nebo i napájecího stabilizátoru či zahaprování trimru, to uvařilo a zničilo i několik desek kaskód. Brutálně velkým kliďákem, na což nebyla teplotní ochrana schopna v přijatelném čase reagovat.
Není to zrovna šťastné řešení, ale tehdy určitě nebylo jiné cesty, když nic kromě občas tříděných KD503 neměli. A nechat si něco lepšího dovézt ze Západu vrábelští evidentně nesměli, jako paradoxně směla třeba Orava.
Mít už tenkrát třebas KUX41N, nebo nějaké podobné KDY, tak by to bývalo bylo řešený daleko jednodušeji. Velkým autobusem, napájením třeba ±80V a primárem s malou impedancí.
Ostatně konce z AUJ5613 jsou řešený právě takhle, dokonce s "elektronickým" paralelním chodem a není s nimi nejmenší problém.

Je to tento limiter?
A máš od ADJ636A celý servis (od rámu ADC2250-ADC4250)?



LL_LR elyty00.jpg
 Komentář:
 Velikost:  163.77 kB
 Zobrazeno:  149 krát

LL_LR elyty00.jpg



limiter ADJ636A_schema.pdf
 Komentář:

Stáhnout
 Soubor:  limiter ADJ636A_schema.pdf
 Velikost:  276.89 kB
 Staženo:  746 krát

Návrat nahoru
Zobrazit informace o autorovi Odeslat soukromou zprávu Odeslat e-mail
Zobrazit příspěvky z předchozích:   
Přidat nové téma   Zaslat odpověď       Obsah fóra Diskuzní fórum Elektro Bastlírny -> Audiotechnika Časy uváděny v GMT + 1 hodina
Jdi na stránku 1, 2  Další
Strana 1 z 2

 
Přejdi na:  
Nemůžete odesílat nové téma do tohoto fóra.
Nemůžete odpovídat na témata v tomto fóru.
Nemůžete upravovat své příspěvky v tomto fóru.
Nemůžete mazat své příspěvky v tomto fóru.
Nemůžete hlasovat v tomto fóru.
Nemůžete připojovat soubory k příspěvkům
Můžete stahovat a prohlížet přiložené soubory

Powered by phpBB © 2001, 2005 phpBB Group
Forums ©
Nuke - Elektro Bastlirna

Informace na portálu Elektro bastlírny jsou prezentovány za účelem vzdělání čtenářů a rozšíření zájmu o elektroniku. Autoři článků na serveru neberou žádnou zodpovědnost za škody vzniklé těmito zapojeními. Rovněž neberou žádnou odpovědnost za případnou újmu na zdraví vzniklou úrazem elektrickým proudem. Autoři a správci těchto stránek nepřejímají záruku za správnost zveřejněných materiálů. Předkládané informace a zapojení jsou zveřejněny bez ohledu na případné patenty třetích osob. Nároky na odškodnění na základě změn, chyb nebo vynechání jsou zásadně vyloučeny. Všechny registrované nebo jiné obchodní známky zde použité jsou majetkem jejich vlastníků. Uvedením nejsou zpochybněna z toho vyplývající vlastnická práva. Použití konstrukcí v rozporu se zákonem je přísně zakázáno. Vzhledem k tomu, že původ předkládaných materiálů nelze žádným způsobem dohledat, nelze je použít pro komerční účely! Tento nekomerční server nemá z uvedených zapojení či konstrukcí žádný zisk. Nezodpovídáme za pravost předkládaných materiálů třetími osobami a jejich původ. V případě, že zjistíte porušení autorského práva či jiné nesrovnalosti, kontaktujte administrátory na diskuzním fóru EB.


PHP-Nuke Copyright © 2005 by Francisco Burzi. This is free software, and you may redistribute it under the GPL. PHP-Nuke comes with absolutely no warranty, for details, see the license.
Čas potřebný ke zpracování stránky 0.16 sekund