Vítejte na Elektro Bastlírn?
Nuke - Elektro Bastlirna
  Vytvořit účet Hlavní · Fórum · DDump · Profil · Zprávy · Hledat na fóru · Příspěvky na provoz EB

Vlákno na téma KORONAVIRUS - nutná registrace


Nuke - Elektro Bastlirna: Diskuzní fórum

 FAQFAQ   HledatHledat   Uživatelské skupinyUživatelské skupiny   ProfilProfil   Soukromé zprávySoukromé zprávy   PřihlášeníPřihlášení 

Šasi gramo LENCO L75/200 pohon

 
Přidat nové téma   Zaslat odpověď       Obsah fóra Diskuzní fórum Elektro Bastlírny -> Audiotechnika
Zobrazit předchozí téma :: Zobrazit následující téma  
Autor Zpráva
jardafiala



Založen: Jun 20, 2010
Příspěvky: 2459
Bydliště: Česká Lípa

PříspěvekZaslal: čt únor 17 2022, 16:24    Předmět: Šasi gramo LENCO L75/200 pohon Citovat

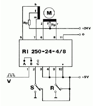
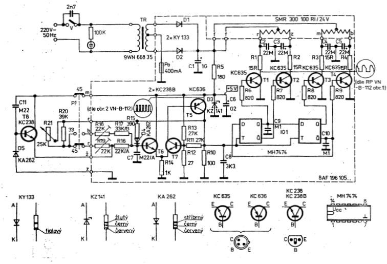
Zdravím, toto šasi používá motor SMR 300-100-RI/24 s řízením na přiloženém obrázku. Řízení se mi podařilo rozběhnout a funguje. Jediné co mě znepokojuje je napájení motoru - podle katalogu REGULACE – AUTOMATIZACE BOR, by mělo být řízení k němu vyráběné (na druhém obrázku) napájené 24V. Předpokládal bych tedy, že i řízení LENCO by mělo mít napájení stejné, není tomu tak. Pro napájení je použito trafo se sekundárem 2x9,5V, na kondenzátoru je potom usměrněných 11,5V. Nemělo by být napájecí napětí vyšší?


Lenco řízení.jpg
 Komentář:
 Velikost:  76.56 kB
 Zobrazeno:  243 krát

Lenco řízení.jpg



Lenco řízení a.jpg
 Komentář:
 Velikost:  23.3 kB
 Zobrazeno:  125 krát

Lenco řízení      a.jpg




Naposledy upravil jardafiala dne pá únor 18 2022, 10:07, celkově upraveno 2 krát.
Návrat nahoru
Zobrazit informace o autorovi Odeslat soukromou zprávu Odeslat e-mail
elektrosvit



Založen: Jun 27, 2016
Příspěvky: 2515

PříspěvekZaslal: čt únor 17 2022, 19:34    Předmět: Citovat

Mně přijde, že zapojení rozdělovače impulsů je převzato z novější verze NC440. Trafo je předpokládám původní, takže pokud pohon funguje, nechal bych to být. Otázkou je, k čemu ten druhý obrázek vůbec patří.

Tady máš originální litovelskou dokumentaci, ten druhý obrázek v ní vůbec není.
Návrat nahoru
Zobrazit informace o autorovi Odeslat soukromou zprávu
haness



Založen: May 13, 2021
Příspěvky: 13

PříspěvekZaslal: čt únor 17 2022, 19:54    Předmět: Citovat

Ahoj, zásadně jde o krokový motor, který je v principu napájen proudově. Tomu odpovídají i ty odpory 15R do série a asi soudruzi vykoumali a odměřili kompromis mezi napájením NAPĚŤOVÝM, které je dané tím transformátorem atd., atd, a předepsaným napájením proudovým. Neřešil bych to, když to fungovalo. Ideální proudové napájení by se tehdy zcela vymykalo cenové hladině, takže jde o kompromis. Když to funguje, tak to neřeš.
Návrat nahoru
Zobrazit informace o autorovi Odeslat soukromou zprávu
Hill
Administrátor


Založen: Sep 10, 2004
Příspěvky: 20977
Bydliště: Jičín, Český ráj

PříspěvekZaslal: čt únor 17 2022, 21:20    Předmět: Citovat

Stejný motor je použitý i u souřadnicového zapisovače Alfi. Tam jede čistě v krokovém režimu a napájení je 8 V. Úplně to stačí.
Návrat nahoru
Zobrazit informace o autorovi Odeslat soukromou zprávu
jardafiala



Založen: Jun 20, 2010
Příspěvky: 2459
Bydliště: Česká Lípa

PříspěvekZaslal: pá únor 18 2022, 10:09    Předmět: Citovat

Dík za reakce, už jsem klidnější. Také zde platí zásada "když to funguje tak to nespravuj" jen jsem zvědavý.
Návrat nahoru
Zobrazit informace o autorovi Odeslat soukromou zprávu Odeslat e-mail
ZdenekHQ
Administrátor


Založen: Jul 21, 2006
Příspěvky: 25741
Bydliště: skoro Brno

PříspěvekZaslal: pá únor 18 2022, 20:13    Předmět: Citovat

Vypadá to, že soudruzi byli celkově trošku odvážní. K čemu je třeba ta pojistka Po, když se prorazí usměrňovací dioda, s čímž se dá docela počítat?
_________________
Pro moje oslovení klidně použijte jméno Zdeněk
Správně navržené zapojení je jako recept na dobré jídlo.
Můžete vynechat půlku ingrediencí, nebo přidat jiné,
ale jste si jistí, že vám to bude chutnat[?
]
Návrat nahoru
Zobrazit informace o autorovi Odeslat soukromou zprávu Zobrazit autorovy WWW stránky
haness



Založen: May 13, 2021
Příspěvky: 13

PříspěvekZaslal: pá únor 18 2022, 20:49    Předmět: Citovat

Jestli to není tak, že když se prorazí dioda, tak ulítne pojistka, a co???? ...no bude nám chybět mínus pól....tedy tak.
Návrat nahoru
Zobrazit informace o autorovi Odeslat soukromou zprávu
ZdenekHQ
Administrátor


Založen: Jul 21, 2006
Příspěvky: 25741
Bydliště: skoro Brno

PříspěvekZaslal: pá únor 18 2022, 20:50    Předmět: Citovat

No, když myslíš... Laughing
_________________
Pro moje oslovení klidně použijte jméno Zdeněk
Správně navržené zapojení je jako recept na dobré jídlo.
Můžete vynechat půlku ingrediencí, nebo přidat jiné,
ale jste si jistí, že vám to bude chutnat[?
]
Návrat nahoru
Zobrazit informace o autorovi Odeslat soukromou zprávu Zobrazit autorovy WWW stránky
VASEK_W



Založen: Dec 11, 2017
Příspěvky: 970
Bydliště: Pelhřimov

PříspěvekZaslal: so únor 19 2022, 0:33    Předmět: Citovat

haness: a co si tak jednu diodu v tom schématu nahradit propojkou (zkratem), a páááááááááák se dlóóóóóóuze zadívat jak tam vlastně ty elektrony mohou běhat, a hlavně jakou mají kdy sílu Wink

Vašek
Návrat nahoru
Zobrazit informace o autorovi Odeslat soukromou zprávu
Hill
Administrátor


Založen: Sep 10, 2004
Příspěvky: 20977
Bydliště: Jičín, Český ráj

PříspěvekZaslal: so únor 19 2022, 7:12    Předmět: Citovat

Když půjde do zkratu jedna dioda, v další půlvlně se protaví druhá. Zbytku zapojení se nestane nic, odnese to trafo. Pojistka chrání jen před zkratem na stejnosměrné větvi, stejně tak mohla být mezi uzlem diod a elektrolytem C1. Takto zapojovalo zdroje víc výrobců, nejen v tomto přístroji, přesto nějak nepamatuji případ, kdy by zrovna v takovém zapojení šly diody do zkratu.
Návrat nahoru
Zobrazit informace o autorovi Odeslat soukromou zprávu
jardafiala



Založen: Jun 20, 2010
Příspěvky: 2459
Bydliště: Česká Lípa

PříspěvekZaslal: so únor 19 2022, 9:16    Předmět: Citovat

Tato slova tesat "nějak nepamatuji případ, kdy by zrovna v takovém zapojení šly diody do zkratu" jinak už je to jenom plané teoretizování. Kdyby k tomu docházelo tak by se trafo ošetřilo třeba tepelnou pojistkou.
Návrat nahoru
Zobrazit informace o autorovi Odeslat soukromou zprávu Odeslat e-mail
ZdenekHQ
Administrátor


Založen: Jul 21, 2006
Příspěvky: 25741
Bydliště: skoro Brno

PříspěvekZaslal: po únor 21 2022, 13:12    Předmět: Citovat

Samozřejmě. Protože já jsem zrovna nevyhořel, tak nepotřebuju hasiče a lze je zrušit.

Já viděl podobný spálený trafo bez pojistek jako kluk, na rozdíl od mého otce jsem se orientoval čichem, ne měřením. A protože tady na primáru pojistku nevidím a majitel bude marně hledat, proč zařízení smrdí a přitom je "vypnuté", určitě se mně to nelíbí. Dnes by to nejspíš rovnou vyhodil, protože "je vadný vypínač".

O těchto diodách nemám moc iluze, možná (teda spíš určitě) je museli vybírat a zbytek zahodit. Kdyby tam bylo něco festovnějšího, tak bych tu poznámku nepsal.

Já jen, aby se z toho někdo nepoučil do dnešní doby. Naštěstí to trafo bylo nejspíš docela měkký, takže pravděpobnost závažnější poruchy byla hodně malá.

_________________
Pro moje oslovení klidně použijte jméno Zdeněk
Správně navržené zapojení je jako recept na dobré jídlo.
Můžete vynechat půlku ingrediencí, nebo přidat jiné,
ale jste si jistí, že vám to bude chutnat[?
]
Návrat nahoru
Zobrazit informace o autorovi Odeslat soukromou zprávu Zobrazit autorovy WWW stránky
Hill
Administrátor


Založen: Sep 10, 2004
Příspěvky: 20977
Bydliště: Jičín, Český ráj

PříspěvekZaslal: po únor 21 2022, 20:10    Předmět: Citovat

Nepsal jsem, že se to nestalo mně, ale že jsem neměl případ, kdy by to komukoli odneslo trafo.
Tedy jeden pamatuju - bylo to někdy před 30 lety trafo do zásuvky k telefonnímu záznamníku Grundig, přinesli mi ho, že chvíli vrčí, pak ztichne, za čtvrt hodiny záznamník pípne a trafo zase vrčí. Tam byly diody v můstku v háji, ale trafo mělo vratnou tepelnou pojistku. A ta dokola spínala a rozpínala. Ke cti Grundigům musím ale přiznat, že jinak neodešlo vůbec nic, i první filtrační elektrolyt to přežil bez měřitelné úhony.
Zkusím se na to podívat, jak to asi viděl konstruktér:
motorek se spíše přeruší, než aby došlo ke zkratu, odběr jedné fáze je kolem 60 mA při 24 V, což teprve při 8 - 10 V. Krokování omezíme paralelními kapacitami ke každému vinutí, nabíjecí proudy těch kondenzátorů omezí odpory
Diody snesou dlouhodobě efektivní hodnotu proudu přes 3 A, to je myslím dostatečná rezerva, aby neodešly ani při zkratu C1, protože tolik trafo nedá.
Že by ten zkrat hypoteticky nemuselo trafo dlouhodobě vydržet, to by nemuselo, ale to jen hádám: nemám k dispozici údaje, které určitě konstruktér měl, a to, jak velkoryse je zrovna toto trafo dimenzované.

Ale asi se tehdy dalo počítat s tím, že komu ten gramofon bude dělat potíže, ten ho vypne. Z dnešního pohledu je to asi lehkomyslnost, něco takového předpokládat, ale věř mi - byly doby, kdy se lidi do návodu někdy i podívali. A ti, kdo se bez návodu obešli, si buď koupili něco jiného, nebo ten gramofon měli jen jako dekoraci na ukazování návštěvám a nikdy ho nezapnuli.
Návrat nahoru
Zobrazit informace o autorovi Odeslat soukromou zprávu
ZdenekHQ
Administrátor


Založen: Jul 21, 2006
Příspěvky: 25741
Bydliště: skoro Brno

PříspěvekZaslal: po únor 21 2022, 21:08    Předmět: Citovat

S tím vyhořením to byl jen příměr. Já se myšlenkově omezil pouze na nabití elytu při zapnutí, dál to určitě proudově ty diody neohrozí.

Rozptyl parametrů obecně těchto diod je známý, naštěstí většinu zřejmě vyházeli při výrobě, a já z pozice návrháře bych na to myslel, i když by to bylo prakticky nereálné. Ale na tom jsou založený prakticky všechny ochrany, že se předpokládá i nemyslitelné. Dokud se to jednou nestane, pak je na "kdyby" pozdě.

A zrovna tady by se nejspíš ta druhá dioda neprorazila, jen by trafák vrčel a smrděl. Ale neshořel by doslova, to jsem taky nikdy neviděl.

_________________
Pro moje oslovení klidně použijte jméno Zdeněk
Správně navržené zapojení je jako recept na dobré jídlo.
Můžete vynechat půlku ingrediencí, nebo přidat jiné,
ale jste si jistí, že vám to bude chutnat[?
]
Návrat nahoru
Zobrazit informace o autorovi Odeslat soukromou zprávu Zobrazit autorovy WWW stránky
EKKAR



Založen: Mar 16, 2005
Příspěvky: 34946
Bydliště: Česká Třebová, JN89FW21

PříspěvekZaslal: po únor 21 2022, 22:10    Předmět: Citovat

A navíc - tenhle gramec už jen z principu funkce vyžaduje prakticky neustálou obsluhu, s teoretickou výjimkou starejch "projevovejch" gramodesek se 16 otáčkama za minutu (který ani neumí přehrávat) se k němu musí nejpozdějc po 20-22 minutách (jedna strana LP) přejít a aspoň ho znovu zapnout, není to automat jako MC600Q, kde se zmáčknutím jednoho tlačítka dá dosáhnout opakovanýho přehrávání až do zblbnutí, takže kdyby začal jakkoliv blbnout, uživatel si toho všimne a zasáhne ...
_________________
Nasliněný prst na svorkovnici domovního rozvaděče: Jó, paninko, máte tam ty Voltíky všecky...
A kutilmile - nelituju tě Mr. Green Mr. Green !!!
Návrat nahoru
Zobrazit informace o autorovi Odeslat soukromou zprávu Odeslat e-mail
Zobrazit příspěvky z předchozích:   
Přidat nové téma   Zaslat odpověď       Obsah fóra Diskuzní fórum Elektro Bastlírny -> Audiotechnika Časy uváděny v GMT + 1 hodina
Strana 1 z 1

 
Přejdi na:  
Nemůžete odesílat nové téma do tohoto fóra.
Nemůžete odpovídat na témata v tomto fóru.
Nemůžete upravovat své příspěvky v tomto fóru.
Nemůžete mazat své příspěvky v tomto fóru.
Nemůžete hlasovat v tomto fóru.
Nemůžete připojovat soubory k příspěvkům
Můžete stahovat a prohlížet přiložené soubory

Powered by phpBB © 2001, 2005 phpBB Group
Forums ©
Nuke - Elektro Bastlirna

Informace na portálu Elektro bastlírny jsou prezentovány za účelem vzdělání čtenářů a rozšíření zájmu o elektroniku. Autoři článků na serveru neberou žádnou zodpovědnost za škody vzniklé těmito zapojeními. Rovněž neberou žádnou odpovědnost za případnou újmu na zdraví vzniklou úrazem elektrickým proudem. Autoři a správci těchto stránek nepřejímají záruku za správnost zveřejněných materiálů. Předkládané informace a zapojení jsou zveřejněny bez ohledu na případné patenty třetích osob. Nároky na odškodnění na základě změn, chyb nebo vynechání jsou zásadně vyloučeny. Všechny registrované nebo jiné obchodní známky zde použité jsou majetkem jejich vlastníků. Uvedením nejsou zpochybněna z toho vyplývající vlastnická práva. Použití konstrukcí v rozporu se zákonem je přísně zakázáno. Vzhledem k tomu, že původ předkládaných materiálů nelze žádným způsobem dohledat, nelze je použít pro komerční účely! Tento nekomerční server nemá z uvedených zapojení či konstrukcí žádný zisk. Nezodpovídáme za pravost předkládaných materiálů třetími osobami a jejich původ. V případě, že zjistíte porušení autorského práva či jiné nesrovnalosti, kontaktujte administrátory na diskuzním fóru EB.


PHP-Nuke Copyright © 2005 by Francisco Burzi. This is free software, and you may redistribute it under the GPL. PHP-Nuke comes with absolutely no warranty, for details, see the license.
Čas potřebný ke zpracování stránky 0.17 sekund