Vítejte na Elektro Bastlírn?
Nuke - Elektro Bastlirna
  Vytvořit účet Hlavní · Fórum · DDump · Profil · Zprávy · Hledat na fóru · Příspěvky na provoz EB

Vlákno na téma KORONAVIRUS - nutná registrace


Nuke - Elektro Bastlirna: Diskuzní fórum

 FAQFAQ   HledatHledat   Uživatelské skupinyUživatelské skupiny   ProfilProfil   Soukromé zprávySoukromé zprávy   PřihlášeníPřihlášení 

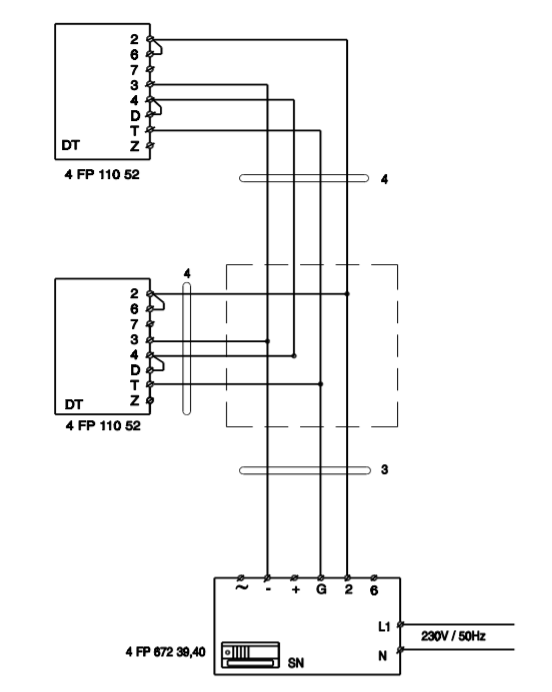
Spojení domácích telefonů DT93 4FP 110 52

 
Přidat nové téma   Zaslat odpověď       Obsah fóra Diskuzní fórum Elektro Bastlírny -> Linkové telefony, faxy, tel. ústředny včetně domácích
Zobrazit předchozí téma :: Zobrazit následující téma  
Autor Zpráva
fialot



Založen: Dec 16, 2018
Příspěvky: 1

PříspěvekZaslal: ne prosinec 16 2018, 19:17    Předmět: Spojení domácích telefonů DT93 4FP 110 52 Citovat

Ahoj,
nemáte někdo schéma k napájecímu zdroji 4FP 672 39?
Z rekonstrukce baráku mi zbyly 2 domovní telefony 4FP 110 52, a chtěl jsem je pro děcka na hraní propojit (a nechce se mi k tomu kupovat zdroj). Potřeboval bych vědět, jak je ve zdroji zapojena svorka 2.



Clipboard02.png
 Komentář:
Schéma zapojení telefonů
 Velikost:  34.79 kB
 Zobrazeno:  447 krát

Clipboard02.png


Návrat nahoru
Zobrazit informace o autorovi Odeslat soukromou zprávu
petrfilipi



Založen: Sep 13, 2005
Příspěvky: 2888

PříspěvekZaslal: ne prosinec 16 2018, 20:03    Předmět: Citovat

Nevím zdali seženeš schéma, příkládám popis svorek jiného zdroje.

Petr



Tesla.jpg
 Komentář:
 Velikost:  196.82 kB
 Zobrazeno:  427 krát

Tesla.jpg


Návrat nahoru
Zobrazit informace o autorovi Odeslat soukromou zprávu Odeslat e-mail
Cowley



Založen: Feb 04, 2005
Příspěvky: 3569

PříspěvekZaslal: ne prosinec 16 2018, 20:47    Předmět: Citovat

Mezi výstupní svorkou + je v sérii rezistor 47ohmu/1W a dioda 1N4007 (katodou) směrem ke svorce c.2.
Ve starších zdrojích je generovaný tón tvořen dvěma tranzistory, u nových už integracem.

Pro stejnou funkci, tzn. možnost vzájemné vnitřní komunikace, má třeba výrobce BPT stejné zapojení jen s odporem 220ohmů doplněnou o filtrační kondenzátor.
Návrat nahoru
Zobrazit informace o autorovi Odeslat soukromou zprávu
Zobrazit příspěvky z předchozích:   
Přidat nové téma   Zaslat odpověď       Obsah fóra Diskuzní fórum Elektro Bastlírny -> Linkové telefony, faxy, tel. ústředny včetně domácích Časy uváděny v GMT + 1 hodina
Strana 1 z 1

 
Přejdi na:  
Nemůžete odesílat nové téma do tohoto fóra.
Nemůžete odpovídat na témata v tomto fóru.
Nemůžete upravovat své příspěvky v tomto fóru.
Nemůžete mazat své příspěvky v tomto fóru.
Nemůžete hlasovat v tomto fóru.
Nemůžete připojovat soubory k příspěvkům
Můžete stahovat a prohlížet přiložené soubory

Powered by phpBB © 2001, 2005 phpBB Group
Forums ©
Nuke - Elektro Bastlirna

Informace na portálu Elektro bastlírny jsou prezentovány za účelem vzdělání čtenářů a rozšíření zájmu o elektroniku. Autoři článků na serveru neberou žádnou zodpovědnost za škody vzniklé těmito zapojeními. Rovněž neberou žádnou odpovědnost za případnou újmu na zdraví vzniklou úrazem elektrickým proudem. Autoři a správci těchto stránek nepřejímají záruku za správnost zveřejněných materiálů. Předkládané informace a zapojení jsou zveřejněny bez ohledu na případné patenty třetích osob. Nároky na odškodnění na základě změn, chyb nebo vynechání jsou zásadně vyloučeny. Všechny registrované nebo jiné obchodní známky zde použité jsou majetkem jejich vlastníků. Uvedením nejsou zpochybněna z toho vyplývající vlastnická práva. Použití konstrukcí v rozporu se zákonem je přísně zakázáno. Vzhledem k tomu, že původ předkládaných materiálů nelze žádným způsobem dohledat, nelze je použít pro komerční účely! Tento nekomerční server nemá z uvedených zapojení či konstrukcí žádný zisk. Nezodpovídáme za pravost předkládaných materiálů třetími osobami a jejich původ. V případě, že zjistíte porušení autorského práva či jiné nesrovnalosti, kontaktujte administrátory na diskuzním fóru EB.


PHP-Nuke Copyright © 2005 by Francisco Burzi. This is free software, and you may redistribute it under the GPL. PHP-Nuke comes with absolutely no warranty, for details, see the license.
Čas potřebný ke zpracování stránky 0.13 sekund